Поточний час: 30 жовт 2025, 17:31

Часовий пояс: UTC + 2 години


Правила форума


Продавець повинен у першому ж пості чітко вказати, що продається, повні технічні характеристики, ціну, по можливості фото. У назві теми має бути коротка назва товару. Теми з назвою типу "Продам шикарний варіант" будуть відразу видаляться з попередженням автора. Обговорення бажано проводити у технічному розділі форуму за адресою http://electroavtosam.com.ua/forums/viewforum.php?f=29


Почати нову тему Відповісти на тему  [ Повідомлень: 268 ]  На сторінку Пред.  1, 2, 3, 4, 5, 6, 7, 8 ... 18  Наступ.
Автор Повідомлення
#73726Повідомлення 25 січ 2019, 20:24 
Активіст форуму
Не в мережі

Звідки: Днепр
Дякував (ла) 204 Подякували 81
Мій електротранспорт: пока нету
Хочу електротранспорт: очень хочу...
alexZ писав(ла):
Почому будуть холдери? розміри їх відомі?

Весьма интересна ценовая политика.

Могу попробовать такие печатать, можно корректировать размеры и форму холдеров на ходу под конкретные потребности сборки.
Типа таких viewtopic.php?f=32&t=2935


Повернутися до початку
 Профіль  
Відповісти цитуючи  
#73734Повідомлення 26 січ 2019, 00:07 
Власник електромобіля, член клубу
Не в мережі

Звідки: Украина Луганск => г.Буча
Дякував (ла) 52 Подякували 618
Мій електротранспорт: Nissan Leaf AZE0 40kWh.
Хочу електротранспорт: Model 3
Прогнал на MC3000 4 элемента LiFePo4 32700
Додаткові файли:
IMG_20190125_230316.jpg
IMG_20190125_230316.jpg [ 412.88 КБ | Переглядів: 11159 ]

Додаткові файли:
IMG_20190125_230309.jpg
IMG_20190125_230309.jpg [ 428.1 КБ | Переглядів: 11159 ]

Додаткові файли:
IMG_20190125_230254.jpg
IMG_20190125_230254.jpg [ 401.71 КБ | Переглядів: 11159 ]

Додаткові файли:
IMG_20190125_101912.jpg
IMG_20190125_101912.jpg [ 397.83 КБ | Переглядів: 11159 ]

_________________
Альтернативные Источники Энергии.


Повернутися до початку
 Профіль  
Відповісти цитуючи  
#73740Повідомлення 26 січ 2019, 09:37 
Активіст форуму
Аватара користувача
Не в мережі

Звідки: Троицк
Дякував (ла) 69 Подякували 105
Можно узнать стоимость киловатт/часа всех этих перечисленных батареек?

_________________
-----------------------------------------------------------------------
Лучше сразу взяться за ум, чтобы потом не хвататься за голову!


Повернутися до початку
 Профіль  
Відповісти цитуючи  
#73746Повідомлення 26 січ 2019, 11:37 
Власник електровелосипеда
Аватара користувача
Не в мережі

Звідки: Борисполь
Дякував (ла) 92 Подякували 262
Мій електротранспорт: Самодельный электромот "Багира"
Конечно можно,только калькулятор где бы взять...


Повернутися до початку
 Профіль  
Відповісти цитуючи  
#73787Повідомлення 27 січ 2019, 10:01 
Член клубу
Не в мережі

Звідки: Ужгород
Дякував (ла) 126 Подякували 174
Хочу електротранспорт: ВАЗ 2105
танго писав(ла):
Можно узнать стоимость киловатт/часа всех этих перечисленных батареек?

Исходя из выше указаных данных вычисляется это так :
1000Вт/20,34Втч=49,16 шт*3,2 дол=157 дол/кВт.


Повернутися до початку
 Профіль  
Відповісти цитуючи  
#73789Повідомлення 27 січ 2019, 10:16 
Член клубу
Не в мережі

Звідки: Ужгород
Дякував (ла) 126 Подякували 174
Хочу електротранспорт: ВАЗ 2105
alexZ писав(ла):
Почому будуть холдери? розміри їх відомі?

Стоимость холдеров получится около 0,09 дол на каждый акум.


Повернутися до початку
 Профіль  
Відповісти цитуючи  
#74144Повідомлення 01 лют 2019, 20:39 
Член клубу
Не в мережі

Звідки: Ужгород
Дякував (ла) 126 Подякували 174
Хочу електротранспорт: ВАЗ 2105
Снял график заряда акума 32700.


Додаткові файли:
Новый рисунок (65).jpg
Новый рисунок (65).jpg [ 48.29 КБ | Переглядів: 10957 ]
Повернутися до початку
 Профіль  
Відповісти цитуючи  
#75808Повідомлення 24 лют 2019, 22:20 
Активіст форуму
Не в мережі

Звідки: Лубни
Дякував (ла) 7 Подякували 13
20 шт lifepo4 18650 "заверніть" будьласка...


Повернутися до початку
 Профіль  
Відповісти цитуючи  
#75920Повідомлення 26 лют 2019, 10:43 
Член клубу
Не в мережі

Звідки: Ужгород
Дякував (ла) 126 Подякували 174
Хочу електротранспорт: ВАЗ 2105
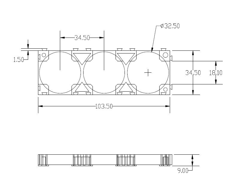
Холдеры для 32700 возможно на следующей неделе уже приедут.
Есть чертеж холдера на 3 акума.


Додаткові файли:
Новый рисунок.jpg
Новый рисунок.jpg [ 33.98 КБ | Переглядів: 10768 ]
Повернутися до початку
 Профіль  
Відповісти цитуючи  
#75927Повідомлення 26 лют 2019, 13:50 
Не в мережі

Звідки: Беларусь
Дякував (ла) 2 Подякували 0
не могу в ЛС написать. Как бы нам пообщаться?


Повернутися до початку
 Профіль  
Відповісти цитуючи  
#75931Повідомлення 26 лют 2019, 14:42 
Не в мережі

Звідки: Черновцы
Дякував (ла) 0 Подякували 0
Хочу електротранспорт: Теслу хочу)
Мені потрібно 120 акумів 32700 з холдерами і стрічкою, яка буде ціна?


Повернутися до початку
 Профіль  
Відповісти цитуючи  
#75953Повідомлення 26 лют 2019, 20:19 
Член клубу
Не в мережі

Звідки: Ужгород
Дякував (ла) 126 Подякували 174
Хочу електротранспорт: ВАЗ 2105
Насчет холдеров и ленты уточню когда пройдет таможню.


Повернутися до початку
 Профіль  
Відповісти цитуючи  
#76591Повідомлення 08 бер 2019, 09:22 
Член клубу
Не в мережі

Звідки: Ужгород
Дякував (ла) 126 Подякували 174
Хочу електротранспорт: ВАЗ 2105
На сегодня осталось для продажи :
1) Лиферы 18650 3,2в 1450 мАЧ от производителя Victpower, цена до 150 шт по 1,1 дол/шт, более 150 шт по 1 дол/шт, есть около 400шт.
Больше инфо здесь : viewtopic.php?f=63&t=1708&start=75

2) Липоли 18650 3,6в 2550 мАч от производителя EVE, цена до 150 шт - по 1,9дол/шт, более 150 шт по 1,8 дол/шт, есть около 400 шт.

3) Лиферы 32650 3,2в 6000 мАч LiFePO4 от производителя Optimum Nano, цена до 50 шт по 3,4 дол/шт, от 50 до 100 шт по 3,3 дол/шт, более 100 шт по 3,2 дол/шт, осталось около 250 шт.


Повернутися до початку
 Профіль  
Відповісти цитуючи  
#76628Повідомлення 08 бер 2019, 20:16 
Не в мережі

Звідки: Черновцы
Дякував (ла) 0 Подякували 0
Хочу електротранспорт: Теслу хочу)
Бронюю 120 32700 до приїзду холдерів і стрічки...


Повернутися до початку
 Профіль  
Відповісти цитуючи  
#77065Повідомлення 14 бер 2019, 20:17 
Член клубу
Не в мережі

Звідки: Ужгород
Дякував (ла) 126 Подякували 174
Хочу електротранспорт: ВАЗ 2105
Сегодня получил холдеры и никелевую ленту.
Холдеры будут по 10 гривен/1секция 2х3, тоесть для 6-ти акумов надо 2 секции.
Лента никелевая с прорезями для лучшей сварки либо пайки акумов, прорези сделаны с расчетом использования холдеров.
Размер 0,15х10мм - 1метр - 30 гр.
Размер 0,2х10мм - 1метр - 40 гр.


Додаткові файли:
140320191471.jpg
140320191471.jpg [ 361.09 КБ | Переглядів: 10463 ]
140320191472.jpg
140320191472.jpg [ 144.32 КБ | Переглядів: 10463 ]
140320191474.jpg
140320191474.jpg [ 239.13 КБ | Переглядів: 10463 ]
Повернутися до початку
 Профіль  
Відповісти цитуючи  
Показати повідомлення за:  Поле сортування  
Почати нову тему Відповісти на тему  [ Повідомлень: 268 ]              На сторінку Пред.  1, 2, 3, 4, 5, 6, 7, 8 ... 18  Наступ.

Часовий пояс: UTC + 2 години


Хто зараз на конференції

Зараз цей форум переглядають: немає зареєстрованих користувачів і гості: 23


Ви не можете створювати нові теми
Ви не можете відповідати на повідомлення
Ви не можете редагувати свої повідомлення
Ви не можете видаляти свої повідомлення
Ви не можете додавати додаткові файли

Найти:
Створено на основі phpBB® Forum Software © phpBB Group