Поточний час: 21 бер 2026, 15:36

Часовий пояс: UTC + 2 години



Почати нову тему Відповісти на тему  [ Повідомлень: 53 ]  На сторінку Пред.  1, 2, 3, 4  Наступ.

Вопрос в теме.
да 62%  62%  [ 8 ]
нет 38%  38%  [ 5 ]
Всього голосів : 13
Автор Повідомлення
#95179Повідомлення 10 груд 2019, 23:03 
Творець електромобіля, член клубу
Не в мережі

Звідки: Украина
Дякував (ла) 117 Подякували 562
Мій електротранспорт: COOLON
Хочу електротранспорт: COOLON
Псевдо шим и прочая хрень, на сегодня, нестоит внимания. Есть 100% устоявшиеся 6 вариантов синусных таблиц. +/- одинаковых по нагрузке на ключи и минимизации потерь. С подмодуляциями на третьей гармонике. Если скалярно.
Если по современному , то SVM с подавлением поля обязательно. Если уж совсем хорошо то SiC или Гибрид IGBT с SiC ддиодами.
Desat , активное подавление импульсов, ASIC на фильтр сверхкоротких , и на OVER current protect и т д. Все остальное на любые мощности и напряжения просто можно купить. Бюджет на разработку частотника на 20-100кВт может доходить до десятков тысяч у.е

_________________
CEO COOLON MOTORS
Head Project "City Truck "COOLON"
https://coolonmotors.com


Повернутися до початку
 Профіль  
Відповісти цитуючи  
#95186Повідомлення 11 груд 2019, 09:03 
Творець електромобіля, член клубу
Аватара користувача
Не в мережі

Звідки: Dніпропетровськ
Дякував (ла) 404 Подякували 490
Мій електротранспорт: ЗАЗ-968А, SUZUKI Carry.
танго писав(ла):
Дабы потихоньку "отлучить" народ от применения ржавых прошлого столетия Балканкаров (сразу и не выговоришь :wallbash: ) и им подобных, и приобщить к применению элегантных новых недорогих общепромышленных асинхронников - разрабатывается .......


Пока Вы разрабатываете "элегантные недорогие общепромышленные...бла...бла...бля.." , то ""некоторые"" уже несколько лет не покупают бензин и соляр... :lol: :lachtot: Надеюсь, что ссык-аномллённых, за четыре года езды на старомржавомБалканкаре средств, хватит на ваше элегантно-недорогое изделие!
НЕТ! Я НЕ против элегантных и недорогих , но хочется сегодня!, недорого, и можно неэлегантно!!! ездить на лехтричистве !!! {O_0} И пусть это будетБалканкаристое-ржавое-прошлого-века... Зато такой нищеброд как я - ездию почти даром. И даже не удосужился поставить спидометер (а нафиг он нужен?) я и так счастлифф!
Вот когда разработаете, я первый куплю Ваше изделие, а пока ....... ЖДЁМ-с... :winken:
С уважением Сан-Саныч.

_________________
"...я мзду не беру, мне за державу обидно..."


Повернутися до початку
 Профіль  
Відповісти цитуючи  
#95187Повідомлення 11 груд 2019, 09:21 
Творець електромобіля, член клубу
Аватара користувача
Не в мережі

Дякував (ла) 133 Подякували 214
Мій електротранспорт: Электра 2
В Днепре наверно самая добрая полиция, раз можно ехать без спидометра :)


Повернутися до початку
 Профіль  
Відповісти цитуючи  
#95350Повідомлення 14 груд 2019, 14:53 
Активіст форуму
Аватара користувача
Не в мережі

Звідки: Троицк
Дякував (ла) 69 Подякували 105
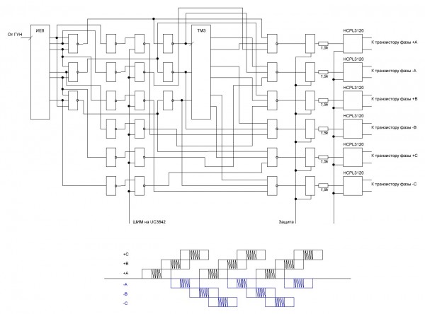
Потихоньку движемся.
Функциональная схема логики для трехфазной последовательности.
Паузы между плечами стоек будут заведены на 561ТМ3 через ждущий одновибратор.
Схема нарисована под приведенную ниже диаграмму.
ШИМ показан на ней "пилками" посередине импульсов. Так обеспечивается наименьшее количество коммутаций ключей.
Контроль ограничения тока будет осуществляться по возрастанию падения напряжения на входных конденсаторов.


Додаткові файли:
3 фазн. инв. логика.JPG
3 фазн. инв. логика.JPG [ 141.69 КБ | Переглядів: 8125 ]

_________________
-----------------------------------------------------------------------
Лучше сразу взяться за ум, чтобы потом не хвататься за голову!
Повернутися до початку
 Профіль  
Відповісти цитуючи  
#95354Повідомлення 14 груд 2019, 15:46 
Не в мережі

Звідки: Украина Сумы
Дякував (ла) 78 Подякували 50
Хочу електротранспорт: неопределился
танго писав(ла):
Паузы между плечами стоек будут заведены на 561ТМ3 через ждущий одновибратор.
Схема нарисована под приведенную ниже диаграмму.


А как ты решил сброс счётчика? там есть нюанс!
Знаком вам Proteus?

_________________
---------------------------------------------------


Повернутися до початку
 Профіль  
Відповісти цитуючи  
#95358Повідомлення 14 груд 2019, 17:02 
Активіст форуму
Аватара користувача
Не в мережі

Звідки: Троицк
Дякував (ла) 69 Подякували 105
Здесь нюансы я пока что не разрисовывал (пока что логика).
Счетчик работает вкольцевую, до 6 импульса, потом сброс на начало и далее по кругу.

Про протеус слышал, но не могу пересилить себя работать в симуляторах никак, да и схемотехника несложная (какие там десятки тысяч баксов, карбид кремния и другие замысловатые "матюки" :XD: :DX: ). ;)

_________________
-----------------------------------------------------------------------
Лучше сразу взяться за ум, чтобы потом не хвататься за голову!


Повернутися до початку
 Профіль  
Відповісти цитуючи  
#95363Повідомлення 14 груд 2019, 18:08 
Не в мережі

Звідки: Украина Сумы
Дякував (ла) 78 Подякували 50
Хочу електротранспорт: неопределился
танго писав(ла):
Здесь нюансы я пока что не разрисовывал (пока что логика).
Счетчик работает вкольцевую, до 6 импульса, потом сброс на начало и далее по кругу.


НУ НУ

_________________
---------------------------------------------------


Повернутися до початку
 Профіль  
Відповісти цитуючи  
#95375Повідомлення 14 груд 2019, 23:46 
Активіст форуму
Не в мережі

Звідки: Харків
Дякував (ла) 8 Подякували 40
танго писав(ла):
Потихоньку движемся.
Функциональная схема логики для трехфазной последовательности.
Паузы между плечами стоек будут заведены на 561ТМ3 через ждущий одновибратор.



Жесть, однако... :o :o
Может, лучше было-бы просто взять какую-нить ATtiny1614 за 1$, написать 20-30 строк кода и получить эти 6 ШИМов без такого эпического геморроя?


Повернутися до початку
 Профіль  
Відповісти цитуючи  
#95380Повідомлення 15 груд 2019, 09:22 
Власник електровелосипеда
Аватара користувача
Не в мережі

Звідки: Херсон, Украина
Дякував (ла) 144 Подякували 141
Мій електротранспорт: Эл.вел 48В/500Вт


Оффтоп
Чёт навеяло.
танго писав(ла):
Функциональная схема логики для трехфазной последовательности...
Схема нарисована (просто растопило душу)
Вспомнил отца своего (вечная память ему), во второй половине 60-х он мне (тогда ещё семилетнему) по ну очень похожей схеме собирал девайсину. Тогда это называлось "электрооргАн". А щас, ух-ты, "бюджетный универсальный 3-фазный инвертор". Во как, насколько продвинулась наука и техника за пятьдесят то с лишним лет. :gott: :lachtot:

А надёжность сего устройства какова будит, простите? {|||}


Повернутися до початку
 Профіль  
Відповісти цитуючи  
#95384Повідомлення 15 груд 2019, 10:12 
Творець електромобіля, засновник клубу
Не в мережі

Звідки: г. Киев , Турьи Реметы Закарпатье .
Дякував (ла) 345 Подякували 706
Мій електротранспорт: Славута Электро АС привод VW T5 комби привод Dong Feng электро
zilk писав(ла):
танго писав(ла):
Потихоньку движемся.
Функциональная схема логики для трехфазной последовательности.
Паузы между плечами стоек будут заведены на 561ТМ3 через ждущий одновибратор.



Жесть, однако... :o :o
Может, лучше было-бы просто взять какую-нить ATtiny1614 за 1$, написать 20-30 строк кода и получить эти 6 ШИМов без такого эпического геморроя?

В начале 80-х трехфазный генератор я собирал на ОУ к140уд6(7) :lachtot:

_________________
Мы не настолько богаты , чтобы ездить на бензине .
Мы не настолько здоровы , чтобы дышать выхлопными газами .
Поэтому мы ездим на электричестве .
больше 200 000 км на асинхронном электро приводе Славянка .


Повернутися до початку
 Профіль  
Відповісти цитуючи  
#95387Повідомлення 15 груд 2019, 11:37 
Активіст форуму
Аватара користувача
Не в мережі

Звідки: Троицк
Дякував (ла) 69 Подякували 105
Надо создать ветку о "счастливых" обладателях спаленных Куртисов и Келли :XD: :DX:
Или кто то чинит их?
С Тинькой тоже самое. Это по современному - запрограммировать "мозги" устройству и привязать к себе покупателя приобревшего его.

Да и на Тиньке кроме низковольтной маломощной "цветомузыки" я ничего не встречал.

_________________
-----------------------------------------------------------------------
Лучше сразу взяться за ум, чтобы потом не хвататься за голову!


Повернутися до початку
 Профіль  
Відповісти цитуючи  
#95392Повідомлення 15 груд 2019, 13:29 
Активіст форуму
Не в мережі

Звідки: Харків
Дякував (ла) 8 Подякували 40
Вячеслав М писав(ла):
В начале 80-х трехфазный генератор я собирал на ОУ к140уд6(7) :lachtot:


Да, я тоже в начале 80-х разрабатывал свою версию компьютера ZX-Spectrum на 1533-й серии, до сборки, слава Богу, не дошло.
Но вот сейчас вспомнил свой эпический проект... :lachtot:

танго писав(ла):
С Тинькой тоже самое. Это по современному - запрограммировать "мозги" устройству и привязать к себе покупателя приобревшего его.

Да и на Тиньке кроме низковольтной маломощной "цветомузыки" я ничего не встречал.


танго, там нечем привязывать покупателя! Если вы затратите время, которое может уйти на доведение до ума вашей схемы, на изучение основ программирования на Си, то легко решите эту задачу сами, так же как и любой другой. "Программа" 3-фазного генератора ШИМ для attiny занимает строчек 10-15 плюс таблица, всего где-то 300 байт.
А то, что вы не встречали на тиньке ничего, кроме цветомузыки - это минус, на ней прекрасно работают и сварочный инвертор, и частотник на 3 кВт, и "мозги" зажигания для старого жигулевского корча... :)


Повернутися до початку
 Профіль  
Відповісти цитуючи  
#95397Повідомлення 15 груд 2019, 13:46 
Власник електровелосипеда
Аватара користувача
Не в мережі

Звідки: Херсон, Украина
Дякував (ла) 144 Подякували 141
Мій електротранспорт: Эл.вел 48В/500Вт
zilk писав(ла):
там нечем привязывать покупателя! Если вы затратите время, которое может уйти на доведение до ума вашей схемы, на изучение основ программирования на Си, то легко решите эту задачу сами, так же как и любой другой. "Программа" 3-фазного генератора ШИМ для attiny занимает строчек 10-15 плюс таблица, всего где-то 300 байт.
А то, что вы не встречали на тиньке ничего, кроме цветомузыки - это минус, на ней прекрасно работают и сварочный инвертор, и частотник на 3 кВт, и "мозги" зажигания для старого жигулевского корча... :)
Всеми фибрами поддерживаю предыдущего оратора. На контролике выйдет даже бюджетнее, чем оригинал от ТС. А код, если уж горите желанием сделать устройство доступным, можно сделать доступным. Извините за каламбур.
Не бойтесь нового и "Протеус" вам в помощь. ;)


Повернутися до початку
 Профіль  
Відповісти цитуючи  
#95398Повідомлення 15 груд 2019, 13:51 
Site Admin
Аватара користувача
Не в мережі

Звідки: город Киев
Дякував (ла) 420 Подякували 1158
Мій електротранспорт: Nissan Leaf
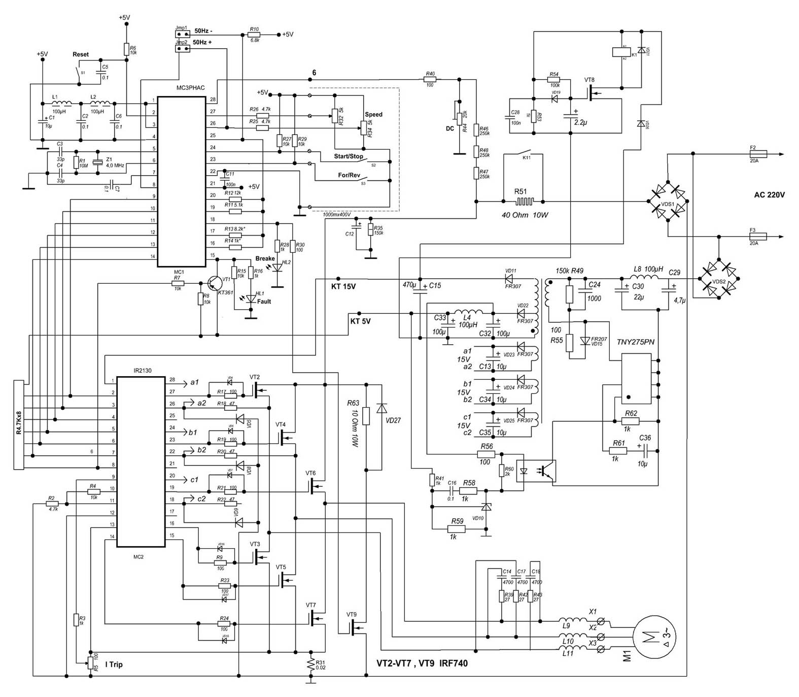
Обычно такие темы начинаются примерно так: Простой контроллер для Асинхронного двигателя.

Потом приходят к этому:


Додаткові файли:
post-81-1203432744.jpg
post-81-1203432744.jpg [ 168.79 КБ | Переглядів: 8010 ]

_________________
Чем скуднее знания, тем категоричней суждения.

"Глупцы все, кто глупцами кажутся и половина тех, что не кажется". (Бальтасар Грасиан)
Повернутися до початку
 Профіль  
Відповісти цитуючи  
#95399Повідомлення 15 груд 2019, 13:51 
Site Admin
Аватара користувача
Не в мережі

Звідки: город Киев
Дякував (ла) 420 Подякували 1158
Мій електротранспорт: Nissan Leaf
А заканчиваются примерно так: Самодельный частотник?

_________________
Чем скуднее знания, тем категоричней суждения.

"Глупцы все, кто глупцами кажутся и половина тех, что не кажется". (Бальтасар Грасиан)


Повернутися до початку
 Профіль  
Відповісти цитуючи  
Показати повідомлення за:  Поле сортування  
Почати нову тему Відповісти на тему  [ Повідомлень: 53 ]              На сторінку Пред.  1, 2, 3, 4  Наступ.

Часовий пояс: UTC + 2 години


Хто зараз на конференції

Зараз цей форум переглядають: немає зареєстрованих користувачів і гості: 18


Ви не можете створювати нові теми
Ви не можете відповідати на повідомлення
Ви не можете редагувати свої повідомлення
Ви не можете видаляти свої повідомлення
Ви не можете додавати додаткові файли

Найти:
cron
Створено на основі phpBB® Forum Software © phpBB Group