Поточний час: 19 груд 2025, 01:22

Часовий пояс: UTC + 2 години



Почати нову тему Відповісти на тему  [ Повідомлень: 53 ]  На сторінку Пред.  1, 2, 3, 4

Вопрос в теме.
да 62%  62%  [ 8 ]
нет 38%  38%  [ 5 ]
Всього голосів : 13
Автор Повідомлення
#103524Повідомлення 21 квіт 2020, 14:28 
Творець електромобіля, член клубу
Не в мережі

Звідки: Украина
Дякував (ла) 117 Подякували 562
Мій електротранспорт: COOLON
Хочу електротранспорт: COOLON
Слабо представляю как еще использовать с диаппазонами моторов. с IGBT . с гальванической развязкой и т.д..
но для бюджетного все прокатит. ))

_________________
CEO COOLON MOTORS
Head Project "City Truck "COOLON"
https://coolonmotors.com


Повернутися до початку
 Профіль  
Відповісти цитуючи  
#103525Повідомлення 21 квіт 2020, 14:43 
Власник електровелосипеда, член клубу
Аватара користувача
Не в мережі

Звідки: Запорожье
Дякував (ла) 297 Подякували 1094
Мій електротранспорт: >
танго писав(ла):
...Ребята, я даже не знаю что такое "контролик" (это на блатном жаргоне?), никаких еепром и спиай, только обычная КМОП логика....

Тогда тему надо переименовывать, не "бюджетный", а "из говна и палок"....
Щас еще сокол подтянется и заявит что какая в дугу КМОП логика, дескать не знаю что такое, только тиристоры....
Еще дедушка какой нибудь заявится и будет настаивать делать все на лампах.....

Простейший скалярник (прямая пропорция напряжения от частоты) пишется за час на любой 1 долларовой ардуине включая ограничение по току одним шунтом в нижних ключах, понадобится лишь один внешний настроечник в виде переменника (коэфициент пропорциональности частоты от напряжения). Но для транспорта нужны обратные связи, а это уже путь к вектору (контроль опрокидывания и все сопутствующее), нужны датчики....уже не бюджет.... и тут уже пофиг чем обрабатывать, аппаратно на кмоп логике или прогрммно в контроллере. Но весь ньюанс в том, тот кто не может освоить программирование микроконтроллеров, точно так же не освоил искусство схемотехники на уровне, что бы сбацать все это на прошловековой КМОП логике.

_________________
2 моноколеса, 2 электровела, 2 подводных буксира, надувной электро-каяк.


Повернутися до початку
 Профіль  
Відповісти цитуючи  
#103526Повідомлення 21 квіт 2020, 15:10 
Активіст форуму
Аватара користувача
Не в мережі

Звідки: Троицк
Дякував (ла) 69 Подякували 105
А причем здесь ардуино, КМОП и куча датчиков к тому как избежать опрокидывание? Или написание кода автоматически это решит? :D
Код я и сам могу при желании не за час, за недельку накропать, и что?

Поставить одну крутилку для V/f это не есть решение проблемы, не надо все так упрощать. Алгоритм несколько иной.

_________________
-----------------------------------------------------------------------
Лучше сразу взяться за ум, чтобы потом не хвататься за голову!


Повернутися до початку
 Профіль  
Відповісти цитуючи  
#104376Повідомлення 05 трав 2020, 14:57 
Активіст форуму
Аватара користувача
Не в мережі

Звідки: Троицк
Дякував (ла) 69 Подякували 105
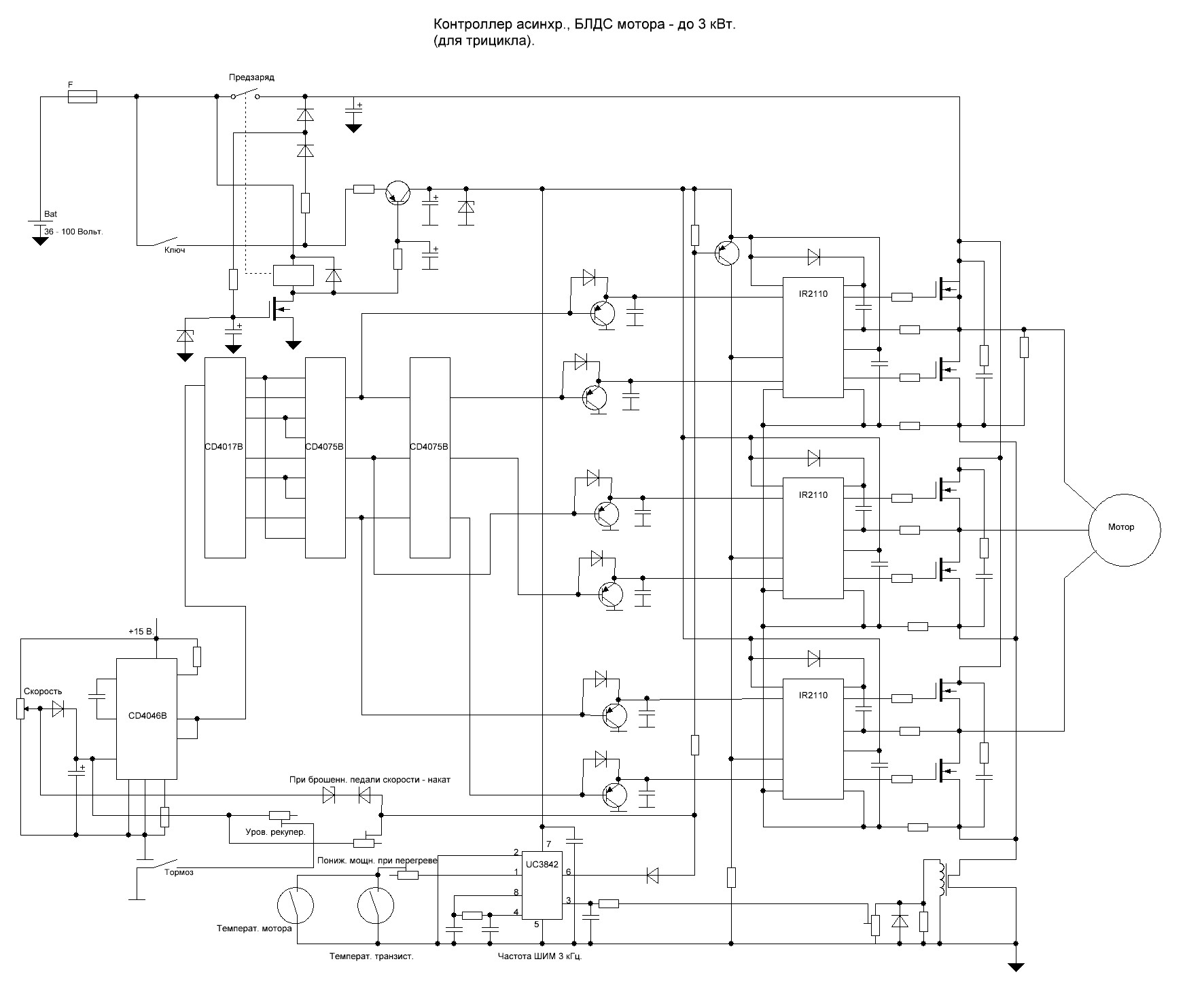
Релиз схемы контроллера до 3 кВт (для асинхронных моторов и БЛДС).
Так как напряжение до 100 вольт, для упрощения решено было сделать без внутреннего источника питания и гальванической развязки. Реверс не делался, граничные напряжения аккумов (для отключения) можно завести от БМС.


Додаткові файли:
3фазный контроллер.JPG
3фазный контроллер.JPG [ 226.7 КБ | Переглядів: 4150 ]

_________________
-----------------------------------------------------------------------
Лучше сразу взяться за ум, чтобы потом не хвататься за голову!
Повернутися до початку
 Профіль  
Відповісти цитуючи  
#104379Повідомлення 05 трав 2020, 15:38 
Власник електровелосипеда, член клубу
Аватара користувача
Не в мережі

Звідки: Україна, Черкаси, Д.
Дякував (ла) 645 Подякували 296
Мій електротранспорт: Evel EndurA, 62v 28Ah Jik,VOT EM-100s(new gen), QS90....
Хочу електротранспорт: model 3 old style
танго писав(ла):
Релиз схемы контроллера до 3 кВт (для асинхронных моторов и БЛДС).
Так как напряжение до 100 вольт, для упрощения решено было сделать без внутреннего источника питания и гальванической развязки. Реверс не делался, граничные напряжения аккумов (для отключения) можно завести от БМС.

А в железе будете демонстрировать?

_________________
Evel EndurA, 62v 28Ah Jik,VOT EM-100s(new gen), QS90....


Повернутися до початку
 Профіль  
Відповісти цитуючи  
#104380Повідомлення 05 трав 2020, 16:32 
Активіст форуму
Аватара користувача
Не в мережі

Звідки: Троицк
Дякував (ла) 69 Подякували 105
Может когда то коллектив соберется для выпуска серийных трициклов, тогда и придется делать его (под отечественные АИРы) - чтобы импортные не покупать.
Как раз под это дело сейчас делаю наброски под простой трицикл (точнее двухколесный - но для пенсионеров (чтобы "держать равновесие"), или для перевозки мешков - к нему опционально "пристегивается" рамка с дополнительной парой колесиков. ;)

А пока что это для любителей что то соорудить своими руками.

_________________
-----------------------------------------------------------------------
Лучше сразу взяться за ум, чтобы потом не хвататься за голову!


Повернутися до початку
 Профіль  
Відповісти цитуючи  
#104385Повідомлення 05 трав 2020, 17:24 
Власник електровелосипеда, член клубу
Аватара користувача
Не в мережі

Звідки: Україна, Черкаси, Д.
Дякував (ла) 645 Подякували 296
Мій електротранспорт: Evel EndurA, 62v 28Ah Jik,VOT EM-100s(new gen), QS90....
Хочу електротранспорт: model 3 old style
танго писав(ла):
Может когда то коллектив соберется для выпуска серийных трициклов, тогда и придется делать его (под отечественные АИРы) - чтобы импортные не покупать.
Как раз под это дело сейчас делаю наброски под простой трицикл (точнее двухколесный - но для пенсионеров (чтобы "держать равновесие"), или для перевозки мешков - к нему опционально "пристегивается" рамка с дополнительной парой колесиков. ;)

А пока что это для любителей что то соорудить своими руками.

Попробуйте это в симуляторе набросать, что то подсказывает что не будет оно работать... Теория без практики слепа.
ЗЫ
Давайте без отговорок -- Типа : кому надо тот проверит.

_________________
Evel EndurA, 62v 28Ah Jik,VOT EM-100s(new gen), QS90....


Повернутися до початку
 Профіль  
Відповісти цитуючи  
#104391Повідомлення 05 трав 2020, 17:56 
Активіст форуму
Аватара користувача
Не в мережі

Звідки: Троицк
Дякував (ла) 69 Подякували 105
Неее....я не сторонник симуляторов - в симуляторах всегда "гладенько" и..... далеко от действительного.
Двойной труд не по мне.

Похожее американцы применяли еще в 80 годах прошлого века под моторы в 10 лошадок (на транзисторах еще дарлингтона). Правда у них инвертора были двухступенчатые - сначала - понижайка с ШИМ, после этого - тупо трехфазный интвертор.

_________________
-----------------------------------------------------------------------
Лучше сразу взяться за ум, чтобы потом не хвататься за голову!


Повернутися до початку
 Профіль  
Відповісти цитуючи  
Показати повідомлення за:  Поле сортування  
Почати нову тему Відповісти на тему  [ Повідомлень: 53 ]              На сторінку Пред.  1, 2, 3, 4

Часовий пояс: UTC + 2 години


Хто зараз на конференції

Зараз цей форум переглядають: немає зареєстрованих користувачів і гості: 14


Ви не можете створювати нові теми
Ви не можете відповідати на повідомлення
Ви не можете редагувати свої повідомлення
Ви не можете видаляти свої повідомлення
Ви не можете додавати додаткові файли

Найти:
Створено на основі phpBB® Forum Software © phpBB Group