Поточний час: 20 груд 2025, 21:31

Часовий пояс: UTC + 2 години



Почати нову тему Відповісти на тему  [ Повідомлень: 8 ] 
Автор Повідомлення
#79Повідомлення 22 черв 2010, 23:19 
Творець електромобіля, керівник відділення клубу
Аватара користувача
Не в мережі

Звідки: Харьков
Дякував (ла) 32 Подякували 233
Мій електротранспорт: Славута
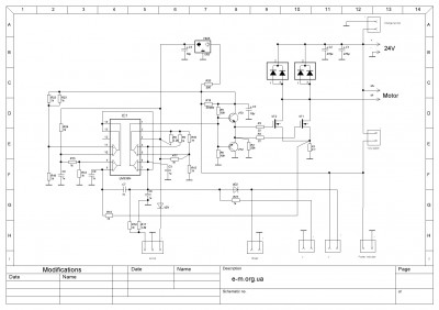
На жаль не можу навести параметри контролера (попав до мене без корпуса).
Судячи з конструктива:
Напруга живлення - 36 В
Струм мотора - 40 А (дуже приблизно)
Захист: по макс. струму, по мінімальній напрузі живлення

Додаткові файли:
MotorController_36V_40A.JPG
MotorController_36V_40A.JPG [ 188.49 КБ | Переглядів: 9781 ]

_________________
Дорога покорится идущему


Повернутися до початку
 Профіль  
Відповісти цитуючи  
#296Повідомлення 08 квіт 2011, 21:56 
Не в мережі

Дякував (ла) 0 Подякували 0
Нами розробляється коттролер що має дуже сильно заощаджувати життя батарей.Параметри наступні:
U=100v, I- 400A, рекуперація від тягового двигуна. Зараз вже діє контролер 80в/200А.
Львів. клуб ел-кар.


Повернутися до початку
 Профіль  
Відповісти цитуючи  
#298Повідомлення 10 квіт 2011, 17:41 
Голова клубу
Аватара користувача
Не в мережі

Звідки: Україна, Донецьк => Ірпінь
Дякував (ла) 6973 Подякували 2591
Мій електротранспорт: Tesla S
Хочу електротранспорт: е-панцирник
А есть рекомендации как именно беречь жизнь батареи?
Кстати, имеется в виду беречь заряд или беречь общее состояние аккумуляторов?


Повернутися до початку
 Профіль  
Відповісти цитуючи  
#301Повідомлення 11 квіт 2011, 10:10 
Творець електромобіля, керівник відділення клубу
Аватара користувача
Не в мережі

Звідки: Харьков
Дякував (ла) 32 Подякували 233
Мій електротранспорт: Славута
Мені також цікаво за рахунок чого заощаджуються батареї.
Ну якщо сказали А, кажіть і Б - фото в студію :)

_________________
Дорога покорится идущему


Повернутися до початку
 Профіль  
Відповісти цитуючи  
#307Повідомлення 14 квіт 2011, 23:11 
Не в мережі

Дякував (ла) 0 Подякували 0
Відносно продовження життя СА рекомендую використовувати модифікатор ОМЕГА. Дійсно допомагає.

Через 10-15 днів будуть фото та коментарі.

Відносно заощадження життя батарей - не допускати глибокого розряду завдяки постійному підзаряджанні починаючи від найменших обертів.
Мін. стум заряду поч . від 120ма при 26 обертах. Система завдяки спец. дроселям.
Чорновий варіант 100в 200А працює нормально. потрібно трохи попрацювати з наводками. При цій системі струм і 1000А не проблема.


Повернутися до початку
 Профіль  
Відповісти цитуючи  
#308Повідомлення 15 квіт 2011, 09:07 
Творець електромобіля, керівник відділення клубу
Аватара користувача
Не в мережі

Звідки: Харьков
Дякував (ла) 32 Подякували 233
Мій електротранспорт: Славута
agenda93 писав(ла):
Відносно продовження життя СА рекомендую використовувати модифікатор ОМЕГА. Дійсно допомагає.


Ви перший хто позитивно відізвався про Омегу. У Вас був власний досвід? Якщо да - розкажіть будь ласка які АкБ заправляли, скільки вони прожили, тощо...
У мого друга зараз в експлуатації декілька Акб(нових), частина яких з Омегою. Поки що різниці між ними немає.

agenda93 писав(ла):
Через 10-15 днів будуть фото та коментарі.
Відносно заощадження життя батарей - не допускати глибокого розряду завдяки постійному підзаряджанні починаючи від найменших обертів.
Мін. стум заряду поч . від 120ма при 26 обертах. Система завдяки спец. дроселям.
Чорновий варіант 100в 200А працює нормально. потрібно трохи попрацювати з наводками. При цій системі струм і 1000А не проблема.


Будемо чекати, бо я, наприклад, не зрозумів в чому фішка.

_________________
Дорога покорится идущему


Повернутися до початку
 Профіль  
Відповісти цитуючи  
#312Повідомлення 15 квіт 2011, 21:18 
Не в мережі

Дякував (ла) 0 Подякували 0
Омега. Був випадок у мене в 2008. В 2007р в лютому купив Бош 100АГ так як старий не тримав ємності. Авто Мерседес 2,2 ЦДІ 2001р.Новий аку протримався до грудня і почалося те саме. Зарядка і все інше справне.Провірити можу, так як маю свою СТО.Звернувся по гарантії. Почали знаходити 1000 причин так щоб не поміняти. Як Ви здогадались , ми почали ексериментувати з цич аку. Висверлили отвори. Провірили щільність 4 Банки 1,3 а 2 1,1. Електроліт без помутніння.
почали лікувати асинхронним струмом з розрядкою. Піднялось до 1,15. Так тривало кілька сеансів. В результаті все рівно після зарядки через 2 доби знову
1,1. Тоді приняли рішення зарядити максимально і обробити кожну банку згідно інструкції. Через 20-30 хв щільність знизилась на всіх приблизно на 0,15.
Знову зарядили . Потім кілька циклів розряд заряд. У слабих банках піднялась до 1,25 щого не було ні разу. Це аку віддав товаришу на Балканкар диз, заклеївши отвори , але протікає все рівно.Весь час він був в експлуатації. В грудні 2010р товариш привіз його бо розрядився . Ми його зарядили і як не дивно у всіх банках 1,35. зараз він знову в експлуатації. О така історія. Обробили Омегою кілька нових , але нічого поки що сказати не можу.
Багато клієнтів відмовляється , вск таки 100 грн.

м Львів


Повернутися до початку
 Профіль  
Відповісти цитуючи  
#313Повідомлення 15 квіт 2011, 21:19 
Не в мережі

Дякував (ла) 0 Подякували 0
Фішка в продовженні життя акумуляторів.


Повернутися до початку
 Профіль  
Відповісти цитуючи  
Показати повідомлення за:  Поле сортування  
Почати нову тему Відповісти на тему  [ Повідомлень: 8 ]             

Часовий пояс: UTC + 2 години


Хто зараз на конференції

Зараз цей форум переглядають: немає зареєстрованих користувачів і гості: 23


Ви не можете створювати нові теми
Ви не можете відповідати на повідомлення
Ви не можете редагувати свої повідомлення
Ви не можете видаляти свої повідомлення
Ви не можете додавати додаткові файли

Найти:
Створено на основі phpBB® Forum Software © phpBB Group