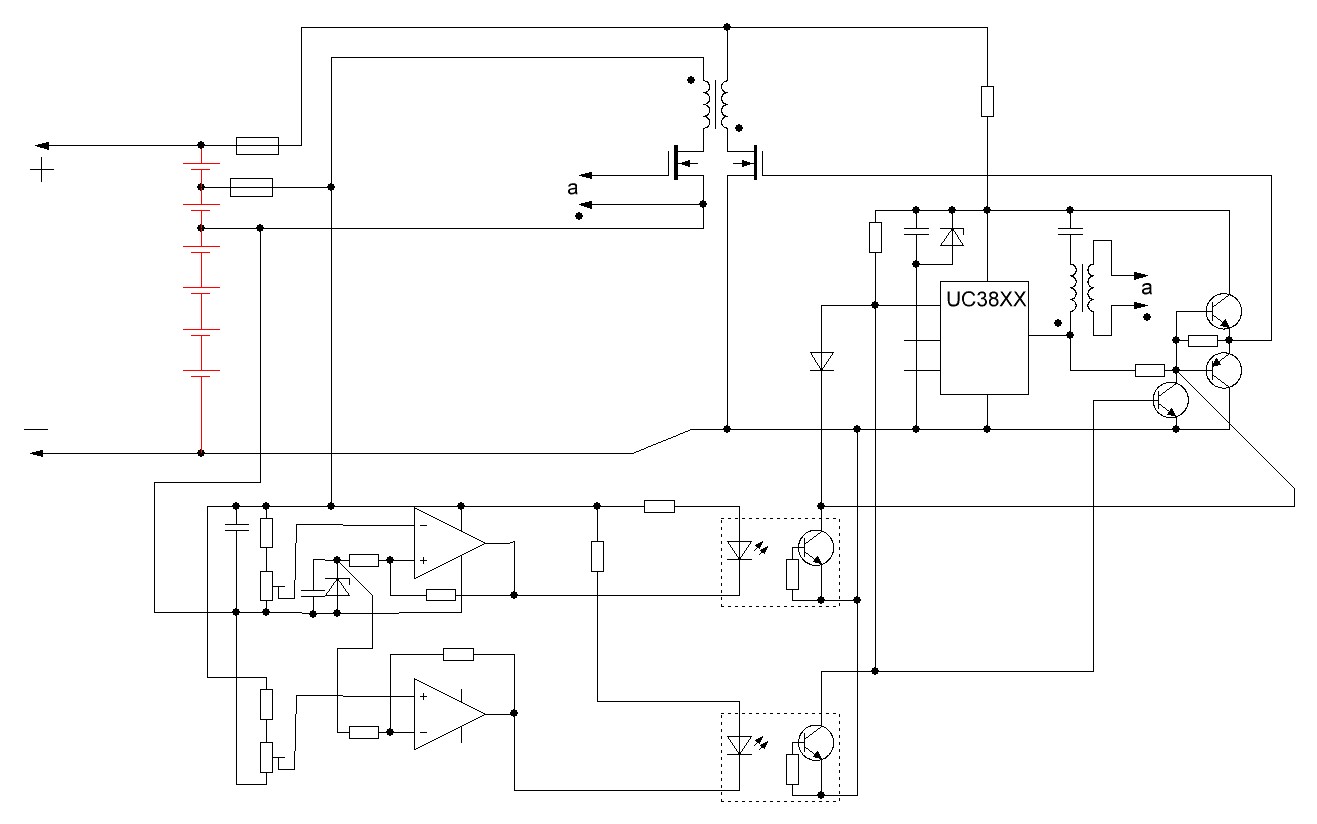
Винтик, выкладывайте свою схему сюда, зачем нам куда то ходить (по грибы да по ягоды). Цель - сделать предельно простой активный балансир не прибегая к микроконтроллерам.
Кипишной, моя хотелка забирать и отдавать энергию на всю батарею с ячейки, то есть балансир независимый и только на
ту ячейку на которую вы хотите (соседние ячейки я не хочу привлекать т. к. они могут тоже оказаться дохлыми, а с двух дохлых одного крепыша не сделаешь).

Ту схемку что вы привели организует выпускаемая фирмой кажется Линеар Технолоджи микросхема LTC3300. Ее можно использовать в различных вариациях включения, хоть один преобразователь на все ячейки (она универсальная), хоть каждый на свою ячейку, но надо смотреть сколько она стоит и как все это сделать (там даташит обьемный).
Крутится мысль как выполнить компоновку батареи на пальчиковых лиферах (с легкой заменой пальчиков), чтобы ее можно было набирать из блоков, кратных 1 квт./ч. Это сейчас перспективно. Лифера нетребовательные, безопасные, "морозоустойчивые", а спокойный сон это главное. Может и дороже и тяжелее - но безопасность и надежность переплевывает все. Да и вся эта лабуда с балансирами отпадет.
К микроконтроллерам в области формирования сигналов для мощных преобразователей отношусь с недоверием (в них нужна абсолютная надежность, иначе будет "пшик" за "пшиком", это не специализированные микросхемы где все предусмотрено).
Как измерительные, таймеры, компараторы, всякое слаботочное (с допуском сбоев) - микроконтроллеры рулят.