Поточний час: 18 груд 2025, 11:11

Часовий пояс: UTC + 2 години



Почати нову тему Відповісти на тему  [ Повідомлень: 137 ]  На сторінку Пред.  1 ... 3, 4, 5, 6, 7, 8, 9, 10  Наступ.
Автор Повідомлення
 Заголовок повідомлення: Re: Бюджетная зарядка.
#96939Повідомлення 15 січ 2020, 14:31 
Творець електромобіля, член клубу
Аватара користувача
Не в мережі

Дякував (ла) 133 Подякували 214
Мій електротранспорт: Электра 2
Это может быть феррит ? Размотал трансформатор не импульсного бп


Додаткові файли:
IMG_20200115_075710.jpg
IMG_20200115_075710.jpg [ 165.2 КБ | Переглядів: 6080 ]
Повернутися до початку
 Профіль  
Відповісти цитуючи  
 Заголовок повідомлення: Re: Бюджетная зарядка.
#96942Повідомлення 15 січ 2020, 15:16 
Власник електровелосипеда, член клубу
Аватара користувача
Не в мережі

Звідки: Україна, Черкаси, Д.
Дякував (ла) 645 Подякували 296
Мій електротранспорт: Evel EndurA, 62v 28Ah Jik,VOT EM-100s(new gen), QS90....
Хочу електротранспорт: model 3 old style
Не это сердечник типа ОЛ по памяти, из трансформаторной стали, для тороидальных трансов

_________________
Evel EndurA, 62v 28Ah Jik,VOT EM-100s(new gen), QS90....


Повернутися до початку
 Профіль  
Відповісти цитуючи  
 Заголовок повідомлення: Re: Бюджетная зарядка.
#96946Повідомлення 15 січ 2020, 15:52 
Активіст форуму
Аватара користувача
Не в мережі

Звідки: Троицк
Дякував (ла) 69 Подякували 105
sokol писав(ла):
Это может быть феррит ? Размотал трансформатор не импульсного бп


До 10 кгц. будет нормально работать это, если не сталь с прямоугольной петлей гистерезиса (типа пермаллой и т. п.).

_________________
-----------------------------------------------------------------------
Лучше сразу взяться за ум, чтобы потом не хвататься за голову!


Повернутися до початку
 Профіль  
Відповісти цитуючи  
 Заголовок повідомлення: Re: Бюджетная зарядка.
#97103Повідомлення 18 січ 2020, 08:47 
Творець електромобіля, член клубу
Аватара користувача
Не в мережі

Дякував (ла) 133 Подякували 214
Мій електротранспорт: Электра 2
Почему у меня ташибра взорвалась когда я из неё паяльник сделал ? Она даже не нагревалась


Повернутися до початку
 Профіль  
Відповісти цитуючи  
 Заголовок повідомлення: Re: Бюджетная зарядка.
#97119Повідомлення 18 січ 2020, 11:04 
Активіст форуму
Аватара користувача
Не в мережі

Звідки: Троицк
Дякував (ла) 69 Подякували 105
Потому что там защиты от перегрузки и КЗ нет.
Халявы хорошей не бывает (на хитрую задницу всегда есть хрен с винтом).

Схему тебе же привел (надо правда приголубить ее несколько) - делай и радуйся (и мощность в десять раз выше).

А вообще надо заниматься альтернативой (атмосферной) чтобы не бегать попрошайкой - дайте электричества ведерко. :ja:

_________________
-----------------------------------------------------------------------
Лучше сразу взяться за ум, чтобы потом не хвататься за голову!


Повернутися до початку
 Профіль  
Відповісти цитуючи  
 Заголовок повідомлення: Re: Бюджетная зарядка.
#97137Повідомлення 18 січ 2020, 12:55 
Творець електромобіля, член клубу
Аватара користувача
Не в мережі

Дякував (ла) 133 Подякували 214
Мій електротранспорт: Электра 2
Так это же не кз, там же развязка через трансформатор


Повернутися до початку
 Профіль  
Відповісти цитуючи  
 Заголовок повідомлення: Re: Бюджетная зарядка.
#97138Повідомлення 18 січ 2020, 13:07 
Активіст форуму
Аватара користувача
Не в мережі

Звідки: Троицк
Дякував (ла) 69 Подякували 105
Трансформатор это как "изолятор" между его первичкой и вторичкой всего лишь.
Для процессов, происходящих в схеме он "прозрачен" (т. е. проводник), считай его нет и ты саму схему цепляешь на нагрузку с учетом повышения или понижения напряжения на ней. Чем "правильнее" сделан трансформатор - тем более он "прозрачен" в схеме.

Т. е. в твоей Ташибре можешь трансформатор выкинуть (условно) и выход ее закоротить накоротко - вот тебе и КЗ.

_________________
-----------------------------------------------------------------------
Лучше сразу взяться за ум, чтобы потом не хвататься за голову!


Повернутися до початку
 Профіль  
Відповісти цитуючи  
 Заголовок повідомлення: Re: Бюджетная зарядка.
#97139Повідомлення 18 січ 2020, 13:24 
Творець електромобіля, член клубу
Аватара користувача
Не в мережі

Дякував (ла) 133 Подякували 214
Мій електротранспорт: Электра 2
Ладно я ещё одну купил ташибру, могу я хотя-бы из не сделать мощную зарядку для смартфона ? Перемотаю вторичку на 5в и поставлю выпрямитель с конденсатором на выход


Повернутися до початку
 Профіль  
Відповісти цитуючи  
 Заголовок повідомлення: Re: Бюджетная зарядка.
#97148Повідомлення 18 січ 2020, 15:09 
Активіст форуму
Аватара користувача
Не в мережі

Звідки: Троицк
Дякував (ла) 69 Подякували 105
На выходе не только 5 вольт постоянки надо, а надо 5 вольт стабилизированные.
Ташибра просто то что в сети трансформирует в необходимые тебе вольты на выходе, а в сети напряжение не стабилизированное, и будет на выходе "плавать".

_________________
-----------------------------------------------------------------------
Лучше сразу взяться за ум, чтобы потом не хвататься за голову!


Повернутися до початку
 Профіль  
Відповісти цитуючи  
 Заголовок повідомлення: Re: Бюджетная зарядка.
#97149Повідомлення 18 січ 2020, 15:22 
Творець електромобіля, член клубу
Аватара користувача
Не в мережі

Дякував (ла) 133 Подякували 214
Мій електротранспорт: Электра 2
На сколько плавать ? Пол вольта не играют роли


Повернутися до початку
 Профіль  
Відповісти цитуючи  
 Заголовок повідомлення: Re: Бюджетная зарядка.
#97152Повідомлення 18 січ 2020, 16:19 
Власник електровелосипеда
Не в мережі

Звідки: Київ Україна
Дякував (ла) 445 Подякували 626
Мій електротранспорт: Електровелосипед Заря Силач
Хочу електротранспорт: BYD
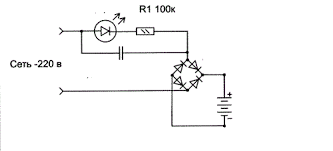
Самая бюджетная зарядка даже с индикатором.
Додаткові файли:
зарядка.png
зарядка.png [ 3.85 КБ | Переглядів: 5959 ]


Повернутися до початку
 Профіль  
Відповісти цитуючи  
 Заголовок повідомлення: Re: Бюджетная зарядка.
#97153Повідомлення 18 січ 2020, 16:25 
Активіст форуму
Аватара користувача
Не в мережі

Звідки: Троицк
Дякував (ла) 69 Подякували 105
Соколу.

С арифметикой сейчас туговато у меня, склероз одолевает, но попытаюсь.

При 220 вольт входного примем на выходе 5 в.
При 180 вольт входного на выходе будет 4,09 в.
При 250 вольт входного на выходе будет 5,68 в.

Вот и суди.

_________________
-----------------------------------------------------------------------
Лучше сразу взяться за ум, чтобы потом не хвататься за голову!


Повернутися до початку
 Профіль  
Відповісти цитуючи  
 Заголовок повідомлення: Re: Бюджетная зарядка.
#97154Повідомлення 18 січ 2020, 16:29 
Власник електровелосипеда
Аватара користувача
Не в мережі

Звідки: Херсон, Украина
Дякував (ла) 144 Подякували 141
Мій електротранспорт: Эл.вел 48В/500Вт
Leon29 писав(ла):
Самая бюджетная зарядка даже с индикатором.
И долго той индикатор проживёт?


Повернутися до початку
 Профіль  
Відповісти цитуючи  
 Заголовок повідомлення: Re: Бюджетная зарядка.
#97155Повідомлення 18 січ 2020, 16:31 
Активіст форуму
Аватара користувача
Не в мережі

Звідки: Троицк
Дякував (ла) 69 Подякували 105
Leon29 писав(ла):
Самая бюджетная зарядка даже с индикатором.
Додаткові файли:
зарядка.png


Только светодиод надо запараллелить обратным диодом (хотя бы самым слабеньким) - чтобы светик обратное не чуял, и конденсатор при выключении будет разряжаться.

Проживет вечно - средний ток там около миллиампера.

_________________
-----------------------------------------------------------------------
Лучше сразу взяться за ум, чтобы потом не хвататься за голову!


Повернутися до початку
 Профіль  
Відповісти цитуючи  
 Заголовок повідомлення: Re: Бюджетная зарядка.
#97160Повідомлення 18 січ 2020, 18:11 
Творець електромобіля, член клубу
Аватара користувача
Не в мережі

Дякував (ла) 133 Подякували 214
Мій електротранспорт: Электра 2
5,68 самое то для зарядки смартфона, а до 180 в квартире не помню чтоб падало, в гараже разве что. Так а какой ток выходной с такого трансформатора на выходе получается, одного ампера не будет даже ?


Повернутися до початку
 Профіль  
Відповісти цитуючи  
Показати повідомлення за:  Поле сортування  
Почати нову тему Відповісти на тему  [ Повідомлень: 137 ]              На сторінку Пред.  1 ... 3, 4, 5, 6, 7, 8, 9, 10  Наступ.

Часовий пояс: UTC + 2 години


Хто зараз на конференції

Зараз цей форум переглядають: немає зареєстрованих користувачів і гості: 11


Ви не можете створювати нові теми
Ви не можете відповідати на повідомлення
Ви не можете редагувати свої повідомлення
Ви не можете видаляти свої повідомлення
Ви не можете додавати додаткові файли

Найти:
Створено на основі phpBB® Forum Software © phpBB Group