Поточний час: 19 бер 2026, 20:37

Часовий пояс: UTC + 2 години



Почати нову тему Відповісти на тему  [ Повідомлень: 107 ]  На сторінку Пред.  1, 2, 3, 4, 5, 6, 7, 8  Наступ.
Автор Повідомлення
#120176Повідомлення 08 лип 2021, 13:26 
Не в мережі

Звідки: Днепр
Дякував (ла) 1211 Подякували 1200
Polevik писав(ла):
Топик стартер мало что сможет сделать сам, мало понимает в проектировании, а ещё и хамовитый.

...на счет хамства - я повинился, но не надо создавать предпосылки на будущее...мне тоже много чего не нравится...
На счет "мало понимает" - ну да ,в том что я озвучивал действительно мало. Но судить об остальном?! Как-то не ответственно что-ли... Ну да ладно,пусть так...честолюбие не привлекает...
Что же касается прогнозов по реализации и дальнейшей функциональности - не стоит сгущать краски.Я думаю всё будет норм. Во всяком случае "сокрытия" не будет.


Повернутися до початку
 Профіль  
Відповісти цитуючи  
#120177Повідомлення 08 лип 2021, 13:30 
Не в мережі

Звідки: Днепр
Дякував (ла) 1211 Подякували 1200
-=TRO=- писав(ла):
да понятное дело что данная реальная проблема решается одним галетником и тонким кабельком типа гибкой витухи

...боюсь,что к этому и скачусь :lol: , но хотелось же чего-то "изящного"...ну да будем посмотреть,что по итогу выйдет...
Сейчас задача "довязать" всю подкапотку,затем "зад" и как-то уже продвигаться к выезду


Повернутися до початку
 Профіль  
Відповісти цитуючи  
#120178Повідомлення 08 лип 2021, 15:21 
Власник електровелосипеда
Аватара користувача
Не в мережі

Звідки: Херсон, Украина
Дякував (ла) 144 Подякували 141
Мій електротранспорт: Эл.вел 48В/500Вт
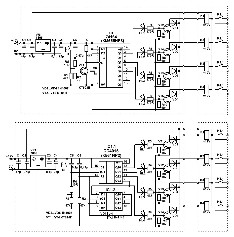
К сожалению, судя по фоткам здесь: viewtopic.php?f=38&t=4826&start=45#p120141 , здесь: viewtopic.php?f=40&t=3871#p93891и здесь: viewtopic.php?f=40&t=3871#p93892 , отделаться "простым галетником и гибкой витухой" не получится. Понадобятся либо развязывающие реле, либо электронные ключи. Ну и "блок управления", находящийся в салоне авто (не тянуть же туда и обратно силовые проводА нагревателей ;) ).
В конце-концов, если понадобится обратная связь, например по температуре, то мона будет ваять и на продвинутых контроллерах. Если втупую (без ОС) рулить колличеством нагревателей, то достаточно, либо простейшего галетника (с допайкой диодов для получения "накопительного принципа" включения нагрузок), либо схемы на тех же сдвигающих регистрах. Хотя бы вот так:
Додаткові файли:
перекл2.JPG
перекл2.JPG [ 195.22 КБ | Переглядів: 8535 ]
Специально спрятал под спойлер, чтоб не раздражать перфекционистов. :lachtot:
Ну и по приобретабельности, на вскидку: https://www.rcscomponents.kiev.ua. Выбираем в каталоге логику и раздел "сдвигающие регистры". Обратите внимание на филиал в Днепре (магазин - приехал, купил).


Повернутися до початку
 Профіль  
Відповісти цитуючи  
#120179Повідомлення 08 лип 2021, 17:23 
Власник електромобіля
Аватара користувача
Не в мережі

Звідки: между морем и степью
Дякував (ла) 49 Подякували 115
Мій електротранспорт: MG4
Хочу електротранспорт: Rimac Nevera
Самое простое -- "тёплое аналоговое" решение на LM3914, по единственному проводу идёт уровень напряжения 0...3...6...9...12 вольт, получаемый от "галетника". Заведомо будет работать, заодно "клювик" галетника показывает уровень нагрева -- обратная связь не нужна.

Также напоминаю, что сам нагреватель -- PTC-элементы, что даёт более/менее стабильную и предсказуемую степень нагрева.

_________________
Gray©at.


Повернутися до початку
 Профіль  
Відповісти цитуючи  
#120182Повідомлення 08 лип 2021, 19:18 
Не в мережі

Звідки: Днепр
Дякував (ла) 1211 Подякували 1200
igo61 писав(ла):
не тянуть же туда и обратно силовые проводА нагревателей

Нет,Игорь, силовые части все в корпусе. Ничего из силового никуда тянуть не надо. Если и тянуть, то только управляющие четыре. На них просто подаётся минус бортовой сети 12В и всё. Там в теме в заключительных постах я говорил об эспериментальном запуске. Всё отлично грелось.
И как правильно заметил
GrayCat писав(ла):
PTC-элементы, что даёт более/менее стабильную и предсказуемую степень нагрева.
Так что никакого эффекта кипятильника (о чём предостерегали выше) быть не должно.
В конце концов можно вообще не морочить себе (и людям) голову с подключениями 1, 1+2...и т.д. а просто врубать все четыре и по выходному термодатчику организовать термостатирование с применением какого нибудь терморегулятора., коих мильён в продаже.
Ну будет вкл/выкл полной мощности с гистерезисом по температуре, да и всё
Может на этом и порешить?!


Повернутися до початку
 Профіль  
Відповісти цитуючи  
#120184Повідомлення 08 лип 2021, 19:34 
Не в мережі

Звідки: Днепр
Дякував (ла) 1211 Подякували 1200
-=TRO=- писав(ла):
но старттопик в своем первом посте как бы намекает и вообще походу темы всплывает вопрос на чем собирать когда хочется "странного"

Ну в общем да, есть такой грешок...
-=TRO=- писав(ла):
Я лично не стал решать решать задачу старттопика на какой нибудь тиньке, так как зажал своего времени

И правильно сделал...Дело в том , что в данном случае вообще не стояла задача припахать форумчан к частным проблемам. Мне подумалось, что люди которые каждый день и час пребывающие в темах связанных с электроникой легко подкинут какое-то примитивное решение или ссылку на существующие устройства подходящие с минимумом переделок под мои нужды. Тот же Дядя Вася так и сделал. Если бы я предполагал, что нужно будет существенно отнимать время у кого-либо то конечно же отбросил бы эту затею.
-=TRO=- писав(ла):
есть сомнения что эта работа в реале найдет воплощение
Та чё прям так, по крайней мере хоть одна рука у меня точно не из ж..., хоть и хотелось-бы чтобы две :lol:


Повернутися до початку
 Профіль  
Відповісти цитуючи  
#120215Повідомлення 10 лип 2021, 08:07 
Активіст форуму
Не в мережі

Звідки: ... южнее Дуная
Дякував (ла) 8 Подякували 1
igo61 писав(ла):
К сожалению, ....". Обратите внимание ..... ).

Уважаемий,
У Вас случайно нема аватарчика по-современнее ? .... А то, ваша милость такую праисторическую ахинею носите, що пока читал Вас, ( прикриваясь тоже спойлером ) три раза снимал паутину с моего дисплея ...


Повернутися до початку
 Профіль  
Відповісти цитуючи  
#120216Повідомлення 10 лип 2021, 08:56 
Власник електровелосипеда
Аватара користувача
Не в мережі

Звідки: Херсон, Украина
Дякував (ла) 144 Подякували 141
Мій електротранспорт: Эл.вел 48В/500Вт


Оффтоп
Не впечатляет аватарчик? Закройте глаза и "спи спокойно, дорогой товарищъ" (С). Как бонус - не придётся читать всякую ересь.


Повернутися до початку
 Профіль  
Відповісти цитуючи  
#120218Повідомлення 10 лип 2021, 09:59 
Активіст форуму
Не в мережі

Звідки: Беловодск
Дякував (ла) 1 Подякували 27
Можно и по другому поступить.
Поставить например на "морде" крутилку (переменный резистор) и светодиод, и от него через этот светодиод подавать одним проводом на счетверенный компаратор типа лм311 (они есть в одном корпусе четыре) с релюшками на выходе каждого канала компаратора. Этот компаратор будет ращмещен возле блока нагрева. То есть нужен всего один провод для управления и один светодиод, по яркости которого можно будет судить об интенсивности нагрева.


Повернутися до початку
 Профіль  
Відповісти цитуючи  
#120219Повідомлення 10 лип 2021, 10:08 
Власник електровелосипеда, член клубу
Аватара користувача
Не в мережі

Звідки: Запорожье
Дякував (ла) 298 Подякували 1097
Мій електротранспорт: >
Ток писав(ла):
крутилку (переменный резистор) ..и подавать одним проводом на счетверенный компаратор типа лм311.....

или 4штуки tl431 вместо компаратора

_________________
2 моноколеса, 2 электровела, 2 подводных буксира, надувной электро-каяк.


Повернутися до початку
 Профіль  
Відповісти цитуючи  
#120225Повідомлення 10 лип 2021, 14:03 
Не в мережі

Звідки: Днепр
Дякував (ла) 1211 Подякували 1200
Т.е. по уровню сигнала идущего из салона по одному проводу будет осуществляться коммутация четырех нагревателей? Условно говоря 1-3В - нагреватель1, 3-6В - нагреватель2 и т.д. Правильно понимаю?!


Повернутися до початку
 Профіль  
Відповісти цитуючи  
#120226Повідомлення 10 лип 2021, 15:24 
Активіст форуму
Не в мережі

Звідки: Беловодск
Дякував (ла) 1 Подякували 27
Конечно.
Да и при использовании всяких счетчиков, ардуин, регистров (с одной кнопкой) тоже управление происходит одной кнопкой по одному проводу, второй провод это например "масса" машины, а исполинтельный механизм (микросхема с релюшками али без оных) - в желаемом месте.

Просто с резистором "индикацию" проще сделать типа по яркости свечения одного единственного светодиода.


Востаннє редагувалось Ток 10 лип 2021, 16:43, редаговано 4 раз(а).

Повернутися до початку
 Профіль  
Відповісти цитуючи  
#120227Повідомлення 10 лип 2021, 15:27 
Власник електромобіля
Аватара користувача
Не в мережі

Звідки: между морем и степью
Дякував (ла) 49 Подякували 115
Мій електротранспорт: MG4
Хочу електротранспорт: Rimac Nevera
Инженер писав(ла):
Т.е. по уровню сигнала идущего из салона по одному проводу будет осуществляться коммутация четырех нагревателей? Условно говоря 1-3В - нагреватель1, 3-6В - нагреватель2 и т.д. Правильно понимаю?!


Именно такой вариант я и предложил на микросхеме LM3914. У неё внутри УЖЕ кучка компараторов, с соответствующими делителями, и выходные каскады, с драйверами для светодиодов. Да, по одному проводу идёт аналоговый сигнал (или переменник, или я всё таки предлагаю галетник с фиксированными резисторами -- тогда он же служит и индикатором "мощности"). Ну а LM3914 в зависимости от уровня на входе, включает "столбиком" от одного до 10 светиков. Вот к её выводам для 2, 4, 6 и 8-го LED и подключаете свой блок коммутации ТЭНов.

Огромный плюс такой системы -- очень просто отлаживать. Достаточно тестера :-)

https://www.joyta.ru/4907-opisanie-mikrosxemy-lm3914/

_________________
Gray©at.


Повернутися до початку
 Профіль  
Відповісти цитуючи  
#120228Повідомлення 10 лип 2021, 15:32 
Не в мережі

Звідки: Днепр
Дякував (ла) 1211 Подякували 1200
...так выше про такое же и говорилось
GrayCat писав(ла):
Самое простое -- "тёплое аналоговое" решение на LM3914, по единственному проводу идёт уровень напряжения 0...3...6...9...12 вольт,

Только с более фиксированными значениями.
Реально, когда перестаёшь зацикливаться на одном варианте (в моем случае одна кнопка), то начинаешь видеть много альтернатив :D
Которые иногда проще и эффективнее решают задачу...


Повернутися до початку
 Профіль  
Відповісти цитуючи  
#120229Повідомлення 10 лип 2021, 15:33 
Власник електромобіля
Аватара користувача
Не в мережі

Звідки: между морем и степью
Дякував (ла) 49 Подякували 115
Мій електротранспорт: MG4
Хочу електротранспорт: Rimac Nevera
Даже готовые платки продаются с LM3914 :

https://www.olx.ua/d/obyavlenie/kit-ind ... DtWTh.html

https://mysku.ru/blog/aliexpress/62008.html

_________________
Gray©at.


Повернутися до початку
 Профіль  
Відповісти цитуючи  
Показати повідомлення за:  Поле сортування  
Почати нову тему Відповісти на тему  [ Повідомлень: 107 ]              На сторінку Пред.  1, 2, 3, 4, 5, 6, 7, 8  Наступ.

Часовий пояс: UTC + 2 години


Хто зараз на конференції

Зараз цей форум переглядають: немає зареєстрованих користувачів і гості: 16


Ви не можете створювати нові теми
Ви не можете відповідати на повідомлення
Ви не можете редагувати свої повідомлення
Ви не можете видаляти свої повідомлення
Ви не можете додавати додаткові файли

Найти:
cron
Створено на основі phpBB® Forum Software © phpBB Group