Поточний час: 19 груд 2025, 03:42

Часовий пояс: UTC + 2 години



Почати нову тему Відповісти на тему  [ Повідомлень: 16 ]  На сторінку 1, 2  Наступ.
Автор Повідомлення
#130541Повідомлення 13 груд 2022, 21:40 
Власник електровелосипеда, член клубу
Аватара користувача
Не в мережі

Звідки: Запорожье
Дякував (ла) 297 Подякували 1094
Мій електротранспорт: >
Зараз є в продажу такі лампочки з акумулятором, які продовжують працювати від штатного (наприклад настінного) вимикача навіть після погашення електрики 220в. Ціни на них зараз дуже підскочили, та ще і треба таких штук 5 на квартиру.... Схеми лампи не нагуглив, тієї частини в якій би було зрозуміло як вона продовжує працювати від того ж настінного вімикача коли нема 220в, і вирішив придумати сам, та так щоб деталей було по мінімуму і не дефіцитних.
Поки писав перший варіант цього поста, вимкнули електрику, текст втратився, але залишилися скріншоти симулятора , добавлю як дадуть напругу з поясненням як воно має працювати.

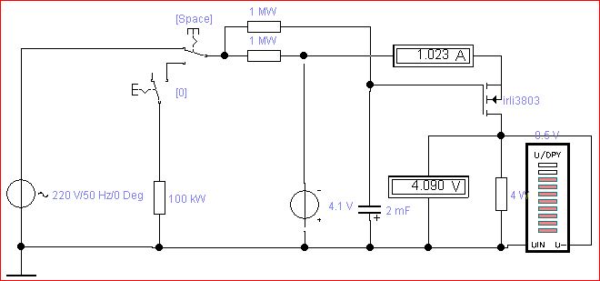
Скріншот номер раз, тут вимкнутий вимикач (коли так, то не важливо чи є 220в в хаті).
Додаткові файли:
off.JPG
off.JPG [ 34.3 КБ | Переглядів: 16008 ]
бачимо мікроструми і мікровольти, лампа вимкнута.

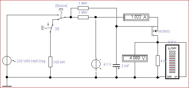
Скріншон номер два, 220в нема (погашення), вимикач ввімкнено
Додаткові файли:
on.JPG
on.JPG [ 34.07 КБ | Переглядів: 16008 ]
бачимо повний струм з аккумулятора в нагрузку, лампа світить.

Скріншон номер три, 220в є, вимикач ввімкнено
Додаткові файли:
220v.JPG
220v.JPG [ 34.32 КБ | Переглядів: 16008 ]
бачимо повний струм з аккумулятора в нагрузку, лампа світить.

На скріншотах не показаний зарядний пристрій для аккумулятора, він буде звичайний імпульсний (я збираюся адаптувати зарядку від мобілки), але в ній не повинно бути розрядного резистора на високовольтому електролітичному конденсаторі. Схема зібрана з спільним плюсом аккумулятора (хоча зазвичай це минус), тому що так стало можливо використовати лише один N-канальний польовий транзистор (більше вибір, і дешевші). Транзистор можна видрати з плати захисту старого аккумулятора від мобілки, або зі старих материнських плат.

_________________
2 моноколеса, 2 электровела, 2 подводных буксира, надувной электро-каяк.


Повернутися до початку
 Профіль  
Відповісти цитуючи  
#130549Повідомлення 14 груд 2022, 13:23 
Активіст форуму
Аватара користувача
Не в мережі

Звідки: Тернопіль
Дякував (ла) 0 Подякували 32
А поставити перемикач на три позиції та резистор для обмеження струму акумулятора (та викинути ще й транзистор при цьому) - це вже занадто?)

_________________
Навіщо займатися електрикою якщо не в змозі опанувати навіть мову.
https://www.youtube.com/watch?v=M8JfGYuut0w


Повернутися до початку
 Профіль  
Відповісти цитуючи  
#130550Повідомлення 14 груд 2022, 14:46 
Власник електровелосипеда, член клубу
Аватара користувача
Не в мережі

Звідки: Запорожье
Дякував (ла) 297 Подякували 1094
Мій електротранспорт: >
і де ставити той перемикач... на люстрі і скакати до нього?
Вашої "раціоналізаторської" думки геть не зрозумів.
Ті перемикачі що на схемі, просто імітують три варіанти (вимкнено, увімкнено коли є 220, увімкнено коли нема 220), тобто насправді це один замикаючий контакт котрий вже висить на стіні в кожного, нічого добавляти не треба, вся схема лише в лампочці.
Вся ідея в тому, щоб після погашення все робило як робило, без зайвих рухів.

_________________
2 моноколеса, 2 электровела, 2 подводных буксира, надувной электро-каяк.


Повернутися до початку
 Профіль  
Відповісти цитуючи  
#130562Повідомлення 14 груд 2022, 19:37 
Активіст форуму
Аватара користувача
Не в мережі

Звідки: Тернопіль
Дякував (ла) 0 Подякували 32
Опис роботи схеми (якщо її нема) якось вирівнює те що потрібно від неї. Але.......схема з "правільними" номіналами це куди кращє.

Інакше можна довго "раціоналізацією" займатися.

_________________
Навіщо займатися електрикою якщо не в змозі опанувати навіть мову.
https://www.youtube.com/watch?v=M8JfGYuut0w


Повернутися до початку
 Профіль  
Відповісти цитуючи  
#130599Повідомлення 17 груд 2022, 02:48 
Власник електровелосипеда, член клубу
Аватара користувача
Не в мережі

Звідки: Запорожье
Дякував (ла) 297 Подякували 1094
Мій електротранспорт: >
Тролі тролять, процес іде...
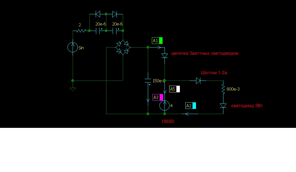
Зібрано ось таку пілотну схему на соплях для перевірки ідеї в живу.
Додаткові файли:
smartlamp.jpg
smartlamp.jpg [ 206.74 КБ | Переглядів: 15811 ]
В якості зарядки аккумулятора використовується зарядка від мобілки з двома діодами (для обмеження напруги) і резистора 5 Омм (для обмещення струму).
Все працює як задумано.
Залишилося поміняти лампочку розжарювання на світлодіодне навантаження, і запхати в корпус від дохлої економної лампочки.

_________________
2 моноколеса, 2 электровела, 2 подводных буксира, надувной электро-каяк.


Повернутися до початку
 Профіль  
Відповісти цитуючи  
#130601Повідомлення 17 груд 2022, 10:58 
Активіст форуму
Аватара користувача
Не в мережі

Звідки: Тернопіль
Дякував (ла) 0 Подякували 32
Ага, може схема і працює якщо послідовно з світлодіодом для обмеження струму поставити опір.

Але усю цю схему не кожний зробить, да і вартість її не копійка.

Якщо робити у масовому порядку подібний "ліхтарик" то простіше зробити це з балластним конденсатором, який в режимі основного освітлення буде давати повний світ наприклад потужністю еквівалента під 100 ват лампи розжарення.
В аварійному же режимі світло буде обмежене потужністю літієвого елемента (звісно що потужність буде в рази менше якщо еелемент літія малий).

_________________
Навіщо займатися електрикою якщо не в змозі опанувати навіть мову.
https://www.youtube.com/watch?v=M8JfGYuut0w


Повернутися до початку
 Профіль  
Відповісти цитуючи  
#130602Повідомлення 17 груд 2022, 11:59 
Власник електровелосипеда, член клубу
Аватара користувача
Не в мережі

Звідки: Запорожье
Дякував (ла) 297 Подякували 1094
Мій електротранспорт: >
Все так капітан очевидність, я інакшого і не заявляв.
Добавлю тоді і я очевидних речей :D .
Як що кому треба більш потужно коли є 220в, можна ставить паралельно звичайні світлодіодні лампи.
А Як що кому треба більше потужності в аварійному режимі, треба брати зарядку більшої потужності і відповідний аккумулятор.

_________________
2 моноколеса, 2 электровела, 2 подводных буксира, надувной электро-каяк.


Повернутися до початку
 Профіль  
Відповісти цитуючи  
#130612Повідомлення 18 груд 2022, 11:43 
Активіст форуму
Аватара користувача
Не в мережі

Звідки: Тернопіль
Дякував (ла) 0 Подякували 32
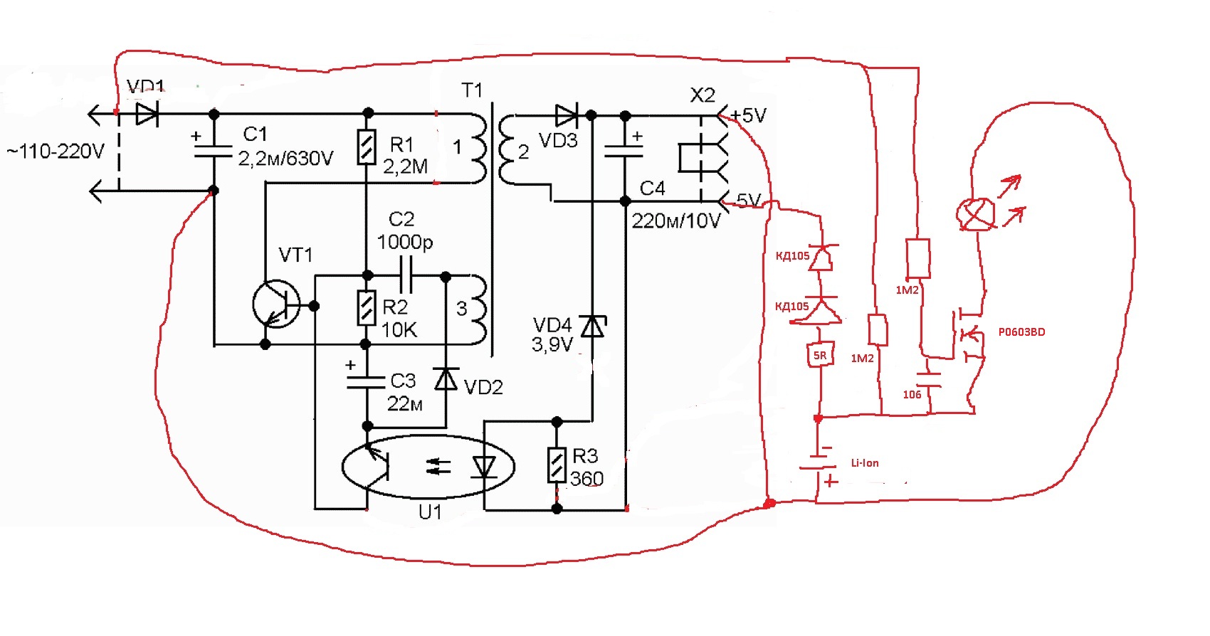
Оце таке в одному флаконі штатне освітлення на ватт 15 ЛЕД світла + аварійне ЛЕД освітлення 3 ватта.
Тільки ще додаткогво паралельно 18650 поставити стабілітрон 4,2 вольта.


Додаткові файли:
аварийка.JPG
аварийка.JPG [ 52.28 КБ | Переглядів: 15706 ]

_________________
Навіщо займатися електрикою якщо не в змозі опанувати навіть мову.
https://www.youtube.com/watch?v=M8JfGYuut0w
Повернутися до початку
 Профіль  
Відповісти цитуючи  
#130615Повідомлення 18 груд 2022, 13:33 
Власник електровелосипеда, член клубу
Аватара користувача
Не в мережі

Звідки: Запорожье
Дякував (ла) 297 Подякували 1094
Мій електротранспорт: >
tesljar писав(ла):
...Тільки ще додаткогво паралельно 18650 поставити стабілітрон 4,2 вольта.
Угу, і ще додайте ту саму схему управління з мого першого посту, яку вам так не терпиться скасувати. А без неї акумулятор у вашому нічнику сяде ще вдень, коли лампою не користувалися (а вона все одно з аккума даремно світила), і на вечір коли пропаде світло, світити вже не буде чим.
Ну і ще, пульсації струму будуть добрячі, можете самі додивитися в сімуляторі (із за них сушить електроліти і дохнуть світлодіоди), тому конденсаторні баласти я не поважаю.

_________________
2 моноколеса, 2 электровела, 2 подводных буксира, надувной электро-каяк.


Повернутися до початку
 Профіль  
Відповісти цитуючи  
#130623Повідомлення 18 груд 2022, 17:05 
Активіст форуму
Аватара користувача
Не в мережі

Звідки: Тернопіль
Дякував (ла) 0 Подякували 32
Начебто по пам,яті витік кремнючих переходів меньш/рівно 1 мкА. В германії був під 1 мА. На що "разрядиться" 18650 окрім як на світлодіод після відключення мережі. Щоб забагачить батарейку на "довгий термін" - поставить хіба що тумблер для її відключення.

Мерехтіння світлодіодів має буть - а кому зараз легко?

З приводу запітки импульсним струмом - один час була стаття як світлодіодні фари автівки використалися для передачи даних в якості оптичного передавача, тобто працювали в импульсному режимі.

По балластному конденсатору - треба читати.

_________________
Навіщо займатися електрикою якщо не в змозі опанувати навіть мову.
https://www.youtube.com/watch?v=M8JfGYuut0w


Повернутися до початку
 Профіль  
Відповісти цитуючи  
#130625Повідомлення 18 груд 2022, 19:55 
Власник електровелосипеда, член клубу
Аватара користувача
Не в мережі

Звідки: Запорожье
Дякував (ла) 297 Подякували 1094
Мій електротранспорт: >
tesljar писав(ла):
. На що "разрядиться" 18650 окрім як на світлодіод після відключення мережі..
От вкрутив я таке в туалет, вмикаю на 15 хвилин на добу(іде заряд), а світить (розряджується) воно по вашій схемі цілодобово, буде або весь час розряджена, або не вимикати взагалі (транжирство),.

А тумблер самі собі ставте, і ходіть по хаті з табуреткою тумблерками по люстрах клацать ..

_________________
2 моноколеса, 2 электровела, 2 подводных буксира, надувной электро-каяк.


Повернутися до початку
 Профіль  
Відповісти цитуючи  
#130628Повідомлення 19 груд 2022, 10:43 
Активіст форуму
Аватара користувача
Не в мережі

Звідки: Тернопіль
Дякував (ла) 0 Подякували 32
То все ловля блох с цими "пальчиковими" малопотужними недешевими елементами для аварійки на 5 ват світла.

Люди ще з 50 років років почали робити "колхозні" акумулятори.

"......Я так понял, что а/ч сильно зависит от полезной массы, так что мешает сделать аккум 1м3?
Ну да, он большой, тяжелый, но стоит будет на кучу порядков меньше чем готовые.
Если рассмотреть на примере СВИНЦОВО-ПОТАШНЫЙ АККУМУЛЯТОР
Цитата:

Емкость аккумулятора достигает 1,5-2,2 Ампер*часов на 100 г веса активной массы. Внутреннее сопротивление от 0,08 до 0,15 Ом /дм2 электрода.

Получаем электролита на 1м3, без учёта плотности соли имеем 1000кг активной массы
1000кг*15А(1.5А на 100гр, берём НАИХУДШЕЕ значение)=15 000 А/Ч
Надо уменьшить сопротивление, берём пластины и заворачиваем так, чтобы площадь исчислялась в метрах квадратных....."

З 55 сторінки.


Додаткові файли:
batarei-i-akkumulyatory-dlya-radiopriemnikov.djvu [1.83 МБ]
Завантажень: 255

_________________
Навіщо займатися електрикою якщо не в змозі опанувати навіть мову.
https://www.youtube.com/watch?v=M8JfGYuut0w
Повернутися до початку
 Профіль  
Відповісти цитуючи  
#130629Повідомлення 19 груд 2022, 10:52 
Власник електровелосипеда, член клубу
Аватара користувача
Не в мережі

Звідки: Запорожье
Дякував (ла) 297 Подякували 1094
Мій електротранспорт: >
tesljar, харош зафлуживать тему (про схему позволяющую работать от уже имееющегося настенного выключателя) всякими ухудшениями и философствованиями про якобы не те аккумуляторы... Буду переносить во флудилку
Я уже писал, кому нужна мощность - берут больше аккумов и мощнее зарядку для них, к обсуждаемой схеме это никакого отношения не имеет, чистый провокационный флуд что бы увести обсуждение от темы.

_________________
2 моноколеса, 2 электровела, 2 подводных буксира, надувной электро-каяк.


Повернутися до початку
 Профіль  
Відповісти цитуючи  
#130630Повідомлення 19 груд 2022, 11:00 
Активіст форуму
Аватара користувача
Не в мережі

Звідки: Тернопіль
Дякував (ла) 0 Подякували 32
Для початку засуньте свою схему (якщо вдасться) у корпус лампочки з цоколем Е27 - потім можна буде вести дискуссію далі)))).

_________________
Навіщо займатися електрикою якщо не в змозі опанувати навіть мову.
https://www.youtube.com/watch?v=M8JfGYuut0w


Повернутися до початку
 Профіль  
Відповісти цитуючи  
#130631Повідомлення 19 груд 2022, 11:05 
Активіст форуму
Аватара користувача
Не в мережі

Звідки: Тернопіль
Дякував (ла) 0 Подякували 32
-=TRO=- писав(ла):
Я уже писал, кому нужна мощность - берут больше аккумов и мощнее зарядку для них, к обсуждаемой схеме это никакого отношения не имеет, чис

У кого є гроші той не купує "больше аккумов и мощнее зарядку для них..." - а купує єлектрогенераторгенератор на пару кіловат, та підключає його до газовоі мережі.

_________________
Навіщо займатися електрикою якщо не в змозі опанувати навіть мову.
https://www.youtube.com/watch?v=M8JfGYuut0w


Повернутися до початку
 Профіль  
Відповісти цитуючи  
Показати повідомлення за:  Поле сортування  
Почати нову тему Відповісти на тему  [ Повідомлень: 16 ]              На сторінку 1, 2  Наступ.

Часовий пояс: UTC + 2 години


Хто зараз на конференції

Зараз цей форум переглядають: немає зареєстрованих користувачів і гості: 13


Ви не можете створювати нові теми
Ви не можете відповідати на повідомлення
Ви не можете редагувати свої повідомлення
Ви не можете видаляти свої повідомлення
Ви не можете додавати додаткові файли

Найти:
Створено на основі phpBB® Forum Software © phpBB Group