irde писав(ла):
alex_step писав(ла):
пришлось переиграть с транзисторов на рел
там много чего надо переигрывать.
Я не понимаю зачем Арктику  надо питать от 12 Вольтовой   ДС-шки ?
У нее диапазон входа от 12 до 80В.
 У  вас бортовое 36\48В ,  1\2 диапазона ,   идеальное соотношение  .
Подключите ее напрямую от аккума , а ключевание через полевик.
Ну или через реле , если с полевиками не дружите.
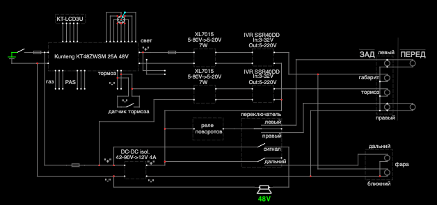
не дружу. и механическим реле не доверяю тоже - потому твердотельное => а у него напряжение управления "3-32В", из-за этого приходится под него понижайку колхозить.
irde писав(ла):
И не надо будет извратов с гальв.развязкой.
Ну никчему она тут.
Точно так же повороты и стопсигналы. 
не пройдёт. задний фонарь (габарит/стоп/повороты) и передние поворотники - на 12В. 
в данной схеме фара и габарит при 12В заведены на одно реле, если же фару увести на 48В - придётся добавлять еще +реле-понижайка, чтобы развести с включения дисплеем света на два плеча - на габарит и фару........
irde писав(ла):
Я так понимаю , вы надергали куски схем из разных проектов , но суть ее работы не поняли .
И что зачем и почему - не уяснили. 
Поэтому схема получилась громоздкая и дорогая.
нет, искал "много и упорно", взял из одного проекта 
https://bit.ly/3Mfe6sr https://youtu.be/lu10RtHZU9E, но там на мелких неизолированных дисишках (несколько штук), я же хочу изолированную для повышения надежности и отказоустойчивость (на случай "неприятностей" с дисишкой чтоб не пришлось искать LEDы для замены; хотя не исключаю вариант переделки фонаря под 48В (тогда и передние поворотники тоже можно перекроить под 48В), но его нужно сначала получить-разобрать-изучить-подбирать_замену_LEDов, а то продавец не внятный и характеристик толковых нет - отвечает "универсальный", ни ток, ни мощность, ни силу света назвать не может) - потому приходится извращаться с переделываем схемы.
irde писав(ла):
Ну вам конечно же решать какой ей быть , нагромождение дисишек с оптоключами , или  простота и изящество.
Я сторонник последнего. 

так то я предпочитаю автоматизацию ручному переключению
про "простота и изящество" - тут на руле (+ "расширитель" руля) уже места свободного не осталось... на сейчас фара коммутируется двумя переключателями (1 - ближний, 2 - +дальний); один контроллер не выдержал нагрузки фары по линии света, второй больше тудою не подключаю. задний фонарь в ожидании прибытия (22-го февраля пересёк границу Украины, больше не двигается 

 ); передние поворотники, изолированный диси, твердотельные реле, реле поворотов, понижайки 7015 и кучу другой мелочёвки завернули обратно в кетай.........  
