Поточний час: 17 груд 2025, 22:10

Часовий пояс: UTC + 2 години



Почати нову тему Відповісти на тему  [ Повідомлень: 484 ]  На сторінку Пред.  1 ... 3, 4, 5, 6, 7, 8, 9 ... 33  Наступ.
Автор Повідомлення
#102537Повідомлення 07 квіт 2020, 11:39 
Власник електровелосипеда, член клубу
Аватара користувача
Не в мережі

Звідки: Україна, Черкаси, Д.
Дякував (ла) 645 Подякували 296
Мій електротранспорт: Evel EndurA, 62v 28Ah Jik,VOT EM-100s(new gen), QS90....
Хочу електротранспорт: model 3 old style
Ultrastar_Wolk писав(ла):
thunder_blade писав(ла):
Срывается синхронизация в режиме 120% обороты Erpm очень большие для контроллера, такое бывает на редукторах часто

1:у меня МК безредукторный
2: в первый день покатушек все работало исправно, включая 3 скорость(120%)

Проверьте все соединения. Переобучите контролер с полностью заряженной новой Акб

_________________
Evel EndurA, 62v 28Ah Jik,VOT EM-100s(new gen), QS90....


Повернутися до початку
 Профіль  
Відповісти цитуючи  
#104297Повідомлення 04 трав 2020, 19:48 
Активіст форуму
Не в мережі

Звідки: Жмеринка
Дякував (ла) 36 Подякували 15
Мій електротранспорт: электровел
А подскажите кто достойные внимания задний габарит-тормоз-повороты на 48-60В

_________________
електровел:
на базі Nishiki Blazer
MXUS ZWG XF15F 36В 400Вт редукторне, переднє 26"
KUNTENG KT48ZWSM 25A 48В
16S * LiFePO4 3.2V 20Ah циліндри ZTT 43*180 - Daly BMS LiFePo4 16S 40A => SmartBMS від mr.Dream
KT LCD-3
фара Arctic V2


Повернутися до початку
 Профіль  
Відповісти цитуючи  
#104298Повідомлення 04 трав 2020, 19:54 
Власник електровелосипеда
Не в мережі

Звідки: Файне місто
Дякував (ла) 28 Подякували 30
Мій електротранспорт: Eleek(Ekross)72V QS 3000W V3T4 Kelly7218S -------- Bafang cst 48V 500w (26) 11T
alex_step писав(ла):
А подскажите кто достойные внимания задний габарит-тормоз-повороты на 48-60В


Повернутися до початку
 Профіль  
Відповісти цитуючи  
#106888Повідомлення 20 черв 2020, 09:00 
Власник електровелосипеда, член клубу
Аватара користувача
Не в мережі

Звідки: Мариуполь
Дякував (ла) 42 Подякували 33
Мій електротранспорт: электровелосипеды
Хочу електротранспорт: свободное время на свои проекты
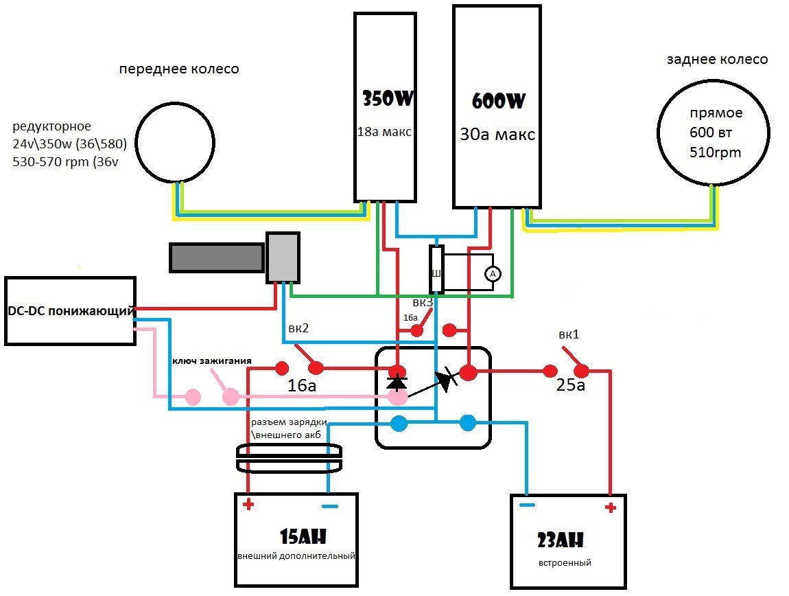
народ. нужен совет
имеется вел с 600 ваттным колесиком (26") скорость 45 км.ч по прямой. мой вес 110 кг
захотелось добавить разгонной динамики (в городе тяжеловато на педалях стартовать на светофорах - колени побаливают)
менять мотор не хочу
хочу добавить передний мотор. так как не хочу терять мощность при езде на одном моторе (заднем) - то переднее буду ставить редукторное
(схему силовой части прилагаю)
с мотором определился. разница в оборотах должна быть небольшая
все более менее понятно кроме запитки слаботочкой ручки газа


Додаткові файли:
проект.jpg
проект.jpg [ 111.07 КБ | Переглядів: 5533 ]

_________________
3460W Solar, буфер АКБ 12v : 635Ah LTO 66160 (8*6S2P) + 80Ah LiMnO (2*4S9P)
Повернутися до початку
 Профіль  
Відповісти цитуючи  
#106889Повідомлення 20 черв 2020, 09:05 
Власник електровелосипеда, член клубу
Аватара користувача
Не в мережі

Звідки: Мариуполь
Дякував (ла) 42 Подякували 33
Мій електротранспорт: электровелосипеды
Хочу електротранспорт: свободное время на свои проекты
при запитки от одной батареи обоих контроллеров (вк1+вк3, вк2 выключен) все понятно :питание ручки газа (красный и черный)можно брать с любого контроллера а выход аналогового уровня (зеленый) к каждому вывести отдельно
а как реализовать одну ручку газа при запитке контроллеров от разных акб (выключенный вк3, вк1+вк2 включены)?
и так чтобы можно было ехать на любом одном колесе и контролере (включен или вк1 или вк2) ?

чувствую ответ не тяжелый но пока я его не увидел :wallbash:

первое что пришло в голову это понижающий dc-dc для питания только ручки газа . плюс этого "костыля" : можно немного поднять скорость (вместо 4.2в накрутить скажем 4.5в)
сижу размышляю дальше. без пива как-то неоч. думается :idee:

_________________
3460W Solar, буфер АКБ 12v : 635Ah LTO 66160 (8*6S2P) + 80Ah LiMnO (2*4S9P)


Повернутися до початку
 Профіль  
Відповісти цитуючи  
#106891Повідомлення 20 черв 2020, 09:32 
Активіст форуму
Не в мережі

Звідки: Черкаси
Дякував (ла) 1 Подякували 21
Мій електротранспорт: Электровелосипед 64v?w fardriver 72200
Хочу електротранспорт: Маю leaf 30 kw
Приводите от 600ват контра зел провод ручки газа на зелёный 350 ватного и получаете полн привод, под большой палец лев руки микрик на замыкание и управл передним когда надо


Повернутися до початку
 Профіль  
Відповісти цитуючи  
#106892Повідомлення 20 черв 2020, 09:35 
Активіст форуму
Не в мережі

Звідки: Черкаси
Дякував (ла) 1 Подякували 21
Мій електротранспорт: Электровелосипед 64v?w fardriver 72200
Хочу електротранспорт: Маю leaf 30 kw
Зачем вкл-откл аккумы? Это нерационально, провода зажигания в паралель надо тож


Востаннє редагувалось jura1675 20 черв 2020, 09:36, редаговано 1 раз.

Повернутися до початку
 Профіль  
Відповісти цитуючи  
#106893Повідомлення 20 черв 2020, 09:36 
Власник електровелосипеда, член клубу
Аватара користувача
Не в мережі

Звідки: Мариуполь
Дякував (ла) 42 Подякували 33
Мій електротранспорт: электровелосипеды
Хочу електротранспорт: свободное время на свои проекты
jura1675 писав(ла):
Приводите от 600ват контра зел провод ручки газа на зелёный 350 ватного и получаете полн привод, под большой палец лев руки микрик на замыкание и управл передним когда надо

хочу возможность ехать на одном переднем моторе (аварийный режим), при этом второй контроллер обесточен

_________________
3460W Solar, буфер АКБ 12v : 635Ah LTO 66160 (8*6S2P) + 80Ah LiMnO (2*4S9P)


Повернутися до початку
 Профіль  
Відповісти цитуючи  
#106894Повідомлення 20 черв 2020, 09:38 
Власник електровелосипеда, член клубу
Аватара користувача
Не в мережі

Звідки: Kyiv, Ukraine
Дякував (ла) 129 Подякували 393
Мій електротранспорт: Восемь электробайков
Хочу електротранспорт: Tesla Y, BMWi2, спорткар на основе Smart купе.
Giligan писав(ла):
народ. нужен совет
имеется вел с 600 ваттным колесиком (26") скорость 45 км.ч по прямой. мой вес 110 кг
захотелось добавить разгонной динамики (в городе тяжеловато на педалях стартовать на светофорах - колени побаливают)
менять мотор не хочу
хочу добавить передний мотор. так как не хочу терять мощность при езде на одном моторе (заднем) - то переднее буду ставить редукторное
(схему силовой части прилагаю)
с мотором определился. разница в оборотах должна быть небольшая
все более менее понятно кроме запитки слаботочкой ручки газа

Питайте от основного(заднего) контролера, а на передний вьіведити только сигнал с датчика ручки(через вьіключатель), что здесь не понятно?
Хотя стоит расмотреть вариант на две ручки (дублирование и независимое управление)


Востаннє редагувалось lu4 20 черв 2020, 09:39, редаговано 1 раз.

Повернутися до початку
 Профіль  
Відповісти цитуючи  
#106895Повідомлення 20 черв 2020, 09:39 
Власник електровелосипеда, член клубу
Аватара користувача
Не в мережі

Звідки: Мариуполь
Дякував (ла) 42 Подякували 33
Мій електротранспорт: электровелосипеды
Хочу електротранспорт: свободное время на свои проекты
jura1675 писав(ла):
Зачем вкл-откл аккумы? Это неоационально

с позиции денег или безопасности?

_________________
3460W Solar, буфер АКБ 12v : 635Ah LTO 66160 (8*6S2P) + 80Ah LiMnO (2*4S9P)


Востаннє редагувалось Giligan 20 черв 2020, 11:19, редаговано 1 раз.

Повернутися до початку
 Профіль  
Відповісти цитуючи  
#106896Повідомлення 20 черв 2020, 09:40 
Власник електровелосипеда, член клубу
Аватара користувача
Не в мережі

Звідки: Kyiv, Ukraine
Дякував (ла) 129 Подякували 393
Мій електротранспорт: Восемь электробайков
Хочу електротранспорт: Tesla Y, BMWi2, спорткар на основе Smart купе.
Giligan писав(ла):
jura1675 писав(ла):
Зачем вкл-откл аккумы? Это неоационально

с позиции денег или безопасности?
частично отвечаю на этот вопрос- бмс у меня 35А. через нее будет подключен 600 ваттный контроллер. 350 контроллер напрямую. в данном случае я избегаю как вы говорите нерациональности (из того что есть)

35А пик или долговременно?


Повернутися до початку
 Профіль  
Відповісти цитуючи  
#106897Повідомлення 20 черв 2020, 09:41 
Власник електровелосипеда, член клубу
Аватара користувача
Не в мережі

Звідки: Мариуполь
Дякував (ла) 42 Подякували 33
Мій електротранспорт: электровелосипеды
Хочу електротранспорт: свободное время на свои проекты
lu4 писав(ла):
Giligan писав(ла):
народ. нужен совет
имеется вел с 600 ваттным колесиком (26") скорость 45 км.ч по прямой. мой вес 110 кг
захотелось добавить разгонной динамики (в городе тяжеловато на педалях стартовать на светофорах - колени побаливают)
менять мотор не хочу
хочу добавить передний мотор. так как не хочу терять мощность при езде на одном моторе (заднем) - то переднее буду ставить редукторное
(схему силовой части прилагаю)
с мотором определился. разница в оборотах должна быть небольшая
все более менее понятно кроме запитки слаботочкой ручки газа

Питайте от основного(заднего) контролера, а на передний вьіведити только сигнал с датчика ручки(через вьіключатель), что здесь не понятно?
Хотя стоит расмотреть вариант на две ручки (дублирование и независимое управление)

2 ручки газа это избыточная сильно вариация развития событий
по бмс -та хтож их китайцев знает :) вроде долговременно на обоих акумах одинаковые бмс.

_________________
3460W Solar, буфер АКБ 12v : 635Ah LTO 66160 (8*6S2P) + 80Ah LiMnO (2*4S9P)


Востаннє редагувалось Giligan 20 черв 2020, 11:20, редаговано 1 раз.

Повернутися до початку
 Профіль  
Відповісти цитуючи  
#106898Повідомлення 20 черв 2020, 10:05 
Власник електровелосипеда, член клубу
Аватара користувача
Не в мережі

Звідки: Мариуполь
Дякував (ла) 42 Подякували 33
Мій електротранспорт: электровелосипеды
Хочу електротранспорт: свободное время на свои проекты
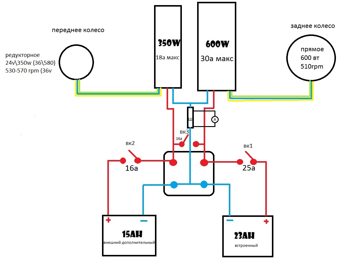
пока склоняюсь к своему варианту. диоды нарисовал возможно не правильно. (тут сам смысл )


Додаткові файли:
проект.jpg
проект.jpg [ 141.16 КБ | Переглядів: 5525 ]

_________________
3460W Solar, буфер АКБ 12v : 635Ah LTO 66160 (8*6S2P) + 80Ah LiMnO (2*4S9P)


Востаннє редагувалось Giligan 20 черв 2020, 11:15, редаговано 2 раз(а).
Повернутися до початку
 Профіль  
Відповісти цитуючи  
#106899Повідомлення 20 черв 2020, 10:19 
Активіст форуму
Не в мережі

Звідки: Жмеринка
Дякував (ла) 36 Подякували 15
Мій електротранспорт: электровел
а при троих включенных..?

_________________
електровел:
на базі Nishiki Blazer
MXUS ZWG XF15F 36В 400Вт редукторне, переднє 26"
KUNTENG KT48ZWSM 25A 48В
16S * LiFePO4 3.2V 20Ah циліндри ZTT 43*180 - Daly BMS LiFePo4 16S 40A => SmartBMS від mr.Dream
KT LCD-3
фара Arctic V2


Повернутися до початку
 Профіль  
Відповісти цитуючи  
#106903Повідомлення 20 черв 2020, 10:22 
Власник електровелосипеда, член клубу
Аватара користувача
Не в мережі

Звідки: Мариуполь
Дякував (ла) 42 Подякували 33
Мій електротранспорт: электровелосипеды
Хочу електротранспорт: свободное время на свои проекты
alex_step писав(ла):
а при троих включенных..?

при одинаковом вольтаже суммируется емкость, при разном будет перекачка с заряженного в разряженный но не более тока в 16а (вк2,вк3). что не есть критическим значением. более того есть автомат на 15 ампер. подумаю мб вк2 лучше на 15а сделаю

_________________
3460W Solar, буфер АКБ 12v : 635Ah LTO 66160 (8*6S2P) + 80Ah LiMnO (2*4S9P)


Востаннє редагувалось Giligan 20 черв 2020, 10:25, редаговано 1 раз.

Повернутися до початку
 Профіль  
Відповісти цитуючи  
Показати повідомлення за:  Поле сортування  
Почати нову тему Відповісти на тему  [ Повідомлень: 484 ]              На сторінку Пред.  1 ... 3, 4, 5, 6, 7, 8, 9 ... 33  Наступ.

Часовий пояс: UTC + 2 години


Хто зараз на конференції

Зараз цей форум переглядають: немає зареєстрованих користувачів і гості: 46


Ви не можете створювати нові теми
Ви не можете відповідати на повідомлення
Ви не можете редагувати свої повідомлення
Ви не можете видаляти свої повідомлення
Ви не можете додавати додаткові файли

Найти:
Створено на основі phpBB® Forum Software © phpBB Group