Поточний час: 05 трав 2026, 13:38

Часовий пояс: UTC + 2 години



Почати нову тему Відповісти на тему  [ Повідомлень: 48 ]  На сторінку Пред.  1, 2, 3, 4  Наступ.
Автор Повідомлення
#129627Повідомлення 31 жовт 2022, 13:36 
Активіст форуму
Аватара користувача
Не в мережі

Звідки: Тернопіль
Дякував (ла) 0 Подякували 32
-=TRO=- писав(ла):
А смысл её симулировать...?
Вся прелесть в том что берется уже готовая заведомо рабочая плата обратнохода (на любой схеме, хоть на интегральн

Ээээээ неееет, это слишком просто.
Все должно быть проверено наукой.

-=TRO=- писав(ла):
Снаббер это интегрирующая цепочка которая выбирается медленнее закрытия транзистора, из за этого его активное сопротивление в процессе закрытия не участвует и транзистор меньше греется.

Это кто так сказал?)))
Чем медленнее транзистор закрывается тем больше времени он находится в активной части а значит и выделяется на нем тепло.
Снаббер замедляет переключение чтобы при выключении транзистор не включился самопроизвольно от подпрыгивания напряжения на затворе.
Палка о двух концах.
-=TRO=- писав(ла):
В маломощных автогенераторных обратноходах обычно снабберы даже не ставят, транзистор там не так шустро закрывается но в силу маломощности не перегревается, и из за этой же медлительности

Здесь биполярник - у него время переключения в десять раз большен чем у полевика, посему и выброс не такой большой.
Использование супрессора не лучший вариант для ограничения.

_________________
Навіщо займатися електрикою якщо не в змозі опанувати навіть мову.
https://www.youtube.com/watch?v=M8JfGYuut0w


Повернутися до початку
 Профіль  
Відповісти цитуючи  
#129628Повідомлення 31 жовт 2022, 14:08 
Власник електровелосипеда, член клубу
Аватара користувача
Не в мережі

Звідки: Запорожье
Дякував (ла) 298 Подякували 1099
Мій електротранспорт: >
tesljar писав(ла):
...Использование супрессора не лучший вариант для ограничения.

Дареному коню в зубы не смотрят, приятно когда его роль исполняет нагрузка, получаем супрессор на халяву.

_________________
2 моноколеса, 2 электровела, 2 подводных буксира, надувной электро-каяк.


Повернутися до початку
 Профіль  
Відповісти цитуючи  
#129634Повідомлення 31 жовт 2022, 19:51 
Активіст форуму
Аватара користувача
Не в мережі

Звідки: Тернопіль
Дякував (ла) 0 Подякували 32
Раз тут тема про зарядку USB - может кто подскажет - зарядки USB разных производителей взаимозаменяемы для зарядки телефонов или планшетов (имеется ввиду что выдаваемые токи совпадают)? Не внедрили ли "умельцы производители" какю либо обратную связь между телефоном и зарядкой?
Нужно заряжать телефон, а родной зарядки его нету, а любую подключать как то боязно.
С зарядным поставляется просто USB кабель, или в нем еще какая то хрень впаяна? Подлезть в эти разьемы не могу - нет насадок для щупов мультиметра чтобы прозвонить кабель.

_________________
Навіщо займатися електрикою якщо не в змозі опанувати навіть мову.
https://www.youtube.com/watch?v=M8JfGYuut0w


Повернутися до початку
 Профіль  
Відповісти цитуючи  
#129636Повідомлення 31 жовт 2022, 21:36 
Власник електровелосипеда, член клубу
Аватара користувача
Не в мережі

Звідки: Запорожье
Дякував (ла) 298 Подякували 1099
Мій електротранспорт: >
Обычно телефон проверяет два иформационных USB контакта, и по припаянным на них сопротивлениям раздупляется сколько тока можно брать(погуглите, есть много вариантов). В кабеле айфона чаще всего схема есть, прямо в штекере разъема. Примитивные телефоны (мои киитай андроиды) проверяют информационные контакты на предмет замыкания оных, и если разомкнуто, то больше пол ампера не берут, а если замкнуто, то жрут сколько надо (ампера полтора). А совсем крутые мощные телефоны - планшеты , так те по ЮСБ, по цифровому протоколу запрашивают повышенное напряжение и ток.

_________________
2 моноколеса, 2 электровела, 2 подводных буксира, надувной электро-каяк.


Повернутися до початку
 Профіль  
Відповісти цитуючи  
#129640Повідомлення 31 жовт 2022, 22:53 
Власник електромобіля
Аватара користувача
Не в мережі

Звідки: между морем и степью
Дякував (ла) 49 Подякували 115
Мій електротранспорт: MG4
Хочу електротранспорт: Rimac Nevera
-=TRO=- писав(ла):
GrayCat, вы чутка смешали снаббер и супрессор.


Я вот всю жизнь ;) считал, что "снаббер" — общее название для любой цепи, предотвращающей всплеск напряжения на ключевом элементе свыше его пробойного. Снабберы могут быть совсем тупые (RC), поумнее (диод и RC), на супрессоре, ну прочие более навороченные выдумки.

_________________
Gray©at.


Повернутися до початку
 Профіль  
Відповісти цитуючи  
#129659Повідомлення 01 лист 2022, 10:39 
Активіст форуму
Аватара користувача
Не в мережі

Звідки: Тернопіль
Дякував (ла) 0 Подякували 32
Свыше пробойного это уже clamp - зажим, хомут, или supress - подавлять, ограничивать, т. е. жестко, а snubber - амортизатор, демпфер, кардинальной, жесткой обрезки напряжения нет как в стабилитроне.

Ну а впрочем какая разница - лучшее это когда избыток "вредной" энергии перенаправлен в источник питания или нагрузку а не в тепло.

Попался под руки адаптер питания - input 110-240 вольт, 0,5 ампер AC, output - 12 вольт, 1 ампер DC. Вот это КПД)))).

_________________
Навіщо займатися електрикою якщо не в змозі опанувати навіть мову.
https://www.youtube.com/watch?v=M8JfGYuut0w


Повернутися до початку
 Профіль  
Відповісти цитуючи  
#129661Повідомлення 01 лист 2022, 11:10 
Творець електромобіля, член клубу
Аватара користувача
Не в мережі

Звідки: Кременчуг
Дякував (ла) 752 Подякували 334
Мій електротранспорт: е-Таврия
Это как наш энергетик определял энергопотребление ЖК-монитора. Там ток потребления от сети нарисован 1А, ну и он 220В на 1А умножил и получилось 220Вт, а реально там и 50Вт не будет.

_________________
автопробег на электричестве 52000 км


Повернутися до початку
 Профіль  
Відповісти цитуючи  
#129670Повідомлення 01 лист 2022, 18:57 
Активіст форуму
Аватара користувача
Не в мережі

Звідки: Тернопіль
Дякував (ла) 0 Подякували 32
Да оно то так, но в импульсных источниках питания КПД во все диапазоне входных напряжений не меняется и равен около 80%.

Надо лопатить что они подразумевают под такими входными токами. Что у них на уме хз. Может ток зарядки входных конденсаторов)))).

_________________
Навіщо займатися електрикою якщо не в змозі опанувати навіть мову.
https://www.youtube.com/watch?v=M8JfGYuut0w


Повернутися до початку
 Профіль  
Відповісти цитуючи  
#129671Повідомлення 01 лист 2022, 19:24 
Власник електровелосипеда, член клубу
Аватара користувача
Не в мережі

Звідки: Запорожье
Дякував (ла) 298 Подякували 1099
Мій електротранспорт: >
Polevik писав(ла):
110Х0.5=55Вт, на выходе 12Вт , те же 22% КПД что и у моей зарядки.

Если бы это было правдой, то зарядка грелась бы на 43 ватта, а это мощность лампочки накаливания на 40Вт, которая больше размером и за которую держатся невозможно, это же мощность приличного паяльника, но зарядка же так не греется.

Вот у меня двухамперная ЮСБ зарядка греет сейчас на 5,59в и 1,46А автомобильную грелку в ногах (сейчас 8Вт+), ногам уже тепло, а зарядка еле тепленькая, но по логике "Polevik" при 20% КПД она должна грется на 30Вт :o , значит с такой логикой что то не то, надо её пересматривать, а не снова и снова :wallbash:

_________________
2 моноколеса, 2 электровела, 2 подводных буксира, надувной электро-каяк.


Повернутися до початку
 Профіль  
Відповісти цитуючи  
#129692Повідомлення 02 лист 2022, 19:06 
Активіст форуму
Аватара користувача
Не в мережі

Звідки: Тернопіль
Дякував (ла) 0 Подякували 32
-=TRO=- писав(ла):
Примитивные телефоны (мои киитай андроиды) проверяют информационные контакты на предмет замыкания оных, и если разомкнуто, то больше пол ампера не берут, а если замкнуто, то жрут сколько надо (ампера полтора).

1. Прозвонил в зарядке информационные контакты - замкнуты. Озадачило, по ним же происходит обмен в том же телефоне. Не может быть такая ситуация что этими замкнутыми контактами я могу в телефоне спалить информационные порты в USB телефона?

2. А зарядный ток что ограничивает? Контроллер в телефоне?

3. Интересно, телефон можно заряжать от любого устройства где есть USB разьем - например DVD, тюнер цмфрового тв T2?

_________________
Навіщо займатися електрикою якщо не в змозі опанувати навіть мову.
https://www.youtube.com/watch?v=M8JfGYuut0w


Повернутися до початку
 Профіль  
Відповісти цитуючи  
#129716Повідомлення 03 лист 2022, 10:57 
Активіст форуму
Аватара користувача
Не в мережі

Звідки: Тернопіль
Дякував (ла) 0 Подякували 32
Убрал фигню.

_________________
Навіщо займатися електрикою якщо не в змозі опанувати навіть мову.
https://www.youtube.com/watch?v=M8JfGYuut0w


Востаннє редагувалось tesljar 08 лист 2022, 13:22, редаговано 1 раз.

Повернутися до початку
 Профіль  
Відповісти цитуючи  
#129755Повідомлення 04 лист 2022, 19:05 
Власник електровелосипеда, член клубу
Аватара користувача
Не в мережі

Звідки: Запорожье
Дякував (ла) 298 Подякували 1099
Мій електротранспорт: >
Импульсные трансформаторы в симуляторах(особенно с обратными связями) мне попили много крови, поэтому такие вещи предпочитаю глядеть реальным осциллографом (а еще лучше вообще не связываться с высоковольтными автогенераторными схемами при разработке). А вы молодец, упорный. {!_!}
Когда то пытался воскресить свой комповый блок питания, и очень удивился когда увидел что управление на силовые ключи с управляющей микросхемы идет через аномально большие сопротивления (раз в 20 больше расчетных), пришлось спрашивать на ремонтном форуме как оно вообще работает так, оказалось транзисторы работают как автогенератор, а управляющая микросхема лишь синхронизирует частоту и корректирует ШИМ заполнение, был слегка шокирован, так как тогда не знал про такие схемные решения.

_________________
2 моноколеса, 2 электровела, 2 подводных буксира, надувной электро-каяк.


Повернутися до початку
 Профіль  
Відповісти цитуючи  
#129792Повідомлення 06 лист 2022, 16:44 
Активіст форуму
Аватара користувача
Не в мережі

Звідки: Тернопіль
Дякував (ла) 0 Подякували 32
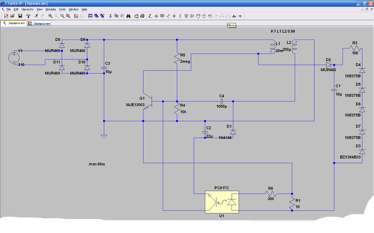
Ну что тут сказать - для успокоения нервов немножко поколдовал со схемой.
Оказывается датчик тока (резистор) по уму надо ставить до фильтрующего выходного конденсатора. Можно и без резистора вообще, просто пропустив ток через оптопару - но это не есть правильно гнать 120ма через светодиод оптопары.

В приведенной ниже схеме все завелось - но..... смущает первичка силового трансформатора - получилась для тока по светодиодам (60мА) - около 40 мГн.

Частота около 10 кГц.

Всяких там киловольтных выбросов нет.

Силовой транзистор пришлось "установить" с усилением по току 500-1000. При меньшем усилении схема не генерит.

На эпюрах:
Желтый цвет - ток силового транзистора, в импульсе 160мА.
Зеленый цвет - пульсации тока на светодиодах - около 5мА при выходном сглаживающем конденсаторе в 10мкф.
Синий цвет - напряжение "выброса" до выпрямительного диода - 366вольт.

При таких токах в схеме - все должно быть холодное.
Теперь надо закинуть в другой симуль чтобы он показал мощность (тепло) на элементах.
------------------------------------------------------------------------------
PS:
Посмотрел количество витков в аналогичных преобразователях - в первичке около 200, так что индуктивность первички (44мГн) и все остальное здесь правильно, т. е. симулятор отрабатывает свое положенное.


Додаткові файли:
зарядка2.png
зарядка2.png [ 35.87 КБ | Переглядів: 11047 ]
эпюра зарядка2.png
эпюра зарядка2.png [ 25.08 КБ | Переглядів: 11047 ]

_________________
Навіщо займатися електрикою якщо не в змозі опанувати навіть мову.
https://www.youtube.com/watch?v=M8JfGYuut0w


Востаннє редагувалось tesljar 08 лист 2022, 13:26, редаговано 1 раз.
Повернутися до початку
 Профіль  
Відповісти цитуючи  
#129810Повідомлення 07 лист 2022, 22:23 
Власник електровелосипеда, член клубу
Аватара користувача
Не в мережі

Звідки: Запорожье
Дякував (ла) 298 Подякували 1099
Мій електротранспорт: >
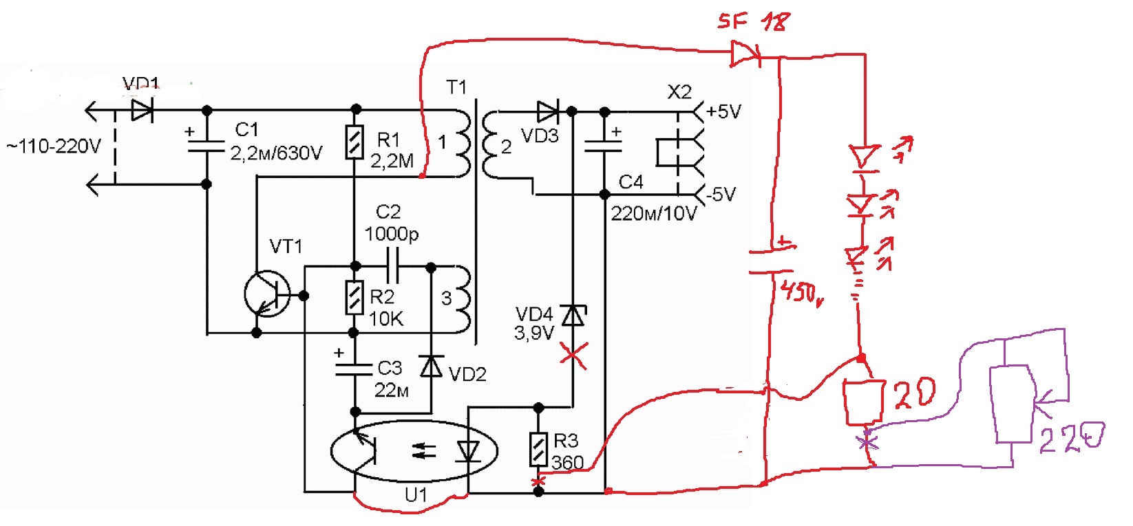
Сьогодні провів маленький апгрейд, додав регулювальний резистор струму (яскравості)
Зміни фіолетовим кольором праворуч унизу
Суть переробки: у розрив шунту струму включається регулювальний опір :
Додаткові файли:
just.jpg
just.jpg [ 183.55 КБ | Переглядів: 11010 ]

Це як та стара електротранспортна забава, пиляти чи лудити шунт у контролерах..... :D
А ось те, що він на полці освітлює:
Додаткові файли:
ogorod.jpg
ogorod.jpg [ 339.55 КБ | Переглядів: 11000 ]
Для тих хто не розуміється: Це огірки {chvetok}, а не те шо ви подумали .
Тепер в схему треба добавить щось на зразок ATTINY13, щоб автоматом на ніч вимикало на 6-8 годин.

_________________
2 моноколеса, 2 электровела, 2 подводных буксира, надувной электро-каяк.


Повернутися до початку
 Профіль  
Відповісти цитуючи  
#129873Повідомлення 11 лист 2022, 10:48 
Активіст форуму
Аватара користувача
Не в мережі

Звідки: Тернопіль
Дякував (ла) 0 Подякували 32
Ну что тут можно сказать......

Помордовало меня симулирование - больше 47,6 мА по светодиодам не удалось выжать..... :motz:

Теперь по цифрам:
1. светодиодов набрано на напряжение - 361 вольт.
2. Средний ток через светодиоды - 47,62 мА.
3. Максимальный ток силового транзистора - 113 мА.
4. Частота преобразователя - 21,3 кГц.
5. Входная мощность (взял чисто постоянное входное напряжение 310 вольт из за того что при питании переменкой 50 Гц КПД получался выше 1 :doh: . видимо из за влияния коэффициента мощности....))))) - 17,629 Вт.
6. Мощность на светодиодах - 17,37 Вт.
7. Рассеиваемая мощность на силовом транзисторе - 53 мВт.

Итого - КПД схемы равен - 0,985.

Усе. Вот такая х....я малята.
----------------------------------------------------------------------
На эпюрах:
Верхняя (синим) - ток через светодиоды.
Средняя (красным) - ток на через силовой транзистор.
Нижняя (зеленым) - напряжение на коллекторе силового транзистора.


Додаткові файли:
Схема.png
Схема.png [ 75.84 КБ | Переглядів: 10939 ]
Эпюры.png
Эпюры.png [ 58.51 КБ | Переглядів: 10939 ]

_________________
Навіщо займатися електрикою якщо не в змозі опанувати навіть мову.
https://www.youtube.com/watch?v=M8JfGYuut0w
Повернутися до початку
 Профіль  
Відповісти цитуючи  
Показати повідомлення за:  Поле сортування  
Почати нову тему Відповісти на тему  [ Повідомлень: 48 ]              На сторінку Пред.  1, 2, 3, 4  Наступ.

Часовий пояс: UTC + 2 години


Хто зараз на конференції

Зараз цей форум переглядають: немає зареєстрованих користувачів і гості: 3


Ви не можете створювати нові теми
Ви не можете відповідати на повідомлення
Ви не можете редагувати свої повідомлення
Ви не можете видаляти свої повідомлення
Ви не можете додавати додаткові файли

Найти:
Створено на основі phpBB® Forum Software © phpBB Group