Поточний час: 23 груд 2025, 02:29

Часовий пояс: UTC + 2 години



Почати нову тему Відповісти на тему  [ Повідомлень: 53 ]  На сторінку Пред.  1, 2, 3, 4  Наступ.
Автор Повідомлення
 Заголовок повідомлення: Re: Renault Kangoo z.e. ошибка Df034
#112378Повідомлення 06 лист 2020, 15:35 
Власник електромобіля
Аватара користувача
Не в мережі

Звідки: Украина
Дякував (ла) 5 Подякували 3
Мій електротранспорт: Renault Kangoo z.e.
Leon29 писав(ла):
Не исключайте простого совпадения, может переезд препятствия совсем не при чём. Пришла пора, вот ошибка и выскочила. Концентрация только на этом лежачем полицейском может направлять вас по ложному длинному пути. Рассматривайте это как возможно, но не факт.

Может Вы и правы.Возможно просто совпадение.


Востаннє редагувалось Oleg-arh 16 лист 2020, 23:21, редаговано 1 раз.

Повернутися до початку
 Профіль  
Відповісти цитуючи  
 Заголовок повідомлення: Re: Renault Kangoo z.e. ошибка Df034
#112403Повідомлення 08 лист 2020, 07:56 
Голова клубу
Аватара користувача
Не в мережі

Звідки: Україна, Донецьк => Ірпінь
Дякував (ла) 6973 Подякували 2595
Мій електротранспорт: Tesla S
Хочу електротранспорт: е-панцирник
Вы сами это можете через обд-адаптер и свой смартфон.


Повернутися до початку
 Профіль  
Відповісти цитуючи  
 Заголовок повідомлення: Re: Renault Kangoo z.e. ошибка Df034
#112408Повідомлення 08 лист 2020, 11:12 
Власник електромобіля
Аватара користувача
Не в мережі

Звідки: Украина
Дякував (ла) 5 Подякували 3
Мій електротранспорт: Renault Kangoo z.e.
Stalker_W писав(ла):
Вы сами это можете через обд-адаптер и свой смартфон.

посоветуйте какой для этого нужен сканер? ELM? И какая программа?


Повернутися до початку
 Профіль  
Відповісти цитуючи  
 Заголовок повідомлення: Re: Renault Kangoo z.e. ошибка Df034
#112417Повідомлення 08 лист 2020, 17:16 
Власник електромобіля
Аватара користувача
Не в мережі

Звідки: Украина
Дякував (ла) 5 Подякували 3
Мій електротранспорт: Renault Kangoo z.e.
Доброго времени суток всем не безразличным.Новая загадка или подсказка по теме: повисев на щитке приборов несколько дней ,индикатор ошибки ошибки вчера погас.При этом ни с того ни с сего,не было ни ямы ни скачка,ни удара ,ни чего,потух на ровном месте. Радость была не долгой.Сегодня ехал по мосту и на стыке плит опять засветился.Разницы в поведении авто не заметил,что с горящей ошибкой,что без нее.Насколько я понимаю,это точно указывает на плохой контакт.Вопрос только в чем и где,так как все разъемы передергал.
Выручайте ,кто может расшифровать эту ошибку LBC Df034,на что или на какую более конкретно неисправность она указывает? Может у кого есть более заточенная по Рено программа ,в которой есть описание этой ошибки или что то еще.Хочется сузить круг поиска.
Заранее спасибо!


Повернутися до початку
 Профіль  
Відповісти цитуючи  
 Заголовок повідомлення: Re: Renault Kangoo z.e. ошибка Df034
#112422Повідомлення 08 лист 2020, 18:43 
Власник електромобіля
Не в мережі

Звідки: Марьинка
Дякував (ла) 405 Подякували 345
Хочу електротранспорт: Kia soul ev, но ищу лифа или зою
Oleg-arh писав(ла):
Kapral88 писав(ла):
Вступайте в сообщество Renault Kangoo Z.E. Ukraine https://invite.viber.com/?g2=AQBxpaxgpQ ... zyddDKj3Uj в Viber

Опять же выскакивает "запрашиваемая страница недоступна"
Это что то у вас. Попробуйте переустановить вайбер.


Повернутися до початку
 Профіль  
Відповісти цитуючи  
 Заголовок повідомлення: Re: Renault Kangoo z.e. ошибка Df034
#112423Повідомлення 08 лист 2020, 18:45 
Власник електромобіля
Не в мережі

Звідки: Марьинка
Дякував (ла) 405 Подякували 345
Хочу електротранспорт: Kia soul ev, но ищу лифа или зою
Oleg-arh писав(ла):
Доброго времени суток всем не безразличным.Новая загадка или подсказка по теме: повисев на щитке приборов несколько дней ,индикатор ошибки ошибки вчера погас.При этом ни с того ни с сего,не было ни ямы ни скачка,ни удара ,ни чего,потух на ровном месте. Радость была не долгой.Сегодня ехал по мосту и на стыке плит опять засветился.Разницы в поведении авто не заметил,что с горящей ошибкой,что без нее.Насколько я понимаю,это точно указывает на плохой контакт.Вопрос только в чем и где,так как все разъемы передергал.
Выручайте ,кто может расшифровать эту ошибку LBC Df034,на что или на какую более конкретно неисправность она указывает? Может у кого есть более заточенная по Рено программа ,в которой есть описание этой ошибки или что то еще.Хочется сузить круг поиска.
Заранее спасибо!

Попробуйте проверить предохранители, возможно где то не контачит. Перед этим снимите клему с 12в аккума.


Повернутися до початку
 Профіль  
Відповісти цитуючи  
 Заголовок повідомлення: Re: Renault Kangoo z.e. ошибка Df034
#112431Повідомлення 08 лист 2020, 20:50 
Власник електромобіля
Аватара користувача
Не в мережі

Звідки: Украина
Дякував (ла) 5 Подякували 3
Мій електротранспорт: Renault Kangoo z.e.
Kapral88 писав(ла):
Oleg-arh писав(ла):
Доброго времени суток всем не безразличным.Новая загадка или подсказка по теме: повисев на щитке приборов несколько дней ,индикатор ошибки ошибки вчера погас.При этом ни с того ни с сего,не было ни ямы ни скачка,ни удара ,ни чего,потух на ровном месте. Радость была не долгой.Сегодня ехал по мосту и на стыке плит опять засветился.Разницы в поведении авто не заметил,что с горящей ошибкой,что без нее.Насколько я понимаю,это точно указывает на плохой контакт.Вопрос только в чем и где,так как все разъемы передергал.
Выручайте ,кто может расшифровать эту ошибку LBC Df034,на что или на какую более конкретно неисправность она указывает? Может у кого есть более заточенная по Рено программа ,в которой есть описание этой ошибки или что то еще.Хочется сузить круг поиска.
Заранее спасибо!

Попробуйте проверить предохранители, возможно где то не контачит. Перед этим снимите клему с 12в аккума.

Предохранители я проверил и те что в салоне и те что под капотом слева в пластиковом ящике.Все целые.Но предохранитель он или сгорел или нет,а тут то потухло-то погасло.


Повернутися до початку
 Профіль  
Відповісти цитуючи  
 Заголовок повідомлення: Re: Renault Kangoo z.e. ошибка Df034
#112437Повідомлення 08 лист 2020, 21:45 
Власник електромобіля
Не в мережі

Звідки: Марьинка
Дякував (ла) 405 Подякували 345
Хочу електротранспорт: Kia soul ev, но ищу лифа или зою
Я разве написал что предохранитель сгорел? Я написал " не контачит" ,а это значит может и гнездо предохранителя подгорело, и сами клемы разболтались.Понятно, что дефект противный, "плавающий", но по другому не найдёте. Разшифровывать код ошибки в кенго зе похоже гиблое дело.В чате часто пишут,что одна ошибка может обозначать совсем разные дефекты.


Повернутися до початку
 Профіль  
Відповісти цитуючи  
 Заголовок повідомлення: Re: Renault Kangoo z.e. ошибка Df034
#112439Повідомлення 08 лист 2020, 21:59 
Власник електромобіля
Аватара користувача
Не в мережі

Звідки: Украина
Дякував (ла) 5 Подякували 3
Мій електротранспорт: Renault Kangoo z.e.
Додаткові файли:
Inside the Renault Kangoo ZE battery box (1)[22-36-50].JPG
Inside the Renault Kangoo ZE battery box (1)[22-36-50].JPG [ 62.24 КБ | Переглядів: 15083 ]
Kapral88 писав(ла):
Я разве написал что предохранитель сгорел? Я написал " не контачит" ,а это значит может и гнездо предохранителя подгорело, и сами клемы разболтались.Понятно, что дефект противный, "плавающий", но по другому не найдёте. Разшифровывать код ошибки в кенго зе похоже гиблое дело.В чате часто пишут,что одна ошибка может обозначать совсем разные дефекты.

Прошу прощения ,наверное не правильно отписался.Предохранители,я каждый вытягивал проверял на целостность и на отсутствие следов окисления и подгорелости.
А вот это возможный виновник негараздов -блок LBC,к нему подключается куча разъемов,возможно в каком-то из них может быть плохой контакт.


Востаннє редагувалось Oleg-arh 16 лист 2020, 23:34, редаговано 4 раз(а).

Повернутися до початку
 Профіль  
Відповісти цитуючи  
 Заголовок повідомлення: Re: Renault Kangoo z.e. ошибка Df034
#112440Повідомлення 08 лист 2020, 22:01 
Site Admin
Аватара користувача
Не в мережі

Звідки: город Киев
Дякував (ла) 420 Подякували 1155
Мій електротранспорт: Nissan Leaf
Сталкивался с тем, что иногда перетирается изоляция жгутов, даже в бронированной оплетке. Советую внимательно пройтись по проводке. Еще бывает - реле шалят.

_________________
Чем скуднее знания, тем категоричней суждения.

"Глупцы все, кто глупцами кажутся и половина тех, что не кажется". (Бальтасар Грасиан)


Повернутися до початку
 Профіль  
Відповісти цитуючи  
 Заголовок повідомлення: Re: Renault Kangoo z.e. ошибка Df034
#112441Повідомлення 08 лист 2020, 22:22 
Власник електромобіля
Аватара користувача
Не в мережі

Звідки: Украина
Дякував (ла) 5 Подякували 3
Мій електротранспорт: Renault Kangoo z.e.
Спасибо, реле наверное стоит пересмотреть. Проводку с разъемами перещупал, пересмотрел, вроде все целое.
Судя по тому что ошибка пропала при езде по ровному, без тряски и ударов, думаю появление ее происходит после кратковременного пропадания контакта и исчезает после или определенного пробега или определенного числа запусков авто. Буду наблюдать.


Повернутися до початку
 Профіль  
Відповісти цитуючи  
 Заголовок повідомлення: Re: Renault Kangoo z.e. ошибка Df034
#112462Повідомлення 09 лист 2020, 09:11 
Власник електромобіля
Не в мережі

Звідки: Ужгород
Дякував (ла) 7 Подякували 26
LBC это BMS ниссан лиф, информации по которому есть достаточно в инете. Предлагаю измерить сопротивление изоляции высоковольтных проводов батареи.


Повернутися до початку
 Профіль  
Відповісти цитуючи  
 Заголовок повідомлення: Re: Renault Kangoo z.e. ошибка Df034
#112478Повідомлення 09 лист 2020, 20:50 
Власник електромобіля
Аватара користувача
Не в мережі

Звідки: Украина
Дякував (ла) 5 Подякували 3
Мій електротранспорт: Renault Kangoo z.e.
cytu54 писав(ла):
LBC это BMS ниссан лиф, информации по которому есть достаточно в инете. Предлагаю измерить сопротивление изоляции высоковольтных проводов батареи.

Да,по Лифу наверное больше информации.Спасибо,поищу.
Как измерить это сопротивление?


Повернутися до початку
 Профіль  
Відповісти цитуючи  
 Заголовок повідомлення: Re: Renault Kangoo z.e. ошибка Df034
#112508Повідомлення 10 лист 2020, 17:06 
Власник електромобіля
Не в мережі

Звідки: Ужгород
Дякував (ла) 7 Подякували 26
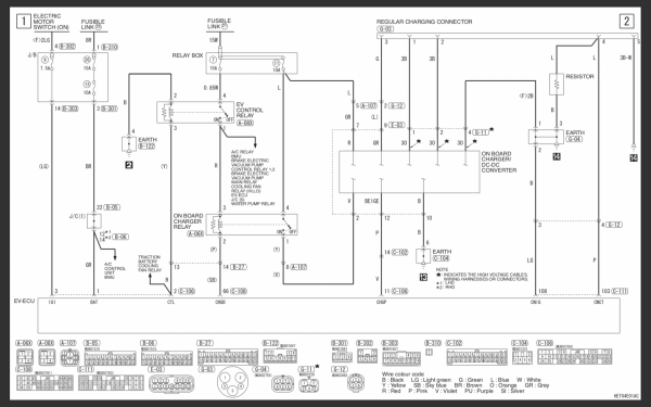
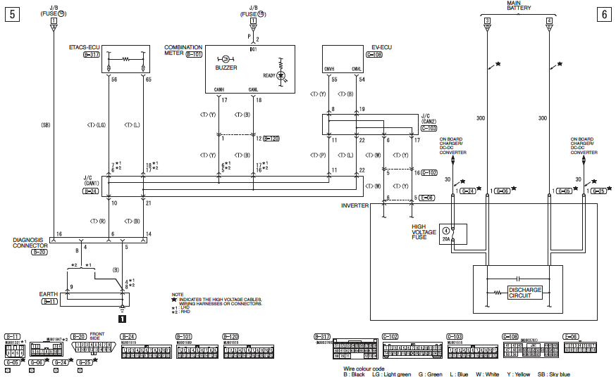
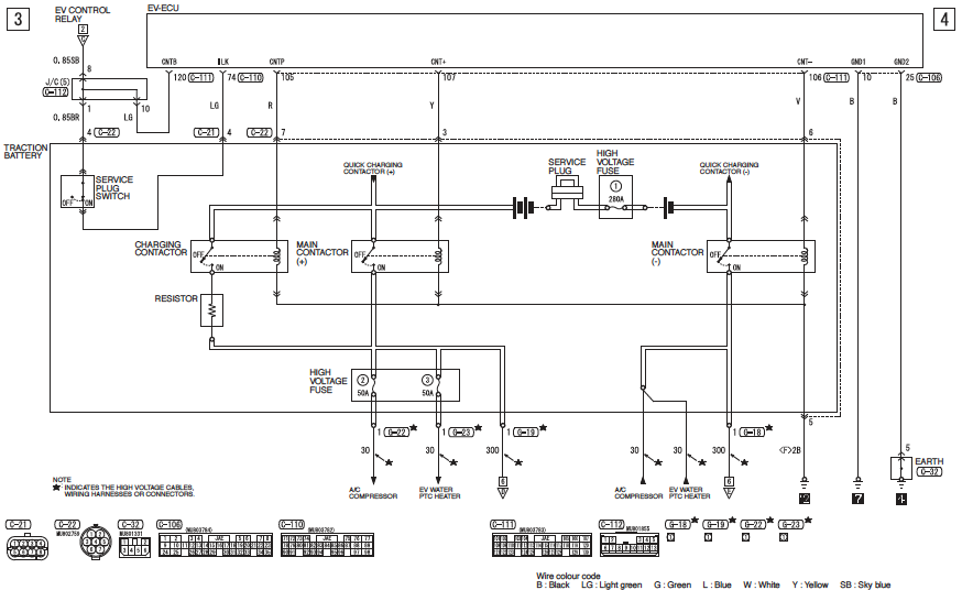
Схемы для Kango


Додаткові файли:
Схема 1.png
Схема 1.png [ 738.53 КБ | Переглядів: 15033 ]
схема 2.png
схема 2.png [ 78.27 КБ | Переглядів: 15033 ]
Схема 3.png
Схема 3.png [ 84.82 КБ | Переглядів: 15033 ]
Повернутися до початку
 Профіль  
Відповісти цитуючи  
 Заголовок повідомлення: Re: Renault Kangoo z.e. ошибка Df034
#116453Повідомлення 16 бер 2021, 22:37 
Власник електромобіля
Аватара користувача
Не в мережі

Звідки: Украина
Дякував (ла) 5 Подякували 3
Мій електротранспорт: Renault Kangoo z.e.
Решение проблемы в моем случае: в жгуте проводов к разъему,подключенному к батарее,был обнаружен поврежденный проводок.Он был соединен и спаян.Ошибка пропала.


Повернутися до початку
 Профіль  
Відповісти цитуючи  
Показати повідомлення за:  Поле сортування  
Почати нову тему Відповісти на тему  [ Повідомлень: 53 ]              На сторінку Пред.  1, 2, 3, 4  Наступ.

Часовий пояс: UTC + 2 години


Хто зараз на конференції

Зараз цей форум переглядають: немає зареєстрованих користувачів і гості: 7


Ви не можете створювати нові теми
Ви не можете відповідати на повідомлення
Ви не можете редагувати свої повідомлення
Ви не можете видаляти свої повідомлення
Ви не можете додавати додаткові файли

Найти:
Створено на основі phpBB® Forum Software © phpBB Group