Поточний час: 21 бер 2026, 05:07

Часовий пояс: UTC + 2 години


Правила форума


Обговорення лише самостійно зібраних/переобладнаних електромобілів на ходу


Почати нову тему Відповісти на тему  [ Повідомлень: 76 ]  На сторінку Пред.  1, 2, 3, 4, 5, 6  Наступ.
Автор Повідомлення
 Заголовок повідомлення: Re: Trabant E Drive
#121505Повідомлення 01 вер 2021, 00:19 
Не в мережі

Звідки: Україна
Дякував (ла) 1653 Подякували 329
Мій електротранспорт: а ти чого, пацан, інтєрєсуєшся?
Есть новости с Бошом?


Повернутися до початку
 Профіль  
Відповісти цитуючи  
 Заголовок повідомлення: Re: Trabant E Drive
#121727Повідомлення 08 вер 2021, 07:49 
Творець електромобіля
Аватара користувача
Не в мережі

Звідки: Украина Киев
Дякував (ла) 28 Подякували 114
Мій електротранспорт: Trabant 601S electro в постройке
Как раз собирался писать.) зазмотка прошла успешно хоть и не просто. Лак местами был залит очень хорошо а местами были пустоты. Но при помощи болгарки и утконосов, хоть и долго но размотал.
Затем снова токарка и срезание лишнего в размер чтоб вышла труба.
А потом полу финал это выточка крышки.


Додаткові файли:
_20210818_185309.JPG
_20210818_185309.JPG [ 294.34 КБ | Переглядів: 12699 ]
_20210818_185250.JPG
_20210818_185250.JPG [ 351.87 КБ | Переглядів: 12699 ]
IMG-f7d078511ac48b2c122549ef670eabe4-V.jpg
IMG-f7d078511ac48b2c122549ef670eabe4-V.jpg [ 173.42 КБ | Переглядів: 12699 ]
IMG-268c4d16437724d05e1f0e55b56f5dfe-V.jpg
IMG-268c4d16437724d05e1f0e55b56f5dfe-V.jpg [ 144.52 КБ | Переглядів: 12699 ]
Повернутися до початку
 Профіль  
Відповісти цитуючи  
 Заголовок повідомлення: Re: Trabant E Drive
#121728Повідомлення 08 вер 2021, 07:53 
Творець електромобіля
Аватара користувача
Не в мережі

Звідки: Украина Киев
Дякував (ла) 28 Подякували 114
Мій електротранспорт: Trabant 601S electro в постройке
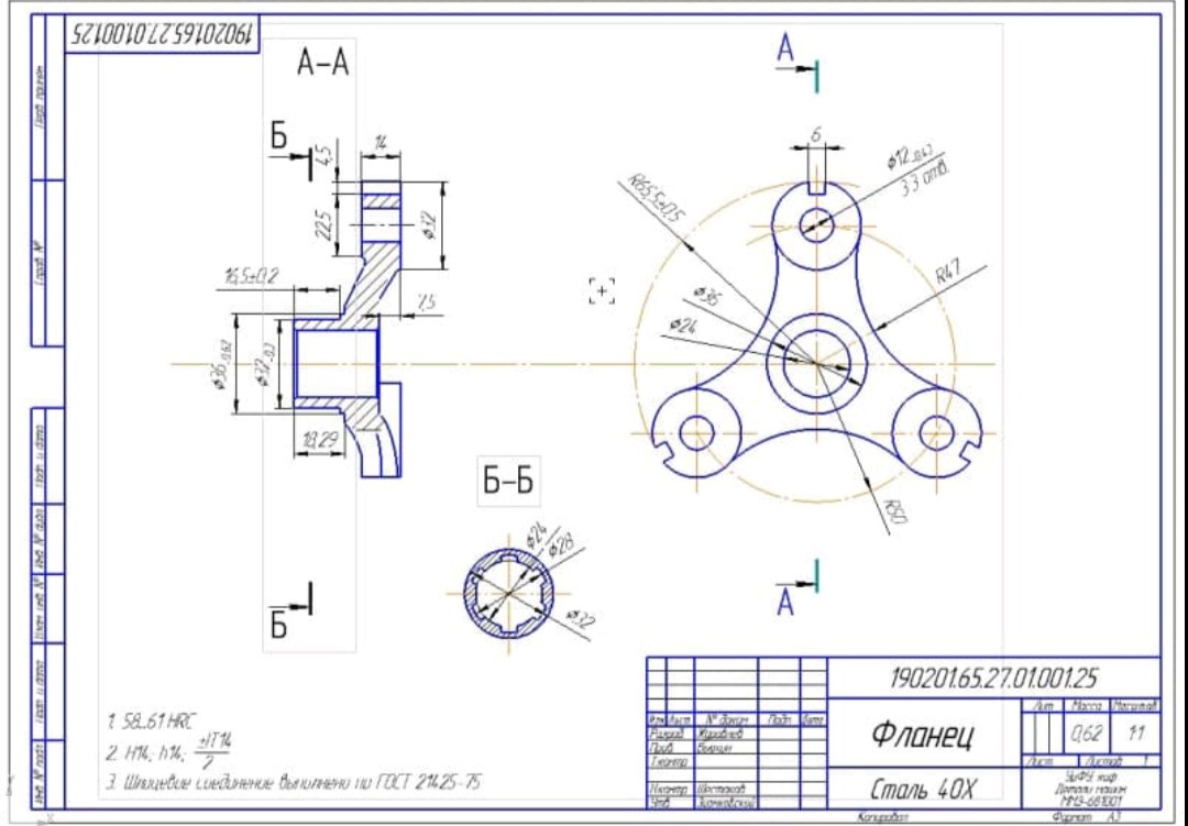
На сейчас ведутся роботы по облагораживанию крышки, и примерки фланца от ваза. На всякий случай закину чертеж из нета, вдруг кому пригодится.


Додаткові файли:
Screenshot_20210907-122226.png
Screenshot_20210907-122226.png [ 766.91 КБ | Переглядів: 12699 ]
_20210908_085352.JPG
_20210908_085352.JPG [ 112.7 КБ | Переглядів: 12699 ]
Повернутися до початку
 Профіль  
Відповісти цитуючи  
 Заголовок повідомлення: Re: Trabant E Drive
#121768Повідомлення 08 вер 2021, 16:53 
Творець електромобіля
Аватара користувача
Не в мережі

Звідки: Украина Киев
Дякував (ла) 28 Подякували 114
Мій електротранспорт: Trabant 601S electro в постройке
Хотя... Как вариант возможно будем использовать фланец нового образца


Додаткові файли:
_20210908_175206.JPG
_20210908_175206.JPG [ 51.11 КБ | Переглядів: 12671 ]
Повернутися до початку
 Профіль  
Відповісти цитуючи  
 Заголовок повідомлення: Re: Trabant E Drive
#122827Повідомлення 25 жовт 2021, 09:44 
Творець електромобіля
Аватара користувача
Не в мережі

Звідки: Украина Киев
Дякував (ла) 28 Подякували 114
Мій електротранспорт: Trabant 601S electro в постройке
Фланец отменяется. Точнее отменяется вазовский. Тому причин не мало. Одна из них это полый вал и было решено оставить его в покое, но надолбать пазы под шпонку и нарезать резьбу под гайку. На том и порешали))) Размеры фланца меряли по родному, толщина лап осталась как в родном. Скорее всего надо будет подрезать резьбу вала после того как закрутится гайка но это будет видно по месту.


Додаткові файли:
_20211025_231227.JPG
_20211025_231227.JPG [ 131.56 КБ | Переглядів: 12407 ]
_20211025_231150.JPG
_20211025_231150.JPG [ 96.41 КБ | Переглядів: 12407 ]
_20211025_231420.JPG
_20211025_231420.JPG [ 78.76 КБ | Переглядів: 12407 ]
_20211025_231551.JPG
_20211025_231551.JPG [ 123.73 КБ | Переглядів: 12407 ]
_20211025_231504.JPG
_20211025_231504.JPG [ 84.08 КБ | Переглядів: 12407 ]


Востаннє редагувалось Trabant E Drive 25 жовт 2021, 22:18, редаговано 1 раз.
Повернутися до початку
 Профіль  
Відповісти цитуючи  
 Заголовок повідомлення: Re: Trabant E Drive
#122828Повідомлення 25 жовт 2021, 10:04 
Творець електромобіля
Аватара користувача
Не в мережі

Звідки: Украина Киев
Дякував (ла) 28 Подякували 114
Мій електротранспорт: Trabant 601S electro в постройке
Остались мелочи. Центровочная деталь и потом намотка статора. Тихими зимними вечерами)))


Повернутися до початку
 Профіль  
Відповісти цитуючи  
 Заголовок повідомлення: Re: Trabant E Drive
#122863Повідомлення 27 жовт 2021, 08:17 
Творець електромобіля, член клубу
Не в мережі

Звідки: Жмеринка
Дякував (ла) 157 Подякували 689
Мій електротранспорт: Ел-Пежо 205 - 30000км ........ ..... Ел-FAW 6371 - 70000км
Красиво получается {!_!} (если заводы еще работают...)

_________________
Пробіг на Эл-Пежо 30 000км
Пробіг на єл-FAW 6371 60 000км


Повернутися до початку
 Профіль  
Відповісти цитуючи  
 Заголовок повідомлення: Re: Trabant E Drive
#122882Повідомлення 27 жовт 2021, 22:34 
Творець електромобіля
Аватара користувача
Не в мережі

Звідки: Украина Киев
Дякував (ла) 28 Подякували 114
Мій електротранспорт: Trabant 601S electro в постройке
Спасибо, это не завод. Токарь роботает в своей домашней мастерской.


Повернутися до початку
 Профіль  
Відповісти цитуючи  
 Заголовок повідомлення: Re: Trabant E Drive
#122888Повідомлення 28 жовт 2021, 11:40 
Творець електромобіля, член клубу
Не в мережі

Звідки: Жмеринка
Дякував (ла) 157 Подякували 689
Мій електротранспорт: Ел-Пежо 205 - 30000км ........ ..... Ел-FAW 6371 - 70000км
Trabant E Drive писав(ла):
Спасибо, это не завод. Токарь роботает в своей домашней мастерской.

{!_!} :bravo: Народ сумел обзавестись оборудованием - теперь добро творит!{!_!}

_________________
Пробіг на Эл-Пежо 30 000км
Пробіг на єл-FAW 6371 60 000км


Повернутися до початку
 Профіль  
Відповісти цитуючи  
 Заголовок повідомлення: Re: Trabant E Drive
#127325Повідомлення 17 черв 2022, 09:28 
Творець електромобіля
Аватара користувача
Не в мережі

Звідки: Украина Киев
Дякував (ла) 28 Подякували 114
Мій електротранспорт: Trabant 601S electro в постройке
Запчасти - где достать и чем заменить

Для каждого владельца Трабанта рано или поздно настает момент задуматься про запчасти для своей машины.
Здесь я хочу написать сайты где их можно достать а так же аналоги что чем можно заменить.
список периодически буду дописывать, по этому рекомендую периодически заходить в гости )
http://www.trabantwelt.de// мне нравится больше, как ценой так и ассортиментом.
http://www.ldm-tuning.de/en/ тоже неплохой ресурс но немного выше цены.
очень много запчастей осело в Польше. Посмотреть их можно на
http://www.olx.pl
allegro.pl
Там можно подобрать довольно неплохие детали за умеренную цену,
а дальше либо воспользоваться услугами фирм по доставке деталей из Польши, либо туризм.
часть деталей становится от Wartburg353 /1.3или VW Golf

Теперь немного слов про замену некоторых деталей.

Амортизаторы перед — ваз классика передние
Амортизаторы задние — Нива шевроле задние
Фильтр воздушный — Мотоцикл Днепр
Тормозные цилиндрики зад — Таврия, но надо будет немного доработать напильником посадочное место.
Резинка переднего и заднего стекла — Подходит от волги, но без стекольного герметика нормально герметичность не будет держать так как стекло получится немного меньше по размерам.
Уплотнитель дверей — Ваз
Диски 13 (4*160) — можно заменить на 14 (4*160) Неплохо будут смотреться от рено трафик 90г но надо убирать ширину и вылет по желанию так как не станут в задние арки, будут цеплять элементы задней подвески.
Зеркала — я колхозил. Китайские скутерные и старые родные крепления. Вышло неплохо позже покажу.
Фары — (стекло плюс рефлектор) Копейка либо Golf 1
Сайлентблоки передних рычагов — Те что ближе к подрамнику от Xonda те что дальше от китайских скутеров.
Подшипники цапфы — (если авто после 04.84г) то подойдут либо Golf 1 либо Ваз. так же это первый шаг к переходу на дисковые тормоза.
Ступицы — здесь аналогично (если авто после 04.84г) то подойдут либо Golf 1 либо Ваз.
Ручки дверей — (если авто после 04.84г) Wartburg353 /1.3 (есть возможность поставить обе с замком)
Спидометр — только в версии торпеды 1.1 становится от Wartburg353 /1.3


Повернутися до початку
 Профіль  
Відповісти цитуючи  
 Заголовок повідомлення: Re: Trabant E Drive
#127336Повідомлення 17 черв 2022, 21:52 
Активіст форуму
Аватара користувача
Не в мережі

Звідки: луганск-одесса
Дякував (ла) 56 Подякували 52
Мій електротранспорт: Nissan leaf
Хочу електротранспорт: Шоб заряжался швидше а проїзджал бiльше
Trabant E Drive писав(ла):
Фланец отменяется. Точнее отменяется вазовский. Тому причин не мало. Одна из них это полый вал и было решено оставить его в покое, но надолбать пазы под шпонку и нарезать резьбу под гайку. На том и порешали))) Размеры фланца меряли по родному, толщина лап осталась как в родном. Скорее всего надо будет подрезать резьбу вала после того как закрутится гайка но это будет видно по месту.
это на токарке на быстрой подаче долбили? Или на конкретно долбёжке?

_________________
Желающий создавать находит средства. Не желающий- причину


Повернутися до початку
 Профіль  
Відповісти цитуючи  
 Заголовок повідомлення: Re: Trabant E Drive
#127337Повідомлення 17 черв 2022, 22:19 
Творець електромобіля
Аватара користувача
Не в мережі

Звідки: Украина Киев
Дякував (ла) 28 Подякували 114
Мій електротранспорт: Trabant 601S electro в постройке
Хз, я отдавал мне делали.


Повернутися до початку
 Профіль  
Відповісти цитуючи  
 Заголовок повідомлення: Re: Trabant E Drive
#133642Повідомлення 29 лип 2023, 16:44 
Творець електромобіля
Аватара користувача
Не в мережі

Звідки: Украина Киев
Дякував (ла) 28 Подякували 114
Мій електротранспорт: Trabant 601S electro в постройке
С началом войны как то всё зависло на какое то время, да и сейчас активность немного меньше чем раньше. Спустя немного времени по немногу по мелочам начал делать разные роботы по машине. То приборку, то пороги с усилителем, то мотор. На сейчас мотор уже намотан но ещё не испытан. Остальные фото и видео испытаний добавлю немного позже.
Решил сперва намотать, потом прогнать по оборотам, а потом пропитывать.
Мотал проводом 0.75м 4витка 45жил. С завода был намотан 0.75мм 8 витков и 24 жилы.


Додаткові файли:
IMG-728decfb41bc9404045e0f9f70358de7-V.jpg
IMG-728decfb41bc9404045e0f9f70358de7-V.jpg [ 219.76 КБ | Переглядів: 10072 ]
IMG-60fecec2d239879040b911e6bb66ec1b-V.jpg
IMG-60fecec2d239879040b911e6bb66ec1b-V.jpg [ 246.55 КБ | Переглядів: 10072 ]
IMG-e32a844d28f51ba2667b0cc8c5aeee86-V.jpg
IMG-e32a844d28f51ba2667b0cc8c5aeee86-V.jpg [ 233.57 КБ | Переглядів: 10072 ]
IMG-1c4911afbc22934c5680d3ae142e3f1c-V.jpg
IMG-1c4911afbc22934c5680d3ae142e3f1c-V.jpg [ 232.4 КБ | Переглядів: 10072 ]
Повернутися до початку
 Профіль  
Відповісти цитуючи  
 Заголовок повідомлення: Re: Trabant E Drive
#133951Повідомлення 25 серп 2023, 19:46 
Творець електромобіля
Аватара користувача
Не в мережі

Звідки: Украина Киев
Дякував (ла) 28 Подякували 114
Мій електротранспорт: Trabant 601S electro в постройке
И так, долгожданные цифры.
Мотор по заводу намотан 8 витков. КV17-18 проводом 0.75 24 жилы
Первый раз его намотали в 4 витка и 48жил второй в 3 витка и 63 жилы проводом того же сечения. На
3 витка КV45. 4 витка КV33.7
Изначально хотел ставить батарею Lipo на 20s. Как показывает практика будет мало. 26-32s будет самое оно.
Итог. Проделаная робота того стоила. На все роботы плюс стоимость мотора было потрачено 23т грн (приблизительно 615у.е) по курсу нац банка.


Повернутися до початку
 Профіль  
Відповісти цитуючи  
 Заголовок повідомлення: Re: Trabant E Drive
#133967Повідомлення 26 серп 2023, 18:15 
Не в мережі

Звідки: Україна
Дякував (ла) 1653 Подякували 329
Мій електротранспорт: а ти чого, пацан, інтєрєсуєшся?
Trabant E Drive писав(ла):
Изначально хотел ставить батарею Lipo на 20s. Как показывает практика будет мало. 26-32s будет самое оно.

Погоджуся. Мені на заводській намотці і 84s не вистачає.


Повернутися до початку
 Профіль  
Відповісти цитуючи  
Показати повідомлення за:  Поле сортування  
Почати нову тему Відповісти на тему  [ Повідомлень: 76 ]              На сторінку Пред.  1, 2, 3, 4, 5, 6  Наступ.

Часовий пояс: UTC + 2 години


Хто зараз на конференції

Зараз цей форум переглядають: немає зареєстрованих користувачів і гості: 102


Ви не можете створювати нові теми
Ви не можете відповідати на повідомлення
Ви не можете редагувати свої повідомлення
Ви не можете видаляти свої повідомлення
Ви не можете додавати додаткові файли

Найти:
Створено на основі phpBB® Forum Software © phpBB Group