Поточний час: 30 жовт 2025, 19:17

Часовий пояс: UTC + 2 години



Почати нову тему Відповісти на тему  [ Повідомлень: 149 ]  На сторінку Пред.  1, 2, 3, 4, 5, 6, 7, 8 ... 10  Наступ.
Автор Повідомлення
#130311Повідомлення 28 лист 2022, 12:01 
Власник електровелосипеда
Не в мережі

Звідки: Київ Україна
Дякував (ла) 442 Подякували 623
Мій електротранспорт: Електровелосипед Заря Силач
Хочу електротранспорт: BYD
flygti писав(ла):
2. Нужно переосмыслить подход к аварийному резервированию. Переделать всю проводку в доме. Как минимум три линии:
.....1) Низковольтная для освещения напрямую от батареи (питать 3 лампочки по 7Ватт от инвертора с собственным потреблением 50Ватт просто глупо)
.....2) Розетки "средних" критически важных потребителей (насосы отопления, холодильник, компьютеры, микроволновка, кофемолка) ). Работа от инвертора. При неиспользовании отключать инвертор для сбережения энергии батареи.
.....3) Розетки "крупных" потребителей которые не подключены к ИБП. (бойлер, электрокотел, электрочайники, стиральная машина). Печально но их ничем не потянешь.
Холодильники, морозильники і бойлер можна просто вимкнути з розеток. Мікрохвильовкою, пралкою, чайником не користуватись. Кава мелена є. Ніяких проблем. Інвертор вмикати по розкладу, бо ХХ все висмокче. Ноутбуки, планшети, телефони споживають мало. Комп'ютер із інтегрованою графікою теж. Ігрові відеокарти нафіг, монітор яскравість на мінімум.
Мій роутер і загальнобудинковий споживають 40Вт. Комп'ютер і3 6100 іще 40Вт. Разом 80Вт.


Повернутися до початку
 Профіль  
Відповісти цитуючи  
#130338Повідомлення 29 лист 2022, 09:21 
Творець електромобіля
Не в мережі

Звідки: Одесса
Дякував (ла) 255 Подякували 139
Мій електротранспорт: Пежо Боксер
Хочу електротранспорт: уже имею
У каждого свои хотелки автономии.
У меня 2 холодильника, котел газовый, освещение, тв, инет.
1.5 суток работало.

_________________
не говорите, что мне делать - я не скажу куда вам идти


Повернутися до початку
 Профіль  
Відповісти цитуючи  
#130342Повідомлення 29 лист 2022, 11:39 
Власник електровелосипеда
Не в мережі

Звідки: Украина Киев
Дякував (ла) 8 Подякували 118
Мій електротранспорт: 2WD планетарный полный привод е-велосипед
Хочу електротранспорт: Tesla M3 4WD
У кого в домах газ,еще не испытали настоящего блекаута. Ведь можно топить газовой плитой и готовить еду в любое время. А у кого нет газа? Все электро. Это полное средневековье с подсветкой-отоплением факелами каменных крепостей.


Повернутися до початку
 Профіль  
Відповісти цитуючи  
#130345Повідомлення 29 лист 2022, 12:34 
Власник електровелосипеда, член клубу
Аватара користувача
Не в мережі

Звідки: Суми
Дякував (ла) 275 Подякували 222
Мій електротранспорт: Leopard 3000W.
Den Tumanov писав(ла):
У кого в домах газ,еще не испытали настоящего блекаута. Ведь можно топить газовой плитой и готовить еду в любое время. А у кого нет газа? Все электро. Это полное средневековье с подсветкой-отоплением факелами каменных крепостей.

не все так сумно. є варіант купити газову плиту, можно типа таганок на два пальники, балон під пропан, шланг і редуктор. балон на заправці можно заправляти. буде і їжа, і в якісь мірі тепло.
я наприклад купив таганок на один пальник і підключив до газової мережі. у мене індукційна плита, але коли немає світла користуюсь газом.

_________________
Цю штуку я завжди беру в подорожі


Повернутися до початку
 Профіль  
Відповісти цитуючи  
#130365Повідомлення 30 лист 2022, 00:22 
Творець електромобіля, член клубу
Аватара користувача
Не в мережі

Звідки: Київ
Дякував (ла) 163 Подякували 407
Мій електротранспорт: Chevrolet Volt 2014,Chevrolet Bolt 2017
Хочу електротранспорт: Tesla Model S
flygti писав(ла):
Как пережили модное слово "блэкаут"? ))) {---}
Моя система показала на не то чтобы полную, но все-таки несостоятельность. 6кВтч это хорошо для веерных 4 часов со снижением потребления и ничто для 48 часов без электроэнергии. Пришлось докручивать бензогенератором а он у меня очень маленький(.

Выводов много и все они печальные.
1. Никакого АКБ не хватит надолго. Насколько долго никто не знает.

2. Нужно переосмыслить подход к аварийному резервированию. Переделать всю проводку в доме. Как минимум три линии:
.....1) Низковольтная для освещения напрямую от батареи (питать 3 лампочки по 7Ватт от инвертора с собственным потреблением 50Ватт просто глупо)
.....2) Розетки "средних" критически важных потребителей (насосы отопления, холодильник, компьютеры, микроволновка, кофемолка) ). Работа от инвертора. При неиспользовании отключать инвертор для сбережения энергии батареи.
.....3) Розетки "крупных" потребителей которые не подключены к ИБП. (бойлер, электрокотел, электрочайники, стиральная машина). Печально но их ничем не потянешь.

3. Генератор и запас топлива обязательно.

4. Если нет газа и отопление электрическое то обязательна также и резервная система теплоснабжения.

В общем нужно все опять переделывать. :mrgreen:

для мене найбільша проблема-накачати воду із свердловини, використовую ДБЖ на 3кВт, але трансформатири гріються навіть в холостому режимі до 80 градусів, схоже упс не призначений для довготривалої роботи, треба колхозити вентилятори туди. Від нього працює і індукційна плита, але найбільша проблема-опалення коли воно електричне. Є ідея врізати дизельну вебасту в систему опалення, але є багато "але" з цього приводу.

_________________
загальний пробіг на електротязі більше 200 тис.км км
http://electroavtosam.com.ua/forums/viewtopic.php?f=28&t=184


Повернутися до початку
 Профіль  
Відповісти цитуючи  
#130375Повідомлення 01 груд 2022, 01:00 
Активіст форуму
Не в мережі

Звідки: Dnepr
Дякував (ла) 1 Подякували 22
я не знаю, в каком месте той же лнр вы нашли блэкауты. Может немного было в 14 году. А грибков под кухонными окнами в пятиэтажках там много, только это выхлоп газовых котлов отопления.
Не вижу смысла делать шкаф-холодильник на кухне при наличии балкона/лоджии. Видел такой шкафчик в малосемейке в Днепре много лет назад.
Сам на днях сделал холодильник из старого серванта в неотапливаемой летней кухне.


Повернутися до початку
 Профіль  
Відповісти цитуючи  
#130420Повідомлення 05 груд 2022, 00:32 
Власник електровелосипеда
Не в мережі

Звідки: Київ Україна
Дякував (ла) 442 Подякували 623
Мій електротранспорт: Електровелосипед Заря Силач
Хочу електротранспорт: BYD
При використанні автомобільного акумулятора для резервного живлення рекомендують знижувати щільність електроліту поскільки акумулятор стоїть в теплому приміщенні. При меншій щільності знижується сульфатація пластин. Також знижувати напругу заряду щоб не було кипіння і газовиділення.
Додаткові файли:
АКБ котла.JPG
АКБ котла.JPG [ 50.44 КБ | Переглядів: 10808 ]


Повернутися до початку
 Профіль  
Відповісти цитуючи  
#130431Повідомлення 05 груд 2022, 20:33 
Власник електровелосипеда, член клубу
Аватара користувача
Не в мережі

Звідки: Суми
Дякував (ла) 275 Подякували 222
Мій електротранспорт: Leopard 3000W.
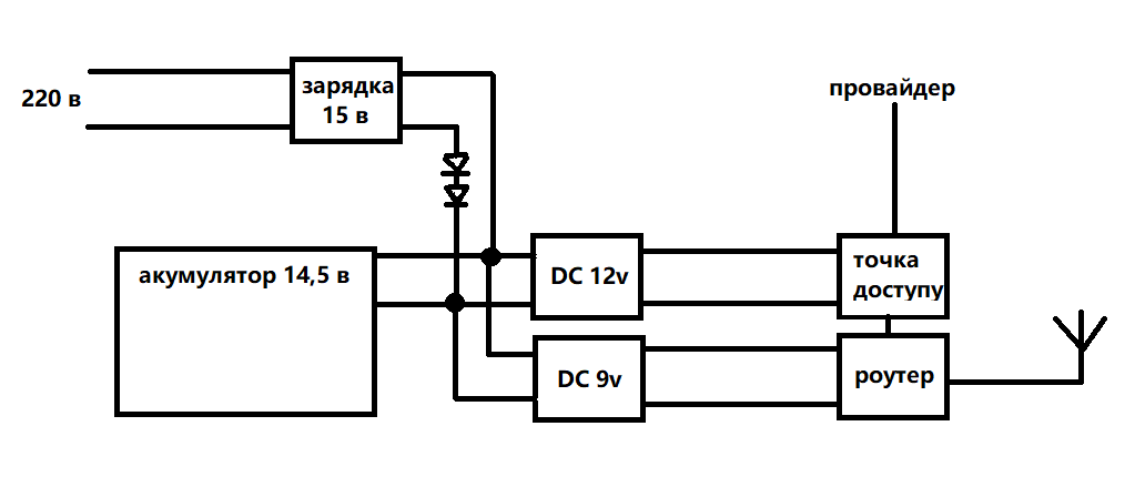
може кому стане в нагоді:
у мене для доступу до інтернет стоїть точка доступу напругою 12в, і роутер що роздає вай-фай на 9 в. інтернет- оптоволокно і лінія працює якщо навіть електроенергії в р-ні немає. залишається тільки дати напругу на точку доступу і роутер.
є тітанатовий аккумулятор 6с 15 а*ч. від мого байка. його максимальна напруга 17в і мінімум 9в.
поставив 2 сд-шки знижуючі від акумулятора в паралель. одну налаштував на 9 другу на 12 в і підключив до вище зазначених приборів. перед цим їхні блоки живлення відключив.
для зарядки акумулятора знайшлося зарядне на 15 в., поставив пару діодів для зменшення напруги до 14,5 в, і підключив акумулятор до зарядки на постійній основі. тобто зарядка постійно дає напругу на акумулятор який в цей момент виступає як буферна ємність. далі через сд-шки живить роутер і точку доступу. в підсумку у мене інтернет не відключається при відключенні електроенергії. так як напруга починає підходити від акумулятора. в моменти наявності електроенергії в мережі, аккумулятор автоматично заряджається. акумулятор працює десь в середні точці по напрузі, для нього така робота не критична. він в такому режимі працює на мотоциклі постійно.
роутер і точка доступу мають дуже низьке споживання і акумулятор майже не втрачає ємність в моменти відсутності електроенергії і швидко відновлюється при її наявності в мережі.
розумію багатьом це зрозуміло і без мене, але люди є різні. для них я ще і малюнок намалював)


Додаткові файли:
1111111.png
1111111.png [ 11.8 КБ | Переглядів: 10753 ]

_________________
Цю штуку я завжди беру в подорожі
Повернутися до початку
 Профіль  
Відповісти цитуючи  
#130520Повідомлення 12 груд 2022, 10:59 
Творець електромобіля
Аватара користувача
Не в мережі

Звідки: Ужгород
Дякував (ла) 16 Подякували 100
Мій електротранспорт: Електромопед Альфа
Приїхав і мені синусний інвертор на 60V 2000W. Зроблений добротно, розміри внушаючі - ДхШхВ 40х18х7,5 см. Підключивши до акумулятора від електричного трайку 60V 50Ah (16S). Трішки потестив).

На зарядженому акумуляторі, інвертор на холостому ходу (ХХ) споживає ~20W (0,3A). Котел (Immergas Eolo Star 24) при запуску споживає 115W, робота насоса 75W, в режимі очікуванні котла, споживання складає 2W. Споживання інвертора від акумулятора під час роботи з даним газовим котлом ~3А. При підключенні електрочайника на 1500W, інвертор споживає від акумулятора - 23A, навантаженність інвертора 80%, працював без включення вентиляторів, що свідчить про запас потужності. Як правило, якщо інвертор на більшу вхідну напругу, тим нижчий струм споживання інвертора від самого акумулятора. Також порадував пульт ДК, зручно включати та виключати інвертор. Працює з любого кутка кімнати не обов’язково направляти на інвертор. На дисплеї відображається заряд самого акумулятора – 5 поділок підписаних у % 100, 80, 60, 40, 20. Напруги: вх/вихід – почергово відображаються, а також навантаженність інвертора та потужність споживаючих пристроїв. Дисплей читається добре, тільки під прямим кутом. Різниця відображення напруги між дисплеєм інвертора та дисплеєм смарт БМС. Інвертор 66.2V, смарт БМС - 66.1V.


Додаткові файли:
Screenshot_20221212-103821.png
Screenshot_20221212-103821.png [ 1.26 МБ | Переглядів: 10616 ]
Screenshot_20221212-103713.png
Screenshot_20221212-103713.png [ 1.79 МБ | Переглядів: 10616 ]
Screenshot_20221212-103628.png
Screenshot_20221212-103628.png [ 1.45 МБ | Переглядів: 10616 ]
Screenshot_20221212-103644.png
Screenshot_20221212-103644.png [ 1.64 МБ | Переглядів: 10616 ]
Screenshot_20221212-103700.png
Screenshot_20221212-103700.png [ 1.6 МБ | Переглядів: 10616 ]
Screenshot_20221212-103459.png
Screenshot_20221212-103459.png [ 99.44 КБ | Переглядів: 10616 ]
Screenshot_20221212-103509.png
Screenshot_20221212-103509.png [ 333.57 КБ | Переглядів: 10616 ]
Screenshot_20221212-103447.png
Screenshot_20221212-103447.png [ 89.11 КБ | Переглядів: 10616 ]
Screenshot_20221212-103344.png
Screenshot_20221212-103344.png [ 1.18 МБ | Переглядів: 10616 ]
Screenshot_20221212-104200.png
Screenshot_20221212-104200.png [ 1.25 МБ | Переглядів: 10616 ]
Screenshot_20221212-104140.png
Screenshot_20221212-104140.png [ 785.66 КБ | Переглядів: 10616 ]
Повернутися до початку
 Профіль  
Відповісти цитуючи  
#130522Повідомлення 12 груд 2022, 16:51 
Активіст форуму
Аватара користувача
Не в мережі

Звідки: луганск-одесса
Дякував (ла) 48 Подякували 52
Мій електротранспорт: Nissan leaf
Хочу електротранспорт: Шоб заряжался швидше а проїзджал бiльше
Шо він коштував цей інвертор 60v/2000w?

_________________
Желающий создавать находит средства. Не желающий- причину


Повернутися до початку
 Профіль  
Відповісти цитуючи  
#130523Повідомлення 12 груд 2022, 17:20 
Власник електровелосипеда
Не в мережі

Звідки: Київ Україна
Дякував (ла) 442 Подякували 623
Мій електротранспорт: Електровелосипед Заря Силач
Хочу електротранспорт: BYD
Zevs0812 писав(ла):
Приїхав і мені синусний інвертор на 60V 2000W. Зроблений добротно, розміри внушаючі - ДхШхВ 40х18х7,5 см. Підключивши до акумулятора від електричного трайку 60V 50Ah (16S). Трішки потестив).
Який діапазон вхідних напруг в цього інвертора? Як заряджаєте акум, окремо чи інвертор із зарядкою?


Повернутися до початку
 Профіль  
Відповісти цитуючи  
#130524Повідомлення 12 груд 2022, 17:43 
Творець електромобіля
Аватара користувача
Не в мережі

Звідки: Ужгород
Дякував (ла) 16 Подякували 100
Мій електротранспорт: Електромопед Альфа
прагматик писав(ла):
Шо він коштував цей інвертор 60v/2000w?

На момент замовлення ~9000 грн.


Повернутися до початку
 Профіль  
Відповісти цитуючи  
#130525Повідомлення 12 груд 2022, 18:36 
Творець електромобіля
Аватара користувача
Не в мережі

Звідки: Ужгород
Дякував (ла) 16 Подякували 100
Мій електротранспорт: Електромопед Альфа
Leon29 писав(ла):
Який діапазон вхідних напруг в цього інвертора? Як заряджаєте акум, окремо чи інвертор із зарядкою?

Діапазону по вхідній напрузі немає. У Продавця - інвертори на фіксовану вхідну напругу, а саме: 12, 24, 36, 48, 60, 72 В, також можна під замовлення на іншу вхідну напругу. І по потужності в нього вони на 1000, 1500, 2000 Вт це номінал і пік 2000, 3000, 4000 Вт відповідно. Зарядку акумулятора, інвертор не підтримує, принаймі цей, що в мене на 60В 2000Вт. На першому фото видно, заряджаю ЗП окремо.


Повернутися до початку
 Профіль  
Відповісти цитуючи  
#130526Повідомлення 12 груд 2022, 20:35 
Активіст форуму
Аватара користувача
Не в мережі

Звідки: луганск-одесса
Дякував (ла) 48 Подякували 52
Мій електротранспорт: Nissan leaf
Хочу електротранспорт: Шоб заряжался швидше а проїзджал бiльше
Панове, в кого на сонячних панелях стоїть makeskiblue до вас питаннячко чи треба там як по схемі двохполюсні автомати та якщо так то якого номіналу. Контролер 30а то мабуть треба й автомати на 32 чи як?


Додаткові файли:
Screenshot_20221212_202537.png
Screenshot_20221212_202537.png [ 266.56 КБ | Переглядів: 10545 ]

_________________
Желающий создавать находит средства. Не желающий- причину
Повернутися до початку
 Профіль  
Відповісти цитуючи  
#130542Повідомлення 13 груд 2022, 22:10 
Власник електровелосипеда
Не в мережі

Звідки: Lviv
Дякував (ла) 22 Подякували 61
Мій електротранспорт: 1квт евел
Автомати на СП та акум? Всі розказують, що не можна бмс ставить, бо коли вона відключить акум, то інвертор згорить
а щодо СП - так на самому конекторі написано do not open under load


Повернутися до початку
 Профіль  
Відповісти цитуючи  
Показати повідомлення за:  Поле сортування  
Почати нову тему Відповісти на тему  [ Повідомлень: 149 ]              На сторінку Пред.  1, 2, 3, 4, 5, 6, 7, 8 ... 10  Наступ.

Часовий пояс: UTC + 2 години


Хто зараз на конференції

Зараз цей форум переглядають: немає зареєстрованих користувачів і гості: 10


Ви не можете створювати нові теми
Ви не можете відповідати на повідомлення
Ви не можете редагувати свої повідомлення
Ви не можете видаляти свої повідомлення
Ви не можете додавати додаткові файли

Найти:
Створено на основі phpBB® Forum Software © phpBB Group