Поточний час: 18 груд 2025, 20:50

Часовий пояс: UTC + 2 години



Почати нову тему Відповісти на тему  [ Повідомлень: 5 ] 
Автор Повідомлення
 Заголовок повідомлення: Зібрав таймер-розетку
#136027Повідомлення 23 бер 2024, 01:49 
Власник електровелосипеда, член клубу
Аватара користувача
Не в мережі

Звідки: Запорожье
Дякував (ла) 297 Подякували 1094
Мій електротранспорт: >
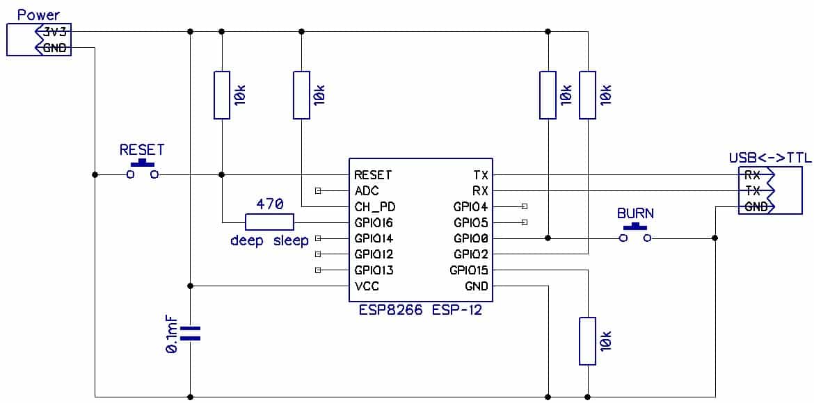
Зібрав собі програмований таймер-розетку для заряджання буферної батареї тільки по нічному тарифу (а можна і для чогось іньшого, наприклад бак бойлера по нічному тарифу гріти, або світло розсаді чи курям вмикати). Проект сам не писав, взяв готовий по ссилці https://github.com/Araris/VersatileTimer . Проект під ардуіно для дешевого ESP8266(вони ESP-12 в мене вже були). В якості донора в мене були кілька бездротових розеток з вбудованими релюхами від яких загубився пульт. В программі можна коммутувати не одне навантаження і програмувати купу завдань, для подробиць листайте на гитхабі вниз, там є частина російською.

З того що треба знати, після скачування та роспаковки архіву папку с файлами треба переіменувати в AVVersatileTimer (щоб співпадало з назвою скетчу). Програмується воно підключаючись до USB-UART. Для программування ногу GPIO0 краще припаяти на мінус живлення, бо підключення її на DTR в мене не спрацювало. Ось схема підключення до програматора, резистори напаяв на модуль назавжди, вони там потрібні не лише для програмування.
Додаткові файли:
scheme-full.jpg
scheme-full.jpg [ 26.58 КБ | Переглядів: 7859 ]
В мене на модулі ESP-12 переплутані місцями виводи GPIO4 і GPIO5, рекомендую один з них для включення реле(вибор ноги управління на веб сторінці налаштувань). Бібліотеку EEPROMRingCounter рекомендую підключити до проекту як зіп папку(є така опція в ардуіно), а файли бібліотеки з корня проекту видалити(бо в мене з за того ругалося).

І треба не забути зробити в корні файлик Secrets.h в якому прописати ім'я вашої вайфай точки доступу і пароль, щоб воно налаштувало свій годинник через інтернет і дозволило зайти на сторінку для налаштувань.
#define AP_SSID "XXX"
#define AP_PASS "XXXXXXXX"
По граблях вроді все.

Один працює вже три дні, і ще зробив 3 штуки про всяк випадок.
Думаю ще один багатоканальний низьковольтий зробити(для нагрузок від аккумулятора).
А ще, тому що відкритий код, можна самому ще якісь функціонал дописати.

_________________
2 моноколеса, 2 электровела, 2 подводных буксира, надувной электро-каяк.


Повернутися до початку
 Профіль  
Відповісти цитуючи  
 Заголовок повідомлення: Re: Зібрав таймер-розетку
#136031Повідомлення 23 бер 2024, 10:02 
Творець електромобіля, член клубу
Не в мережі

Звідки: Жмеринка
Дякував (ла) 156 Подякували 685
Мій електротранспорт: Ел-Пежо 205 - 30000км ........ ..... Ел-FAW 6371 - 70000км
...Від ардуїно я відстав мабудь назавжди(набор придбав біля 10років тому, так і не освоїв), а готовим "програматором" ночного таріфу користуюсь ще раніш.


Додаткові файли:
изображение_viber_2024-03-23_10-00-35-897.jpg
изображение_viber_2024-03-23_10-00-35-897.jpg [ 243.91 КБ | Переглядів: 7837 ]

_________________
Пробіг на Эл-Пежо 30 000км
Пробіг на єл-FAW 6371 60 000км
Повернутися до початку
 Профіль  
Відповісти цитуючи  
 Заголовок повідомлення: Re: Зібрав таймер-розетку
#136033Повідомлення 23 бер 2024, 10:25 
Власник електровелосипеда, член клубу
Аватара користувача
Не в мережі

Звідки: Запорожье
Дякував (ла) 297 Подякували 1094
Мій електротранспорт: >
Вас програми для тієї ардуіни писати ніхто не заставляє (я теж не дуже вмію), встановили, підпаялися, нажали кнопочку і воно зібралося і залилося. Про можливі супутні ньюанси я написав. Не виходить в тих хто не пробує.

А те що є готові рішення і так зрозуміло, тільки ось ціна на платку з ESP8266(з вайфаєм на борту) зараз меньше доллара, і маємо таймер на сто завдань з управлінням хоч с телефону, комп'ютера, або з іньшої точки світу (настроївши доступ на роутері), це той пост для тих хто хоче з'економити + руки ростуть хоч трохи звідки треба щоб отримати функціоналу на ціну більше ніж вкладено. Для тих хто від того відстав і є зайві гроші є іньші теми, про те де придбати готове (нагадаю що ми на форумі саморобників). А як що спробували і щось не вийшло, то ця тема як раз для того і створена, щоб можна було спитати поради в того в кого вийшло.

_________________
2 моноколеса, 2 электровела, 2 подводных буксира, надувной электро-каяк.


Повернутися до початку
 Профіль  
Відповісти цитуючи  
 Заголовок повідомлення: Re: Зібрав таймер-розетку
#136035Повідомлення 23 бер 2024, 13:27 
Творець електромобіля, член клубу
Не в мережі

Звідки: Жмеринка
Дякував (ла) 156 Подякували 685
Мій електротранспорт: Ел-Пежо 205 - 30000км ........ ..... Ел-FAW 6371 - 70000км
Так, згоден з вами, але програмування навідь у ВУЗі не тянуло, хтілось паяти....

_________________
Пробіг на Эл-Пежо 30 000км
Пробіг на єл-FAW 6371 60 000км


Повернутися до початку
 Профіль  
Відповісти цитуючи  
 Заголовок повідомлення: Re: Зібрав таймер-розетку
#136047Повідомлення 24 бер 2024, 12:18 
Активіст форуму
Не в мережі

Звідки: Lutsk
Дякував (ла) 2 Подякували 35
тут хіба спортивний інтерес виправданий, бо у китайців готові рішення з релюшками на 16-20А вартують всього 2-5$, і в два кліка інтегруються у Google Home Assistant, Amazon Alexa, Tuya, мають таймери\графіки\лічильники ЕЕ і тд...


Повернутися до початку
 Профіль  
Відповісти цитуючи  
Показати повідомлення за:  Поле сортування  
Почати нову тему Відповісти на тему  [ Повідомлень: 5 ]             

Часовий пояс: UTC + 2 години


Хто зараз на конференції

Зараз цей форум переглядають: немає зареєстрованих користувачів і гості: 11


Ви не можете створювати нові теми
Ви не можете відповідати на повідомлення
Ви не можете редагувати свої повідомлення
Ви не можете видаляти свої повідомлення
Ви не можете додавати додаткові файли

Найти:
Створено на основі phpBB® Forum Software © phpBB Group