Поточний час: 05 трав 2026, 10:27

Часовий пояс: UTC + 2 години



Почати нову тему Відповісти на тему  [ Повідомлень: 26 ]  На сторінку 1, 2  Наступ.
Автор Повідомлення
#40291Повідомлення 06 серп 2017, 16:00 
Творець електромобіля
Аватара користувача
Не в мережі

Звідки: Германия, Дюссельдорф
Дякував (ла) 331 Подякували 938
Мій електротранспорт: Citroen Saxo, Renault Kangoo Electrcity, Elect'road & Cleanova II Plus
Хочу обсудить довольно интересную тему балансировки ячеек, например при замене 12В СК АКБ на 4S LiFePO.

Примером служит это видео:




Если использовать ту же TL431 где решающие 2,5В, думаю можно сделать делитель напряжения, для лиферных 3,6В, т.е. подпаять (если мои расчеты верны) резистор R3 номиналом около 1,2кОм, а подстроечником вообще можно получается задавать порог срабатывания балансировки.

Додаткові файли:
тл431.jpg
тл431.jpg [ 118.74 КБ | Переглядів: 11033 ]


Зображення

В комментариях под видео, автор и другие люди писали выбор транзистора не имеет строгих ограничений и для токов по больше можно использовать КТ818.

Напомню, что с КТ816А и радиатором, ток балансировки при следующем напряжении между 1 и 2 ногой TL431:
ниже и равно 2,5В = 0мА;
при 2,52В = 20мА;
при 2,59В = 170мА;
при 2,71B = 460мА;
при 2,82B = 730мА.

С уважением,

Александр.

Между TL431 и базой транзистора для безопасной эксплуатации необходимо включить резистор (смотри ниже) для ограничения тока.
Админ.

_________________
кВт•ч≠кВт≠кВт/ч

Проехал на электротяге
25 000 км

Мы не унаследовали планету Земля у наших отцов, мы отбираем ее у наших детей!


Повернутися до початку
 Профіль  
Відповісти цитуючи  
#40295Повідомлення 06 серп 2017, 17:25 
Власник електровелосипеда
Не в мережі

Звідки: Киев
Дякував (ла) 243 Подякували 617
Мій електротранспорт: Ё
В данной схеме вся лишняя энергия рассеивается на транзисторе.
С точки зрения надежность и схемотехнической правильности , это должен делать резистор, а транзистор выполнять роль ключа.

_________________
Э-вел,3 кВт Quanshun,Келли 200А,ли-ион,3.2кВтЧ,(LG 48АЧ, 21S) , max 75 км\ч, > 60 000 км


Повернутися до початку
 Профіль  
Відповісти цитуючи  
#40299Повідомлення 06 серп 2017, 18:45 
Творець електромобіля
Аватара користувача
Не в мережі

Звідки: Германия, Дюссельдорф
Дякував (ла) 331 Подякували 938
Мій електротранспорт: Citroen Saxo, Renault Kangoo Electrcity, Elect'road & Cleanova II Plus
Для этого и обсуждаем. Переделать схему можете?

С уважением,

Александр.

_________________
кВт•ч≠кВт≠кВт/ч

Проехал на электротяге
25 000 км

Мы не унаследовали планету Земля у наших отцов, мы отбираем ее у наших детей!


Повернутися до початку
 Профіль  
Відповісти цитуючи  
#40301Повідомлення 06 серп 2017, 18:54 
Власник електровелосипеда
Аватара користувача
Не в мережі

Звідки: Ternopil
Дякував (ла) 83 Подякували 630
Завести с выхода ключа на вход стабилитрона петлю гистерезиса через высокоомный резистор, и транзистор будет работать в ключевом режиме. Вместо резистора можно хоть лампочки на 6 вольт от мото использовать. Будет заодно тёплая ламповая индикация )

_________________
моя Smart BMS


Повернутися до початку
 Профіль  
Відповісти цитуючи  
#40304Повідомлення 06 серп 2017, 20:21 
Site Admin
Аватара користувача
Не в мережі

Звідки: город Киев
Дякував (ла) 423 Подякували 1180
Мій електротранспорт: Nissan Leaf
irde писав(ла):
В данной схеме вся лишняя энергия рассеивается на транзисторе.
С точки зрения надежность и схемотехнической правильности , это должен делать резистор, а транзистор выполнять роль ключа.

А я вот тоже сторонник транзистор греть.
Потому как это практичней (меньше деталей), и дешевле.

_________________
Чем скуднее знания, тем категоричней суждения.

"Глупцы все, кто глупцами кажутся и половина тех, что не кажется". (Бальтасар Грасиан)


Повернутися до початку
 Профіль  
Відповісти цитуючи  
#40310Повідомлення 06 серп 2017, 21:01 
Власник електровелосипеда
Не в мережі

Звідки: Киев
Дякував (ла) 243 Подякували 617
Мій електротранспорт: Ё
ДядяВася писав(ла):
irde писав(ла):
В данной схеме вся лишняя энергия рассеивается на транзисторе.
С точки зрения надежность и схемотехнической правильности , это должен делать резистор, а транзистор выполнять роль ключа.

А я вот тоже сторонник транзистор греть.
Потому как это практичней (меньше деталей), и дешевле.


Практичность и дешевлесть когда нибудь может вылезти боком.
Но будет поздно, ячейка будет угроблена.

У меня такой балансир

http://cxem.net/pitanie/5-295.php

только для наглядности его работы , я его дополнил светодиодом , подключенным параллельно R7 , через токоогр. резистор.

Да , он сложнее , но он того стоит.

_________________
Э-вел,3 кВт Quanshun,Келли 200А,ли-ион,3.2кВтЧ,(LG 48АЧ, 21S) , max 75 км\ч, > 60 000 км


Повернутися до початку
 Профіль  
Відповісти цитуючи  
#40318Повідомлення 07 серп 2017, 06:43 
Творець електромобіля, член клубу
Аватара користувача
Не в мережі

Звідки: Dніпропетровськ
Дякував (ла) 409 Подякували 490
Мій електротранспорт: ЗАЗ-968А, SUZUKI Carry.
У меня подобная схема. Только транзисторы мощнее, установлены на радиаторах от ПК. Стоят вне АКБ. Зимой, при зарядке, можно обогревать небольшую комнату. 8)

_________________
"...я мзду не беру, мне за державу обидно..."


Повернутися до початку
 Профіль  
Відповісти цитуючи  
#40320Повідомлення 07 серп 2017, 07:18 
Власник електровелосипеда, член клубу
Аватара користувача
Не в мережі

Звідки: Запорожье
Дякував (ла) 298 Подякували 1099
Мій електротранспорт: >
ДядяВася писав(ла):
irde писав(ла):
В данной схеме вся лишняя энергия рассеивается на транзисторе.
С точки зрения надежность и схемотехнической правильности , это должен делать резистор, а транзистор выполнять роль ключа.

А я вот тоже сторонник транзистор греть.
Потому как это практичней (меньше деталей), и дешевле.

Это дороже, так как транзистор работающий на таком токе в линейном режиме будет в разы дороже чем ключевой. Тем более цементированные резисторы, в отличии от транзисторов, позволяют держать на себе гораздо бОльшую температуру, а значит способны больше отводить с еденицы площади (компактнее размеры, и надежнее по перегреву). К тому же схема с резистором имеет полезное ограничение максимального тока (номиналом резистора), а просто транзистор с повышением напряжения на ячейке будет повышать ток пока не сгорит (если не поставить ему в базу ограничительный резистор индивидуально подобранный под коэфициент усиления транзистора, гемор ).
К тому же в схему без резистора просто так гистерезис не введешь, а по опыту гистерезисные балансиры балансируют быстрее.

_________________
2 моноколеса, 2 электровела, 2 подводных буксира, надувной электро-каяк.


Повернутися до початку
 Профіль  
Відповісти цитуючи  
#40322Повідомлення 07 серп 2017, 09:12 
Творець електромобіля, засновник клубу
Аватара користувача
Не в мережі

Звідки: Украина. Киев. †.
Дякував (ла) 872 Подякували 1389
Мій електротранспорт: "Электра 2"
Хочу електротранспорт: "Электра 3" вдвое легче, но с втрое бОльшим солнцеобеспечением
mr.Dream писав(ла):
Завести с выхода ключа на вход стабилитрона петлю гистерезиса через высокоомный резистор, и транзистор будет работать в ключевом режиме. Вместо резистора можно хоть лампочки на 6 вольт от мото использовать. Будет заодно тёплая ламповая индикация )

И кстати, 6 вольтовые лампочки вместо шунтирующих сопротивлений -ПРЕКРАСНАЯ ИДЕЯ . Для разных мощностей может быть 2 -3 патрончика. ( я не догадался и потому проволочные сопротивления мотал)...............................
....И ещё : - ненадёжность работы балансиров с 5 и+ омными шунтирующим сопротивлением в том, что, даже сработав такой балансир уменьшает, но не прекращает заряда ячейки. Значит , не гарантирует от перезаряда. ............... Потому то и случаются ЧП, при зарядке на ночь..................
Потому мои балансиры и имеют сопротивления по 0,5 ома.


Повернутися до початку
 Профіль  
Відповісти цитуючи  
#40327Повідомлення 07 серп 2017, 09:48 
Творець електромобіля
Аватара користувача
Не в мережі

Звідки: Германия, Дюссельдорф
Дякував (ла) 331 Подякували 938
Мій електротранспорт: Citroen Saxo, Renault Kangoo Electrcity, Elect'road & Cleanova II Plus
Михалыч писав(ла):
Значит , не гарантирует от перезаряда. ............... Потому то и случаются ЧП, при зарядке на ночь..................

Мы же рассматриваем только балансир, ток балансировки которого, превышает существенно ток БМС для 4s с балансирами. Использовать такой балансир конечно же только в паре с БМС, т.к., даже если бы была 100% гарантия от перезаряда, нужна же еще защита от переразряда ;)

С уважением,

Александр.

_________________
кВт•ч≠кВт≠кВт/ч

Проехал на электротяге
25 000 км

Мы не унаследовали планету Земля у наших отцов, мы отбираем ее у наших детей!


Повернутися до початку
 Профіль  
Відповісти цитуючи  
#50263Повідомлення 19 січ 2018, 19:58 
Творець електромобіля, член клубу
Не в мережі

Звідки: Запорожье
Дякував (ла) 1028 Подякували 324
Мій електротранспорт: электровелосипед 500Вт 55В, 350Вт 24В, электроЗАЗ-965
просто в сети нашел. может пригодится кому азбука балансировки
http://cxem.net/pitanie/5-295.php#comment-63880
Зображення


Повернутися до початку
 Профіль  
Відповісти цитуючи  
#50275Повідомлення 20 січ 2018, 00:59 
Аватара користувача
Не в мережі

Звідки: Киев, Украина
Дякував (ла) 23 Подякували 17
Хочу електротранспорт: летающий электробиль
Предложенная автором схема работоспособна. Преимущество ее в динамическом токе балансировки. Недостаток в следующем: если подать от зарядного ток, превышающий максимальный ток мощного транзистора, - последний выгорает. Проходящий через него ток составляет = ток зарядного + ток балансировки. Там происходят сложные процессы через этот транзистор.
Эта схема ограничивает зарядный ток.


Повернутися до початку
 Профіль  
Відповісти цитуючи  
#50277Повідомлення 20 січ 2018, 09:12 
Site Admin
Аватара користувача
Не в мережі

Звідки: город Киев
Дякував (ла) 423 Подякували 1180
Мій електротранспорт: Nissan Leaf
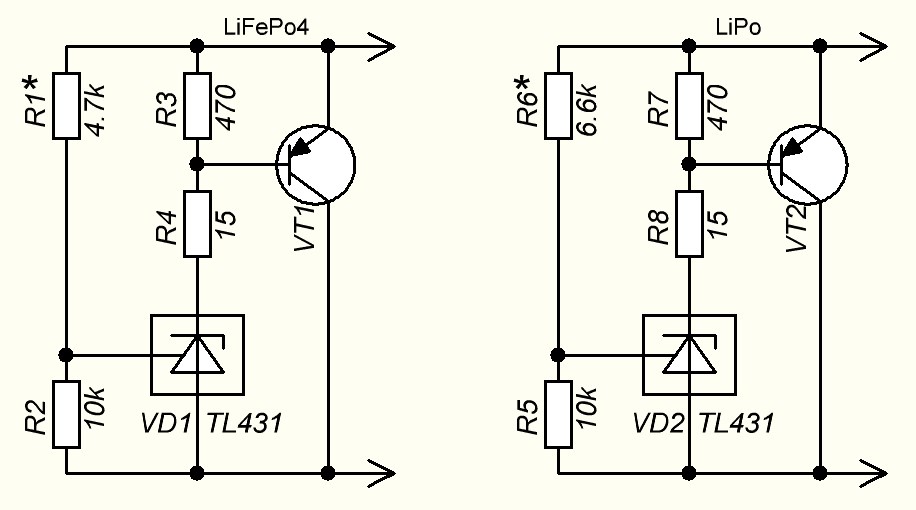
Там отсутствует ограничение тока TL-ки, возможен перегрев и пробой, со всеми вытекающими...
Правильно так:


Додаткові файли:
LiFePo4 _balans1aa.jpg
LiFePo4 _balans1aa.jpg [ 58.61 КБ | Переглядів: 10650 ]

_________________
Чем скуднее знания, тем категоричней суждения.

"Глупцы все, кто глупцами кажутся и половина тех, что не кажется". (Бальтасар Грасиан)
Повернутися до початку
 Профіль  
Відповісти цитуючи  
#50278Повідомлення 20 січ 2018, 09:13 
Власник електромобіля
Не в мережі

Звідки: Марьинка
Дякував (ла) 405 Подякували 346
Хочу електротранспорт: Kia soul ev, но ищу лифа или зою
собирал данную схему для литийполимера "монстров", работала отлично,только делителем подобрал порог включения 4.19в, для наглядности поцепил паралельно нагрузочному сопротивлению светодиод с резистором.правда пользовался раза три, сейчас батарея работает отлично без балансировки.


Повернутися до початку
 Профіль  
Відповісти цитуючи  
#50279Повідомлення 20 січ 2018, 09:44 
Site Admin
Аватара користувача
Не в мережі

Звідки: город Киев
Дякував (ла) 423 Подякували 1180
Мій електротранспорт: Nissan Leaf
Работает отлично - можно сказать после того, как устройство реально поправило разбалансированную батарею.

_________________
Чем скуднее знания, тем категоричней суждения.

"Глупцы все, кто глупцами кажутся и половина тех, что не кажется". (Бальтасар Грасиан)


Повернутися до початку
 Профіль  
Відповісти цитуючи  
Показати повідомлення за:  Поле сортування  
Почати нову тему Відповісти на тему  [ Повідомлень: 26 ]              На сторінку 1, 2  Наступ.

Часовий пояс: UTC + 2 години


Хто зараз на конференції

Зараз цей форум переглядають: немає зареєстрованих користувачів і гості: 30


Ви не можете створювати нові теми
Ви не можете відповідати на повідомлення
Ви не можете редагувати свої повідомлення
Ви не можете видаляти свої повідомлення
Ви не можете додавати додаткові файли

Найти:
Створено на основі phpBB® Forum Software © phpBB Group