Поточний час: 29 квіт 2026, 20:30

Часовий пояс: UTC + 2 години



Почати нову тему Відповісти на тему  [ Повідомлень: 250 ]  На сторінку Пред.  1, 2, 3, 4, 5, 6 ... 17  Наступ.
Автор Повідомлення
 Заголовок повідомлення: Re: Электровелосипед Заря Силач
#45645Повідомлення 14 лист 2017, 14:06 
Активіст форуму
Не в мережі

Звідки: Dnepr
Дякував (ла) 1 Подякували 22
Kapral88 писав(ла):
установил литиевый акум клиенту и отдал вел на испытание.дедушка катался полдня потом на следующий день.в общем дедушка в шоке,на свинце он и 25км не проезжал, а тут 80 км намотал и на ячейках ещё 3.55в осталось.короче клиент доволен.если интересно могу выложить фотки как делал аккум

конечно надо!


Повернутися до початку
 Профіль  
Відповісти цитуючи  
 Заголовок повідомлення: Re: Электровелосипед Заря Силач
#45673Повідомлення 14 лист 2017, 19:28 
Власник електровелосипеда
Не в мережі

Звідки: Київ Україна
Дякував (ла) 448 Подякували 634
Мій електротранспорт: Електровелосипед Заря Силач
Хочу електротранспорт: BYD
Kapral88 писав(ла):
установил литиевый акум клиенту и отдал вел на испытание.дедушка катался полдня потом на следующий день.в общем дедушка в шоке,на свинце он и 25км не проезжал, а тут 80 км намотал и на ячейках ещё 3.55в осталось.короче клиент доволен.если интересно могу выложить фотки как делал аккум

Конечно хотим


Повернутися до початку
 Профіль  
Відповісти цитуючи  
 Заголовок повідомлення: Re: Электровелосипед Заря Силач
#45674Повідомлення 14 лист 2017, 19:31 
Власник електровелосипеда
Не в мережі

Звідки: Київ Україна
Дякував (ла) 448 Подякували 634
Мій електротранспорт: Електровелосипед Заря Силач
Хочу електротранспорт: BYD
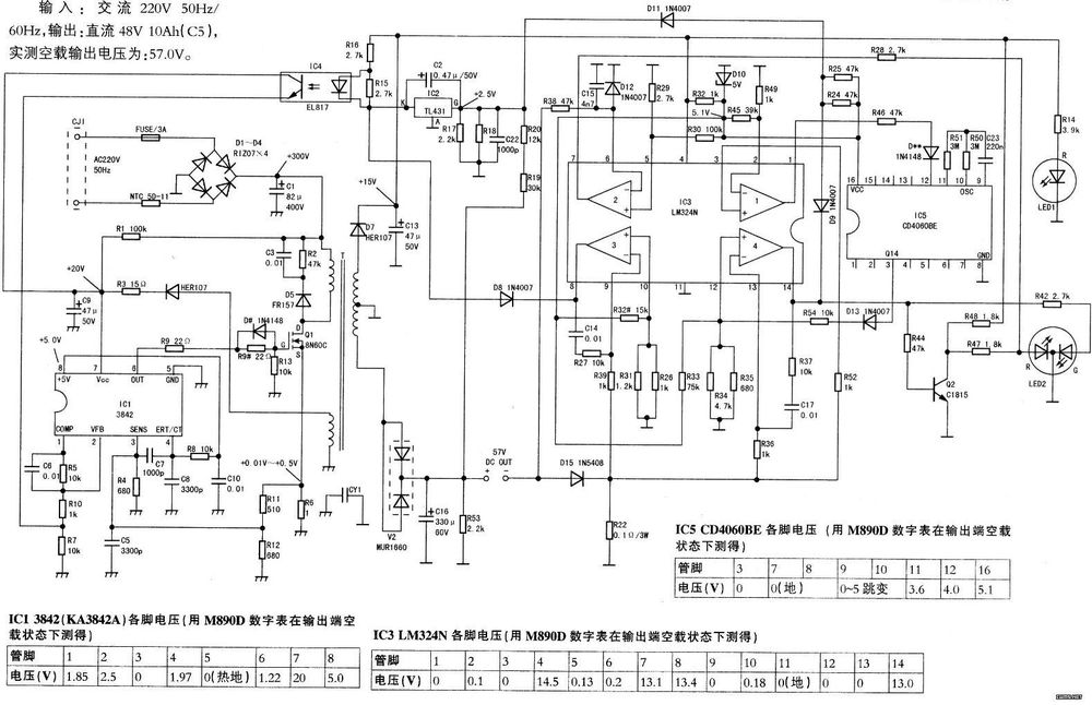
Приблизительно похожая схема зарядки. Где тут менять сопротивление для уменьшения напряжения и увеличения тока?
Додаткові файли:
Ka3842+Lm324 5 Китайская зарядка для литиевых батарей.jpg
Ka3842+Lm324 5 Китайская зарядка для литиевых батарей.jpg [ 126.91 КБ | Переглядів: 12344 ]


Повернутися до початку
 Профіль  
Відповісти цитуючи  
 Заголовок повідомлення: Re: Электровелосипед Заря Силач
#45676Повідомлення 14 лист 2017, 20:22 
Активіст форуму
Не в мережі

Звідки: Киев , Украина
Дякував (ла) 0 Подякували 13
Вроде I-R31 и V-R17 , но там индикация непонятно как будет работать .


Повернутися до початку
 Профіль  
Відповісти цитуючи  
 Заголовок повідомлення: Re: Электровелосипед Заря Силач
#45915Повідомлення 17 лист 2017, 14:34 
Активіст форуму
Не в мережі

Звідки: Dnepr
Дякував (ла) 1 Подякували 22
Leon29 писав(ла):
Подвеска конечно как на телеге. У заднего пасажира почки отваливаются. Я ложил для пасажира толстый сидушечный поролон сантиметров 10 толщиной, намного комфортней. Если везти груз, то колесо конечно страдает на кочках.


Veola в этом плане ушла далеко. Они поставили аморты пассажиру!!! 8O
Лучше на заднее колесо их поставили...


Додаткові файли:
veola.jpg [43.81 КБ]
Завантажень: 0
Повернутися до початку
 Профіль  
Відповісти цитуючи  
 Заголовок повідомлення: Re: Электровелосипед Заря Силач
#46351Повідомлення 25 лист 2017, 02:44 
Власник електромобіля
Не в мережі

Звідки: Марьинка
Дякував (ла) 405 Подякували 346
Хочу електротранспорт: Kia soul ev, но ищу лифа или зою
По аккуму на "заря силач". Сборку делал на примитивном стапеле из двух дощечек из узких ячеек 30а.ч от лу4. сразу на сверлильном станке по шаблону посверлил отверствия
Додаткові файли:
IMG_20171017_200220.jpg
IMG_20171017_200220.jpg [ 1.42 МБ | Переглядів: 12282 ]
Додаткові файли:
IMG_20171022_194401.jpg
IMG_20171022_194401.jpg [ 1.4 МБ | Переглядів: 12282 ]
потом собрал на винтах м4.между ячейками ложил лакоткань.
Додаткові файли:
IMG_20171022_194410.jpg
IMG_20171022_194410.jpg [ 1.35 МБ | Переглядів: 12282 ]
стянул батарею между двумя пластинами 4 мм пластика армоскотчем(сразу сделал типа короба с четырёх сторон, но померяв в корпус батареи понял что не сойдутся половинки, пришлось две пластины убрать)
Додаткові файли:
IMG_20171108_194233.jpg
IMG_20171108_194233.jpg [ 755.64 КБ | Переглядів: 12282 ]
попаял вывода на бмс, межу выводами ячеек поставил еще полосы из гетинакса и окончательно собрал аккум
Додаткові файли:
IMG_20171110_183308.jpg
IMG_20171110_183308.jpg [ 1020.85 КБ | Переглядів: 12282 ]
начал примерять в корпус и тут меня ждал сюрприз присборке в корпус верхняя часть не садится буквально 3мм из за закругленияпришлось вырезать окошко.
Додаткові файли:
IMG_20171110_180555.jpg
IMG_20171110_180555.jpg [ 611.71 КБ | Переглядів: 12282 ]
Додаткові файли:
IMG_20171110_180635.jpg
IMG_20171110_180635.jpg [ 987.98 КБ | Переглядів: 12282 ]
после этого всё стало на свои места прорезь закрылась декоративной пластиной. я на эту пластину хочу наклейку "электро автосам"наклеить если получится напечатать.
Додаткові файли:
IMG_20171110_180650.jpg
IMG_20171110_180650.jpg [ 991.83 КБ | Переглядів: 12282 ]
в общем батарея получилась да забыл сказать бмс поставил от mr.Dream, большое ему спасибо, работает чётко.
Додаткові файли:
IMG_20171110_183308.jpg
IMG_20171110_183308.jpg [ 1020.85 КБ | Переглядів: 12282 ]
.зарядку отдал Дельту переделаную на 67.2в ток выставил 10а


Повернутися до початку
 Профіль  
Відповісти цитуючи  
 Заголовок повідомлення: Re: Электровелосипед Заря Силач
#46370Повідомлення 25 лист 2017, 13:17 
Власник електровелосипеда
Не в мережі

Звідки: Київ Україна
Дякував (ла) 448 Подякували 634
Мій електротранспорт: Електровелосипед Заря Силач
Хочу електротранспорт: BYD
Батарея стоит почти вертикально
Додаткові файли:
SAM_1945.JPG
SAM_1945.JPG [ 294.25 КБ | Переглядів: 12267 ]
Амортизация на велосипеде никакая, бывают очень жесткие удары. Не съедут все банки в низ? Как то стремно получается. Через некоторое время нужно открыть посмотреть как они там поживают. Жалко будет если такая батарея повредится.


Повернутися до початку
 Профіль  
Відповісти цитуючи  
 Заголовок повідомлення: Re: Электровелосипед Заря Силач
#46373Повідомлення 25 лист 2017, 13:40 
Власник електромобіля
Не в мережі

Звідки: Марьинка
Дякував (ла) 405 Подякували 346
Хочу електротранспорт: Kia soul ev, но ищу лифа или зою
вниз не съедут,во первых ячейки стянуты по бокам между пластиковыми боковинами,и эти боковины упираются внутри в ребро жёсткости, во вторых снизу вся батарея дополнительно в корпусе подперта толстым вспениным полистиролом,ну и в третьих не тот это вел что бы на нём дедушка гарцевал,он ещё ни разу не включал 3 скорость.и конечно я при постановке на хранения разберу батарею и всё проверю


Повернутися до початку
 Профіль  
Відповісти цитуючи  
 Заголовок повідомлення: Re: Электровелосипед Заря Силач
#46394Повідомлення 25 лист 2017, 19:45 
Власник електромобіля
Не в мережі

Звідки: Марьинка
Дякував (ла) 405 Подякували 346
Хочу електротранспорт: Kia soul ev, но ищу лифа или зою
Сегодня позвонил деду,думаю неделю как отдал аккум а он не звонит.дед доволен шо слон.сегодня из колхоза(2км туда и 2км обратно) перевез тону пшеницы в мешках по 1 мешку 20 ходок. Я в шоке.говорит ещё одна палочка горит.


Повернутися до початку
 Профіль  
Відповісти цитуючи  
 Заголовок повідомлення: Re: Электровелосипед Заря Силач
#48475Повідомлення 23 груд 2017, 21:02 
Власник електровелосипеда
Не в мережі

Звідки: Київ Україна
Дякував (ла) 448 Подякували 634
Мій електротранспорт: Електровелосипед Заря Силач
Хочу електротранспорт: BYD
Приобретен приборчик для будущего аккумулятора с шунтом 50А
Додаткові файли:
SAM_0039.JPG
SAM_0039.JPG [ 1.72 МБ | Переглядів: 12202 ]
Додаткові файли:
SAM_0037.JPG
SAM_0037.JPG [ 452.12 КБ | Переглядів: 12202 ]
Додаткові файли:
тестер.jpg
тестер.jpg [ 58.43 КБ | Переглядів: 12202 ]

Измеряет ток, напряжение, амперчасы, ваттчасы, мощность, время, температуру. Если бы еще спидометр был, вообще было бы супер. Размеры маленькие, но цифры читаются хорошо и удобно будет встроить в приборку велосипеда или в сам аккумулятор. Можно будет поставить тумблер реверсивного питания и измерять как заряд так и разряд АКБ. Нужно придумать питание, так как аккумулятор будет 70В, а прибор до 60В. Или гасящий резистор поставить. И влагозащиту придумать. Шунт добавляет надежности и удобства установки прибора, не надо таскать силовые провода. Точность измерения не известна, так как есть три мультиметра и у всех разные показания, все Китай. По напряжению более менее, а по току разбежности. Видеообзор этого прибора https://www.youtube.com/watch?v=ru6WySsN8QY
Покупался здесь https://ru.aliexpress.com/item/RD-100v- ... 74155.html Скидка здесь https://megabonus.com/?u=196720
Может у кого есть уже опыт использования данного девайса?


Повернутися до початку
 Профіль  
Відповісти цитуючи  
 Заголовок повідомлення: Re: Электровелосипед Заря Силач
#48476Повідомлення 23 груд 2017, 21:54 
Власник електромобіля
Не в мережі

Звідки: Марьинка
Дякував (ла) 405 Подякували 346
Хочу електротранспорт: Kia soul ev, но ищу лифа или зою
Я тоже купил такой ватметр,только буду ставить в аккум сыну на вел.с питанием буду пробовать обычный блок питания 5в на 220в.пробовал от 60 вольт зарядку для телефона, вроде работает.купил впаиваемый модуль но ещё не пробовал.какхотите сделать реверс?


Повернутися до початку
 Профіль  
Відповісти цитуючи  
 Заголовок повідомлення: Re: Электровелосипед Заря Силач
#48477Повідомлення 23 груд 2017, 22:03 
Власник електровелосипеда
Не в мережі

Звідки: Київ Україна
Дякував (ла) 448 Подякували 634
Мій електротранспорт: Електровелосипед Заря Силач
Хочу електротранспорт: BYD
Тоже есть идея использовать зарядку телефона, тем более есть в наличии. Нужно будет на досуге опробовать. Прибор измеряет только в одном направлении тока. Нужно поставить двухполюсный перекидной тумблер и менять полярность тока от шунта на прибор.
Додаткові файли:
реверс.JPG
реверс.JPG [ 4.41 КБ | Переглядів: 12188 ]


Повернутися до початку
 Профіль  
Відповісти цитуючи  
 Заголовок повідомлення: Re: Электровелосипед Заря Силач
#48747Повідомлення 29 груд 2017, 17:02 
Власник електровелосипеда
Не в мережі

Звідки: Київ Україна
Дякував (ла) 448 Подякували 634
Мій електротранспорт: Електровелосипед Заря Силач
Хочу електротранспорт: BYD
Чотири мультиметри, один вольтметр та Китайський Імакс на одному літієвому аккумуляторі показували зовсім різні напруги. Коли 3,7В чи 3,8В це пів біди, а коли 4,2В чи 4,3В це вже біда. Купив ще один Китайський девайс більш точніший (сподіваюсь). До 30В, після коми три знаки. Третьому знаку можна не вірити, а два думаю правда.
Додаткові файли:
SAM_0042.JPG
SAM_0042.JPG [ 1.68 МБ | Переглядів: 12152 ]


Повернутися до початку
 Профіль  
Відповісти цитуючи  
 Заголовок повідомлення: Re: Электровелосипед Заря Силач
#48758Повідомлення 30 груд 2017, 09:37 
Власник електровелосипеда, член клубу
Не в мережі

Звідки: Украина. Подольск
Дякував (ла) 269 Подякували 183
Мій електротранспорт: Электроскутер Viper Wind 72V 3.5kW 24Ah
Хочу електротранспорт: Nissan Leaf
так дані прилади ніхто не заносив в державний реєстр електровимірювальних приладів, відповідно похибка можлива досить суттєва, як показометр чи індикатор придатний. Інакше вони б не коштували дешевше радіодеталей, з яких вони виготовлені. Чого очікувати из дешевого мікроконтролера з простеньким АЦП. Класичний мультиметр буде точніше.


Повернутися до початку
 Профіль  
Відповісти цитуючи  
 Заголовок повідомлення: Re: Электровелосипед Заря Силач
#50467Повідомлення 23 січ 2018, 13:12 
Власник електровелосипеда
Не в мережі

Звідки: Київ Україна
Дякував (ла) 448 Подякували 634
Мій електротранспорт: Електровелосипед Заря Силач
Хочу електротранспорт: BYD
Ячейки для будущего аккумулятора приехали viewtopic.php?p=50466#p50466
Расположение их в штатном корпусе как то мне не нравиться, очень уж вертикально. Нужно будет делать какой то горизонтальный ящик. Стеклотекстолит дорого, вентиляционный короб дешевле, но не хватает размера. Пока в поисках, может фанера, или МДФ.


Повернутися до початку
 Профіль  
Відповісти цитуючи  
Показати повідомлення за:  Поле сортування  
Почати нову тему Відповісти на тему  [ Повідомлень: 250 ]              На сторінку Пред.  1, 2, 3, 4, 5, 6 ... 17  Наступ.

Часовий пояс: UTC + 2 години


Хто зараз на конференції

Зараз цей форум переглядають: немає зареєстрованих користувачів і гості: 27


Ви не можете створювати нові теми
Ви не можете відповідати на повідомлення
Ви не можете редагувати свої повідомлення
Ви не можете видаляти свої повідомлення
Ви не можете додавати додаткові файли

Найти:
Створено на основі phpBB® Forum Software © phpBB Group