Поточний час: 05 трав 2026, 13:48

Часовий пояс: UTC + 2 години


Правила форума


Продавець повинен у першому ж пості чітко вказати, що продається, повні технічні характеристики, ціну, по можливості фото. У назві теми має бути коротка назва товару. Теми з назвою типу "Продам шикарний варіант" будуть відразу видаляться з попередженням автора. Обговорення бажано проводити у технічному розділі форуму за адресою http://electroavtosam.com.ua/forums/viewforum.php?f=29


Почати нову тему Відповісти на тему  [ Повідомлень: 58 ]  На сторінку 1, 2, 3, 4  Наступ.
Автор Повідомлення
#65144Повідомлення 02 вер 2018, 16:10 
Голова клубу
Аватара користувача
Не в мережі

Звідки: Україна, Донецьк => Ірпінь
Дякував (ла) 7024 Подякували 2608
Мій електротранспорт: Tesla S
Хочу електротранспорт: е-панцирник
    Продаётся готовый комплект из под Евы-4
  • Электродвигатель асинхронный GLMHCA1-1104061 с креплением
  • переходная плита
  • муфта сцепления
  • энкодер оборотов
  • контроллер с радиатором
  • педаль газа
  • жгут соединительных проводов.
Комплект полностью самодостаточен - подал питание и поехал! Покупателю (если в Киеве) будет продемонстрирована работоспособность: подадим 96 и 12 вольт и нажмём педаль газа. Двигатель начнёт вращаться.

Питание номинальное 96 вольт. Работает до 119В. Рекуперация начинает работаеть ниже 107В.
Есть такой же вариант но на 120В номинала (работает до 147В).
И ещё есть такой же вариант но на 144В номинала (работает до 180В).
Охлаждение воздушное. На радиаторе контроллера стоят вентиляторы, которые управляются от самого контролера.
Потребляемый пиковый ток 220-250А.
Мощность номинальная 10кВт. Пиковая 27кВт (при максимальном напряжении). Пиковая мощность в остальном диапазоне напряжений не ниже 22кВт.
Цена 1500$ 1200$
Акция: комплекты на 97В и 120В по 900$.

По покупке обращаться на Био-авто. На технические вопросы отвечу тут.


Додаткові файли:
P_20180822_151108_HDR.jpg
P_20180822_151108_HDR.jpg [ 506.15 КБ | Переглядів: 13302 ]
P_20180822_151134_HDR.jpg
P_20180822_151134_HDR.jpg [ 459.42 КБ | Переглядів: 13302 ]
P_20180822_152415_HDR.jpg
P_20180822_152415_HDR.jpg [ 413.07 КБ | Переглядів: 13302 ]
P_20180822_152426_HDR.jpg
P_20180822_152426_HDR.jpg [ 542.74 КБ | Переглядів: 13302 ]
P_20180822_152458_HDR.jpg
P_20180822_152458_HDR.jpg [ 578.35 КБ | Переглядів: 13302 ]
Повернутися до початку
 Профіль  
Відповісти цитуючи  
#65178Повідомлення 03 вер 2018, 06:56 
Творець електромобіля, член клубу
Аватара користувача
Не в мережі

Звідки: Dніпропетровськ
Дякував (ла) 409 Подякували 490
Мій електротранспорт: ЗАЗ-968А, SUZUKI Carry.
Под какую кпп подходит плита переходная?

_________________
"...я мзду не беру, мне за державу обидно..."


Повернутися до початку
 Профіль  
Відповісти цитуючи  
#65185Повідомлення 03 вер 2018, 08:41 
Голова клубу
Аватара користувача
Не в мережі

Звідки: Україна, Донецьк => Ірпінь
Дякував (ла) 7024 Подякували 2608
Мій електротранспорт: Tesla S
Хочу електротранспорт: е-панцирник
КПП "3-646". Она тоже в продаже, но даже не знаю, купит ли её кто-то


Додаткові файли:
P_20180822_150859_HDR.jpg
P_20180822_150859_HDR.jpg [ 499.28 КБ | Переглядів: 13203 ]
Повернутися до початку
 Профіль  
Відповісти цитуючи  
#65413Повідомлення 06 вер 2018, 18:52 
Голова клубу
Аватара користувача
Не в мережі

Звідки: Україна, Донецьк => Ірпінь
Дякував (ла) 7024 Подякували 2608
Мій електротранспорт: Tesla S
Хочу електротранспорт: е-панцирник
Появился ещё один идентичный комплект.


Повернутися до початку
 Профіль  
Відповісти цитуючи  
#65443Повідомлення 07 вер 2018, 12:32 
Голова клубу
Аватара користувача
Не в мережі

Звідки: Україна, Донецьк => Ірпінь
Дякував (ла) 7024 Подякували 2608
Мій електротранспорт: Tesla S
Хочу електротранспорт: е-панцирник
Так как люди спрашивают, но не покупают, цена снижена до 1200$ за весь комплект.


Повернутися до початку
 Профіль  
Відповісти цитуючи  
#66779Повідомлення 28 вер 2018, 21:03 
Голова клубу
Аватара користувача
Не в мережі

Звідки: Україна, Донецьк => Ірпінь
Дякував (ла) 7024 Подякували 2608
Мій електротранспорт: Tesla S
Хочу електротранспорт: е-панцирник
Получили схему подключения контроллера.


Додаткові файли:
Схема-подключения-контроллера.gif
Схема-подключения-контроллера.gif [ 657.48 КБ | Переглядів: 12963 ]
Повернутися до початку
 Профіль  
Відповісти цитуючи  
#66803Повідомлення 29 вер 2018, 06:54 
Творець електромобіля
Аватара користувача
Не в мережі

Звідки: Мариуполь
Дякував (ла) 403 Подякували 231
Мій електротранспорт: Selena EC-4, Eva-5
Спасибо, Вадим. А как схема Ева-3 соотносится со схемой пятой Евы? Хочется надеяться, что они отличаются только напряжением тяговой батареи.

_________________
Ищу владельцев электроавто Eva-5 Bio Auto для обмена опытом.


Повернутися до початку
 Профіль  
Відповісти цитуючи  
#66863Повідомлення 30 вер 2018, 06:48 
Голова клубу
Аватара користувача
Не в мережі

Звідки: Україна, Донецьк => Ірпінь
Дякував (ла) 7024 Подякували 2608
Мій електротранспорт: Tesla S
Хочу електротранспорт: е-панцирник
Да, только напряжением.


Повернутися до початку
 Профіль  
Відповісти цитуючи  
#66985Повідомлення 01 жовт 2018, 20:46 
Голова клубу
Аватара користувача
Не в мережі

Звідки: Україна, Донецьк => Ірпінь
Дякував (ла) 7024 Подякували 2608
Мій електротранспорт: Tesla S
Хочу електротранспорт: е-панцирник
Схема прошивочного кабеля и софт к нему. Пользуйтесь им максимально аккуратно. Все параметры взаимосвязаны между собой. Например, настройка рекуперации выше пределов возможностей контроллера на заданном ограничении мощности полностью выключает рекуперацию и т.п.
ВНИМАНИЕ! Использование софта автоматически снимает все претензии по контроллеру к Био-авто.
Нажатие кнопки "Default" обнуляет настройки без предупреждений. Обнуление приводит к неэффективной работе контроллера.


Если у вас нет COM-порта то используйте переходники на USB. На Био-авто нормально работает переходник HL-340.


Додаткові файли:
Коментарій до файлу: Схема срисована с гарантировано работающего кабеля
Схема кабеля.GIF
Схема кабеля.GIF [ 16.05 КБ | Переглядів: 12803 ]
BioAuto.rar [53.23 КБ]
Завантажень: 624
User's Guide.pdf [185.45 КБ]
Завантажень: 665
Повернутися до початку
 Профіль  
Відповісти цитуючи  
#67504Повідомлення 10 жовт 2018, 16:43 
Творець електромобіля
Аватара користувача
Не в мережі

Звідки: Мариуполь
Дякував (ла) 403 Подякували 231
Мій електротранспорт: Selena EC-4, Eva-5
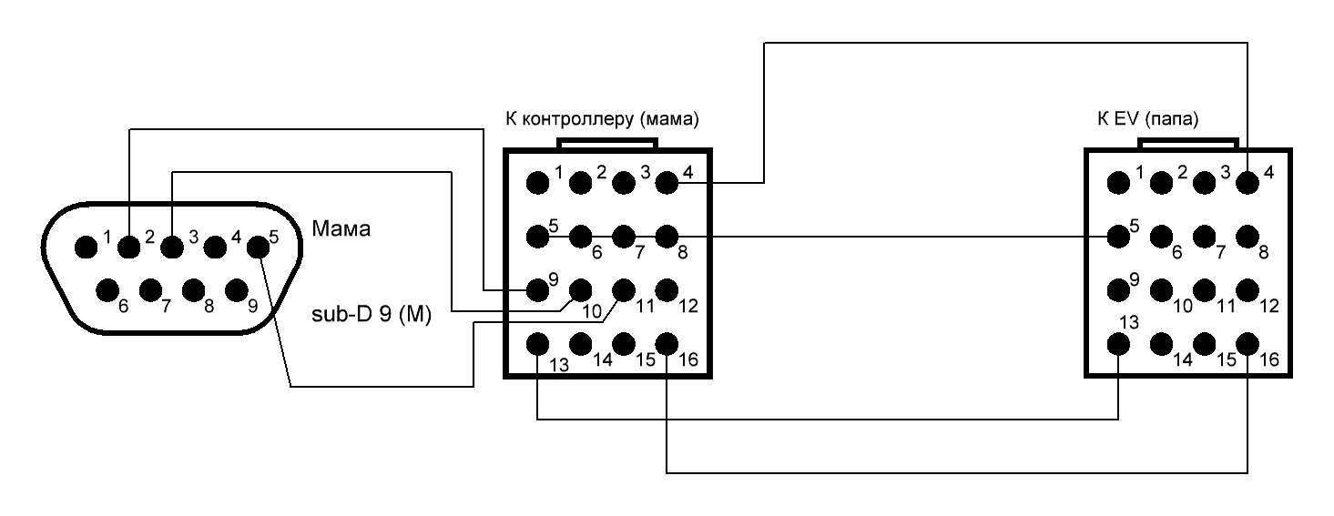
Только что получил раз'ем на 16 pin, спасибо за ссылку Birel.
Вадим, правильно ли я понял, что на маме прошивочного кабеля, подключающегося к контроллеру, должны быть замкнуты 5, 6, 7 и 8 контакты(плюс 12 вольт, переключение вперед, реверс и тормоз ) и подключены к контакту 5 папы, который уходит к авто?
Видимо, таким образом контроллер включается в сервисный режим, допускающий перезапись данных в память?

_________________
Ищу владельцев электроавто Eva-5 Bio Auto для обмена опытом.


Повернутися до початку
 Профіль  
Відповісти цитуючи  
#67506Повідомлення 10 жовт 2018, 17:04 
Власник електромобіля, член клубу
Не в мережі

Звідки: м Львів
Дякував (ла) 245 Подякували 192
Мій електротранспорт: EQA300, Aiways U6, Fisker Ocean
vpa писав(ла):
Только что получил раз'ем на 16 pin, спасибо за ссылку Birel.
Вадим, правильно ли я понял, что на маме прошивочного кабеля, подключающегося к контроллеру, должны быть замкнуты 5, 6, 7 и 8 контакты(плюс 12 вольт, переключение вперед, реверс и тормоз ) и подключены к контакту 5 папы, который уходит к авто?
Видимо, таким образом контроллер включается в сервисный режим, допускающий перезапись данных в память?
1 Так само замовив розєм
2 Віталій- як тільки розберетесь - подільться що-куди( мається на увазі параметри) - вносити

_________________
Пробіг на електротязі 100 000


Повернутися до початку
 Профіль  
Відповісти цитуючи  
#67646Повідомлення 12 жовт 2018, 21:18 
Голова клубу
Аватара користувача
Не в мережі

Звідки: Україна, Донецьк => Ірпінь
Дякував (ла) 7024 Подякували 2608
Мій електротранспорт: Tesla S
Хочу електротранспорт: е-панцирник
vpa писав(ла):
на маме прошивочного кабеля, подключающегося к контроллеру, должны быть замкнуты 5, 6, 7 и 8 контакты(плюс 12 вольт, переключение вперед, реверс и тормоз ) и подключены к контакту 5 папы, который уходит к авто?
Да. Все эти контакты соединены.


Повернутися до початку
 Профіль  
Відповісти цитуючи  
#67695Повідомлення 13 жовт 2018, 21:08 
Творець електромобіля
Аватара користувача
Не в мережі

Звідки: Мариуполь
Дякував (ла) 403 Подякували 231
Мій електротранспорт: Selena EC-4, Eva-5
budivelnik писав(ла):
Віталій- як тільки розберетесь - подільться що-куди( мається на увазі параметри) - вносити

Лучше Вадима никто не знает. Вадим, какие параметры Вы вводили для своей Евы?
1 System Power (%) 100?
2 Throttle Response (%) 0~100 The fastest at 0% and the slowest at 100%. 0%?
3 Energy Regen (%) 100 ?
4 Voltage Coef (%) 0~100
Battery voltage coefficient which represents characters of the battery.
The more easily system is protected, the less percent.
Этот параметр может повлиять на порог включения экономрежима. К сожалению, десять лет изучал немецкий, не могу понять фразу Чем проще система защищена, тем меньше процентов. Вадим, что Вы поставили в этом поле?
5 Forward Speed (rpm) 5600?
6 Reverse Speed (rpm) 500~2500 Не задействован, без разницы.
7 Voltage Threshold (V) 0~200 Возможно, и этот параметр связан с экономрежимом?
Что Вы поставили?

_________________
Ищу владельцев электроавто Eva-5 Bio Auto для обмена опытом.


Повернутися до початку
 Профіль  
Відповісти цитуючи  
#67739Повідомлення 14 жовт 2018, 19:58 
Власник електромобіля, член клубу
Не в мережі

Звідки: м Львів
Дякував (ла) 245 Подякували 192
Мій електротранспорт: EQA300, Aiways U6, Fisker Ocean
А може кожен нехай зчитає свої і тут викладе , а потім маючи як мінімум три варіанти і три враження від цих варіантів- колективно зможемо прийти до якогось спільного ?

_________________
Пробіг на електротязі 100 000


Повернутися до початку
 Профіль  
Відповісти цитуючи  
#67913Повідомлення 17 жовт 2018, 17:14 
Голова клубу
Аватара користувача
Не в мережі

Звідки: Україна, Донецьк => Ірпінь
Дякував (ла) 7024 Подякували 2608
Мій електротранспорт: Tesla S
Хочу електротранспорт: е-панцирник
Сами числа настройки под Еву-5 и Еву-3 разные. Так что на меня нет смысла ориентироваться.
У меня по памяти мощность 75%, реакция на педаль газа 12%, рекуперация 79%, прямая скорость 4500, напряжение выключения 72В. И это всё специфично для Евы-3 и в частности для моих никель-кадмиевых аккумуляторов.


Повернутися до початку
 Профіль  
Відповісти цитуючи  
Показати повідомлення за:  Поле сортування  
Почати нову тему Відповісти на тему  [ Повідомлень: 58 ]              На сторінку 1, 2, 3, 4  Наступ.

Часовий пояс: UTC + 2 години


Хто зараз на конференції

Зараз цей форум переглядають: немає зареєстрованих користувачів і гості: 3


Ви не можете створювати нові теми
Ви не можете відповідати на повідомлення
Ви не можете редагувати свої повідомлення
Ви не можете видаляти свої повідомлення
Ви не можете додавати додаткові файли

Найти:
Створено на основі phpBB® Forum Software © phpBB Group