Поточний час: 02 трав 2026, 14:11

Часовий пояс: UTC + 2 години



Почати нову тему Відповісти на тему  [ Повідомлень: 81 ]  На сторінку 1, 2, 3, 4, 5, 6  Наступ.
Автор Повідомлення
 Заголовок повідомлення: предзаряд конденсаторов
#49388Повідомлення 09 січ 2018, 10:28 
Творець електромобіля, член клубу
Не в мережі

Звідки: Запорожье
Дякував (ла) 1028 Подякували 324
Мій електротранспорт: электровелосипед 500Вт 55В, 350Вт 24В, электроЗАЗ-965
проведите, пожалуйста, ликбез для чайников:
- это когда отсоединил ВВБ, а потом соединяешь и идет мощная искра?
- чем это грозит? (батарее, контроллеру)
- необходимо ли контактором часто отключать ВВБ, или достаточно через контроллер? Вроде серийные авто такое не используют?
- пути решения на разные конфиги ? (велосипед, скутер\трайк, авто)


Повернутися до початку
 Профіль  
Відповісти цитуючи  
 Заголовок повідомлення: Re: предзаряд конденсаторов
#49395Повідомлення 09 січ 2018, 10:59 
Власник електровелосипеда, член клубу
Не в мережі

Звідки: Украина. Подольск
Дякував (ла) 269 Подякували 183
Мій електротранспорт: Электроскутер Viper Wind 72V 3.5kW 24Ah
Хочу електротранспорт: Nissan Leaf
Мощная искра грозит ускоренным износом коммутационного устройства, если в нем не предусмотрено дугогасительной камеры именно для постоянного тока. На электровелосипедах/скутерах чаще всего используется бытовой автомат на 220/380В 50Гц, что неверно, лучше применять автоматы на постоянный ток, такие в телекомовских стойках используются.

Часто отключать ВВБ я бы не рекомендовал, достаточно отключения управления контроллера.
Контактор, имхо нужен только для аварийного отключения ВВБ.


Повернутися до початку
 Профіль  
Відповісти цитуючи  
 Заголовок повідомлення: Re: предзаряд конденсаторов
#49502Повідомлення 09 січ 2018, 22:42 
Творець електромобіля, член клубу
Аватара користувача
Не в мережі

Звідки: Кременчуг
Дякував (ла) 752 Подякували 334
Мій електротранспорт: е-Таврия
Я тоже нахожусь на стадии установки контактора на Таврии (автомат есть), но заряжать конденсаторы лампочкой вручную уже поднадоело. Нравится вариант Димы с Хмельницкого, у него парллельно контактору стоит резистор предзаряда (если не ошибаюсь). Сначала подключаем автоматом батарею, начинают заряжаться конденсаторы 2-3сек, потом ключом зажигания включаем контактор и можно ехать.
Конденсаторы в контроллере могут быть разряжены, и им может поплохеть (и не только им) если включать их без предзаряда, даже в сварочниках сначала идет предзаряд при включении.

_________________
автопробег на электричестве 52000 км


Повернутися до початку
 Профіль  
Відповісти цитуючи  
 Заголовок повідомлення: Re: предзаряд конденсаторов
#49538Повідомлення 10 січ 2018, 14:09 
Творець електромобіля, засновник клубу
Аватара користувача
Не в мережі

Звідки: Украина. Киев. †.
Дякував (ла) 872 Подякували 1389
Мій електротранспорт: "Электра 2"
Хочу електротранспорт: "Электра 3" вдвое легче, но с втрое бОльшим солнцеобеспечением
...Коллеги , я не знаю, но у меня , ни с разными моторами, ни с разными контроллерами, никогда не возникало потребности к каком либо предзаряде конденсаторов контроллеров. .......................
Может стоит проконсультироваться у самого Ю.Логвина ?


Повернутися до початку
 Профіль  
Відповісти цитуючи  
 Заголовок повідомлення: Re: предзаряд конденсаторов
#49539Повідомлення 10 січ 2018, 14:22 
Творець електромобіля, член клубу
Аватара користувача
Не в мережі

Звідки: Кременчуг
Дякував (ла) 752 Подякували 334
Мій електротранспорт: е-Таврия
У Вас дроссель поглощает первоначальный бросок тока через конденсаторы.

_________________
автопробег на электричестве 52000 км


Повернутися до початку
 Профіль  
Відповісти цитуючи  
 Заголовок повідомлення: Re: предзаряд конденсаторов
#49542Повідомлення 10 січ 2018, 14:33 
Власник електровелосипеда
Аватара користувача
Не в мережі

Звідки: Ternopil
Дякував (ла) 83 Подякували 630
Дроссель между батареей и контроллером? Такое делать нельзя, так как реактивные токи замыкаются фактически между батареей конденсаторов через ключи на индуктивность мотора, сильно нагревая ёмкости. Между батареей и контроллером должно быть как можно меньшее сопротивление и индуктивность.

_________________
моя Smart BMS


Повернутися до початку
 Профіль  
Відповісти цитуючи  
 Заголовок повідомлення: Re: предзаряд конденсаторов
#49543Повідомлення 10 січ 2018, 14:34 
Власник електровелосипеда
Аватара користувача
Не в мережі

Звідки: Ternopil
Дякував (ла) 83 Подякували 630
А в момент размыкания контакторами под нагрузкой индуктивность прекрасно поддерживает дугу)

_________________
моя Smart BMS


Повернутися до початку
 Профіль  
Відповісти цитуючи  
 Заголовок повідомлення: Re: предзаряд конденсаторов
#49548Повідомлення 10 січ 2018, 15:01 
Творець електромобіля, член клубу
Аватара користувача
Не в мережі

Звідки: Кременчуг
Дякував (ла) 752 Подякували 334
Мій електротранспорт: е-Таврия
Вообще-то да, дроссель между контроллером и двигателем, ну тогда, получается, что прямо с реверс переключателя на контроллер подается напряжение ВВБ или как-то так.

_________________
автопробег на электричестве 52000 км


Повернутися до початку
 Профіль  
Відповісти цитуючи  
 Заголовок повідомлення: Re: предзаряд конденсаторов
#49551Повідомлення 10 січ 2018, 15:46 
Власник електровелосипеда
Не в мережі

Звідки: Киев
Дякував (ла) 243 Подякували 617
Мій електротранспорт: Ё
Михалыч писав(ла):
Может стоит проконсультироваться у самого Ю.Логвина ?

Он может и не знать таких тонкостей.
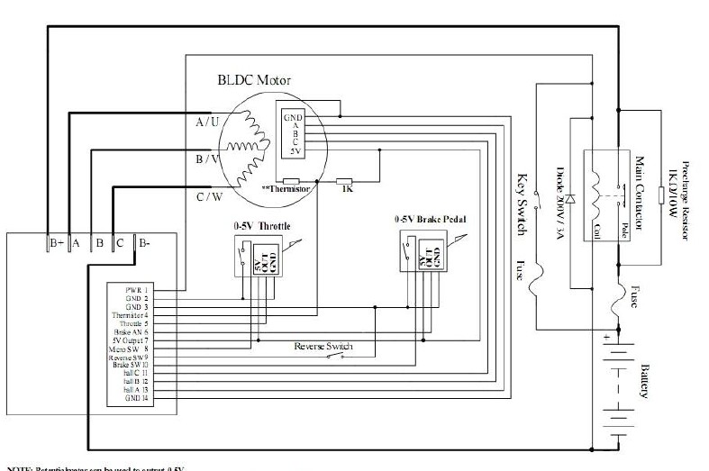
Вот схема подключения Келли

Додаткові файли:
000келли.jpg
000келли.jpg [ 69.3 КБ | Переглядів: 19786 ]



как видим сила всегда подключена через резистор 1 кОм, который и поддерживает заряд на кандерах, а слаботочка
( мозги, драйверы ... ) включаются через Кей Свитч , который так же включает силовой контактор .

Коммутация большой низкоимп. емкости непосредственно контактором без пред заряда - это грубейшее нарушение принципов схемотехники.
И грамотный разработчик это знает и принимает соответствующие меры .
Такой принцип выдержан у всех мощных инверторах,ИБП , БП сварках итд. , даже в китайских.
Ну а в аматорских поделках этого может и не быть , ведь так дешевле и проще

_________________
Э-вел,3 кВт Quanshun,Келли 200А,ли-ион,3.2кВтЧ,(LG 48АЧ, 21S) , max 75 км\ч, > 60 000 км


Повернутися до початку
 Профіль  
Відповісти цитуючи  
 Заголовок повідомлення: Re: предзаряд конденсаторов
#49552Повідомлення 10 січ 2018, 15:55 
Власник електровелосипеда
Аватара користувача
Не в мережі

Звідки: Ternopil
Дякував (ла) 83 Подякували 630
У Келли, как и у большинства контроллеров, есть слаботочное включение. Силовая часть не потребляет, пока мозги в отключке. И это очень логично. По этому через резистор ёмкости контроллера всегда заряжены. Ну а пока не заряжены - контроллер не даст сигнала на включение контактора. Почему некоторые производители не придерживаются этого принципа, ставшего почти стандартом - не понятно. Так и бмс проще подключать )) как то я замкнулся над контроллером контактора. Даже тему создал. По этому постараюсь разрушить эту тему в ближайший месяц)

_________________
моя Smart BMS


Повернутися до початку
 Профіль  
Відповісти цитуючи  
 Заголовок повідомлення: Re: предзаряд конденсаторов
#49719Повідомлення 12 січ 2018, 16:07 
Творець електромобіля, член клубу
Не в мережі

Звідки: Запорожье
Дякував (ла) 1028 Подякували 324
Мій електротранспорт: электровелосипед 500Вт 55В, 350Вт 24В, электроЗАЗ-965
Измерил только что на электровелосипеде: при ВВБ 57.3В при включенной кнопке ток 0.06А, при выключенной - ноль.


Повернутися до початку
 Профіль  
Відповісти цитуючи  
 Заголовок повідомлення: Re: предзаряд конденсаторов
#72203Повідомлення 27 груд 2018, 13:10 
Власник електровелосипеда
Аватара користувача
Не в мережі

Звідки: Мариуполь
Дякував (ла) 13 Подякували 6
Мій електротранспорт: Велосипед 500w48v
Я сейчас заканчиваю сборку контроллера ЛИССА, делаю точно по его схеме. И тут наткнулся на предзаряд. Вопрос: а мне нужен предзаряд? Вот надеюсь в скором времени испытать его с мотором дс 3.6. Можно обойтись на данном этапе?

_________________
Instagram


Повернутися до початку
 Профіль  
Відповісти цитуючи  
 Заголовок повідомлення: Re: предзаряд конденсаторов
#72206Повідомлення 27 груд 2018, 13:52 
Творець електромобіля, член клубу
Аватара користувача
Не в мережі

Звідки: Кременчуг
Дякував (ла) 752 Подякували 334
Мій електротранспорт: е-Таврия
Предзаряд нужен. Я сначала делал предзаряд лампочкой 220В, перед тем как включить пакетник, потом поставил контактор и заменил лампочку резистором 1 кОм, параллельно контактору. Сначала включаем пакетник, конденсаторы в контроллере заряжаются через резистор, потом включаем зажигание и включается контактор, подавая питание на контроллер.

_________________
автопробег на электричестве 52000 км


Повернутися до початку
 Профіль  
Відповісти цитуючи  
 Заголовок повідомлення: Re: предзаряд конденсаторов
#72209Повідомлення 27 груд 2018, 14:06 
Власник електровелосипеда
Аватара користувача
Не в мережі

Звідки: Мариуполь
Дякував (ла) 13 Подякували 6
Мій електротранспорт: Велосипед 500w48v
Понял. Лампа в разрез + контакта? То есть цепь: + АКБ :arrow: ЛАМПА :arrow: + КОНТРОЛЛЕРА без подключенного двигателя.

А разряжать не нужно?

Я вообще не понимаю их функцию, они всегда при подключении контроллера подключены к + и -. Они не сгорят?

_________________
Instagram


Повернутися до початку
 Профіль  
Відповісти цитуючи  
 Заголовок повідомлення: Re: предзаряд конденсаторов
#72210Повідомлення 27 груд 2018, 14:20 
Творець електромобіля, член клубу
Аватара користувача
Не в мережі

Звідки: Кременчуг
Дякував (ла) 752 Подякували 334
Мій електротранспорт: е-Таврия
Да, лампа вразрез, если батарея высоковольтная, если испытывать на 12В, то предзаряд не нужен, только драйвер по схеме от Лисса, требует 15в, контроллер надо питать от отдельного источника.

_________________
автопробег на электричестве 52000 км


Повернутися до початку
 Профіль  
Відповісти цитуючи  
Показати повідомлення за:  Поле сортування  
Почати нову тему Відповісти на тему  [ Повідомлень: 81 ]              На сторінку 1, 2, 3, 4, 5, 6  Наступ.

Часовий пояс: UTC + 2 години


Хто зараз на конференції

Зараз цей форум переглядають: немає зареєстрованих користувачів і гості: 11


Ви не можете створювати нові теми
Ви не можете відповідати на повідомлення
Ви не можете редагувати свої повідомлення
Ви не можете видаляти свої повідомлення
Ви не можете додавати додаткові файли

Найти:
Створено на основі phpBB® Forum Software © phpBB Group