Поточний час: 19 бер 2026, 09:16

Часовий пояс: UTC + 2 години



Почати нову тему Відповісти на тему  [ Повідомлень: 603 ]  На сторінку Пред.  1 ... 27, 28, 29, 30, 31, 32, 33 ... 41  Наступ.
Автор Повідомлення
 Заголовок повідомлення: Re: Выбор комплектующих
#78855Повідомлення 06 квіт 2019, 21:47 
Власник електрояхти
Не в мережі

Звідки: Донецкая обл.
Дякував (ла) 17 Подякували 6
irde писав(ла):
вот клоуны ,
И в цирк ходить не надо
:D :D

Ну, да. Токоограничивающий шунты из золота...ну, что б легче надкусывать было. А измерительные из платины... И заменить низзя...Цирк.


Повернутися до початку
 Профіль  
Відповісти цитуючи  
 Заголовок повідомлення: Re: Выбор комплектующих
#78856Повідомлення 06 квіт 2019, 21:53 
Власник електромобіля
Не в мережі

Звідки: Марьинка
Дякував (ла) 405 Подякували 345
Хочу електротранспорт: Kia soul ev, но ищу лифа или зою
Да нету ТОКООГРАНИЧИВАЮЩИХ шунтов.Даже переводится как ответвление.Это измерительное сопротивление.


Повернутися до початку
 Профіль  
Відповісти цитуючи  
 Заголовок повідомлення: Re: Выбор комплектующих
#78858Повідомлення 06 квіт 2019, 22:51 
Власник електровелосипеда
Не в мережі

Звідки: Днепропетровск
Дякував (ла) 10 Подякували 63
Мій електротранспорт: 3 гаража электровелосипедов
Хочу електротранспорт: Соберу сам можбыть
Это кто то в викепедию заглянул-там не вся информация,загляните в учебники электроники и электротехники,порботайте на радиозаводе лет 10 понимание само придёт.Можете назвать это перемычкой- но ток оно ограничивает, и стоит в каждом контроллере, и имеет хитрую зависимость, чем больше ампераж контроллера, тем толще перемычки в цепи земли, то есть минуса.


Повернутися до початку
 Профіль  
Відповісти цитуючи  
 Заголовок повідомлення: Re: Выбор комплектующих
#78861Повідомлення 06 квіт 2019, 23:04 
Власник електровелосипеда
Не в мережі

Звідки: Киев
Дякував (ла) 243 Подякували 617
Мій електротранспорт: Ё
elektrod ,мало читать педию , нужно еще понимать суть прочитанного.
Без базовых знаний вы этого не поймете.

_________________
Э-вел,3 кВт Quanshun,Келли 200А,ли-ион,3.2кВтЧ,(LG 48АЧ, 21S) , max 75 км\ч, > 60 000 км


Повернутися до початку
 Профіль  
Відповісти цитуючи  
 Заголовок повідомлення: Re: Выбор комплектующих
#78862Повідомлення 06 квіт 2019, 23:12 
Власник електровелосипеда
Не в мережі

Звідки: Днепропетровск
Дякував (ла) 10 Подякували 63
Мій електротранспорт: 3 гаража электровелосипедов
Хочу електротранспорт: Соберу сам можбыть
Голословные высказывания типа-Баба Яга против, фактов нету,про вики это не к Вам относится,а к кому смотри выше


Повернутися до початку
 Профіль  
Відповісти цитуючи  
 Заголовок повідомлення: Re: Выбор комплектующих
#78867Повідомлення 07 квіт 2019, 05:16 
Власник електромобіля
Не в мережі

Звідки: Марьинка
Дякував (ла) 405 Подякували 345
Хочу електротранспорт: Kia soul ev, но ищу лифа или зою
Так любое сопротивление ограничивает ток, только не любое сопротивление может быть шунтом, а по поводу завода- у меня сестра 20лет работает на "Норде", а холодильники так и не может ремонтировать.Можно и на радиозаводе паять на конвеере платы и не знать зачем они нужны.


Повернутися до початку
 Профіль  
Відповісти цитуючи  
 Заголовок повідомлення: Re: Выбор комплектующих
#78871Повідомлення 07 квіт 2019, 07:17 
Власник електровелосипеда
Аватара користувача
Не в мережі

Звідки: Херсон, Украина
Дякував (ла) 144 Подякували 141
Мій електротранспорт: Эл.вел 48В/500Вт
elektrod писав(ла):
Это кто то в викепедию заглянул-там не вся информация,загляните в учебники электроники и электротехники,порботайте на радиозаводе лет 10 понимание само придёт.Можете назвать это перемычкой- но ток оно ограничивает, и стоит в каждом контроллере, и имеет хитрую зависимость, чем больше ампераж контроллера, тем толще перемычки в цепи земли, то есть минуса.

Цифра, братан, цифра. Ударь по толпе скептиков цифрой! Какое сопротивление шунтов, стоящих в контроллере, ограничивающих :irre: ток? Единицы, десятки милиомм!!! Согласно закону Омма, какое напряжение на ВУ шунте выделится, что может ограничить шунт (как таковой) при таком мизерном сопротивлении? Не смешите мировое сообщество, читающее форум, ей Богу.
Шунт в контроллере носит функцию датчика тока (сенсора) и не более того. С него снимается и усиливается напряжение. Которое, в свою очередь, обрабатывается логикой контроллера. Вот почему юзеры пилят или лудят шунты, не имея возможности (или способности) изменить коэффициент передачи усилительного звена.
И не надо громких воплей про "ещё одного эксперда". Я просто устал истерично ржать под столом, читая крайние две страницы. Особенно порвало "3 гаража велосипедов в подписи". :winken:


Востаннє редагувалось igo61 07 квіт 2019, 09:19, редаговано 1 раз.

Повернутися до початку
 Профіль  
Відповісти цитуючи  
 Заголовок повідомлення: Re: Выбор комплектующих
#78872Повідомлення 07 квіт 2019, 07:21 
Власник електрояхти
Не в мережі

Звідки: Донецкая обл.
Дякував (ла) 17 Подякували 6
elektrod писав(ла):
имеет хитрую зависимость, чем больше ампераж контроллера, тем толще перемычки в цепи земли, то есть минуса.

Тогда если мы хотим уменьшить ампераж контроллера почему Вы настаиваете сохранить количество и толщину перемычек? Ответьте на вопрос и поставим таки точку.


Повернутися до початку
 Профіль  
Відповісти цитуючи  
 Заголовок повідомлення: Re: Выбор комплектующих
#78873Повідомлення 07 квіт 2019, 08:02 
Site Admin
Аватара користувача
Не в мережі

Звідки: город Киев
Дякував (ла) 420 Подякували 1158
Мій електротранспорт: Nissan Leaf
igo61 писав(ла):
... Особенно порвало "3 гаража велосипедов в подписи". :winken:

Тю, а я по-другому читал, типа "Из гаража велосипедов" :D Извините, не удержался... :?

_________________
Чем скуднее знания, тем категоричней суждения.

"Глупцы все, кто глупцами кажутся и половина тех, что не кажется". (Бальтасар Грасиан)


Повернутися до початку
 Профіль  
Відповісти цитуючи  
 Заголовок повідомлення: Re: Выбор комплектующих
#78874Повідомлення 07 квіт 2019, 08:22 
Власник електровелосипеда
Аватара користувача
Не в мережі

Звідки: Херсон, Украина
Дякував (ла) 144 Подякували 141
Мій електротранспорт: Эл.вел 48В/500Вт
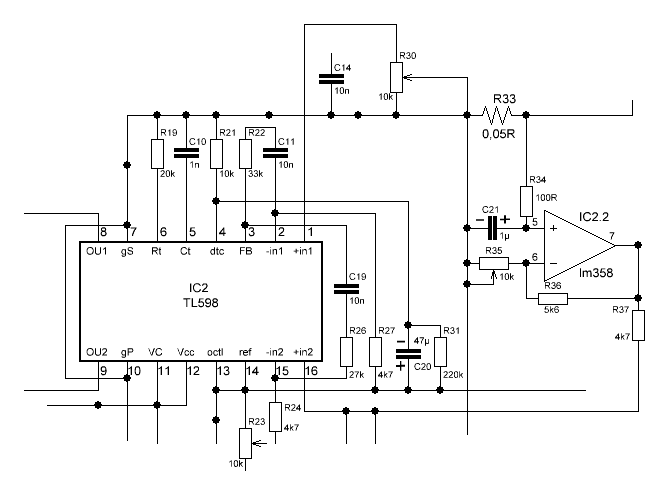
Вот типовой пример использования шунта и усилителя (преобразователя тока в напряжение):
Додаткові файли:
шунт.GIF
шунт.GIF [ 11.47 КБ | Переглядів: 10130 ]

Шунт (R33) имеет сопротивление 50мОм, схема в общем расчитана на ток до 20А. Следовательно, на шунте при таком токе выделится 1В. Но пользователя интересует ток 0,5А. От такого тока на шунте выделится всего 0,5А*0,05R=0,025В. Довольно малая величина напряжения для обработки, согласитесь. Поэтому есть усилитель на IC2.2, который в разы увеличивает это напряжение. В моём случае примерно в 100 раз, до напряжения 2,5В. И этот коэффициент усиления (100) задаётся подстроечником R35.
Этот пост - только для подтверждения моего предыдущего поста о нецелесообразности "кусания" или "пиляния" шунтов для "снижения тока контроллера". Ограничивает ток не сам шунт своим сопротивлением (оно ничтожно малО для такой цели), а схема "считывающая" и обрабатывающая падение напряжения на шунте.
Сечение шунта выбирается из допустимой плотности тока для выбранного материла шунта (датчика тока), длина шунта - из необходимого сопротивления.
И не надо ломать копья об соломенное чучело - при наличии базовых знаний и правильном их применении всё очень просто.


Повернутися до початку
 Профіль  
Відповісти цитуючи  
 Заголовок повідомлення: Re: Выбор комплектующих
#78880Повідомлення 07 квіт 2019, 08:50 
Власник електровелосипеда
Не в мережі

Звідки: Киев
Дякував (ла) 243 Подякували 617
Мій електротранспорт: Ё
igo61 , объяснять все это человеку, вершиной познаний которого - в какую сторону крутятся гайки , бессмысленно .

У него же шунты греются , олово течет .
Скорее всего он действительно думает , что шунт в контроллере ограничивает ток именно прямым и непосредственным способом , по типу резистора.
Тогда становится понятным его опасения о перегреве шунта.

Никогда не думал , что на прикладном форуме могут быть такие , обычно их ареал обитания форумы типа Странник , Матрикс итд.

_________________
Э-вел,3 кВт Quanshun,Келли 200А,ли-ион,3.2кВтЧ,(LG 48АЧ, 21S) , max 75 км\ч, > 60 000 км


Повернутися до початку
 Профіль  
Відповісти цитуючи  
 Заголовок повідомлення: Re: Выбор комплектующих
#78883Повідомлення 07 квіт 2019, 09:08 
Власник електровелосипеда
Аватара користувача
Не в мережі

Звідки: Херсон, Украина
Дякував (ла) 144 Подякували 141
Мій електротранспорт: Эл.вел 48В/500Вт
irde писав(ла):
igo61 , объяснять все это ... бессмысленно .
У него же шунты греются , олово течет .

:ja: , тогда запасаемся попкорном и смотрим продолжение сериала.


Оффтоп
Кстати, в примере был кусок схемы самодельного зарядного для ВВБ на 105Вх16А, если что.


Повернутися до початку
 Профіль  
Відповісти цитуючи  
 Заголовок повідомлення: Re: Выбор комплектующих
#78884Повідомлення 07 квіт 2019, 09:13 
Власник електрояхти
Не в мережі

Звідки: Донецкая обл.
Дякував (ла) 17 Подякували 6
irde писав(ла):

У него же шунты греются , олово течет .
Скорее всего он действительно думает , что шунт в контроллере ограничивает ток именно прямым и непосредственным способом , по типу резистора.
Тогда становится понятным его опасения о перегреве шунта.

Я рад, что Вы поняли. А то цирк, клоуны.


Повернутися до початку
 Профіль  
Відповісти цитуючи  
 Заголовок повідомлення: Re: Выбор комплектующих
#78886Повідомлення 07 квіт 2019, 09:25 
Власник електровелосипеда
Не в мережі

Звідки: Киев
Дякував (ла) 243 Подякували 617
Мій електротранспорт: Ё
я думал он прикалывается

_________________
Э-вел,3 кВт Quanshun,Келли 200А,ли-ион,3.2кВтЧ,(LG 48АЧ, 21S) , max 75 км\ч, > 60 000 км


Повернутися до початку
 Профіль  
Відповісти цитуючи  
 Заголовок повідомлення: Re: Выбор комплектующих
#78891Повідомлення 07 квіт 2019, 10:56 
Власник електрояхти
Не в мережі

Звідки: Донецкая обл.
Дякував (ла) 17 Подякували 6
irde писав(ла):
я думал он прикалывается

А я сразу это уловил- "токоограничивающие перемычки". А Вас куда-то понесло...и выход у Вас с ним одинаковый: " привет, теоретики" и "ещё один теоретик". Так будете свое представление заканчивать? А то остановились на самом интересном. Хочу таки узнать разницу между токоограничивающими и измирительными шунтами.


Повернутися до початку
 Профіль  
Відповісти цитуючи  
Показати повідомлення за:  Поле сортування  
Почати нову тему Відповісти на тему  [ Повідомлень: 603 ]              На сторінку Пред.  1 ... 27, 28, 29, 30, 31, 32, 33 ... 41  Наступ.

Часовий пояс: UTC + 2 години


Хто зараз на конференції

Зараз цей форум переглядають: немає зареєстрованих користувачів і гості: 10


Ви не можете створювати нові теми
Ви не можете відповідати на повідомлення
Ви не можете редагувати свої повідомлення
Ви не можете видаляти свої повідомлення
Ви не можете додавати додаткові файли

Найти:
Створено на основі phpBB® Forum Software © phpBB Group