Поточний час: 18 груд 2025, 22:04

Часовий пояс: UTC + 2 години



Почати нову тему Відповісти на тему  [ Повідомлень: 31 ]  На сторінку 1, 2, 3  Наступ.
Автор Повідомлення
#36637Повідомлення 23 трав 2017, 17:45 
Творець електромобіля, член клубу
Не в мережі

Звідки: Дніпро
Дякував (ла) 188 Подякували 661
Хочу електротранспорт: Tesla Model3
Не знаю насколько эта идея относится к водному электротранспорту, но к перемещению в водной среде с использованием электроэнергии точно относится. Сегодня утром просматривая ленту фейсбука наткнулся на данный девайс http://www.airbuddy.net/. Идея мне понравилась, так как сам очень люблю погружения в маске с трубкой, а оборудование для полноценного дайвинга стоит немалых денег. Зашел на https://www.kickstarter.com/projects/divingeasier/airbuddy-explore-the-underwater-with-tankless-dive?token=7f68e2d1
и увидел что полный комплект может быть доступен при взносе от 1278$. Незамедлительно принято решение рассмотреть возможность самостоятельного изготовления подобного девайса. Начать решил с виртуального реверс-инжиниринга, основываясь на опубликованных характеристиках.
Производитель заявляет о глубине погружения до 12м. Исходя из этого рассчитываем необходимую производительность воздушного компрессора. Основные параметры для расчета - величина легочной вентиляции(л/мин) и давление.
Среднее значение легочной вентиляции на поверхности составляет 25 л/мин, на глубине 12м - 55 л/мин. Необходимое давление воздуха на глубине 12 м - 2.2 атм. Данные взяты отсюда http://ya-diver.com/vozduh-v-balone/415/
Следовательно воздушный компрессор должен иметь производительность не менее 55 л/мин, и давление не менее 2.2 атм.
В описании указано что используется мощный 12В компрессор. Автомобильные 12В компрессоры имеют производительность 25-30 л/мин и максимальное давление 7-10 атм. Существуют компактные модели с производительностью 70 л/мин типа такого http://rozetka.com.ua/voin_vp_610/p2432737/.
Далее вычисляем энергоемкость необходимую для работы компрессора. Для примера возьмем всю ту же модель VOIN VP-610. Максимальный потребляемый ток - 23А, цикл работы - 30 мин при температуре окружающей среды 23 градуса. Следовательно за один цикл потребление электроэнергии составит 11,5 А*ч, а значит емкость батареи необходимо взять не менее 12 А*ч (или около 150 Вт*ч) + некоторый запас. Так же следует учесть что компрессор не будет постоянно работать на полную мощность, а значит и потребляемый ток будет меньше максимального.Необходимую емкость можно получить если взять элементы 18650 3100 мА*ч и собрать по схеме 4P3S. Вес одного элемента примерно 50 гр. Вес батареи 12*50 гр = 600 гр. Вес компрессора 3.96 кг. Общий вес силовой установки около 4.5 кг. Плюс добавится вес шлангов, трубок, клапанов, БМС и пр. В итоге можно выйти на массу даже меньше чем 9.5 кг исходного девайса с более интересными характеристиками.
Примерный конструктив представляю себе так: Герметичное пластиковое ведро в котором смонтирована силовая установка, вставленное в автомобильную камеру. В крышке ведра шноркель из пластиковой трубы. Шланг подачи воздуха - витой компрессорный. Объем ведра можно использовать в качестве ресивера. Еще понадобится датчик давления для управления компрессором, загубник с редуктором, а также различные клапана и т.п.Зображення

_________________
Electric Drive Solutions Laboratory (EDSLab)

ЗАЗ 1103 "Slavuta AC Electric"
ГАЗ 24 "Волга електро"
А091 "Богдан електро"
ХТЗ Е25 "Едісон"
VW T5 "Combi drive"
"Synchronous"
Volvo 740 GL EDSLab
КМЗ "Дніпро електро Bonneville"
Dong Feng EDSLab
ЗАЗ 11055 "Tavria electro smart pickup"
ЗАЗ 1102 "Tavria electro smart coupe"

https://driver.top/user/68227/


Повернутися до початку
 Профіль  
Відповісти цитуючи  
#36638Повідомлення 23 трав 2017, 18:03 
Власник електровелосипеда, член клубу
Аватара користувача
Не в мережі

Звідки: Запорожье
Дякував (ла) 297 Подякували 1094
Мій електротранспорт: >
А если развернуть на воде плотик из солнечных элементов в ~3 квадратных метра, и маленькую буферную батарейку, то можно из под воды весь день вообще не вылазить. Или замутить под водой постоянно вентилируемый колокол из прочной герметичной пленки.

_________________
2 моноколеса, 2 электровела, 2 подводных буксира, надувной электро-каяк.


Повернутися до початку
 Профіль  
Відповісти цитуючи  
#36640Повідомлення 23 трав 2017, 18:13 
Власник електрояхти, член клубу
Аватара користувача
Не в мережі

Звідки: Київ
Дякував (ла) 546 Подякували 439
Мій електротранспорт: Електромот круізер
Хочу електротранспорт: будую вітрильну яхту з електромотором
Интересно, сначала пришла в голову мысль: а что делать, если какой-нибдуь гидроцикл случайно сломает эту штуковину наверху, как же быть с декомпрессионными остановками? Посмотрел Dive tables
https://www.naui.org/resources/dive-tables-review/
в общем, для такой глубины погружения это не есть проблема. Если человек проведет в погруженном состоянии на глубине 12 метров более 150 минут - тогда при всплытии будет требоваться декомпрессионная остановка на 10 минут на 5 метрах глубины.
Так что вполне можно юзать. На курсах по дайвингу учили что при экстренном всплытии надо постепенно выдыхать воздух из легких по мере уменьшения глубины чтобы не было последствий для организма

_________________
Завітайте в наш автосервіс в Києві на лівому березі
https://www.oars.com.ua/
https://maps.app.goo.gl/Fiss91KXzLZVK5ep7


Повернутися до початку
 Профіль  
Відповісти цитуючи  
#36641Повідомлення 23 трав 2017, 18:16 
Власник електрояхти, член клубу
Аватара користувача
Не в мережі

Звідки: Київ
Дякував (ла) 546 Подякували 439
Мій електротранспорт: Електромот круізер
Хочу електротранспорт: будую вітрильну яхту з електромотором
-=TRO=- писав(ла):
А если развернуть на воде плотик из солнечных элементов в ~3 квадратных метра, и маленькую буферную батарейку, то можно из под воды весь день вообще не вылазить. Или замутить под водой постоянно вентилируемый колокол из прочной герметичной пленки.

Вот как раз лучше делать перерывы каждые 2 часа, а не весь день под водой, вылазить на поверхность и восстанавливать давление кислорода в крови )))

_________________
Завітайте в наш автосервіс в Києві на лівому березі
https://www.oars.com.ua/
https://maps.app.goo.gl/Fiss91KXzLZVK5ep7


Повернутися до початку
 Профіль  
Відповісти цитуючи  
#36642Повідомлення 23 трав 2017, 18:19 
Творець електромобіля, член клубу
Не в мережі

Звідки: Дніпро
Дякував (ла) 188 Подякували 661
Хочу електротранспорт: Tesla Model3
Я делал расчет на 12 м, глубины, а это высота 4-х этажей. На самом деле в пресном водоеме уже на 4 м ничего не видно))

_________________
Electric Drive Solutions Laboratory (EDSLab)

ЗАЗ 1103 "Slavuta AC Electric"
ГАЗ 24 "Волга електро"
А091 "Богдан електро"
ХТЗ Е25 "Едісон"
VW T5 "Combi drive"
"Synchronous"
Volvo 740 GL EDSLab
КМЗ "Дніпро електро Bonneville"
Dong Feng EDSLab
ЗАЗ 11055 "Tavria electro smart pickup"
ЗАЗ 1102 "Tavria electro smart coupe"

https://driver.top/user/68227/


Повернутися до початку
 Профіль  
Відповісти цитуючи  
#36643Повідомлення 23 трав 2017, 18:21 
Власник електрояхти, член клубу
Аватара користувача
Не в мережі

Звідки: Київ
Дякував (ла) 546 Подякували 439
Мій електротранспорт: Електромот круізер
Хочу електротранспорт: будую вітрильну яхту з електромотором
Алексей В писав(ла):
Я делал расчет на 12 м, глубины, а это высота 4-х этажей. На самом деле в пресном водоеме уже на 4 м ничего не видно))


да, надо брать с собой дайверские фонари.

_________________
Завітайте в наш автосервіс в Києві на лівому березі
https://www.oars.com.ua/
https://maps.app.goo.gl/Fiss91KXzLZVK5ep7


Повернутися до початку
 Профіль  
Відповісти цитуючи  
#36644Повідомлення 23 трав 2017, 18:26 
Творець електромобіля, член клубу
Не в мережі

Звідки: Дніпро
Дякував (ла) 188 Подякували 661
Хочу електротранспорт: Tesla Model3
Хотелось бы услышать мнения по концепции в целом и обсуждение конструктивных решений. Возможно я допустил какие-то ошибки в расчетах.

_________________
Electric Drive Solutions Laboratory (EDSLab)

ЗАЗ 1103 "Slavuta AC Electric"
ГАЗ 24 "Волга електро"
А091 "Богдан електро"
ХТЗ Е25 "Едісон"
VW T5 "Combi drive"
"Synchronous"
Volvo 740 GL EDSLab
КМЗ "Дніпро електро Bonneville"
Dong Feng EDSLab
ЗАЗ 11055 "Tavria electro smart pickup"
ЗАЗ 1102 "Tavria electro smart coupe"

https://driver.top/user/68227/


Повернутися до початку
 Профіль  
Відповісти цитуючи  
#36645Повідомлення 23 трав 2017, 18:38 
Власник електрояхти, член клубу
Аватара користувача
Не в мережі

Звідки: Київ
Дякував (ла) 546 Подякували 439
Мій електротранспорт: Електромот круізер
Хочу електротранспорт: будую вітрильну яхту з електромотором
По рассчетам не подскажу.
По конструктивным решениям такой ньюанс вижу: такая длинная трубка, наполненная воздухом будет пытаться всплыть - может быть грузик какой-то в районе загубника поставить для компенсации?
Возможно, есть смысл бросать якорь, чтобы платформу на воде не уносило течением и ветром.

_________________
Завітайте в наш автосервіс в Києві на лівому березі
https://www.oars.com.ua/
https://maps.app.goo.gl/Fiss91KXzLZVK5ep7


Повернутися до початку
 Профіль  
Відповісти цитуючи  
#36666Повідомлення 23 трав 2017, 21:47 
Творець електромобіля, член клубу
Не в мережі

Звідки: Дніпро
Дякував (ла) 188 Подякували 661
Хочу електротранспорт: Tesla Model3
На видео видно что используется обычный пластиковый шланг, и он не всплывает. Хотя это надо проверять на практике. В обычных аквалангах используется двухступенчатая редукция. Первая ступень на баллонах понижает давление с 200-150 бар до 9.5, вторая ступень непосредственно на загубник (легочный автомат) понижает до необходимого на данной глубине давления. В случае с компрессором достаточно понижать с 2.2 (или 1.4 если ограничить глубину до 4-х метров) до 1 бар на поверхности, а на рассчетной глубине подавать все давление. В связи с этим возникает вопрос, будут ли стандартные легочные автоматы срабатывать от низкого давления? Нашел в интернете как один человек делал самодельный легочный автомат из редуктора газового баллона. Не до конца понимаю принцип действия данного узла.

_________________
Electric Drive Solutions Laboratory (EDSLab)

ЗАЗ 1103 "Slavuta AC Electric"
ГАЗ 24 "Волга електро"
А091 "Богдан електро"
ХТЗ Е25 "Едісон"
VW T5 "Combi drive"
"Synchronous"
Volvo 740 GL EDSLab
КМЗ "Дніпро електро Bonneville"
Dong Feng EDSLab
ЗАЗ 11055 "Tavria electro smart pickup"
ЗАЗ 1102 "Tavria electro smart coupe"

https://driver.top/user/68227/


Повернутися до початку
 Профіль  
Відповісти цитуючи  
#36667Повідомлення 23 трав 2017, 21:50 
Творець електромобіля, член клубу
Не в мережі

Звідки: Дніпро
Дякував (ла) 188 Подякували 661
Хочу електротранспорт: Tesla Model3
zloitapok писав(ла):
Возможно, есть смысл бросать якорь, чтобы платформу на воде не уносило течением и ветром.

В том то и смысл, что бы таскать этот компрессор за собой, не ограничивая свободу передвижения.

_________________
Electric Drive Solutions Laboratory (EDSLab)

ЗАЗ 1103 "Slavuta AC Electric"
ГАЗ 24 "Волга електро"
А091 "Богдан електро"
ХТЗ Е25 "Едісон"
VW T5 "Combi drive"
"Synchronous"
Volvo 740 GL EDSLab
КМЗ "Дніпро електро Bonneville"
Dong Feng EDSLab
ЗАЗ 11055 "Tavria electro smart pickup"
ЗАЗ 1102 "Tavria electro smart coupe"

https://driver.top/user/68227/


Повернутися до початку
 Профіль  
Відповісти цитуючи  
#36672Повідомлення 23 трав 2017, 23:13 
Творець електромобіля, член клубу
Не в мережі

Звідки: Дніпро
Дякував (ла) 188 Подякували 661
Хочу електротранспорт: Tesla Model3
Набросал упрощенную схему.
Додаткові файли:
Буфер обмена02.png
Буфер обмена02.png [ 33.84 КБ | Переглядів: 21696 ]

_________________
Electric Drive Solutions Laboratory (EDSLab)

ЗАЗ 1103 "Slavuta AC Electric"
ГАЗ 24 "Волга електро"
А091 "Богдан електро"
ХТЗ Е25 "Едісон"
VW T5 "Combi drive"
"Synchronous"
Volvo 740 GL EDSLab
КМЗ "Дніпро електро Bonneville"
Dong Feng EDSLab
ЗАЗ 11055 "Tavria electro smart pickup"
ЗАЗ 1102 "Tavria electro smart coupe"

https://driver.top/user/68227/


Повернутися до початку
 Профіль  
Відповісти цитуючи  
#36682Повідомлення 24 трав 2017, 08:06 
Не в мережі

Звідки: Дніпро
Дякував (ла) 10 Подякували 1
Алексей В писав(ла):
.
Примерный конструктив представляю себе так: Герметичное пластиковое ведро в котором смонтирована силовая установка, вставленное в автомобильную камеру.


Думаю корпус ведра необходимо обесшумить, т.к звук от автомобильного компрессора в воде будет очень бить по ушам.
И второй вопрос, безопасное всплытие должно обеспечиваться четкой идентификацией дистанции до находящихся на поверхности работающих лодочных моторов.


Повернутися до початку
 Профіль  
Відповісти цитуючи  
#36744Повідомлення 25 трав 2017, 08:09 
Творець електромобіля, керівник відділення клубу
Аватара користувача
Не в мережі

Звідки: Харьков
Дякував (ла) 32 Подякували 233
Мій електротранспорт: Славута
А обычный компресор не дает на выходе паров масла? Которое используется для смазки.
Если дает - нужно ставить сепаратор.

P.S. Классная идея. В детстве мечтал о акваланге. :)

_________________
Дорога покорится идущему


Повернутися до початку
 Профіль  
Відповісти цитуючи  
#36748Повідомлення 25 трав 2017, 08:49 
Творець електромобіля, член клубу
Аватара користувача
Не в мережі

Звідки: Харьков
Дякував (ла) 140 Подякували 133
Мій електротранспорт: Безлошадный
Хочу електротранспорт: Наш отечественный электромобиль!!!
Обязательно ставить фильтр!!!! Обязательно! Как говорил наш тренер, если ты не знаешь где заряжали акваланг ни в коем случае нельзя погружаться ибо под давлением каждый газ в составе воздуха смеси дает свое химическое свойство на организм человека что приводит не только к азотно-кислородному опьянению но и отравлению, и дизориентации и т.д. т.п.! К фильтрам нужно отнестись очень осторожно лучше купить готовый которые ставят на станции заправки аквалангов.

_________________
http://controllers.emkit.net


Повернутися до початку
 Профіль  
Відповісти цитуючи  
#36773Повідомлення 25 трав 2017, 14:39 
Творець електромобіля, член клубу
Не в мережі

Звідки: Дніпро
Дякував (ла) 188 Подякували 661
Хочу електротранспорт: Tesla Model3
Романтик писав(ла):
А обычный компресор не дает на выходе паров масла? Которое используется для смазки.
Если дает - нужно ставить сепаратор.

Есть компрессоры для аквариумов, мембранного типа, безмасляные. У них избыточное давление меньше 1 атм, а производительность от 80 л/м. чего достаточно для погружения до 10 м.
Yurij писав(ла):
Обязательно ставить фильтр!!!! Обязательно! Как говорил наш тренер, если ты не знаешь где заряжали акваланг ни в коем случае нельзя погружаться ибо под давлением каждый газ в составе воздуха смеси дает свое химическое свойство на организм человека что приводит не только к азотно-кислородному опьянению но и отравлению, и дизориентации и т.д. т.п.! К фильтрам нужно отнестись очень осторожно лучше купить готовый которые ставят на станции заправки аквалангов.

Глубже 5м в наших внутренних водоемах погружаться нет смысла, а это избыточное давление 0.5 атм. Очень сомневаюсь что химические свойства воздуха при таком давлении сильно меняются. В любом случае фильтр и влагоотделитель необходим. Можно использовать фильтр от противогаза.
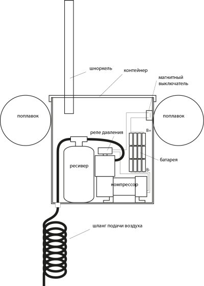
На самом деле такие системы уже давно существуют. В интернете полно вариантов самодельных конструкций и предложений продажи готовых систем. Называется Hooka или SNUBA (по аналогии со SCUBA - балонный дыхательный аппарат). В принципе информация по готовым системам подтверждает мои предварительные рассчеты. Начитавшись инфы в интернете доработал схему устройства. В качестве ресивера (он же влагоотделитель и поплавок) используются пластиковые вентканалы. В место ведра - пластиковый контейнер с герметичной крышкой.
Додаткові файли:
Буфер обмена01.png
Буфер обмена01.png [ 38.59 КБ | Переглядів: 21635 ]

Устройство получается еще более компактное.

_________________
Electric Drive Solutions Laboratory (EDSLab)

ЗАЗ 1103 "Slavuta AC Electric"
ГАЗ 24 "Волга електро"
А091 "Богдан електро"
ХТЗ Е25 "Едісон"
VW T5 "Combi drive"
"Synchronous"
Volvo 740 GL EDSLab
КМЗ "Дніпро електро Bonneville"
Dong Feng EDSLab
ЗАЗ 11055 "Tavria electro smart pickup"
ЗАЗ 1102 "Tavria electro smart coupe"

https://driver.top/user/68227/


Повернутися до початку
 Профіль  
Відповісти цитуючи  
Показати повідомлення за:  Поле сортування  
Почати нову тему Відповісти на тему  [ Повідомлень: 31 ]              На сторінку 1, 2, 3  Наступ.

Часовий пояс: UTC + 2 години


Хто зараз на конференції

Зараз цей форум переглядають: немає зареєстрованих користувачів і гості: 11


Ви не можете створювати нові теми
Ви не можете відповідати на повідомлення
Ви не можете редагувати свої повідомлення
Ви не можете видаляти свої повідомлення
Ви не можете додавати додаткові файли

Найти:
Створено на основі phpBB® Forum Software © phpBB Group