Поточний час: 30 жовт 2025, 18:08

Часовий пояс: UTC + 2 години



Почати нову тему Відповісти на тему  [ Повідомлень: 294 ]  На сторінку Пред.  1 ... 4, 5, 6, 7, 8, 9, 10 ... 20  Наступ.
Автор Повідомлення
 Заголовок повідомлення: Re: Renault Kangoo electrcite 2001
#43353Повідомлення 05 жовт 2017, 12:26 
Творець електромобіля
Аватара користувача
Не в мережі

Звідки: Германия, Дюссельдорф
Дякував (ла) 331 Подякували 938
Мій електротранспорт: Citroen Saxo, Renault Kangoo Electrcity, Elect'road & Cleanova II Plus
По полочкам:

Батарея перед доливкой воды перезаряжается 5 часов для разогрева, что бы нагретый электролит увеличился в объеме и занял например 80% пространства, тогда при доливке вода займет остальные 20%. Для того что бы при последующих зарядках с перезарядками по 1,5 и 3 часа (каждая 10ая) вода при нагрева просто не вытекла, она должна потихоньку испаряться при перезарядках и эти перезаряженые Ач считает комп и потом говорит когда надо делать сервис, тупо по определенному количество перезаряженных Ач. А если вода вытекла, пускай небольшая часть, то сервис воды надо сделать раньше, можно не ждать лампы сервиса воды, а судя по пробегу после последнего сервиса. Сделать сервис воды даже в два раза раньше хуже не сделает. В саксо лампа горит после 800Ач, а делаем в среднем после 500Ач (есть приборы считывающие информацию счетчика перезаряженных Ач).
Проблема получается в другом, что при доливки не бидистилированной или не дистилированой воды, при ее испарении остаются остатки (сорри за тавтологию), которые и могут повредить батарею.
Другая опасность существует в том, когда при сервисе воды, после 5 часовой перезарядке в батарею с разоретым электролитом доливают холодную воду, меньше 20°С. Тогда существует большая вероятность смешивания электролита с водой и в последующем потери уровня электролита при следующих перезарядках.

Никакого узла для быстрой зарядки кроме силовых клемм расчитаных на 150А и К-линии нет в природе. Тем более провода идут к печке, а она в Кенгу электрическая. Станции существовали и заряжали все саксы/п106е/берлинго/партнеры/кенгу/клио без какого либо узла под капотом.

Про чардж рапиде где то с 7:15




Тут с 20:31. Во всем видео рассказывают про каждый узел. На видео вставил штекер экспресс зарядки и все.





П.С: у себя с под капота убрал верхний батарейный ящик, нет там ничего для быстрой зарядки кроме 2ух кабелей 50мм2 ;)


С уважением,

Александр.

_________________
кВт•ч≠кВт≠кВт/ч

Проехал на электротяге
25 000 км

Мы не унаследовали планету Земля у наших отцов, мы отбираем ее у наших детей!


Повернутися до початку
 Профіль  
Відповісти цитуючи  
 Заголовок повідомлення: Re: Renault Kangoo electrcite 2001
#43363Повідомлення 05 жовт 2017, 14:41 
Голова клубу
Аватара користувача
Не в мережі

Звідки: Україна, Донецьк => Ірпінь
Дякував (ла) 6964 Подякували 2587
Мій електротранспорт: Tesla S
Хочу електротранспорт: е-панцирник
DeLike, имеется ввиду, что в той Кенге есть некий узел, сквозь который проходят провода быстрой зарядки - между конектором и сагемблока. У меня же провода идут напрямую.

Хозяин той Кенги сейчас ищет ячейку на замену.


Повернутися до початку
 Профіль  
Відповісти цитуючи  
 Заголовок повідомлення: Re: Renault Kangoo electrcite 2001
#43365Повідомлення 05 жовт 2017, 16:07 
Творець електромобіля
Аватара користувача
Не в мережі

Звідки: Германия, Дюссельдорф
Дякував (ла) 331 Подякували 938
Мій електротранспорт: Citroen Saxo, Renault Kangoo Electrcity, Elect'road & Cleanova II Plus
У меня только одна мысль. Печка при экспресс зарядке...

С уважением,

Александр.

_________________
кВт•ч≠кВт≠кВт/ч

Проехал на электротяге
25 000 км

Мы не унаследовали планету Земля у наших отцов, мы отбираем ее у наших детей!


Повернутися до початку
 Профіль  
Відповісти цитуючи  
 Заголовок повідомлення: Re: Renault Kangoo electrcite 2001
#43369Повідомлення 05 жовт 2017, 18:22 
Голова клубу
Аватара користувача
Не в мережі

Звідки: Україна, Донецьк => Ірпінь
Дякував (ла) 6964 Подякували 2587
Мій електротранспорт: Tesla S
Хочу електротранспорт: е-панцирник
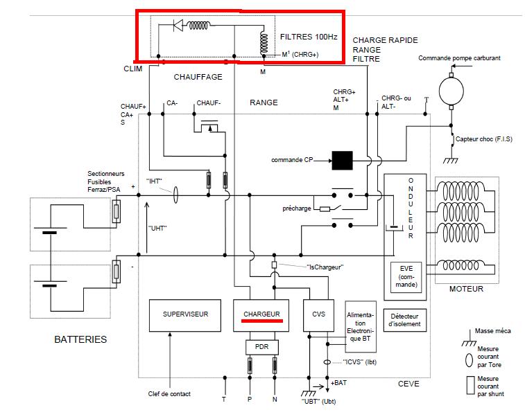
Пусть будет печка. Но маркировка на этом узле вообще оригинальная - фильтр 100Гц.

Я этот узел ещё на фотках продавцов заприметил. И назначение его до конца не ясно.


Додаткові файли:
P_20170915_091118.jpg
P_20170915_091118.jpg [ 647.17 КБ | Переглядів: 6571 ]
P_20170915_091148.jpg
P_20170915_091148.jpg [ 707.87 КБ | Переглядів: 6571 ]
Повернутися до початку
 Профіль  
Відповісти цитуючи  
 Заголовок повідомлення: Re: Renault Kangoo electrcite 2001
#43370Повідомлення 05 жовт 2017, 19:21 
Не в мережі

Звідки: Украина
Дякував (ла) 29 Подякували 193
Хочу електротранспорт: любой
Stalker_W писав(ла):
И назначение его до конца не ясно.


Додаткові файли:
aaaa.JPG
aaaa.JPG [ 58.6 КБ | Переглядів: 6563 ]
Повернутися до початку
 Профіль  
Відповісти цитуючи  
 Заголовок повідомлення: Re: Renault Kangoo electrcite 2001
#43377Повідомлення 05 жовт 2017, 20:47 
Творець електромобіля
Аватара користувача
Не в мережі

Звідки: Германия, Дюссельдорф
Дякував (ла) 331 Подякували 938
Мій електротранспорт: Citroen Saxo, Renault Kangoo Electrcity, Elect'road & Cleanova II Plus
Спросил у немцев на форуме. Сказали они его демонтируют. В иструкции написано "выбросить и поставить перемычку" :)

Это фильтр для уменьшения влияния переменной сети 50Гц на батарею при зарядке. Пользы не приносит, только греется ;) Фенито ля комедия.

С уважением,

Александр.

_________________
кВт•ч≠кВт≠кВт/ч

Проехал на электротяге
25 000 км

Мы не унаследовали планету Земля у наших отцов, мы отбираем ее у наших детей!


Повернутися до початку
 Профіль  
Відповісти цитуючи  
 Заголовок повідомлення: Re: Renault Kangoo electrcite 2001
#43763Повідомлення 11 жовт 2017, 18:23 
Голова клубу
Аватара користувача
Не в мережі

Звідки: Україна, Донецьк => Ірпінь
Дякував (ла) 6964 Подякували 2587
Мій електротранспорт: Tesla S
Хочу електротранспорт: е-панцирник
Вторая Кенга из под Сум показала чудеса живучести аккумуляторов. После сервиса воды и замены одного лопнутого аккумулятора она начала проходить 65км. И это только на первом же цикле, без экономии (тапок в пол) и текущей холодной погоде!


Повернутися до початку
 Профіль  
Відповісти цитуючи  
 Заголовок повідомлення: Re: Renault Kangoo electrcite 2001
#43774Повідомлення 11 жовт 2017, 21:06 
Творець електромобіля
Аватара користувача
Не в мережі

Звідки: Германия, Дюссельдорф
Дякував (ла) 331 Подякували 938
Мій електротранспорт: Citroen Saxo, Renault Kangoo Electrcity, Elect'road & Cleanova II Plus
Надо минимум проверить напряжение на каждом ящике (можно замерить и на одном ящике и потом высчитать с общего напряжения), после полного разряда. Разделить на количество блоков в ящике. Если разница между средним напряжением блоков с обеих ящиков примерно одинаковое, скажем около 5,5В с дельтой в 50мВ, то еще более менее, но если хотя бы 200-300мВ разница, то как минимум один блок подставляет всю батарею.

П.С: 65км с тапкой в пол это хорошо, но понятней было бы в %, до скольких % разрядили со 100% после сервиса воды, ведь 1%=1Ач.

П.С2: у меня один блок отдал 65Ач почему то, на втором цикле уже 93Ач, сейчас жду 3ий цикл.

С уважением,

Александр.

_________________
кВт•ч≠кВт≠кВт/ч

Проехал на электротяге
25 000 км

Мы не унаследовали планету Земля у наших отцов, мы отбираем ее у наших детей!


Повернутися до початку
 Профіль  
Відповісти цитуючи  
 Заголовок повідомлення: Re: Renault Kangoo electrcite 2001
#44002Повідомлення 15 жовт 2017, 13:38 
Голова клубу
Аватара користувача
Не в мережі

Звідки: Україна, Донецьк => Ірпінь
Дякував (ла) 6964 Подякували 2587
Мій електротранспорт: Tesla S
Хочу електротранспорт: е-панцирник
По Кенге из под Сум.
Когда она приехала, при заряде индикатор не подымался выше 37%. Мы даже думали, что это заедает стрелка в приборной панели. Но после замены аккумуляторов стрелка дошла до 60, а сейчас аж до 90%.
Электромобиль перестал заряжаться, но причину нашли. Оказался обрыв контактов вентиляторов (или датчиков температуры) в задней кассете. Вот так заботились конструкторы, чтоб водород не накапливался в батарейном отсёке - даже защиту предусмотрели.


Повернутися до початку
 Профіль  
Відповісти цитуючи  
 Заголовок повідомлення: Re: Renault Kangoo electrcite 2001
#45702Повідомлення 14 лист 2017, 22:33 
Голова клубу
Аватара користувача
Не в мережі

Звідки: Україна, Донецьк => Ірпінь
Дякував (ла) 6964 Подякували 2587
Мій електротранспорт: Tesla S
Хочу електротранспорт: е-панцирник
Сколько же модулей Теслы поставить: 7 или 8 {00-00} Вот в чём вопрос.


Додаткові файли:
8Тесел.gif
8Тесел.gif [ 20.69 КБ | Переглядів: 6449 ]
7Тесел.gif
7Тесел.gif [ 18.64 КБ | Переглядів: 6449 ]
Повернутися до початку
 Профіль  
Відповісти цитуючи  
 Заголовок повідомлення: Re: Renault Kangoo electrcite 2001
#45707Повідомлення 14 лист 2017, 23:06 
Творець електромобіля
Аватара користувача
Не в мережі

Звідки: Германия, Дюссельдорф
Дякував (ла) 331 Подякували 938
Мій електротранспорт: Citroen Saxo, Renault Kangoo Electrcity, Elect'road & Cleanova II Plus
Вообще не вопрос. Нужно больше динамики, энергоемкости/пробега, и достаточно финансов - тогда 8 модулей. Контроллер переваривает напряжение 22×9В=198В (4,125В×48S), а может и больше. Про защиту по нижнему напряжению в 113В или 2,36В×48S не аргумент. Все равно нужна БМС, с поячеечным мониторингом и защитой от переразряда (БМС от Романтика для тесла модулей прекрасно справляется). Тем более эти параметры по нижниму напряжению как то да можно изменить. Но разница из-за 8го модуля в 22,2В×200А (300А) = 4,5кВт (6,6кВт) поверьте будет ощутимой. Особенно в сравнении с никелем 132В×200А и литием 178В×300А (та даже и 200А).

7 модулей - меньше пробег, меньше мощности, больше средние токи. Разряд до ~2,7В, ниже не даст контроллер.

6 модулей - минимальное количество. Примерно такая же динамика как и с никелем 132В против 133В (36S) если не включать 300А с батареи, хотя будет чувствоваться уменьшение веса ЭТС (150кг лития против 300кг никеля). Разряд до ~3,14В на ячейку, ниже не даст контроллер. Меньше всего пробег, мощность/динамика, и больше всего средние токи!

С уважением,

Александр.

_________________
кВт•ч≠кВт≠кВт/ч

Проехал на электротяге
25 000 км

Мы не унаследовали планету Земля у наших отцов, мы отбираем ее у наших детей!


Повернутися до початку
 Профіль  
Відповісти цитуючи  
 Заголовок повідомлення: Re: Renault Kangoo electrcite 2001
#45997Повідомлення 20 лист 2017, 09:19 
Творець електромобіля
Аватара користувача
Не в мережі

Звідки: Германия, Дюссельдорф
Дякував (ла) 331 Подякували 938
Мій електротранспорт: Citroen Saxo, Renault Kangoo Electrcity, Elect'road & Cleanova II Plus
Помогал перегнать такую же Кенгу. Бывший владелец по профессии электронщик и изменил в машине больше чем сам рено мог ;) Шучу, просто много.

Так вот, контроллер там работает намного интересней чем в ситроене или пежо тех годов. Во первых низкое напряжение каким то образом скручено до 100В. Но машину даже на убитом (один или несколько блоков) никеле не остановить)) Ограничивает ток примерно при 110В и ниже, но не просто как в саксо например, тупо один раз просело напряжение и все, а как будто с постоянным мониторингом. Сначала машина при низком SOC не ехала быстрее 60км/ч, потом 50, 40, 30 и т.д. пока скорость не упала до 5-6км/ч и это за последние 10км из 40км пробега вообще возможных со старым аккумулятором. Но подчеркну, ограничение было не по скорости, а маленькими шагами по току, т.к. при небольшом спуске скорость увеличивалась. В общем хотели машину своим ходом разрядить в ноль (для расскачки батареи), но мы задолбались на большущей парковке для фур нарезать круги со скоростью пешехода и вспомнили что там есть электропечка.

Если удастся получить информацию каким путем можно изменить настройки по низкому напряжение, хотя бы в меньшую сторону, то и 6 модулей с такими настройками идеально подойдут, а если и в сторону увеличения, то и 8 модулей можно поставить с нужными настройками.

П.С: что удивило меня сильно, так это то, что при напряжении 110В на никеле Кенгу куда бодрее разгоняется хотя бы до тех же 50-60км/ч чем саксо на никеле при 110В и с такой же силой тока!!! Интересно как такая Кенгу с литием себя поведет, особенно если номинальное напряжение будет прилично выше чем с никелем + Boost кнопка, которая позволяет вливать вместо 22кВт уже 30кВт при 132В NiCd ВВБ. Например если 8 модулей на 35% выше по напряжению чем родной никель, то вливать можно уже 30кВт без Boost и 40кВт с Boost.

С уважением,

Александр.

_________________
кВт•ч≠кВт≠кВт/ч

Проехал на электротяге
25 000 км

Мы не унаследовали планету Земля у наших отцов, мы отбираем ее у наших детей!


Повернутися до початку
 Профіль  
Відповісти цитуючи  
 Заголовок повідомлення: Re: Renault Kangoo electrcite 2001
#46215Повідомлення 23 лист 2017, 10:23 
Голова клубу
Аватара користувача
Не в мережі

Звідки: Україна, Донецьк => Ірпінь
Дякував (ла) 6964 Подякували 2587
Мій електротранспорт: Tesla S
Хочу електротранспорт: е-панцирник
Очень интересно выведать побольше информации у того владельца!

А у меня контроллер на холоде при зарядке перегревается! Прошлой зимой я так и не понял почему зарядка периодически выключается, стоит минуту-две, а потом включается обратно. Теперь я случайно коснулся саджм-блока в месте модуля зарядки и ужаснулся перегреву. Вентилятор при этом машина не включает.
Предполагаю, что у меня или отпал один из термодатчиков или конструкторы не доделали. Когда на улице тепло, то зарядка нагревает оставшиеся термодатчики и включается вентилятор. Зимой тепло до оставшихся рабочих термодатчиков не дотягивает и зарядка уходит в жёсткую защиту по перегреву.

Для проверки теории положил рядом вентилятор и начал им дуть во время зарядки. Всё стало отлично, никаких выключений зарядки.
Теперь решил организовать ручное включение штатного вентилятора во время зарядки. Но есть вопросы по его подключению. Описал вопрос тут: viewtopic.php?p=46214#p46214


Повернутися до початку
 Профіль  
Відповісти цитуючи  
 Заголовок повідомлення: Re: Renault Kangoo electrcite 2001
#46216Повідомлення 23 лист 2017, 10:57 
Творець електромобіля
Аватара користувача
Не в мережі

Звідки: Германия, Дюссельдорф
Дякував (ла) 331 Подякували 938
Мій електротранспорт: Citroen Saxo, Renault Kangoo Electrcity, Elect'road & Cleanova II Plus
Под капотом этой Кенги заметил 3 внештатных вентилятора...

Додаткові файли:
kgmr1.jpg
kgmr1.jpg [ 43.71 КБ | Переглядів: 6369 ]


С уважением,

Александр.

_________________
кВт•ч≠кВт≠кВт/ч

Проехал на электротяге
25 000 км

Мы не унаследовали планету Земля у наших отцов, мы отбираем ее у наших детей!


Повернутися до початку
 Профіль  
Відповісти цитуючи  
 Заголовок повідомлення: Re: Renault Kangoo electrcite 2001
#46231Повідомлення 23 лист 2017, 13:01 
Не в мережі

Звідки: Украина
Дякував (ла) 29 Подякували 193
Хочу електротранспорт: любой
............................................................................


Додаткові файли:
vent.jpg
vent.jpg [ 39.53 КБ | Переглядів: 6356 ]
Повернутися до початку
 Профіль  
Відповісти цитуючи  
Показати повідомлення за:  Поле сортування  
Почати нову тему Відповісти на тему  [ Повідомлень: 294 ]              На сторінку Пред.  1 ... 4, 5, 6, 7, 8, 9, 10 ... 20  Наступ.

Часовий пояс: UTC + 2 години


Хто зараз на конференції

Зараз цей форум переглядають: немає зареєстрованих користувачів і гості: 27


Ви не можете створювати нові теми
Ви не можете відповідати на повідомлення
Ви не можете редагувати свої повідомлення
Ви не можете видаляти свої повідомлення
Ви не можете додавати додаткові файли

Найти:
Створено на основі phpBB® Forum Software © phpBB Group