Поточний час: 29 лист 2025, 16:45

Часовий пояс: UTC + 2 години


Правила форума


Обговорення лише самостійно зібраних/переобладнаних електромобілів на ходу


Почати нову тему Відповісти на тему  [ Повідомлень: 316 ]  На сторінку Пред.  1, 2, 3, 4, 5, 6 ... 22  Наступ.
Автор Повідомлення
 Заголовок повідомлення: Re: Електра 2 Михалича м. Київ
#3188Повідомлення 14 черв 2014, 21:37 
Творець електромобіля, правління клубу
Аватара користувача
Не в мережі

Звідки: Київ, Україна
Дякував (ла) 75 Подякували 272
Мій електротранспорт: Таврія EV
Михалыч, но туда все время в гору, а назад с горки.

_________________
Пробіг на батарейках 180 000 км


Повернутися до початку
 Профіль  
Відповісти цитуючи  
 Заголовок повідомлення: Re: Електра 2 Михалича м. Київ
#3192Повідомлення 15 черв 2014, 05:05 
Творець електромобіля, засновник клубу
Аватара користувача
Не в мережі

Звідки: Украина. Киев. †.
Дякував (ла) 872 Подякували 1389
Мій електротранспорт: "Электра 2"
Хочу електротранспорт: "Электра 3" вдвое легче, но с втрое бОльшим солнцеобеспечением
Нет, горка только по ул.Урицкого 1 км, остальные км- ровные.


Повернутися до початку
 Профіль  
Відповісти цитуючи  
 Заголовок повідомлення: Re: Електра 2 Михалича м. Київ
#3193Повідомлення 15 черв 2014, 06:36 
Творець електромобіля, засновник клубу
Аватара користувача
Не в мережі

Звідки: Украина. Киев. †.
Дякував (ла) 872 Подякували 1389
Мій електротранспорт: "Электра 2"
Хочу електротранспорт: "Электра 3" вдвое легче, но с втрое бОльшим солнцеобеспечением
Однако, Коллеги, сомневаются-спрашивают: -как может быть, что Брендовый Электромобильный мотор "Адвансед", требовал переделки-перекоммутации, для улучшения своих ТТХ ? .................................
....Попробую оправдаться: Высокооборотистый ( до 6000) мотор имеет свой максимальный КПД 85% , при оптимальных оборотах 3 - 4000 об.мин..
На моей Электре , работая без КПП, ОН, при скоростях городской езды 30 - 60 кмч , работает в неоптимальном диапазоне 1000 - 2000 об мин.............
...Распараллелив катушки ОВ, повысив магнитное поле статора, я понизил этому мотору обороты (да и макс.мощность) и сместил его КПД на более низкие обороты.
Такое переключение, позволит мне повысить экономичность режимов малых оборотов и мощностей, и увеличить пробег, на этих режимах;
Что не помешает мне, для бОльших скоростей и нагрузок , переключить ОВ в исходное состояние.
Да, Я согласен, ТАКОЕ, при наличии КПП, неактуально , но ................
покажите мне электромобиль с КПП, с расходом 50 -60 ватт.час.км. ? ? ?


Повернутися до початку
 Профіль  
Відповісти цитуючи  
 Заголовок повідомлення: Re: Електра 2 Михалича м. Київ
#3254Повідомлення 19 черв 2014, 12:08 
Творець електромобіля, засновник клубу
Аватара користувача
Не в мережі

Звідки: Украина. Киев. †.
Дякував (ла) 872 Подякували 1389
Мій електротранспорт: "Электра 2"
Хочу електротранспорт: "Электра 3" вдвое легче, но с втрое бОльшим солнцеобеспечением
Так , ВОТ КОЛЛЕГИ ! Не сильно вдаваясь в подробности, сообщаю, что :
..... МОЯ ЭЛЕКТРА СКАЗИЛАСЬ ! И ХОЧЕТ ЛЕТАТЬ !................
Видимо, ЭТОТ РОМАНТИК (ЛОГВИН) , в свою последнюю версию контроллера , в поток электронов добавил нитроглицерину. :hurra: :hurra: :bravo: :winken:
....Я теперь ездить боюсь , на газ надо нажимать осторожно. Привыкну конечно, но не сразу. ! ! !
Виталию Куче : когда выберешь время, заезжай за МК, как договорились; и прокатимся - замерим НОВУЮ ДИНАМИКУ,


Повернутися до початку
 Профіль  
Відповісти цитуючи  
 Заголовок повідомлення: Re: Електра 2 Михалича м. Київ
#3255Повідомлення 19 черв 2014, 12:47 
Не в мережі

Звідки: Самара
Дякував (ла) 1 Подякували 0
Хочу електротранспорт: Matiz e-car
Михалыч, значит Сurtis уже поменян на контроллер РОМАНТИКА ?


Повернутися до початку
 Профіль  
Відповісти цитуючи  
 Заголовок повідомлення: Re: Електра 2 Михалича м. Київ
#3257Повідомлення 19 черв 2014, 13:07 
Творець електромобіля, засновник клубу
Аватара користувача
Не в мережі

Звідки: Украина. Киев. †.
Дякував (ла) 872 Подякували 1389
Мій електротранспорт: "Электра 2"
Хочу електротранспорт: "Электра 3" вдвое легче, но с втрое бОльшим солнцеобеспечением
Куртис поменял сразу после Крымской "Электромобилизации 2013" ездил уже и с Логвиным ( ранних модификаций) и с китайским Келли., но ТАКИМ ! и не пахло.
Но, что САМОЕ НЕОБЪЯСНИМОЕ ? ? ? ПОХОЖЕ, ЧТО СТАВ ЗНАЧИТЕЛЬНО ДИНАМИЧНЕЕ , ОНО ЕЩЕ И ЭКОНОМИЧНЕЕ СТАЛО в маломощном режиме !


Повернутися до початку
 Профіль  
Відповісти цитуючи  
 Заголовок повідомлення: Re: Електра 2 Михалича м. Київ
#3259Повідомлення 19 черв 2014, 17:25 
Засновник клубу
Не в мережі

Звідки: Украина, Киев
Дякував (ла) 125 Подякували 59
Мій електротранспорт: Электрорепликар
Так это тот контроллер, что и у меня? Или уже другой модификации? И кто его программировал? На какой процент мощности?
А Романтику -- Респект и Уважуха!!! Скоро будет новая фирма в мировом контроллеростроении, типа "Лог-Ромикс" или "Л.Ю.Рокс", где-то так. :o :o :o :o :o


Повернутися до початку
 Профіль  
Відповісти цитуючи  
 Заголовок повідомлення: Re: Електра 2 Михалича м. Київ
#3263Повідомлення 19 черв 2014, 21:46 
Творець електромобіля, засновник клубу
Аватара користувача
Не в мережі

Звідки: Украина. Киев. †.
Дякував (ла) 872 Подякували 1389
Мій електротранспорт: "Электра 2"
Хочу електротранспорт: "Электра 3" вдвое легче, но с втрое бОльшим солнцеобеспечением
Нет, Вячеслав, это последняя версия и такого ещё не было !
.....Немного цифр сравнительного анализа: Куртис давал на Адвансед, ~
130 А, с нуля оборотов , что обеспечивало ему КМ ~160 НМ ;
Вторая версия Логвина, из тех, что были у меня - 160 А и 200 НМ на валу мотора. Это с нуля оборотов , но, до 605 А , при спурте в гору. ; Китайский Келли - до 150 а -чуть слабее .................................................
Но, ЭТОТ ЗВЕРЬ, выдаёт с нуля 300 а, с чем мой мотор выдаёт 350 НМ на валу ! ! ! Сколько он даст при разгоне в гору ? - ещё не знаю, но , .....
боюсь, что, жалея 200 АЧасовую батарею, придётся наигравшись -ограничить .


..... И вопрос к Романтику : - нельзя ли , без перепрограммирования, простым вводом (тумблером) дополнительного -последовательного резистора, в цепь "регулятора газа" включать режим "дефорсаж" ?
Сейчас, на неровной -ухабистой дороге, трудно, ногой на педали газа, держать равномерную (без рывков) нагрузку.? ? ?


Повернутися до початку
 Профіль  
Відповісти цитуючи  
 Заголовок повідомлення: Re: Електра 2 Михалича м. Київ
#3265Повідомлення 19 черв 2014, 23:32 
Засновник клубу
Не в мережі

Звідки: Украина, Киев
Дякував (ла) 125 Подякували 59
Мій електротранспорт: Электрорепликар
Михалыч писав(ла):
... ЭТОТ ЗВЕРЬ, выдаёт с нуля 300 а, с чем мой мотор выдаёт 350 НМ на валу ! ! ! Сколько он даст при разгоне в гору ? - ещё не знаю, но , .....

А что надо, чтобы поменять предыдущую модель на этого зверя ?


Повернутися до початку
 Профіль  
Відповісти цитуючи  
 Заголовок повідомлення: Re: Електра 2 Михалича м. Київ
#3270Повідомлення 20 черв 2014, 08:27 
Творець електромобіля, засновник клубу
Аватара користувача
Не в мережі

Звідки: Украина. Киев. †.
Дякував (ла) 872 Подякували 1389
Мій електротранспорт: "Электра 2"
Хочу електротранспорт: "Электра 3" вдвое легче, но с втрое бОльшим солнцеобеспечением
Этот вопрос не ко мне, а к изготовителю.


Повернутися до початку
 Профіль  
Відповісти цитуючи  
 Заголовок повідомлення: Re: Електра 2 Михалича м. Київ
#3279Повідомлення 21 черв 2014, 00:22 
Творець електромобіля, засновник клубу
Не в мережі

Звідки: г. Киев , Турьи Реметы Закарпатье .
Дякував (ла) 345 Подякували 706
Мій електротранспорт: Славута Электро АС привод VW T5 комби привод Dong Feng электро
Рекомендую Михалычу не увлекаться , т.к. следующим узким звеном станет коллектор и щетки .

_________________
Мы не настолько богаты , чтобы ездить на бензине .
Мы не настолько здоровы , чтобы дышать выхлопными газами .
Поэтому мы ездим на электричестве .
больше 200 000 км на асинхронном электро приводе Славянка .


Повернутися до початку
 Профіль  
Відповісти цитуючи  
 Заголовок повідомлення: Re: Електра 2 Михалича м. Київ
#3280Повідомлення 21 черв 2014, 05:02 
Творець електромобіля, засновник клубу
Аватара користувача
Не в мережі

Звідки: Украина. Киев. †.
Дякував (ла) 872 Подякували 1389
Мій електротранспорт: "Электра 2"
Хочу електротранспорт: "Электра 3" вдвое легче, но с втрое бОльшим солнцеобеспечением
Да, гипотетически, ЭТО может иметь место, но........, способность сериесников к многократным перегрузкам убедительно продемонстрировал Григорий, с мотором ДС 3,6 . Да и не будет, уже у меня , следующих шагов в плане перегрузок.
.....Дальше -только рекуперация.


Повернутися до початку
 Профіль  
Відповісти цитуючи  
 Заголовок повідомлення: Re: Електра 2 Михалича м. Київ
#3285Повідомлення 21 черв 2014, 08:53 
Творець електромобіля, засновник клубу
Не в мережі

Звідки: г. Киев , Турьи Реметы Закарпатье .
Дякував (ла) 345 Подякували 706
Мій електротранспорт: Славута Электро АС привод VW T5 комби привод Dong Feng электро
Если многократные не переходят в критические . Один круговой огонь - и вы начинаете хорошо помнить цену щеточного комплекта .

_________________
Мы не настолько богаты , чтобы ездить на бензине .
Мы не настолько здоровы , чтобы дышать выхлопными газами .
Поэтому мы ездим на электричестве .
больше 200 000 км на асинхронном электро приводе Славянка .


Повернутися до початку
 Профіль  
Відповісти цитуючи  
 Заголовок повідомлення: Re: Електра 2 Михалича м. Київ
#3286Повідомлення 21 черв 2014, 09:46 
Творець електромобіля, керівник відділення клубу
Аватара користувача
Не в мережі

Звідки: Харьков
Дякував (ла) 32 Подякували 233
Мій електротранспорт: Славута
Михалыч писав(ла):
..... И вопрос к Романтику : - нельзя ли , без перепрограммирования, простым вводом (тумблером) дополнительного -последовательного резистора, в цепь "регулятора газа" включать режим "дефорсаж" ?


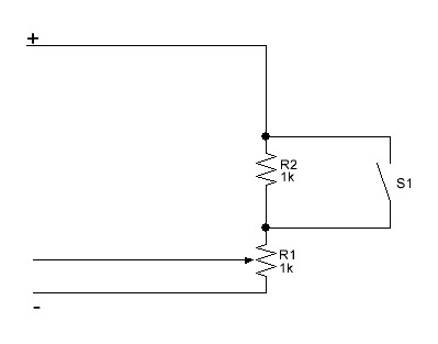
Думаю что можно. (номиналы сопротивлений подставить свои)
Додаткові файли:
AccelLower.JPG
AccelLower.JPG [ 8.08 КБ | Переглядів: 7402 ]

Подбором R2 можно менять макс. ток.
Внимание! R2 - только в плюсовой цепи!

Avtoirich писав(ла):
А что надо, чтобы поменять предыдущую модель на этого зверя ?

Если у Вас будет "правильное" передаточное число, то это и не потребуется. Гриша на таком как у Вас контролере легко дрифтует на своем пыжике.

_________________
Дорога покорится идущему


Повернутися до початку
 Профіль  
Відповісти цитуючи  
 Заголовок повідомлення: Re: Електра 2 Михалича м. Київ
#3289Повідомлення 21 черв 2014, 14:43 
Творець електромобіля, засновник клубу
Аватара користувача
Не в мережі

Звідки: Украина. Киев. †.
Дякував (ла) 872 Подякували 1389
Мій електротранспорт: "Электра 2"
Хочу електротранспорт: "Электра 3" вдвое легче, но с втрое бОльшим солнцеобеспечением
Вячеслав М писав(ла):
Если многократные не переходят в критические . Один круговой огонь - и вы начинаете хорошо помнить цену щеточного комплекта .

Да, но сомнения, однако, возникли ! . Потому, снова поехал в гору ( градусов 20, где у меня на прошлом контроллере был мах ток 605 ампер, при педали в пол и стабильной скорости до 30 кмч.
Там же, педаль в пол, с 20кмч и 20 - 30 - 40 - 50 ,и подъём кончился.
циклоналист зафиксировал мах скорость 612 ампер !
Скажете : -так , не может быть ! Сам так думал ., но так оно есть !
Однако заметил нагрев контроллера -без радиатора ! Добавлю радиатора- охлаждения, и продолжу тесты.


Повернутися до початку
 Профіль  
Відповісти цитуючи  
Показати повідомлення за:  Поле сортування  
Почати нову тему Відповісти на тему  [ Повідомлень: 316 ]              На сторінку Пред.  1, 2, 3, 4, 5, 6 ... 22  Наступ.

Часовий пояс: UTC + 2 години


Хто зараз на конференції

Зараз цей форум переглядають: немає зареєстрованих користувачів і гості: 88


Ви не можете створювати нові теми
Ви не можете відповідати на повідомлення
Ви не можете редагувати свої повідомлення
Ви не можете видаляти свої повідомлення
Ви не можете додавати додаткові файли

Найти:
Створено на основі phpBB® Forum Software © phpBB Group