|
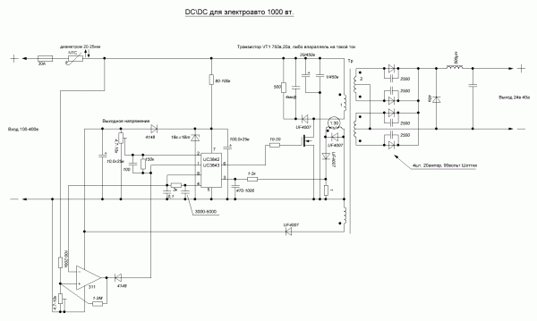
Так как DC/DC на "конденсаторном" принципе имеет низкий КПД (при симулировании показал 5% на мосфетах - ижбт и биполярники не проверял), придется выложить "классическую" схему DC/DC для самодельщика.
Это прямоход. Так как перемагничивание трансформатора происходит в 1 и 3 квадранте петли - то это позволяет использовать трансформатор без зазора и увеличивать рабочий ход до 0,7.
В связи с точностью поддержания выходного напряжения на уровне +/-5в. - обратная связь по напряжению осуществляется по первичке.
Слева внизу - "выключатель" от пониженного входного напряжения (например ниже 100 вольт).
| Додаткові файли: |

DC для электроавто V.3.GIF [ 28.04 КБ | Переглядів: 4579 ]
|
|