Поточний час: 20 груд 2025, 21:30

Часовий пояс: UTC + 2 години



Почати нову тему Відповісти на тему  [ Повідомлень: 3 ] 
Автор Повідомлення
 Заголовок повідомлення: 48/36-12 V, 10 A (Китай)
#67Повідомлення 31 трав 2010, 20:41 
Творець електромобіля, керівник відділення клубу
Аватара користувача
Не в мережі

Звідки: Харьков
Дякував (ла) 32 Подякували 233
Мій електротранспорт: Славута
Конвертори з різною вхідною напругою відрізняються тільки номіналами деяких елементів. Схемотехнічних відмінностей немає.

Додаткові файли:
DSC03641.JPG
DSC03641.JPG [ 33.4 КБ | Переглядів: 4764 ]

_________________
Дорога покорится идущему


Повернутися до початку
 Профіль  
Відповісти цитуючи  
 Заголовок повідомлення: Re: 48/36-12 V, 10 A (Китай)
#68Повідомлення 31 трав 2010, 20:50 
Творець електромобіля, керівник відділення клубу
Аватара користувача
Не в мережі

Звідки: Харьков
Дякував (ла) 32 Подякували 233
Мій електротранспорт: Славута
Вказані конвертори мають "болячку". На виході в фільтрі використовується електролітичний конденсатор. На високих частотах електролітичні конденсатори працюють досить неефективно і помітно гріються, в наслідок чого швидко виходять з ладу.

Додаткові файли:
DSC03629.JPG
DSC03629.JPG [ 36.41 КБ | Переглядів: 4763 ]


Для усунення вказаного недоліку бажано в паралель до електролітів додати керемічні або плівкові конденсатори. На фото показано де це треба зробити.

Додаткові файли:
DcDcConverter.jpg
DcDcConverter.jpg [ 102.1 КБ | Переглядів: 4763 ]


Якщо конденсатор на виході вже віддав богові душу - замініть його на два з сумарною ємністю яка дорівнює ємності покійника.
А ще краще встановити електроліти "Low ESR".

Додаткові файли:
DSC03632.JPG
DSC03632.JPG [ 19.84 КБ | Переглядів: 4763 ]

_________________
Дорога покорится идущему


Повернутися до початку
 Профіль  
Відповісти цитуючи  
 Заголовок повідомлення: Re: 48/36-12 V, 10 A (Китай)
#69Повідомлення 31 трав 2010, 20:58 
Творець електромобіля, керівник відділення клубу
Аватара користувача
Не в мережі

Звідки: Харьков
Дякував (ла) 32 Подякували 233
Мій електротранспорт: Славута
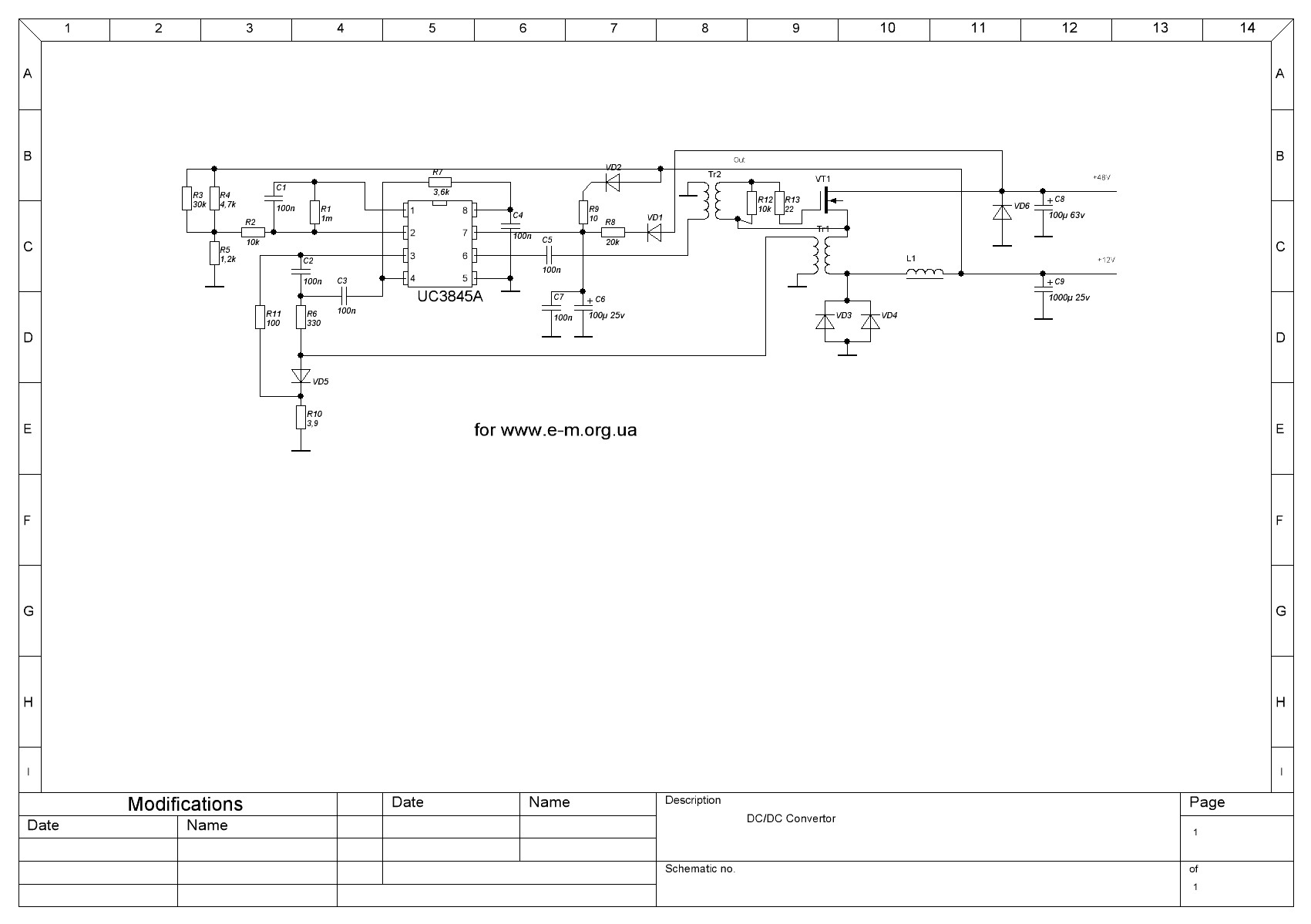
Схема вказаного девайсу:

Додаткові файли:
DcDcConverterChematic.jpg
DcDcConverterChematic.jpg [ 142.82 КБ | Переглядів: 4763 ]

_________________
Дорога покорится идущему


Повернутися до початку
 Профіль  
Відповісти цитуючи  
Показати повідомлення за:  Поле сортування  
Почати нову тему Відповісти на тему  [ Повідомлень: 3 ]             

Часовий пояс: UTC + 2 години


Хто зараз на конференції

Зараз цей форум переглядають: немає зареєстрованих користувачів і гості: 25


Ви не можете створювати нові теми
Ви не можете відповідати на повідомлення
Ви не можете редагувати свої повідомлення
Ви не можете видаляти свої повідомлення
Ви не можете додавати додаткові файли

Найти:
Створено на основі phpBB® Forum Software © phpBB Group