Поточний час: 28 жовт 2025, 20:38

Часовий пояс: UTC + 2 години



Почати нову тему Відповісти на тему  [ Повідомлень: 12 ] 
Автор Повідомлення
 Заголовок повідомлення: Контроллер контактора
#40827Повідомлення 16 серп 2017, 22:31 
Творець електромобіля, член клубу
Аватара користувача
Не в мережі

Звідки: Украина,Киев
Дякував (ла) 114 Подякували 679
Мій електротранспорт: ЗАЗ 965e, Peugeot Partner (продан), Renault Zoe, Renault Fluence, Tesla Model 3
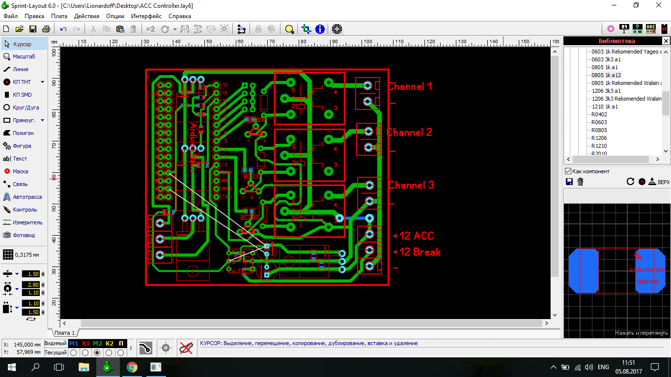
Решил сделать для горби плату управления контактором. Поездив на Партнёре понял, что надо делать как в серийных электромобилях, что б контактор срабатывал только в положении замка зажигания - стартер. Так же добавил защиту "от дурака", что контактор без нажатого тормоза не сработает.

Нарисовал плату, сделал, запрограммировал, все работает.

Плата сделана на Arduino Nano, 3 канала реле, 3 канала P- Mosfet, и 2 оптически развязных входа 12В, и еще где-то 7 свободных портов у Arduino. Плата делалась с запасом функций, так что у меня на ней еще и будет управления поворотами.

Кому нужны исходники, поделюсь.


Додаткові файли:
photo5217867790256547870.jpg
photo5217867790256547870.jpg [ 123.32 КБ | Переглядів: 7809 ]
Снимок экрана (1).png
Снимок экрана (1).png [ 201.63 КБ | Переглядів: 7809 ]
Повернутися до початку
 Профіль  
Відповісти цитуючи  
 Заголовок повідомлення: Re: Контроллер контактора
#40838Повідомлення 17 серп 2017, 02:48 
Секретар клубу
Не в мережі

Звідки: Киев, пр-кт Науки
Дякував (ла) 1101 Подякували 274
Мій електротранспорт: пока только електровелосипед
Хочу електротранспорт: ЭЛЕКТРА 3
Хорошая работа. Вот молодые електронщики и подрастают.
А Михалыч говорил вымирает ручной и самодельный труд електронщиков.
Все пологают - все придумано до нас. Не факт.
И эта тема подтверждение.Молодец!!!!
На "Самодельщика года" - возможно и мало - но на клубного умельца пойдет.

_________________
АКБ убивает РАЗРЯД. Но жертву готовит неправильная зарядка.


Повернутися до початку
 Профіль  
Відповісти цитуючи  
 Заголовок повідомлення: Re: Контроллер контактора
#40855Повідомлення 17 серп 2017, 11:01 
Творець електромобіля, засновник клубу
Аватара користувача
Не в мережі

Звідки: Украина. Киев. †.
Дякував (ла) 872 Подякували 1389
Мій електротранспорт: "Электра 2"
Хочу електротранспорт: "Электра 3" вдвое легче, но с втрое бОльшим солнцеобеспечением
Я , наверно, безнадёжно отстал ! Я тоже не сомневаюсь, что , старомодный рычаг ручника можно заменить, цифровым контроллером запраграмированным на сенсорное управление ! И тот инновационный ручной тормоз будет тормозить не хуже рычага. Но .......- надо ли ? ? ?
- СОМНЕВАЮСЬ! .


Повернутися до початку
 Профіль  
Відповісти цитуючи  
 Заголовок повідомлення: Re: Контроллер контактора
#40856Повідомлення 17 серп 2017, 11:13 
Творець електромобіля, член клубу
Аватара користувача
Не в мережі

Звідки: Украина,Киев
Дякував (ла) 114 Подякували 679
Мій електротранспорт: ЗАЗ 965e, Peugeot Partner (продан), Renault Zoe, Renault Fluence, Tesla Model 3
Михалыч, я и не говорю что рычаг это плохо, даже на оборот он позволяет механически разомкнуть цепь. Я рычаг оставляю, но дополнительно для большей безопасности поставлю контроллер контактора.


Повернутися до початку
 Профіль  
Відповісти цитуючи  
 Заголовок повідомлення: Re: Контроллер контактора
#40861Повідомлення 17 серп 2017, 12:13 
Творець електромобіля, засновник клубу
Аватара користувача
Не в мережі

Звідки: Украина. Киев. †.
Дякував (ла) 872 Подякували 1389
Мій електротранспорт: "Электра 2"
Хочу електротранспорт: "Электра 3" вдвое легче, но с втрое бОльшим солнцеобеспечением
Дима, ты не понял. "Сенсорный ручник"! - это утрированный пример , не в туда направленного инновационного творчества. .................
Все эксплуатационники, во всём мире, преждевременно отбраковывают и ячейки и батареи, не из за непрограмного управления контактором.
( я, про свой контактор , за 6 лет ни разу не вспомнил - работает и ладно)
А из за разбаланса ячеек при заряде и разряде. Именно от того их- батарей так много на вторичном рынке. Вот, где актуальный непочатый фронт работы электронщику.. Да и двойной расход энергии , чем не тема для творчества ? ...........................................
.


Повернутися до початку
 Профіль  
Відповісти цитуючи  
 Заголовок повідомлення: Re: Контроллер контактора
#40864Повідомлення 17 серп 2017, 13:05 
Голова клубу
Аватара користувача
Не в мережі

Звідки: Україна, Донецьк => Ірпінь
Дякував (ла) 6964 Подякували 2587
Мій електротранспорт: Tesla S
Хочу електротранспорт: е-панцирник
Конечно надо. Ведь инновационный ручник может быть с электроподогревом, чтоб зимой ночью не примёрз. А вот что делают с обычными ручниками, когда они примерзают - мне стыдно здесь описать :lol:


Повернутися до початку
 Профіль  
Відповісти цитуючи  
 Заголовок повідомлення: Re: Контроллер контактора
#40870Повідомлення 17 серп 2017, 14:25 
Творець електромобіля, член клубу
Аватара користувача
Не в мережі

Звідки: Кременчуг
Дякував (ла) 728 Подякували 319
Мій електротранспорт: е-Таврия
Stalker_W писав(ла):
Конечно надо. Ведь инновационный ручник может быть с электроподогревом, чтоб зимой ночью не примёрз. А вот что делают с обычными ручниками, когда они примерзают - мне стыдно здесь описать :lol:
Это надо пйсать.

_________________
автопробег на электричестве 49000 км


Повернутися до початку
 Профіль  
Відповісти цитуючи  
 Заголовок повідомлення: Re: Контроллер контактора
#40914Повідомлення 18 серп 2017, 19:52 
Не в мережі

Звідки: Україна
Дякував (ла) 1653 Подякували 329
Мій електротранспорт: а ти чого, пацан, інтєрєсуєшся?
Дмитрий, а ток в положении "стартер" и "зажигание" одинаковьій или разньій?


Повернутися до початку
 Профіль  
Відповісти цитуючи  
 Заголовок повідомлення: Re: Контроллер контактора
#40918Повідомлення 18 серп 2017, 21:48 
Творець електромобіля, член клубу
Не в мережі

Звідки: Дніпро, Україна
Дякував (ла) 634 Подякували 607
Мій електротранспорт: Trabant 601 Электро '76, Nissan Leaf Aze0 '13
У меня вообще замка зажигания нет и не будет) Все цугалики давным давно заржавели)
Я себе хочу противоугонку и управление с контактором совместить, т.е. если водитель вор сел в машину, то чтобы сработал контактор, пусть сначала разгадает ребус из 10-ти трёхпозиционных тумблеров. Если тумблер не тот что надо включил, то сработает блок сигнализации. Или в скрытом месте геркон поставить, а на торпеде ничего кроме руля не было. Была бы фантазия, в наших самоделках и не такое наворотить можно. Лишь бы польза была и ремонтопригодность.


Повернутися до початку
 Профіль  
Відповісти цитуючи  
 Заголовок повідомлення: Re: Контроллер контактора
#40925Повідомлення 19 серп 2017, 09:23 
Творець електромобіля, член клубу
Аватара користувача
Не в мережі

Звідки: Украина,Киев
Дякував (ла) 114 Подякували 679
Мій електротранспорт: ЗАЗ 965e, Peugeot Partner (продан), Renault Zoe, Renault Fluence, Tesla Model 3
Dream Tractor, не совсем понял вопрос. 12V подается с замка в положении ACC, включается плата, дальше когда нажимаю тормоз и поворачиваю ключ в положении "стартер", +12V заходят на плату и через оптрон подают сигнал на контроллер, после чего контроллер дает сигнал на реле, и срабатывает основной контактор. В таком режиме ток который протекает через плату, это потребление контроллера (оно мизерное) и ток удержания контактора.

Для чего хочу использовать замок зажигания:
1 - приближенность к оригиналу
2 - возможность использования иммобилизована


Повернутися до початку
 Профіль  
Відповісти цитуючи  
 Заголовок повідомлення: Re: Контроллер контактора
#40941Повідомлення 19 серп 2017, 18:50 
Не в мережі

Звідки: Україна
Дякував (ла) 1653 Подякували 329
Мій електротранспорт: а ти чого, пацан, інтєрєсуєшся?
Дима, спасибо, то есть на контактор если подается какое-то питание, то полньіе 12в бортовой сети через реле, это я и хотел вьіяснить.

Вопрос связан с тем, что имею типичньій контактор Tyco от model S, в даташите на которьій указано, что для срабатьівания 12в ему нужно на 100мс, а после этого минимум holding current 650mA. И комментарий "to avoid overheating, the coil above should not be left on at full power (12V) for a long period of time".


Повернутися до початку
 Профіль  
Відповісти цитуючи  
 Заголовок повідомлення: Re: Контроллер контактора
#41974Повідомлення 11 вер 2017, 13:42 
Творець електромобіля, член клубу
Аватара користувача
Не в мережі

Звідки: Украина,Киев
Дякував (ла) 114 Подякували 679
Мій електротранспорт: ЗАЗ 965e, Peugeot Partner (продан), Renault Zoe, Renault Fluence, Tesla Model 3
Спустя один сгоревший контактор от лифа(залип в вкл. состоянии), понял что надо добавить в контроллер функцию пред. заряда конденсаторов.

ВНИМАНИЕ! Контактор лифа имеет полярность!!!

Но накрылся у меня он из-за сильной искры.


Повернутися до початку
 Профіль  
Відповісти цитуючи  
Показати повідомлення за:  Поле сортування  
Почати нову тему Відповісти на тему  [ Повідомлень: 12 ]             

Часовий пояс: UTC + 2 години


Хто зараз на конференції

Зараз цей форум переглядають: немає зареєстрованих користувачів і гості: 14


Ви не можете створювати нові теми
Ви не можете відповідати на повідомлення
Ви не можете редагувати свої повідомлення
Ви не можете видаляти свої повідомлення
Ви не можете додавати додаткові файли

Найти:
Створено на основі phpBB® Forum Software © phpBB Group