Поточний час: 20 бер 2026, 09:29

Часовий пояс: UTC + 2 години



Почати нову тему Відповісти на тему  [ Повідомлень: 2 ] 
Автор Повідомлення
 Заголовок повідомлення: Предварительный заряд конденсаторов.
#55063Повідомлення 27 бер 2018, 23:35 
Творець електромобіля, член клубу
Аватара користувача
Не в мережі

Звідки: Украина,Киев
Дякував (ла) 115 Подякували 701
Мій електротранспорт: ЗАЗ 965e, Peugeot Partner (продан), Renault Zoe, Renault Fluence, Tesla Model 3
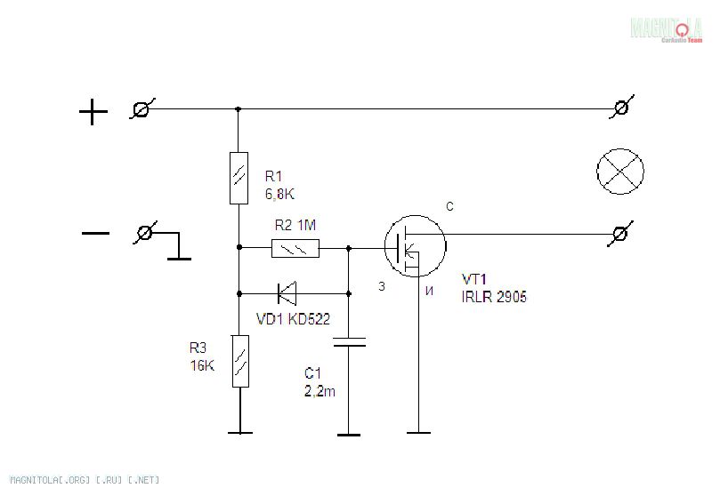
Очень давно столкнулся с проблемой, что когда подключаешь батарею к контроллеру пробивает хорошая искра. Спустя два года, я пришел к решению проблемы. Нужно ставить плату пред. заряда конденсаторов. Maestro подкинул классную простую схему из 5ти деталей.

Она ставиться по включению главного контактора. А так же ставиться реле вместе с резистором которое шунтирует контактор. Получается что по включению зажигания сразу срабатывает реле с резистором, а через 0.5 секунды включается главный контактор без дуги.

Устройство простое как угол дома, но очень полезное. Рекомендую всем самодельщикам!


Додаткові файли:
P80310-155330.jpg
P80310-155330.jpg [ 3.6 МБ | Переглядів: 5082 ]
Magnitola-Avtozvuk_337674_Схема1.JPG
Magnitola-Avtozvuk_337674_Схема1.JPG [ 26.03 КБ | Переглядів: 5082 ]
Повернутися до початку
 Профіль  
Відповісти цитуючи  
#55085Повідомлення 28 бер 2018, 08:16 
Творець електромобіля, член клубу
Не в мережі

Звідки: Жмеринка
Дякував (ла) 157 Подякували 689
Мій електротранспорт: Ел-Пежо 205 - 30000км ........ ..... Ел-FAW 6371 - 70000км
Дмитрий_Липко писав(ла):
Очень давно столкнулся с проблемой, что когда подключаешь батарею к контроллеру пробивает хорошая искра. Спустя два года, я пришел к решению проблемы..

Сразу решали эту"проблему" http://electricmobile.org.ua/forum/view ... 04&start=0

_________________
Пробіг на Эл-Пежо 30 000км
Пробіг на єл-FAW 6371 60 000км


Повернутися до початку
 Профіль  
Відповісти цитуючи  
Показати повідомлення за:  Поле сортування  
Почати нову тему Відповісти на тему  [ Повідомлень: 2 ]             

Часовий пояс: UTC + 2 години


Хто зараз на конференції

Зараз цей форум переглядають: немає зареєстрованих користувачів і гості: 11


Ви не можете створювати нові теми
Ви не можете відповідати на повідомлення
Ви не можете редагувати свої повідомлення
Ви не можете видаляти свої повідомлення
Ви не можете додавати додаткові файли

Найти:
Створено на основі phpBB® Forum Software © phpBB Group