Поточний час: 15 груд 2025, 11:23

Часовий пояс: UTC + 2 години



Почати нову тему Відповісти на тему  [ Повідомлень: 5 ] 
Автор Повідомлення
 Заголовок повідомлення: Глюк амперметра
#117434Повідомлення 15 квіт 2021, 07:32 
Творець електромобіля
Не в мережі

Звідки: Ярославль
Дякував (ла) 0 Подякували 202
Мій електротранспорт: ВАЗ-2108 гибрид
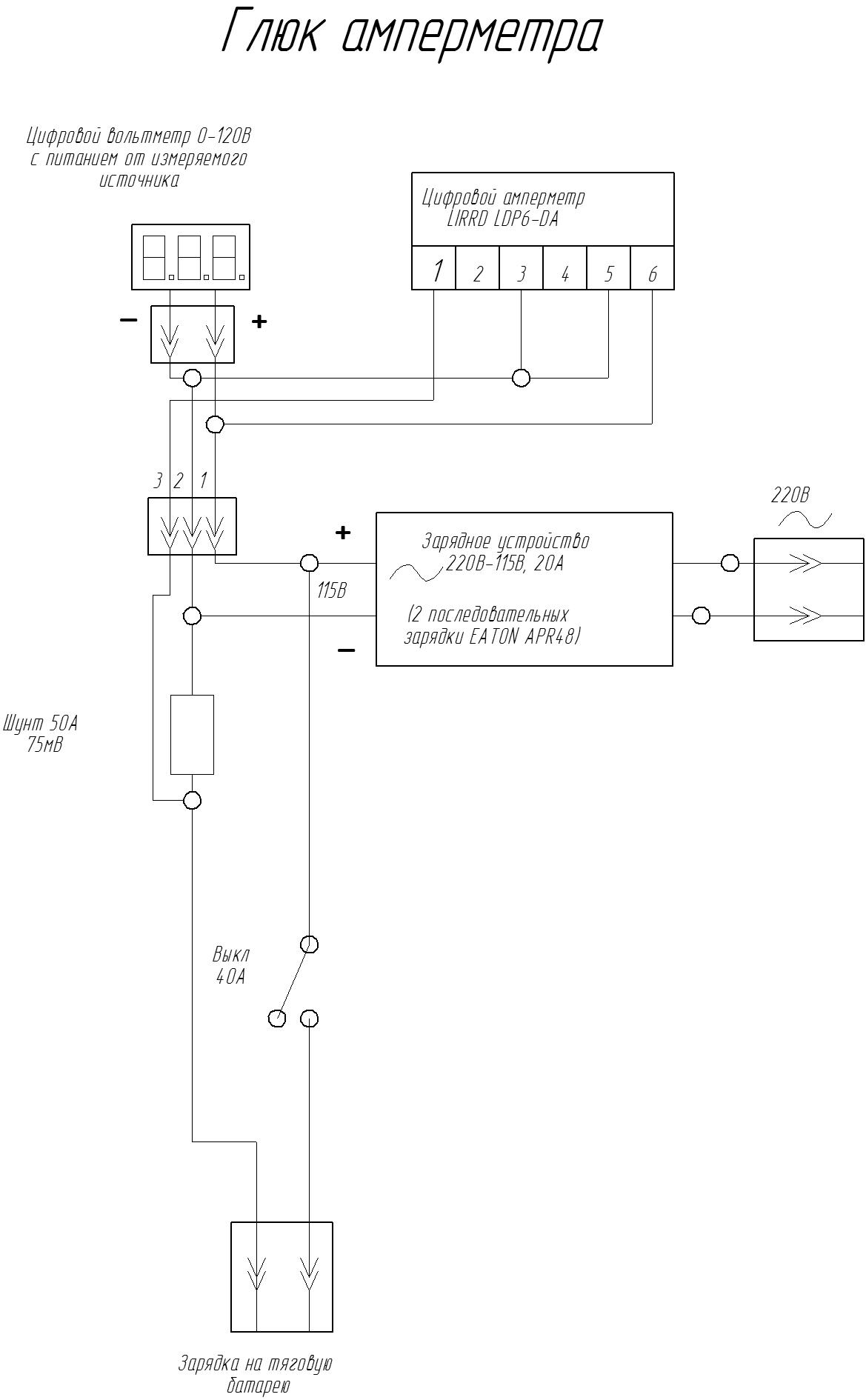
Я столкнулся с некоторой проблемой в показаниях дублирующего амперметра зарядного тока для тяговой батареи.
На моем гибриде зарядный ток показывает циклоаналист и дублирующий амперметр LIRRD DP6-DA.
Этот амперметр имеет отдельный шунт на 75мВ 50А. Зарядный ток - 20А, поэтому шунта хватает. Несколько лет все нормально было, но после зимы начал глючить, то показывает верное значение тока, то показывает переполнение, причем еще до того, как я щелкну выключателем, подключающим батарею. Сейчас вообще показывает переполнение всегда, лишь при появлении питания мелькнет значение тока, а потом единицу показывает. Шунт замотан изолентой, внутрь грязь попасть не должна была. Фото и электросхема ниже. Какой может быть причина глюков? Может быть кто-то сталкивался с подобной проблемой?
Додаткові файли:
переполнение.jpg
переполнение.jpg [ 462.68 КБ | Переглядів: 5454 ]

Додаткові файли:
Глюк.jpg
Глюк.jpg [ 111.54 КБ | Переглядів: 5454 ]


Повернутися до початку
 Профіль  
Відповісти цитуючи  
 Заголовок повідомлення: Re: Глюк амперметра
#117436Повідомлення 15 квіт 2021, 07:39 
Власник електровелосипеда, член клубу
Аватара користувача
Не в мережі

Звідки: Україна, Черкаси, Д.
Дякував (ла) 645 Подякували 296
Мій електротранспорт: Evel EndurA, 62v 28Ah Jik,VOT EM-100s(new gen), QS90....
Хочу електротранспорт: model 3 old style
Контакты контакты еще раз контакты. На шунте, на линии подводящей, проверяйте все, где-то не контакт.

_________________
Evel EndurA, 62v 28Ah Jik,VOT EM-100s(new gen), QS90....


Повернутися до початку
 Профіль  
Відповісти цитуючи  
 Заголовок повідомлення: Re: Глюк амперметра
#117438Повідомлення 15 квіт 2021, 10:51 
Творець електромобіля
Не в мережі

Звідки: Ярославль
Дякував (ла) 0 Подякували 202
Мій електротранспорт: ВАЗ-2108 гибрид
thunder_blade писав(ла):
Контакты контакты еще раз контакты. На шунте, на линии подводящей, проверяйте все, где-то не контакт.

А почему тогда перегрузка а не ноль?


Повернутися до початку
 Профіль  
Відповісти цитуючи  
 Заголовок повідомлення: Re: Глюк амперметра
#117440Повідомлення 15 квіт 2021, 11:00 
Власник електровелосипеда, член клубу
Аватара користувача
Не в мережі

Звідки: Україна, Черкаси, Д.
Дякував (ла) 645 Подякували 296
Мій електротранспорт: Evel EndurA, 62v 28Ah Jik,VOT EM-100s(new gen), QS90....
Хочу електротранспорт: model 3 old style
sanfox писав(ла):
thunder_blade писав(ла):
Контакты контакты еще раз контакты. На шунте, на линии подводящей, проверяйте все, где-то не контакт.

А почему тогда перегрузка а не ноль?

Потому что если линия на шунт в обрыве, будет зашкал по причине что провода становятся антенами и ловят наводки. А там по входу стоит усилитель с КУ 100 не меньше вот те и зашкал

_________________
Evel EndurA, 62v 28Ah Jik,VOT EM-100s(new gen), QS90....


Повернутися до початку
 Профіль  
Відповісти цитуючи  
 Заголовок повідомлення: Re: Глюк амперметра
#117442Повідомлення 15 квіт 2021, 12:24 
Творець електромобіля
Не в мережі

Звідки: Ярославль
Дякував (ла) 0 Подякували 202
Мій електротранспорт: ВАЗ-2108 гибрид
thunder_blade писав(ла):
sanfox писав(ла):
thunder_blade писав(ла):
Контакты контакты еще раз контакты. На шунте, на линии подводящей, проверяйте все, где-то не контакт.

А почему тогда перегрузка а не ноль?

Потому что если линия на шунт в обрыве, будет зашкал по причине что провода становятся антенами и ловят наводки. А там по входу стоит усилитель с КУ 100 не меньше вот те и зашкал

Спасибо большое! {!_!} Буду проверять!


Повернутися до початку
 Профіль  
Відповісти цитуючи  
Показати повідомлення за:  Поле сортування  
Почати нову тему Відповісти на тему  [ Повідомлень: 5 ]             

Часовий пояс: UTC + 2 години


Хто зараз на конференції

Зараз цей форум переглядають: немає зареєстрованих користувачів і гості: 23


Ви не можете створювати нові теми
Ви не можете відповідати на повідомлення
Ви не можете редагувати свої повідомлення
Ви не можете видаляти свої повідомлення
Ви не можете додавати додаткові файли

Найти:
Створено на основі phpBB® Forum Software © phpBB Group