Поточний час: 06 трав 2026, 10:05

Часовий пояс: UTC + 2 години



Почати нову тему Відповісти на тему  [ Повідомлень: 27 ]  На сторінку 1, 2  Наступ.
Автор Повідомлення
 Заголовок повідомлення: Ваакумный усилитель тормозов
#79075Повідомлення 09 квіт 2019, 10:39 
Творець електромобіля, член клубу
Не в мережі

Звідки: киев, осокорки
Дякував (ла) 3 Подякували 56
Мій електротранспорт: электроскутер. обратный электротрайк, хонда сивик седан
Хочу електротранспорт: Чтоб батарея не кончалась
Всем привет! Поступило предложение вынести в отдельную тему наработки по изготовлению ваакума для тормозов. Кто как их реализовывал и из чего. Оставляйте тут свои заметки, я думаю многим будет интерестно...


Повернутися до початку
 Профіль  
Відповісти цитуючи  
 Заголовок повідомлення: Re: Ваакумный усилитель тормозов
#79076Повідомлення 09 квіт 2019, 11:01 
Творець електромобіля, засновник клубу
Аватара користувача
Не в мережі

Звідки: Украина. Киев. †.
Дякував (ла) 872 Подякували 1389
Мій електротранспорт: "Электра 2"
Хочу електротранспорт: "Электра 3" вдвое легче, но с втрое бОльшим солнцеобеспечением
Напомю : и ЗАЗы и первые ВАЗы и даже ГАЗы, вакуумных усилителей тормозов не имели,но
, однако тормозили и неплохо. У меня и в Электра1 и в Электра 2, роль усилителя тормозов исполняет РЫЧАГ С УВЕЛИЧЕННЫМ СООТНОШЕНИЕМ ПЛЕЧ. Легко тормозит да юза на все 4 к.


Повернутися до початку
 Профіль  
Відповісти цитуючи  
 Заголовок повідомлення: Re: Ваакумный усилитель тормозов
#79080Повідомлення 09 квіт 2019, 11:30 
Творець електромобіля, член клубу
Не в мережі

Звідки: киев, осокорки
Дякував (ла) 3 Подякували 56
Мій електротранспорт: электроскутер. обратный электротрайк, хонда сивик седан
Хочу електротранспорт: Чтоб батарея не кончалась
Все очень сильно зависит от веса. Все современные авто сделанны с учетом ваакумного усилителя, и что бы не переделывть тормозную систему приходится ставить ваакуум и не менять рычаг в сторону увеличения... Речь идет больше о комфорте езды. Я к примеру катался все лето на трайке и без ваакума и я привык. Но как ктото садится за руль, сразу же задает вопрос: а че так туго.


Повернутися до початку
 Профіль  
Відповісти цитуючи  
 Заголовок повідомлення: Re: Ваакумный усилитель тормозов
#79352Повідомлення 11 квіт 2019, 22:43 
Творець електромобіля, член клубу
Не в мережі

Звідки: киев, осокорки
Дякував (ла) 3 Подякували 56
Мій електротранспорт: электроскутер. обратный электротрайк, хонда сивик седан
Хочу електротранспорт: Чтоб батарея не кончалась
Так что? Я так понял никто ваакуумом не заморачивается, ставит моторчик... И все... А как же жужжание? А кто в курсе какой там датчик в системе ставится, чтобы выключать питание когда ваакуума достаточно?


Повернутися до початку
 Профіль  
Відповісти цитуючи  
 Заголовок повідомлення: Re: Ваакумный усилитель тормозов
#79354Повідомлення 11 квіт 2019, 23:17 
Творець електромобіля, член клубу
Не в мережі

Звідки: Дніпро
Дякував (ла) 191 Подякували 674
Хочу електротранспорт: Tesla Model3
Ресивер тоже желателен

_________________
Electric Drive Solutions Laboratory (EDSLab)

ЗАЗ 1103 "Slavuta AC Electric"
ГАЗ 24 "Волга електро"
А091 "Богдан електро"
ХТЗ Е25 "Едісон"
VW T5 "Combi drive"
"Synchronous"
Volvo 740 GL EDSLab
КМЗ "Дніпро електро Bonneville"
Dong Feng EDSLab
ЗАЗ 11055 "Tavria electro smart pickup"
ЗАЗ 1102 "Tavria electro smart coupe"

https://driver.top/user/68227/


Повернутися до початку
 Профіль  
Відповісти цитуючи  
 Заголовок повідомлення: Re: Ваакумный усилитель тормозов
#79366Повідомлення 12 квіт 2019, 08:03 
Творець електромобіля
Аватара користувача
Не в мережі

Звідки: Германия, Дюссельдорф
Дякував (ла) 331 Подякували 938
Мій електротранспорт: Citroen Saxo, Renault Kangoo Electrcity, Elect'road & Cleanova II Plus
Михалыч писав(ла):
Напомю : и ЗАЗы и первые ВАЗы и даже ГАЗы, вакуумных усилителей тормозов не имели,но
, однако тормозили и неплохо.



Юрий Дикий писав(ла):
Я к примеру катался все лето на трайке и без ваакума и я привык. Но как ктото садится за руль, сразу же задает вопрос: а че так туго.


У меня было с точностью наоборот, когда то давно приехали в гости в Украину, посадил тестя за руль (всю жизнь на советской технике отъездил), с первых метров он радовался как же легко руль крутиться, но перед первой ямкой мы стали колом как на БТРе, со словами: "ого и тормоза легко нажимаются")))

С уважением,

Александр.

_________________
кВт•ч≠кВт≠кВт/ч

Проехал на электротяге
25 000 км

Мы не унаследовали планету Земля у наших отцов, мы отбираем ее у наших детей!


Повернутися до початку
 Профіль  
Відповісти цитуючи  
 Заголовок повідомлення: Re: Ваакумный усилитель тормозов
#79368Повідомлення 12 квіт 2019, 08:24 
Не в мережі

Звідки: Днепр
Дякував (ла) 1226 Подякували 1238
Юрий Дикий писав(ла):
Так что? Я так понял никто ваакуумом не заморачивается

..та чё, каждый по разному "заморачивается" - есть и с усилением,есть и без. Каждый волен сам выбирать степень своего комфорта и безопасности. Вы-ж не первый день на форуме - поройтесь по темам,увидите и электроусилитель,и вакуумные насосы. Первые в основном от Скорпио - установившие полностью удовлетворены. Вакуумные насосы в основном ВАГовские (Туарег,Кайен и т.п.) - нареканий тоже вроде нет,единственное - неизвестное состояние покупаемых изделий (потому как б/у) и соответственно неизвестный ресурс. Болячка - рассыпающийся или выкрашивающийся ротор потому,что это насосы "сухого" типа.
Лично моё мнение - усиливать чем-то надо. И тормозную ,и рулевую системы.


Повернутися до початку
 Профіль  
Відповісти цитуючи  
 Заголовок повідомлення: Re: Ваакумный усилитель тормозов
#79432Повідомлення 12 квіт 2019, 18:59 
Творець електромобіля
Не в мережі

Звідки: Ярославль
Дякував (ла) 0 Подякували 202
Мій електротранспорт: ВАЗ-2108 гибрид
У меня с вакуумным усилителем такая проблема - хоть он и новый, но все же негерметичный, воздух постоянно подсасывает чуть чуть. Для двигателя это не заметно, но вакуум в системе не держится и электрическому насосу приходится все время его подкачивать. На герметичной емкости все работает как надо. Не могу понять это считается неисправностью усилителя или нет?


Повернутися до початку
 Профіль  
Відповісти цитуючи  
 Заголовок повідомлення: Re: Ваакумный усилитель тормозов
#79506Повідомлення 13 квіт 2019, 20:00 
Творець електромобіля, член клубу
Не в мережі

Звідки: киев, осокорки
Дякував (ла) 3 Подякували 56
Мій електротранспорт: электроскутер. обратный электротрайк, хонда сивик седан
Хочу електротранспорт: Чтоб батарея не кончалась
Привет всем! Сегодня испытал свой ваакум остался доволен... Изначально купил ваакумный насосик за 130 гр... Китайский, когда пришел забирать и увидел размеры, подумал что не так много денег выбросил на ветер...Подключил этот моторчик к ваакууму штатному при помощи капельницы... Она подходила по диаметру к моторчику и там на конце к шприцу резинка по диаметру подошла к ваакуму...В общем сегодня покатался на своей хонде цивик, и был приятно удивлен... На тормоз легко нажимать, машина хорошо реагирует...в общем я доволен... Кому нужна ссылочка на моторчик, могу скинуть...там есть еще за 700 грн и продавец мне его впаривал...но я не повелся... Щас еще есть куда деньги тратить...хочу себе еще повер вочер заказать...В общем ваакуум получился очень таки бютжетненько.. Ах да я еще чтобы он не сильно громко гудел, замотал его в пенополеуритан и прстегнул к торм. Цилиндру хомутами пластиковыми.... Сори синей изоленты не оказалось под рукой....- это юмор...


Повернутися до початку
 Профіль  
Відповісти цитуючи  
 Заголовок повідомлення: Re: Ваакумный усилитель тормозов
#79512Повідомлення 13 квіт 2019, 20:58 
Власник електровелосипеда, член клубу
Аватара користувача
Не в мережі

Звідки: Україна, Черкаси, Д.
Дякував (ла) 648 Подякували 297
Мій електротранспорт: Evel EndurA, 62v 28Ah Jik,VOT EM-100s(new gen), QS90....
Хочу електротранспорт: model 3 old style
Юрий Дикий писав(ла):
Привет всем! Сегодня испытал свой ваакум остался доволен... Изначально купил ваакумный насосик за 130 гр... Китайский, когда пришел забирать и увидел размеры, подумал что не так много денег выбросил на ветер...Подключил этот моторчик к ваакууму штатному при помощи капельницы... Она подходила по диаметру к моторчику и там на конце к шприцу резинка по диаметру подошла к ваакуму...В общем сегодня покатался на своей хонде цивик, и был приятно удивлен... На тормоз легко нажимать, машина хорошо реагирует...в общем я доволен... Кому нужна ссылочка на моторчик, могу скинуть...там есть еще за 700 грн и продавец мне его впаривал...но я не повелся... Щас еще есть куда деньги тратить...хочу себе еще повер вочер заказать...В общем ваакуум получился очень таки бютжетненько.. Ах да я еще чтобы он не сильно громко гудел, замотал его в пенополеуритан и прстегнул к торм. Цилиндру хомутами пластиковыми.... Сори синей изоленты не оказалось под рукой....- это юмор...

Тормоза это такое дело на котором лучше не экономить, ладно если это вело или мопедо на крайняк , а авто :gott:

_________________
Evel EndurA, 62v 28Ah Jik,VOT EM-100s(new gen), QS90....


Повернутися до початку
 Профіль  
Відповісти цитуючи  
 Заголовок повідомлення: Re: Ваакумный усилитель тормозов
#79518Повідомлення 13 квіт 2019, 21:55 
Творець електромобіля, член клубу
Не в мережі

Звідки: киев, осокорки
Дякував (ла) 3 Подякували 56
Мій електротранспорт: электроскутер. обратный электротрайк, хонда сивик седан
Хочу електротранспорт: Чтоб батарея не кончалась
Да я и не говорил что я сэкономил на тормозах... Собирался поездить без ваакуума, а поскольку так получилось и в общем-то неплохо... Пока буду ездить так и... Комфортно тормозить я думаю, моторчик бесщеточный как минимум год поослужит...не знаю тут дилема...-либо брать заводской ваакуум с разборки, который неизвестно сколько прослужит и отдать за него пару тыс грн либо бютжетно поступить так как я... На свой страх и риск... Паравда я рискую разве что тем что прдется в крайнем случае, чего я уверен не случится, сильней жать на тормоз...


Повернутися до початку
 Профіль  
Відповісти цитуючи  
 Заголовок повідомлення: Re: Ваакумный усилитель тормозов
#79520Повідомлення 13 квіт 2019, 22:47 
Творець електромобіля, член клубу
Не в мережі

Звідки: Харьков
Дякував (ла) 60 Подякували 109
Цитата:
Поступило предложение вынести в отдельную тему наработки по изготовлению ваакума для тормозов

Давно вынесено
viewtopic.php?f=39&t=2299
Езжу с таким вакуумом почти два года уже. Система вполне надежна. Легко регулируется запас вакуума настройкой таймера. Одну вещь только бы поменял сейчас - чуть увеличил бы разряжение сработки датчика. Может 0,35 вместо 0,25 сейчас.


Повернутися до початку
 Профіль  
Відповісти цитуючи  
 Заголовок повідомлення: Re: Ваакумный усилитель тормозов
#79522Повідомлення 13 квіт 2019, 23:13 
Не в мережі

Звідки: Україна
Дякував (ла) 1653 Подякували 329
Мій електротранспорт: а ти чого, пацан, інтєрєсуєшся?
Юрий Дикий писав(ла):
тут дилема...-либо брать заводской ваакуум с разборки, который неизвестно сколько прослужит и отдать за него пару тыс грн

Пару тыс стоит новый насос.


Повернутися до початку
 Профіль  
Відповісти цитуючи  
 Заголовок повідомлення: Re: Ваакумный усилитель тормозов
#79524Повідомлення 14 квіт 2019, 07:08 
Творець електромобіля, член клубу
Не в мережі

Звідки: Жмеринка
Дякував (ла) 159 Подякували 691
Мій електротранспорт: Ел-Пежо 205 - 30000км ........ ..... Ел-FAW 6371 - 70000км
jenki писав(ла):
Цитата:
Поступило предложение вынести в отдельную тему наработки по изготовлению ваакума для тормозов

Давно вынесено
viewtopic.php?f=39&t=2299

Думаю будет правильно темы обьеденить :ja:

_________________
Пробіг на Эл-Пежо 30 000км
Пробіг на єл-FAW 6371 60 000км


Повернутися до початку
 Профіль  
Відповісти цитуючи  
 Заголовок повідомлення: Re: Ваакумный усилитель тормозов
#79527Повідомлення 14 квіт 2019, 07:36 
Творець електромобіля, член клубу
Не в мережі

Звідки: Жмеринка
Дякував (ла) 159 Подякували 691
Мій електротранспорт: Ел-Пежо 205 - 30000км ........ ..... Ел-FAW 6371 - 70000км
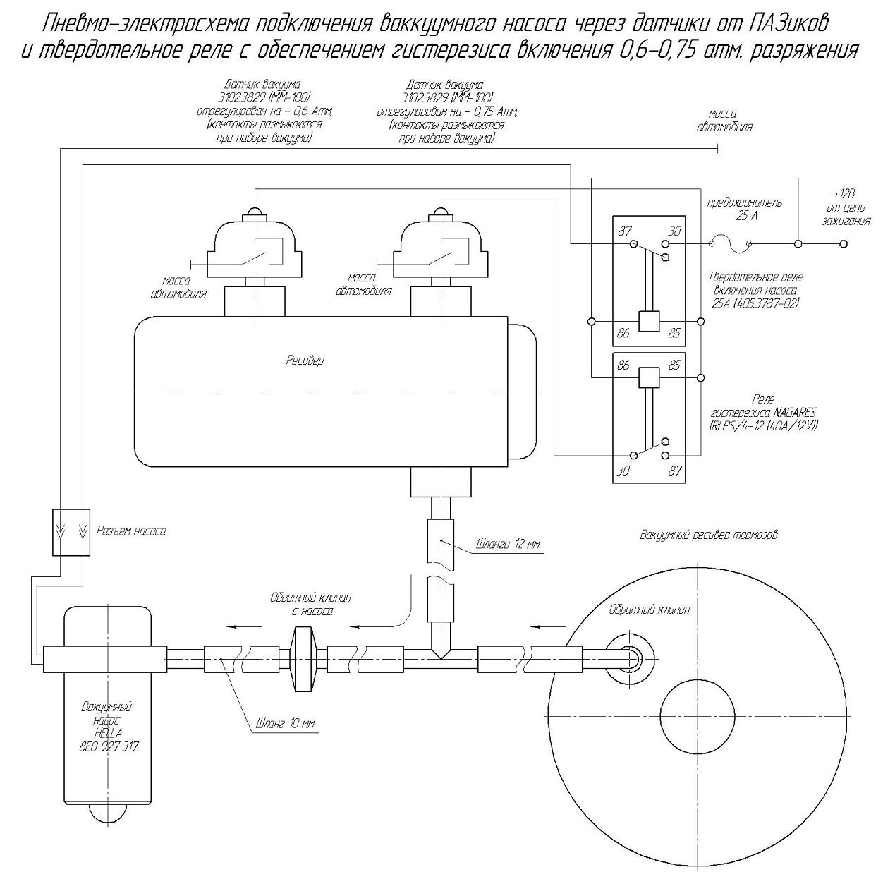
Мы на Пыжике ставили заводской насос,обрезали и сваривали с фреонового баллона ресивер,и делали "автоматику" включения,с которой был гемор... сначала пробовали с вакуума трамблера,потом с реле холодильника,потом какой то готовый датчик использовали(М100 найти не смог),а в беседе с коллегами слыхал,что насос воще от педали тормоза включали. Реле времени было самодельное,часто система глючила(то утечка в системе,то датчик,то таймер) и насос не выключался...сейчас езжу без вакуума. На Фаве тоже без.На фото вся моя инфа.


Додаткові файли:
1.1.jpg
1.1.jpg [ 183.33 КБ | Переглядів: 9930 ]
2.jpg
2.jpg [ 271.02 КБ | Переглядів: 9930 ]
3.jpg
3.jpg [ 244.02 КБ | Переглядів: 9930 ]
4.jpg
4.jpg [ 210 КБ | Переглядів: 9930 ]
5.jpg
5.jpg [ 190.55 КБ | Переглядів: 9930 ]
6.jpg
6.jpg [ 155.27 КБ | Переглядів: 9930 ]
7.JPG
7.JPG [ 342.43 КБ | Переглядів: 9930 ]
8.jpg
8.jpg [ 310.61 КБ | Переглядів: 9930 ]
9.jpg
9.jpg [ 339.43 КБ | Переглядів: 9930 ]
10.jpg
10.jpg [ 334.92 КБ | Переглядів: 9930 ]
вакуума тормозов.jpg
вакуума тормозов.jpg [ 150.32 КБ | Переглядів: 9930 ]

_________________
Пробіг на Эл-Пежо 30 000км
Пробіг на єл-FAW 6371 60 000км
Повернутися до початку
 Профіль  
Відповісти цитуючи  
Показати повідомлення за:  Поле сортування  
Почати нову тему Відповісти на тему  [ Повідомлень: 27 ]              На сторінку 1, 2  Наступ.

Часовий пояс: UTC + 2 години


Хто зараз на конференції

Зараз цей форум переглядають: немає зареєстрованих користувачів і гості: 3


Ви не можете створювати нові теми
Ви не можете відповідати на повідомлення
Ви не можете редагувати свої повідомлення
Ви не можете видаляти свої повідомлення
Ви не можете додавати додаткові файли

Найти:
Створено на основі phpBB® Forum Software © phpBB Group