Поточний час: 29 квіт 2026, 18:13

Часовий пояс: UTC + 2 години



Почати нову тему Відповісти на тему  [ Повідомлень: 250 ]  На сторінку Пред.  1 ... 6, 7, 8, 9, 10, 11, 12 ... 17  Наступ.
Автор Повідомлення
 Заголовок повідомлення: Re: Электровелосипед Заря Силач
#90541Повідомлення 15 вер 2019, 03:16 
Власник електровелосипеда
Не в мережі

Звідки: Украина, Кременчуг
Дякував (ла) 2 Подякували 77
Мій електротранспорт: Есть :)
чтото мне подсказывает, что кое чего в схеме явно не хватает.


Додаткові файли:
d.png
d.png [ 476.21 КБ | Переглядів: 11512 ]
Повернутися до початку
 Профіль  
Відповісти цитуючи  
 Заголовок повідомлення: Re: Электровелосипед Заря Силач
#90549Повідомлення 15 вер 2019, 08:42 
Власник електровелосипеда
Не в мережі

Звідки: Київ Україна
Дякував (ла) 448 Подякували 634
Мій електротранспорт: Електровелосипед Заря Силач
Хочу електротранспорт: BYD
Спасибо, упустил при перерисовке.


Повернутися до початку
 Профіль  
Відповісти цитуючи  
 Заголовок повідомлення: Re: Электровелосипед Заря Силач
#90564Повідомлення 15 вер 2019, 10:57 
Активіст форуму
Аватара користувача
Не в мережі

Звідки: Троицк
Дякував (ла) 69 Подякували 105
Леон, какое напряжение батареи от заряженной до разряженной?
Бузер на какое напряжение и ток?
Нарисую на 555 таймере схему с высоковольтными светодиодами (10 Вт.) чтобы мигала как фара с питанием от аккумулятора, без ДиСишки.

_________________
-----------------------------------------------------------------------
Лучше сразу взяться за ум, чтобы потом не хвататься за голову!


Повернутися до початку
 Профіль  
Відповісти цитуючи  
 Заголовок повідомлення: Re: Электровелосипед Заря Силач
#90588Повідомлення 15 вер 2019, 15:17 
Власник електровелосипеда
Не в мережі

Звідки: Київ Україна
Дякував (ла) 448 Подякували 634
Мій електротранспорт: Електровелосипед Заря Силач
Хочу електротранспорт: BYD
Бузер от 2,5в уже пищит и ток если не ошибаюсь 40мА. Я на него заменил резистор с 1кОм на 4кОм стало лучше и тише, а то очень громко орал все шугались на перекрёстке.
Напряжение я юзаю примерно 59-69В. А возможный диапазон 17шт*3В=51В; 17шт*4,2В=71,4В. Сейчас зарядка настроена на максимум 4,1В*17=69,7В


Повернутися до початку
 Профіль  
Відповісти цитуючи  
 Заголовок повідомлення: Re: Электровелосипед Заря Силач
#90630Повідомлення 16 вер 2019, 09:14 
Власник електровелосипеда
Не в мережі

Звідки: Київ Україна
Дякував (ла) 448 Подякували 634
Мій електротранспорт: Електровелосипед Заря Силач
Хочу електротранспорт: BYD
Пройдено 2000км. Все працює за виключенням правого повороту :cry: .
Трохи статистики. Швидкість близько 30-32км/год третя передача, дорога асвальт в латках, декілька світлофорів, два підйоми 200м 20градусів. З п2 в п3 вітер зустрічний.
Додаткові файли:
стат.JPG
стат.JPG [ 32.56 КБ | Переглядів: 11457 ]

Параметри батареї (без БМС і балансування)
Додаткові файли:
АКБ.JPG
АКБ.JPG [ 20.73 КБ | Переглядів: 11457 ]


Повернутися до початку
 Профіль  
Відповісти цитуючи  
 Заголовок повідомлення: Re: Электровелосипед Заря Силач
#90646Повідомлення 16 вер 2019, 11:50 
Активіст форуму
Аватара користувача
Не в мережі

Звідки: Троицк
Дякував (ла) 69 Подякували 105
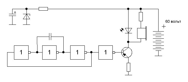
Вот собсно схема поворотника.
Светодиоды ставить 40 вольтовые или матрицы китайские на 36 вольт (10 Вт.)

Конечно по сравнению с лампочкой ярче но светодиодам то надо и тепло отводить. Так что думайте пан.
На схеме надо только транзистор n - p - n полярности (вот угораздило бли...н).

Одна КМОП микросхемка (дармовая) и тразистор типа КТ829А.


Додаткові файли:
Поворот.JPG
Поворот.JPG [ 18.49 КБ | Переглядів: 11448 ]

_________________
-----------------------------------------------------------------------
Лучше сразу взяться за ум, чтобы потом не хвататься за голову!
Повернутися до початку
 Профіль  
Відповісти цитуючи  
 Заголовок повідомлення: Re: Электровелосипед Заря Силач
#90662Повідомлення 16 вер 2019, 14:10 
Власник електровелосипеда
Не в мережі

Звідки: Киев
Дякував (ла) 243 Подякували 617
Мій електротранспорт: Ё
танго писав(ла):
Вот собсно схема

Пикассо , - отдыхает , :D :D :D

_________________
Э-вел,3 кВт Quanshun,Келли 200А,ли-ион,3.2кВтЧ,(LG 48АЧ, 21S) , max 75 км\ч, > 60 000 км


Повернутися до початку
 Профіль  
Відповісти цитуючи  
 Заголовок повідомлення: Re: Электровелосипед Заря Силач
#90664Повідомлення 16 вер 2019, 14:18 
Активіст форуму
Аватара користувача
Не в мережі

Звідки: Троицк
Дякував (ла) 69 Подякували 105
Номиналы могу проставить, расчет конденсатора времязадающего еще не нашел, там раз в секунду мигает?

_________________
-----------------------------------------------------------------------
Лучше сразу взяться за ум, чтобы потом не хвататься за голову!


Повернутися до початку
 Профіль  
Відповісти цитуючи  
 Заголовок повідомлення: Re: Электровелосипед Заря Силач
#90673Повідомлення 16 вер 2019, 17:39 
Власник електровелосипеда
Не в мережі

Звідки: Київ Україна
Дякував (ла) 448 Подякували 634
Мій електротранспорт: Електровелосипед Заря Силач
Хочу електротранспорт: BYD
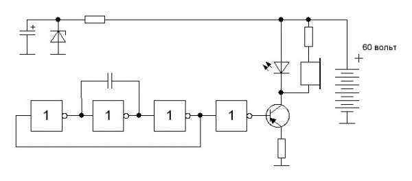
танго писав(ла):
Вот собсно схема поворотника.
Светодиоды ставить 40 вольтовые или матрицы китайские на 36 вольт (10 Вт.)
Конечно по сравнению с лампочкой ярче но светодиодам то надо и тепло отводить. Так что думайте пан.
На схеме надо только транзистор n - p - n полярности (вот угораздило бли...н).
Одна КМОП микросхемка (дармовая) и тразистор типа КТ829А.
Додаткові файли:
Поворот.JPG [16.43 КБ]
Завантажень: 0


За схему конечно спасибо, но мне нужна реальная рабочая с номиналами, а не ЛГБТ Ракарского.
Какая микросхема, где её питание, что стабилизирует подвешенный стабилитрон. Если вы это имели в виду
Додаткові файли:
images.jpg
images.jpg [ 9.05 КБ | Переглядів: 11406 ]
то её надо адаптировать под 60-70В.
Моя схема работает, только почему то хромает, видимо китайцы намудрили с номиналами элементов. Мне нужно или отладить существующую или поставлю ДС ДС на 12В и тогда всё надо переделывать на 12В.


Повернутися до початку
 Профіль  
Відповісти цитуючи  
 Заголовок повідомлення: Re: Электровелосипед Заря Силач
#90675Повідомлення 16 вер 2019, 18:28 
Активіст форуму
Аватара користувача
Не в мережі

Звідки: Троицк
Дякував (ла) 69 Подякували 105
Та схема что у вас сейчас - это обычный несимметричный мультивибратор.
Вторая что вы привели на таймере 555 то же самое - но на таймере.
Я таймер 555 не брал чтобы еще упростить и удешевить схему (стоит одна микросхема серии 561, содержащая инвертора, например 561ЛА7, 561ЛН2....).
Определитесь, что вы хотите использовать на выходе - лампу или светодиоды, от этого надо и плясать.

Можно и китайскую реанимировать, но для питания светодиодов нужен стабилизатор тока.

Оптимально для такого напряжения как я писал выше это высоковольтные светодиоды, чтобы самому не набирать их последовательно 15 штук из низковольтных.

_________________
-----------------------------------------------------------------------
Лучше сразу взяться за ум, чтобы потом не хвататься за голову!


Повернутися до початку
 Профіль  
Відповісти цитуючи  
 Заголовок повідомлення: Re: Электровелосипед Заря Силач
#90678Повідомлення 16 вер 2019, 18:52 
Власник електровелосипеда
Не в мережі

Звідки: Киев
Дякував (ла) 243 Подякували 617
Мій електротранспорт: Ё
танго , вы конечно извините , но на кой фиг вы плодите бездарные схемы?
Посты набиваете , или надеетесь что кто то вам заказ даст на изготовление ?
Ваша схема работать не будет , там куча ошибок
Транзистор не той системы ,
Нет токоограничивающего резистора в цепи базы
Отсутствует частотозадающий резистор в мультвибр.
Да и схема корявая , кандер не туда подключен , она вообще не заведется даже.

_________________
Э-вел,3 кВт Quanshun,Келли 200А,ли-ион,3.2кВтЧ,(LG 48АЧ, 21S) , max 75 км\ч, > 60 000 км


Повернутися до початку
 Профіль  
Відповісти цитуючи  
 Заголовок повідомлення: Re: Электровелосипед Заря Силач
#90680Повідомлення 16 вер 2019, 19:06 
Активіст форуму
Аватара користувача
Не в мережі

Звідки: Троицк
Дякував (ла) 69 Подякували 105
Ирде, как говорил Остап Бендер: "....Киса - я вас как художник художника хочу спросить - вы рисовать умеете?...."

Я тоже извиняюсь Ирде, но у вас невысокий уровень технической подготовки.
1. Транзистор я написал надо n - p - n.
2. Вы наверно не знаете что у микросхемы есть входное сопротивление и в некоторых случаях внешний резистор можно не ставить, а использовать ее входное сопротивление.
3. В базу транзистора резистор не нужен, т. к. транзистор работает эмиттерным повторителем (он же стабилизатор тока для светодиодной матрицы).

В общем вы либо не на того учились (прогуливали лекции), либо у вас опыта в электронике мягко сказать - недостаточно.

Я здесь не работаю, я вам говорил, повторюсь - я здесь отдыхаю.

_________________
-----------------------------------------------------------------------
Лучше сразу взяться за ум, чтобы потом не хвататься за голову!


Повернутися до початку
 Профіль  
Відповісти цитуючи  
 Заголовок повідомлення: Re: Электровелосипед Заря Силач
#90682Повідомлення 16 вер 2019, 19:39 
Власник електровелосипеда
Не в мережі

Звідки: Киев
Дякував (ла) 243 Подякували 617
Мій електротранспорт: Ё
если бы вы умели пользоваться даташитом , то знали бы что у 561ЛА7
максимальный выходной ток 0.5 мА.
и при непосредственном подключении к базе транзистора , он однозначно будет критически превышен.
Хотя , кому я это обьясняю :D :D
Ну а с ущербностью вашей схемы , вы видимо согласились :D

_________________
Э-вел,3 кВт Quanshun,Келли 200А,ли-ион,3.2кВтЧ,(LG 48АЧ, 21S) , max 75 км\ч, > 60 000 км


Повернутися до початку
 Профіль  
Відповісти цитуючи  
 Заголовок повідомлення: Re: Электровелосипед Заря Силач
#90683Повідомлення 16 вер 2019, 19:45 
Активіст форуму
Аватара користувача
Не в мережі

Звідки: Троицк
Дякував (ла) 69 Подякували 105
Читайте предпоследний абзац моего предыдущего сообщения.
Еще читайте про эмиттерные повторители и от чего зависит их входное сопротивление.

_________________
-----------------------------------------------------------------------
Лучше сразу взяться за ум, чтобы потом не хвататься за голову!


Повернутися до початку
 Профіль  
Відповісти цитуючи  
 Заголовок повідомлення: Re: Электровелосипед Заря Силач
#90684Повідомлення 16 вер 2019, 19:59 
Власник електровелосипеда
Аватара користувача
Не в мережі

Звідки: Херсон, Украина
Дякував (ла) 144 Подякували 141
Мій електротранспорт: Эл.вел 48В/500Вт
Цитата:
2. Вы наверно не знаете что у микросхемы есть входное сопротивление
И-интере-есно, какое же входное сопротивление у полевика с изоллированным затвором? Просветите нас сирых и убогих :gott: .
Цитата:
Светодиоды ставить 40 вольтовые или матрицы китайские на 36 вольт (10 Вт.)
Цитата:
3. В базу транзистора резистор не нужен, т. к. транзистор работает эмиттерным повторителем
Как одно стыкуется с другим? И-интере-есно. А как же нагрузочная способность логического элемента (как сказано раньше)?
Цитата:
Я здесь не работаю, ... я здесь отдыхаю
Только что заходил сосед, попросил потише ржать.
Не, надо завязывать с чтением этой хеереси.
Цитата:
Читайте предпоследний абзац
Дай Бог, не последний - хто ж так поднимет настроение, как не танго своими перлами.
:wallbash: :irre: Схема на МОПе не рабочая-я-я - частотозадающий конденсатор неправильно подключен :maul: :wallbash: :cry: :lachtot: Изучайте матчасть :doh:


Повернутися до початку
 Профіль  
Відповісти цитуючи  
Показати повідомлення за:  Поле сортування  
Почати нову тему Відповісти на тему  [ Повідомлень: 250 ]              На сторінку Пред.  1 ... 6, 7, 8, 9, 10, 11, 12 ... 17  Наступ.

Часовий пояс: UTC + 2 години


Хто зараз на конференції

Зараз цей форум переглядають: немає зареєстрованих користувачів і гості: 31


Ви не можете створювати нові теми
Ви не можете відповідати на повідомлення
Ви не можете редагувати свої повідомлення
Ви не можете видаляти свої повідомлення
Ви не можете додавати додаткові файли

Найти:
Створено на основі phpBB® Forum Software © phpBB Group