Поточний час: 29 квіт 2026, 22:56

Часовий пояс: UTC + 2 години


Правила форума


Покупець повинен чітко назвати тему (наприклад, "Куплю контролер 2-3 кВт"). У повідомленні бажано вказати необхідні технічні характеристики та діапазон цін. Повідомлення з назвами типу "Допоможіть!" і все видалятимуться без попереджень.


Почати нову тему Відповісти на тему  [ Повідомлень: 21 ]  На сторінку Пред.  1, 2
Автор Повідомлення
 Заголовок повідомлення: Re: Потенціометер,
#99264Повідомлення 18 лют 2020, 23:01 
Власник електровелосипеда
Аватара користувача
Не в мережі

Звідки: Кременчуг
Дякував (ла) 6 Подякували 5
Мій електротранспорт: Электровелосипед FLYER
Хочу електротранспорт: Автороллер
В самом начале моих экспериментов с электровелосипедами я пару лет использовал самый обыкновенный переменный резистор для регулировки скорости. Какой-то древний СП, выдранный из лампового телевизора.


Повернутися до початку
 Профіль  
Відповісти цитуючи  
 Заголовок повідомлення: Re: Потенціометер,
#99299Повідомлення 19 лют 2020, 11:06 
Власник електровелосипеда, член клубу
Не в мережі

Звідки: Украина. Подольск
Дякував (ла) 269 Подякували 183
Мій електротранспорт: Электроскутер Viper Wind 72V 3.5kW 24Ah
Хочу електротранспорт: Nissan Leaf
Я тоже так когда-то ездил, по-моему 10кОм, но разницы никакой, и круиз-контроль автоматом. Думаю автору лучше ничего не колхозить, а поставить тот потенциометр, который должен быть.


Повернутися до початку
 Профіль  
Відповісти цитуючи  
 Заголовок повідомлення: Re: Потенціометер,
#99310Повідомлення 19 лют 2020, 13:29 
Активіст форуму
Аватара користувача
Не в мережі

Звідки: Троицк
Дякував (ла) 69 Подякували 105
ДядяВася писав(ла):
Танго, аксакал ты наш - есть теория, а есть практика. А практика говорит, что проволочного в педали газа хватает примерно на пол года. :wallbash:


А проволока китайская из чего, из отожженного омедненного железа? :bravo: Тогда как раз на полгода плюс-минус одна неделя.

Если есть руки и не хочется тратить бабло, то можно самому сделать "вечный" бесконтактный потенциометр на основе канала полевого транзистора и тех же оптронов.

_________________
-----------------------------------------------------------------------
Лучше сразу взяться за ум, чтобы потом не хвататься за голову!


Повернутися до початку
 Профіль  
Відповісти цитуючи  
 Заголовок повідомлення: Re: Потенціометер,
#99318Повідомлення 19 лют 2020, 15:37 
Власник електровелосипеда, член клубу
Не в мережі

Звідки: Украина. Подольск
Дякував (ла) 269 Подякували 183
Мій електротранспорт: Электроскутер Viper Wind 72V 3.5kW 24Ah
Хочу електротранспорт: Nissan Leaf
Киньте схему, как это сделать, у меня есть полевой транзистор и куча оптронов.


Повернутися до початку
 Профіль  
Відповісти цитуючи  
 Заголовок повідомлення: Re: Потенціометер,
#99326Повідомлення 19 лют 2020, 16:25 
Активіст форуму
Аватара користувача
Не в мережі

Звідки: Троицк
Дякував (ла) 69 Подякували 105
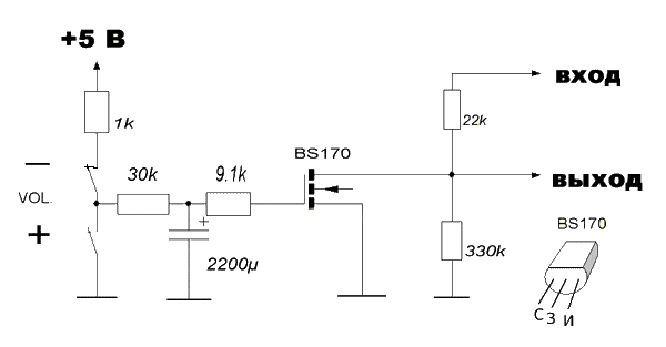
Для затравки:
http://diodnik.com/elektronnyj-peremennyj-rezistor/

Это первое что под руку подвернулось. Но надо поизвращаться чтобы в брошенном положении был "сброс" (велосипед сам не ехал).


Додаткові файли:
shema-zamenu-peremennogo-resistora-knopkami.jpg
shema-zamenu-peremennogo-resistora-knopkami.jpg [ 23.25 КБ | Переглядів: 5497 ]
volume_regulator.gif [6.47 КБ]
Завантажень: 0

_________________
-----------------------------------------------------------------------
Лучше сразу взяться за ум, чтобы потом не хвататься за голову!


Востаннє редагувалось танго 19 лют 2020, 16:40, редаговано 1 раз.
Повернутися до початку
 Профіль  
Відповісти цитуючи  
 Заголовок повідомлення: Re: Потенціометер,
#99329Повідомлення 19 лют 2020, 16:35 
Власник електровелосипеда, член клубу
Не в мережі

Звідки: Украина. Подольск
Дякував (ла) 269 Подякували 183
Мій електротранспорт: Электроскутер Viper Wind 72V 3.5kW 24Ah
Хочу електротранспорт: Nissan Leaf
Интересное решение, но с датчиком Холла как-то проще и надежнее...


Повернутися до початку
 Профіль  
Відповісти цитуючи  
Показати повідомлення за:  Поле сортування  
Почати нову тему Відповісти на тему  [ Повідомлень: 21 ]              На сторінку Пред.  1, 2

Часовий пояс: UTC + 2 години


Хто зараз на конференції

Зараз цей форум переглядають: немає зареєстрованих користувачів і гості: 30


Ви не можете створювати нові теми
Ви не можете відповідати на повідомлення
Ви не можете редагувати свої повідомлення
Ви не можете видаляти свої повідомлення
Ви не можете додавати додаткові файли

Найти:
Створено на основі phpBB® Forum Software © phpBB Group