Поточний час: 03 трав 2026, 16:53

Часовий пояс: UTC + 2 години


Правила форума


Покупець повинен чітко назвати тему (наприклад, "Куплю контролер 2-3 кВт"). У повідомленні бажано вказати необхідні технічні характеристики та діапазон цін. Повідомлення з назвами типу "Допоможіть!" і все видалятимуться без попереджень.


Почати нову тему Відповісти на тему  [ Повідомлень: 40 ]  На сторінку Пред.  1, 2, 3
Автор Повідомлення
 Заголовок повідомлення: Re: Контроллер вак.насоса
#107377Повідомлення 29 черв 2020, 19:29 
Активіст форуму
Аватара користувача
Не в мережі

Звідки: Троицк
Дякував (ла) 69 Подякували 105
Готово.


Додаткові файли:
Насос.JPG
Насос.JPG [ 58.49 КБ | Переглядів: 4742 ]

_________________
-----------------------------------------------------------------------
Лучше сразу взяться за ум, чтобы потом не хвататься за голову!


Востаннє редагувалось танго 30 черв 2020, 10:12, редаговано 1 раз.
Повернутися до початку
 Профіль  
Відповісти цитуючи  
 Заголовок повідомлення: Re: Контроллер вак.насоса
#107379Повідомлення 29 черв 2020, 19:45 
Власник електровелосипеда
Аватара користувача
Не в мережі

Звідки: Херсон, Украина
Дякував (ла) 144 Подякували 141
Мій електротранспорт: Эл.вел 48В/500Вт
С-с-слабак. :pfeif: :wallbash:
А я так курил в надежде. ;)


Повернутися до початку
 Профіль  
Відповісти цитуючи  
 Заголовок повідомлення: Re: Контроллер вак.насоса
#107380Повідомлення 29 черв 2020, 19:47 
Активіст форуму
Аватара користувача
Не в мережі

Звідки: Троицк
Дякував (ла) 69 Подякували 105
Не ззззааааикайся. :XD: :DX:
Курить вредно, бросай.

_________________
-----------------------------------------------------------------------
Лучше сразу взяться за ум, чтобы потом не хвататься за голову!


Повернутися до початку
 Профіль  
Відповісти цитуючи  
 Заголовок повідомлення: Re: Контроллер вак.насоса
#107381Повідомлення 29 черв 2020, 20:12 
Власник електровелосипеда
Аватара користувача
Не в мережі

Звідки: Херсон, Украина
Дякував (ла) 144 Подякували 141
Мій електротранспорт: Эл.вел 48В/500Вт
А по делу шо-то есть?
Я не заикаюсь, а хотел другое слово сказать.
И покурить ты сам предложил.
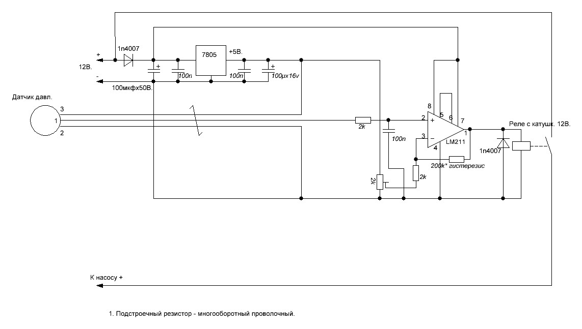
Ну а к схеме у меня всего два вопроса/претензии:
1). ПОС дивным образом стала ООС. :bravo: морякам!
2). Учитывая внутреннюю схемотехнику LM211, прикинь, какое напряжение приложится к реле. ;)


Повернутися до початку
 Профіль  
Відповісти цитуючи  
 Заголовок повідомлення: Re: Контроллер вак.насоса
#107398Повідомлення 30 черв 2020, 09:50 
Активіст форуму
Аватара користувача
Не в мережі

Звідки: Троицк
Дякував (ла) 69 Подякували 105
Какое дело?
Покурить - это значит отдохнуть.
Открываем книжку и смотрим.
У LM211 (этой линейки) выходной транзистор можно включить как с открытым коллектором так и с открытым эмиттером (коллектор и эмиттер ни с чем не связаны).
Здесь используется с открытым эмиттером.
В компараторах (на это они и компараторы а не усилители) выходное напряжение может принимать лишь два значения - либо "+" питания, либо "-" питания.
Остальное кумекай сам.

_________________
-----------------------------------------------------------------------
Лучше сразу взяться за ум, чтобы потом не хвататься за голову!


Повернутися до початку
 Профіль  
Відповісти цитуючи  
 Заголовок повідомлення: Re: Контроллер вак.насоса
#107399Повідомлення 30 черв 2020, 10:15 
Власник електровелосипеда
Аватара користувача
Не в мережі

Звідки: Херсон, Украина
Дякував (ла) 144 Подякували 141
Мій електротранспорт: Эл.вел 48В/500Вт
Не дошло, а жаль.
А слабО собрать "контроллер" по предложенной схеме?
А я по своей. :lachtot:
У Инженера сразу две приблуды будет, на выбор. :hurra:


Повернутися до початку
 Профіль  
Відповісти цитуючи  
 Заголовок повідомлення: Re: Контроллер вак.насоса
#107401Повідомлення 30 черв 2020, 10:21 
Власник електровелосипеда, член клубу
Аватара користувача
Не в мережі

Звідки: Запорожье
Дякував (ла) 298 Подякували 1099
Мій електротранспорт: >
igo61 писав(ла):
.....1). ПОС дивным образом стала ООС....

К сожалению к танго в этом плане придолбаться не выйдет.
Использование выходного транзистора усилителя как эмиттерного повторителя инвертирует выход по сравнению с классическим включением (даташитным где выход с коллектора), а значит входа + и - меняются местами. Получается что обратная связь для гистерезиса правильная = ПОС, несмотря на то что идет на минусовой вход операционника.

_________________
2 моноколеса, 2 электровела, 2 подводных буксира, надувной электро-каяк.


Повернутися до початку
 Профіль  
Відповісти цитуючи  
 Заголовок повідомлення: Re: Контроллер вак.насоса
#107402Повідомлення 30 черв 2020, 10:30 
Активіст форуму
Аватара користувача
Не в мережі

Звідки: Троицк
Дякував (ла) 69 Подякували 105
igo61 писав(ла):
Не дошло, а жаль.
А слабО собрать "контроллер" по предложенной схеме?
А я по своей. :lachtot:
У Инженера сразу две приблуды будет, на выбор. :hurra:

Обычно принято коммутировать "фазный" провод чтобы когда менять лампочку не упасть со стула от случайного удара током при выключенном выключателе. У тебя наоборот. :XD: :DX:

Сделай по своему (видимо не зря сдвоенные микрушки в одном корпусе применил). Или их впараллель включаешь чтобы от релюшки выходной ключ не сгорел? ;)

_________________
-----------------------------------------------------------------------
Лучше сразу взяться за ум, чтобы потом не хвататься за голову!


Повернутися до початку
 Профіль  
Відповісти цитуючи  
 Заголовок повідомлення: Re: Контроллер вак.насоса
#107411Повідомлення 30 черв 2020, 13:37 
Власник електровелосипеда
Аватара користувача
Не в мережі

Звідки: Херсон, Украина
Дякував (ла) 144 Подякували 141
Мій електротранспорт: Эл.вел 48В/500Вт
igo61 писав(ла):
.....1). ПОС дивным образом стала ООС....

Вопрос/претензия снимается - был не прав.


Повернутися до початку
 Профіль  
Відповісти цитуючи  
 Заголовок повідомлення: Re: Контроллер вак.насоса
#107412Повідомлення 30 черв 2020, 14:14 
Активіст форуму
Аватара користувача
Не в мережі

Звідки: Троицк
Дякував (ла) 69 Подякували 105
Дело в том что у первой схемы в теме, и в той что я намалевал - есть "косячек".
Гистерезис заводится с +12 вольт и от стабильности этого напряжения зависит порог отработки уровня. Если по входу будет например +24 вольта то порог сдвинется. Это не есть хорошо.
Я хотел проверить напряжение выходного ключа при запитке самой микрушки от +5 вольт но потом перебросил ее питание на +12 вольт - т. к. не уверен был что на релюхе будет около 10-12 вольт - тому кто паяет наверно неинтересны эксперименты.
Насколько стабилизировано +12 вольт неизвестно, но если оно "плавает" то чтобы "жестко" привязать гистерезис к стабилизации - надо по выходу микрушки поставить сопротивление с стабилитроном параллельно реле и с него снимать гистерезис на опорное напряжение.
Можно попробовать опорное запитать от выхода +5 вольт, а гистерезис завести на выход датчика, но не хочется трогать цепь с датчиком.

_________________
-----------------------------------------------------------------------
Лучше сразу взяться за ум, чтобы потом не хвататься за голову!


Повернутися до початку
 Профіль  
Відповісти цитуючи  
Показати повідомлення за:  Поле сортування  
Почати нову тему Відповісти на тему  [ Повідомлень: 40 ]              На сторінку Пред.  1, 2, 3

Часовий пояс: UTC + 2 години


Хто зараз на конференції

Зараз цей форум переглядають: немає зареєстрованих користувачів і гості: 38


Ви не можете створювати нові теми
Ви не можете відповідати на повідомлення
Ви не можете редагувати свої повідомлення
Ви не можете видаляти свої повідомлення
Ви не можете додавати додаткові файли

Найти:
Створено на основі phpBB® Forum Software © phpBB Group