Поточний час: 03 трав 2026, 02:05

Часовий пояс: UTC + 2 години



Почати нову тему Відповісти на тему  [ Повідомлень: 30 ]  На сторінку 1, 2  Наступ.
Автор Повідомлення
#124488Повідомлення 30 груд 2021, 20:47 
Активіст форуму
Не в мережі

Звідки: г. Токмак Запорожская область
Дякував (ла) 23 Подякували 60
Хочу електротранспорт: Трайк с легкой кабинкой
Залипучее видео о преобразователе ДС-ДС на летающем конденсаторе. КПД до 100% https://youtu.be/mS1L1hqkU6c?t=441

_________________
Все беды в электричестве от поганого контакта!


Повернутися до початку
 Профіль  
Відповісти цитуючи  
#124497Повідомлення 31 груд 2021, 09:04 
Власник електромобіля
Аватара користувача
Не в мережі

Звідки: между морем и степью
Дякував (ла) 49 Подякували 115
Мій електротранспорт: MG4
Хочу електротранспорт: Rimac Nevera
Петро Чех писав(ла):
КПД до 100%


Э-ээ, а чего так скромно?! Говорите уж сразу 146%, чего уж там! :XD: :DX:

Молодёшшш... Открывают для себя схемы из журнала "Радио" 70-х годов. Которые, в свою очередь, вдохновлялись схемами из буржуйских журналов 60-х... :ugly:

_________________
Gray©at.


Повернутися до початку
 Профіль  
Відповісти цитуючи  
#124498Повідомлення 31 груд 2021, 09:55 
Власник електровелосипеда
Не в мережі

Звідки: Запорожье - Запорожская область - Украина
Дякував (ла) 4 Подякували 17
Мій електротранспорт: Электровел на LG CHEM 40Ah разобран в 2018
Хочу електротранспорт: много чего хочу но названия не знаю
Блин, мне тоже прилетела эта хрень в реки на смартфоне, надоели уже, я сам ищу то, что мне нужно на ютубе


Повернутися до початку
 Профіль  
Відповісти цитуючи  
#124509Повідомлення 01 січ 2022, 20:00 
Активіст форуму
Не в мережі

Звідки: г. Токмак Запорожская область
Дякував (ла) 23 Подякували 60
Хочу електротранспорт: Трайк с легкой кабинкой
GrayCat писав(ла):
Петро Чех писав(ла):
КПД до 100%


Э-ээ, а чего так скромно?! Говорите уж сразу 146%, чего уж там! :XD: :DX:

Молодёшшш...

Это что было? Надеюсь вам уже хочется извинится!

Открывают для себя схемы из журнала "Радио" 70-х годов. Которые, в свою очередь, вдохновлялись схемами из буржуйских журналов 60-х... :ugly:



И что? Имеет какое то значение в какое время и где впервые был предложен прототип? Появляются новые технологии, материалы, элементарная база и новая спираль прогресса.

_________________
Все беды в электричестве от поганого контакта!


Повернутися до початку
 Профіль  
Відповісти цитуючи  
#124510Повідомлення 01 січ 2022, 21:08 
Власник електровелосипеда, член клубу
Аватара користувача
Не в мережі

Звідки: Запорожье
Дякував (ла) 298 Подякували 1099
Мій електротранспорт: >
Схемы на переключающих конденсаторах давно уже не новы и используются рутинно и повсеместно, практически все интегральные преобразователи из TTL в RS232 содержат в себе несколько преобразователей на этом принципе, и ими свободно пользовались более 30 лет назад (если кто помнит часы Монтана на семь мелодий, популярных в конце советской эпохи, то там внутри тоже повышака на конденсаторах была, с полтора вольт до 3 повышала). Отдельные копеечные микросхемы преобразователей даже используются в качестве конденсаторной балансировки соседних банок, что было обсуждено у нас на форуме(в том числе и мной в качестве эксперимента). Не вижу смысла делать из этого какое то открытие. Если для кого то работа обычного резистора в качестве нагревателя покажется каким то откровением, для него то же тему открывать? Короче, ни на идею, ни на концепцию уже давно не тянет, новаторства ноль.

_________________
2 моноколеса, 2 электровела, 2 подводных буксира, надувной электро-каяк.


Повернутися до початку
 Профіль  
Відповісти цитуючи  
#124524Повідомлення 02 січ 2022, 16:05 
Активіст форуму
Не в мережі

Звідки: г. Токмак Запорожская область
Дякував (ла) 23 Подякували 60
Хочу електротранспорт: Трайк с легкой кабинкой
Тогда почему не применяется? потери ведь гораздо ниже. Понятно что для высоких мощностей нужны конденсаторы способные быстро перезаряжатся но ведь если будет запрос они будут созданы. Впечатление такое что конструкторов как то не особо волнуют потери, главное отвести тепло! Как будто они забывают что их источник питания уже не условный Днепрогес, а недешевая, нелегенькая, объемная и капризная батарейка.

_________________
Все беды в электричестве от поганого контакта!


Повернутися до початку
 Профіль  
Відповісти цитуючи  
#124525Повідомлення 02 січ 2022, 16:53 
Власник електровелосипеда, член клубу
Аватара користувача
Не в мережі

Звідки: Запорожье
Дякував (ла) 298 Подякували 1099
Мій електротранспорт: >
Петро Чех писав(ла):
Тогда почему не применяется? потери ведь гораздо ниже.
Ну наверно потому что множитель-делитель только целое число, фиксированный), на каждую ступень деления-умножения на 2 надо выделить отдельный кондер и полный мост ключей (а это четыре ключа и четыре драйвера и согласование уровней). Кондеры умеющие перекачивать через себя большую мощность габаритны и дОроги. Хороший КПД получается только при малых мощностях (далеких от максимальных для элементов схемы.) ... и можно еще долго продолжать искать и перечислять минусы. У них есть своя ниша где они эффективнее других (и дешевле), и они там широко применяются, например в микропотребляющих преобразователю глупо использовать моточные элементы (индуктивности), так как они технологически более затратны при производстве.

Стоит вместо "летающие" набрать в гугле более употребительные названия "переключаемые", "коммутируемые", "модулируемые" и вам откроется куча вариантов применений и схем, в том числе далеких годов и даже на тиристорах.

Кстати, в современной силовой электронике схемы на переключаемых конденсаторах находят применение в составе гибридных преобразователей, когда конденсаторный сомещается с индуктивным, полученные гибриды объединяют плюсы друг друга. Вот например можете почитать по диагонали, если вас от этой темы так плющит. https://power-e.ru/power_supply/shinnyj-dc-dc-preobrazovatel/
и ностальжи https://www.qrz.ru/schemes/contribute/power/preobrazovateli-naprazenia-na-kommutiruemyh-i-moduliruemyh-kondensatorah-13-shem.html (тяжело читается, ибо извраты из за ограничений устаревшей схемотехники типа тиристоров...)
И не говорите что не применяется, вы просто не в курсе.

_________________
2 моноколеса, 2 электровела, 2 подводных буксира, надувной электро-каяк.


Повернутися до початку
 Профіль  
Відповісти цитуючи  
#124730Повідомлення 11 січ 2022, 14:17 
Не в мережі

Звідки: Украина
Дякував (ла) 6 Подякували 0
Мій електротранспорт: Мопед "КАРПАТЫ"-2kWt
Петро Чех писав(ла):
Тогда почему не применяется? потери ведь гораздо ниже. Понятно что для высоких мощностей нужны конденсаторы способные быстро перезаряжатся но ведь если будет запрос они будут созданы. Впечатление такое что конструкторов как то не особо волнуют потери, главное отвести тепло! Как будто они забывают что их источник питания уже не условный Днепрогес, а недешевая, нелегенькая, объемная и капризная батарейка.

А кто считал потери в том и в другом случае? И на входе при больших токах тоже надо индуктивность. А потери на коммутацию? Поскольку тема здесь, то я в первую очередь смотрю на применение в электромобиле, и самое актуальное применение - для рекуперации в ДСшниках. там нужен большой ток и единицы вольт. Так вот я с трудом представляю гирлянду 30-кратного понижения последовательно-параллельных ключей. Надо считать не только омические потери, а и перезаряд емкости массы ключей десятки тысяч раз в секундую Гораздо проще полумост а выпрямитель синхронный на MOSFET. На диодах будет к.п.д. намного ниже. А взять инвертор с ВВБ на 12В бортовую - так здесь при оптимальном расчете кпд 95-98%.


Повернутися до початку
 Профіль  
Відповісти цитуючи  
#124732Повідомлення 11 січ 2022, 15:41 
Активіст форуму
Не в мережі

Звідки: Беловодск
Дякував (ла) 1 Подякували 27
Откуда такие фантазии с КПД 95-98%?))))
КПД только одного обычного трансформатора около 90-95%.

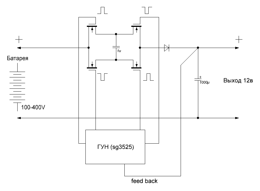
Можно сделать понизитель (ДС/ДС) и на конденсаторах как и тот же электростатический двигатель, работающий на электрополе, но по стоимости и габаритам это будет выше чем на электромагнитном поле с помощью трансформаторов/дросселей.

И это несложно сделать.
Берется конденсатор например пару микрофарад и включается последовательно через диод с основным конденсатором емкостью например на 1000 мкф, и при этом в зависимости от частоты перезаряда этого маленького конденсатора (с помощью транзисторных ключей) - на большом конденсаторе будет необходимое нам напряжение. Импульсные токи возможно будут и повышенные, но учитывая что емкость маленькая транзисторы не погорят.

Топик стартер может попробовать такое реализовать.
Преимущества - схема простейшая, КЗ не боится, обратная связь по току не нужна. Трансформаторы не нужны с их демпферами и остальной лабудой.
Блок схема ниже.


Додаткові файли:
ДС - ДС.GIF
ДС - ДС.GIF [ 8.98 КБ | Переглядів: 12369 ]
Повернутися до початку
 Профіль  
Відповісти цитуючи  
#124740Повідомлення 11 січ 2022, 19:12 
Не в мережі

Звідки: Украина
Дякував (ла) 6 Подякували 0
Мій електротранспорт: Мопед "КАРПАТЫ"-2kWt
Ток писав(ла):
Откуда такие фантазии с КПД 95-98%?))))
КПД только одного обычного трансформатора около 90-95%.

Импульсные токи возможно будут и повышенные, но учитывая что емкость маленькая транзисторы не погорят.

Я имел дело с изготовлением сварочных инверторов. Замеры по входу и по выходу дают приблизительную картину потерь. Потом замеры падения напряжения на ключах и на диодах - уже точнее + мощность на перезаряд переходов. А насчет трансформатора так это уже я смею Вас спросить: из какого источника у Вас кпд силового транса ( не на единицы вт, конечно) 90 %? В инверторе при 3 кВт транс практически холодный.


Повернутися до початку
 Профіль  
Відповісти цитуючи  
#124741Повідомлення 11 січ 2022, 19:17 
Активіст форуму
Не в мережі

Звідки: Беловодск
Дякував (ла) 1 Подякували 27
Откройте любую книжку по проектированию трансформаторов))).
Типово изначально они расчитываются для промышленности (при их рабочем штатном режиме) на температуру перегрева +50 градусов (а это уже рукой держать чувствительно).

Он у вас не грелся наверно из за того что им не пользовались))).

Больше того - обычный преобразователь (не резонансный и без синхронных выпрямителей) - имеет КПД не более 80-85%. Все остальное - это хотелки.


Повернутися до початку
 Профіль  
Відповісти цитуючи  
#124745Повідомлення 12 січ 2022, 11:09 
Власник електровелосипеда
Аватара користувача
Не в мережі

Звідки: Ternopil
Дякував (ла) 83 Подякували 630
Ток писав(ла):
Берется конденсатор например пару микрофарад и включается последовательно через диод с основным конденсатором емкостью например на 1000 мкф, и при этом в зависимости от частоты перезаряда этого маленького конденсатора (с помощью транзисторных ключей) - на большом конденсаторе будет необходимое нам напряжение. Импульсные токи возможно будут и повышенные, но учитывая что емкость маленькая транзисторы не погорят.

Це так не працює. Щоразу при переключенні "літаючого" конденсатора будуть гігантські втрати, пропорційні різниці напруг конденсатора і джерела або накопичувача. Це те саме, що заряджати конденсатор через резистор від 400В а потім через резистор розряджати на велику ємність. Тільки роль резистора в цьому випадку гратиме опір ключів.
Якщо не вдаватись у складні розрахунки, то по простому - втрати в такому перетворювачі в ідеальному випадку будуть рівно вдвічі більші, ніж живити навантаження через опір резистора, рівний опору ключів. В реалі ККД буде трохи меншим. Чим менша різниця напруг, тим вищий ККД. У випадку помножувача чи дільника напруг стараються робити частоту переключення настільки високу, щоби мінімізувати пульсації, від яких напряму залежатиме ефективність. При тому не впершись в великі динамічні втрати на переключення.

_________________
моя Smart BMS


Повернутися до початку
 Профіль  
Відповісти цитуючи  
#124747Повідомлення 12 січ 2022, 13:52 
Власник електровелосипеда
Не в мережі

Звідки: Киев
Дякував (ла) 243 Подякували 617
Мій електротранспорт: Ё
Ток писав(ла):
Топик стартер может попробовать такое реализовать.
Преимущества - схема простейшая, КЗ не боится, обратная связь по току не нужна.

Танго , кончай схемобредить бредосхемить :lol: :lol: :lol:

_________________
Э-вел,3 кВт Quanshun,Келли 200А,ли-ион,3.2кВтЧ,(LG 48АЧ, 21S) , max 75 км\ч, > 60 000 км


Повернутися до початку
 Профіль  
Відповісти цитуючи  
#124750Повідомлення 12 січ 2022, 15:15 
Активіст форуму
Не в мережі

Звідки: Беловодск
Дякував (ла) 1 Подякували 27
Цитата:
Убрал с этого места цитату с кривым цитированием, где слова одного человека были оформлены в цитату другого... В следующий раз за такое буду сносить весь пост с предупреждением! (ибо подлог). ваш -=TRO=- ничего личного
_____________________

Если симуль не врет то да, при 50 кгц (меандр), и входном 400 вольт средняя мощность на транзисторе около 3 квт, при выходной около 300 ватт.
Хотя может на скорую руку что то не учел при симуляции.

Придется по сигналам управления мертвое время сделать, что то "сквозняком" потягивает, слишком большая мощность рассеивания вышла)).


Додаткові файли:
ДС-ДС.png
ДС-ДС.png [ 81.1 КБ | Переглядів: 12251 ]
Повернутися до початку
 Профіль  
Відповісти цитуючи  
#124755Повідомлення 12 січ 2022, 18:29 
Не в мережі

Звідки: Украина
Дякував (ла) 6 Подякували 0
Мій електротранспорт: Мопед "КАРПАТЫ"-2kWt
Это похоже на правду даже с мертвым временем. Просто из-за большой скважности (около 30) по входу большие имп токи, а значит потери в ключах. да и без дросселя никак при коммутации, а это опять те же потери - активные и реактивные, что и в трансе. Хотя голую идею можно обсуждать до бесконечности.


Повернутися до початку
 Профіль  
Відповісти цитуючи  
Показати повідомлення за:  Поле сортування  
Почати нову тему Відповісти на тему  [ Повідомлень: 30 ]              На сторінку 1, 2  Наступ.

Часовий пояс: UTC + 2 години


Хто зараз на конференції

Зараз цей форум переглядають: немає зареєстрованих користувачів і гості: 26


Ви не можете створювати нові теми
Ви не можете відповідати на повідомлення
Ви не можете редагувати свої повідомлення
Ви не можете видаляти свої повідомлення
Ви не можете додавати додаткові файли

Найти:
Створено на основі phpBB® Forum Software © phpBB Group