Поточний час: 07 трав 2026, 19:19

Часовий пояс: UTC + 2 години



Почати нову тему Відповісти на тему  [ Повідомлень: 20 ]  На сторінку 1, 2  Наступ.
Автор Повідомлення
 Заголовок повідомлення: Откуда напряжение/заряд
#128417Повідомлення 28 серп 2022, 18:36 
Активіст форуму
Аватара користувача
Не в мережі

Звідки: Тернопіль
Дякував (ла) 0 Подякували 32
Вопрос:

Откуда берется напряжение/заряд на среднем конденсаторе в момент подключения данной цепи к батарее?


Додаткові файли:
Заряд.GIF [2.48 КБ]
Завантажень: 0

_________________
Навіщо займатися електрикою якщо не в змозі опанувати навіть мову.
https://www.youtube.com/watch?v=M8JfGYuut0w
Повернутися до початку
 Профіль  
Відповісти цитуючи  
 Заголовок повідомлення: Re: Откуда напряжение/заряд
#128425Повідомлення 28 серп 2022, 21:51 
Власник електровелосипеда, член клубу
Аватара користувача
Не в мережі

Звідки: Запорожье
Дякував (ла) 298 Подякували 1100
Мій електротранспорт: >
Из за вашей немногословности приходится гадать о происходящих непонятках в вашей голове, впредь советую описывать почему вас удивляет происходящее (полный ход своих мыслей), а то телепатом подрабатывать дело неблагодарное, и занимает многа буков.

Я так понимаю, из за того что в учебниках написано "постоянный ток через конденсаторы не течет", вы думаете что до среднего конденсатора напряжению добраться неоткуда....(ибо батарейка источник потоянного тока и напряжения). Однако, момент подключение и есть тот самый переменный ток (импульс, прыжок с нулевого напряжения до 12в), вот этот переменный ток, в виде импульса, и заряжает все конденсаторы в цепи..

_________________
2 моноколеса, 2 электровела, 2 подводных буксира, надувной электро-каяк.


Повернутися до початку
 Профіль  
Відповісти цитуючи  
 Заголовок повідомлення: Re: Откуда напряжение/заряд
#128429Повідомлення 29 серп 2022, 06:59 
Активіст форуму
Аватара користувача
Не в мережі

Звідки: Тернопіль
Дякував (ла) 0 Подякували 32
Импульс тока возникает только во внешней цепи где есть те же заряженные частицы (электроны...... и т. п.) которые вырабатываются батареей. Между обкладками и в среднем конденсаторе току некуда течь хоть при начальном импульсе, хоть каком. На среднем конденсаторе (на его металлических обкладках есть свободные электроны но количество их - конечно) и значит заряд он тоже принимает конечный, и соответственно напряжение на нем должно быть конечно. А на внешние обкладки внешних конденсаторов мы можем залить сколь угодно электронов - это ограничено лишь батареей.
Но почему то на всех конденсаторах одинаковой емкости напряжения устанавливпются равными. Вот в чем вопрос.

_________________
Навіщо займатися електрикою якщо не в змозі опанувати навіть мову.
https://www.youtube.com/watch?v=M8JfGYuut0w


Повернутися до початку
 Профіль  
Відповісти цитуючи  
 Заголовок повідомлення: Re: Откуда напряжение/заряд
#128432Повідомлення 29 серп 2022, 08:57 
Власник електромобіля
Аватара користувача
Не в мережі

Звідки: между морем и степью
Дякував (ла) 49 Подякували 115
Мій електротранспорт: MG4
Хочу електротранспорт: Rimac Nevera
Я так понимаю, tesljar открыл для себя PSpice? ;)

Тогда, следующим открытием станет то, что это в бОльшей степени математический инструмент, чем физический. Соответственно, он не полностью отражает реальный мир.

Или вы собрались построить очередной "вечный дрыгатель" на "новом физическом принципе"? :hurra:

_________________
Gray©at.


Повернутися до початку
 Профіль  
Відповісти цитуючи  
 Заголовок повідомлення: Re: Откуда напряжение/заряд
#128435Повідомлення 29 серп 2022, 10:04 
Активіст форуму
Аватара користувача
Не в мережі

Звідки: Тернопіль
Дякував (ла) 0 Подякували 32
LTSpice иногда балуюсь, про PSpise только вот узнал)))).
А так для проверки разных идей закидываю в шустренький другой симуль))).
Да они то все в принципе одно и то же все рисуют.

Почему же - эти "математические" симуляторы довольно точно отображают процессы в схеме.

Но непонятки все же по этой схеме с конденсаторами остаются)))).

_________________
Навіщо займатися електрикою якщо не в змозі опанувати навіть мову.
https://www.youtube.com/watch?v=M8JfGYuut0w


Повернутися до початку
 Профіль  
Відповісти цитуючи  
 Заголовок повідомлення: Re: Откуда напряжение/заряд
#128436Повідомлення 29 серп 2022, 10:10 
Активіст форуму
Аватара користувача
Не в мережі

Звідки: Тернопіль
Дякував (ла) 0 Подякували 32
GrayCat писав(ла):
Я так понимаю, tesljar
Или вы собрались построить очередной "вечный дрыгатель" на "новом физическом принципе"? :hurra:


Вечный нет, но если можно к существующему источнику добавить "дополнительный" источник (как в тепловом насосе) - то почему бы и нет))))).

_________________
Навіщо займатися електрикою якщо не в змозі опанувати навіть мову.
https://www.youtube.com/watch?v=M8JfGYuut0w


Повернутися до початку
 Профіль  
Відповісти цитуючи  
 Заголовок повідомлення: Re: Откуда напряжение/заряд
#128444Повідомлення 29 серп 2022, 14:39 
Власник електромобіля
Аватара користувача
Не в мережі

Звідки: между морем и степью
Дякував (ла) 49 Подякували 115
Мій електротранспорт: MG4
Хочу електротранспорт: Rimac Nevera
tesljar писав(ла):
Вечный нет, но если можно к существующему источнику добавить "дополнительный" источник
(как в тепловом насосе) - то почему бы и нет))))).


Ну тогда сразу ищите статьи про схемы на "переключаемых конденсаторах". Фильтры, источники питания, преобразователи частоты и много чего ещё. У буржуев, по-моему, это "Flying capacitor" называется.

_________________
Gray©at.


Повернутися до початку
 Профіль  
Відповісти цитуючи  
 Заголовок повідомлення: Re: Откуда напряжение/заряд
#128457Повідомлення 30 серп 2022, 15:11 
Активіст форуму
Аватара користувача
Не в мережі

Звідки: Тернопіль
Дякував (ла) 0 Подякували 32
GrayCat писав(ла):
щите статьи про схемы на "переключаемых конденсаторах". Фильтры, источники питания, преобразователи частоты и много чего ещё. У буржуев, по-моему, это "Flying capacitor" называется.

Ээээээ неее, это меня не интересует))). Вот если бы кто то имел навык моделить магнитное и электрическое поле и как его в тот же LTSpice засунуть - это было бы для меня полезно, здесь задумка совсем другого принципа нежели суммирование заряженных конденсаторов.

Не заниматься же сдуру сразу практическими трудами не поняв - "выгорит" ли это дело или нет))).

_________________
Навіщо займатися електрикою якщо не в змозі опанувати навіть мову.
https://www.youtube.com/watch?v=M8JfGYuut0w


Повернутися до початку
 Профіль  
Відповісти цитуючи  
 Заголовок повідомлення: Re: Откуда напряжение/заряд
#128462Повідомлення 30 серп 2022, 21:07 
Власник електромобіля
Аватара користувача
Не в мережі

Звідки: между морем и степью
Дякував (ла) 49 Подякували 115
Мій електротранспорт: MG4
Хочу електротранспорт: Rimac Nevera
tesljar писав(ла):
Вот если бы кто то имел навык моделить магнитное и электрическое поле и как его в тот же LTSpice засунуть

Для этого есть совсем другие инструменты. Например, пакет HFSS. Покажет вам распределение токов, потенциалов, полей, всё что хочешь. Но, требует изрядных знаний для применения.

Зображення

(возможно, нужно нажать на картинку для анимации).

_________________
Gray©at.


Повернутися до початку
 Профіль  
Відповісти цитуючи  
 Заголовок повідомлення: Re: Откуда напряжение/заряд
#128503Повідомлення 01 вер 2022, 15:14 
Власник електровелосипеда
Аватара користувача
Не в мережі

Звідки: Ternopil
Дякував (ла) 83 Подякували 630
tesljar писав(ла):
Вопрос:
Откуда берется напряжение/заряд на среднем конденсаторе в момент подключения данной цепи к батарее?

Все просто.

Почнемо з "малого" - з одного конденсатора.Щоби ЗАРЯДити конденсатор, нам потрібно в нього внести якийсь заряд, а він, як відомо з шкільної фізики, в Кулонах вимірюється. За 1 Фарад прийняли таку ємність, в якій при заряді 1 Кулон напруга на його обгортках (виводах) зміниться на 1 Вольт. 1 Кулон це такий заряд, що рівний проходженню струму величиною 1 Ампер протягом однієї секунди. Отже, при проходженні струму 1А за 1 секунду на конденсаторі ємністю 1 Фарад напруга зміниться на 1В. Початкова напруга = 0В (розряджений). Кінцева - 1В. Коли ми неідеальний конденсатор підключаємо не до джерела струму, а до джерела напруги, яке теж не є ідеальним, бо мають паразитні опори та індуктивності, в початковий момент значення струму прямує в безкінечність, але враховуючи закон ома дещо менше :) Але якщо ми підключимо до напруги 1В конденсатор 1Ф, то який би струм початковий не проходив, в результаті він все рівно по експоненті впаде до нуля і заряд буде той самий 1Кл.

Не вдаючись у формули, щоби зарядити конденсатор потрібен СТРУМ. Струм у послідовному колі завжди однаковий. Три послідовні однакові ємності при проходженні однакового струму зарядяться однаково. От вам і 1/3 напруги на будь якому з конденсаторів. Але "зняти" з нього можна лише той заряд, який він отримав. Його ж можна і змінити. Наприклад, два "крайніх" конденсатори розряджені, а внутрішній заряджений на 1В в протилежну сторону. То при заряді такої батареї на крайніх буде по 2/3В позитивного заряду, а внутрішньому 1/3 негативного))

_________________
моя Smart BMS


Повернутися до початку
 Профіль  
Відповісти цитуючи  
 Заголовок повідомлення: Re: Откуда напряжение/заряд
#128507Повідомлення 01 вер 2022, 16:46 
Активіст форуму
Аватара користувача
Не в мережі

Звідки: Тернопіль
Дякував (ла) 0 Подякували 32
Что то для придания общего обьема или массовки все смешали в кучу - и ток, и заряд, и кулоны.....

Начнем заново.
На обкладках (в обкладках) конденсатора (они проводящие) есть собственный заряд (свободные электроны и тому подобное - это тот же заряд).
Кстати - зарядить можно и тот же ебанит и стекло и т. п. накидав туда как плюсовых заряженных частиц так и электронов....
Теперь соответственно на разноименные обкладки конденсатора мы "дополнительно впихиваем" сколь угодно разноименных внешних заряженных частиц (их вырабатывает батарея) - ток здесь ни при чем, он вторичен, и не течет между обкладками - между ними лишь электрическое поле, которое само по себе энергию не содержит, а лишь влияет на перенос зарядов (заряженных частиц).
С этим вроде понятно.

Теперь к среднему конденсатору
В средний же конденсатор мы не можем напрямую залить электроны (заряды) от батареи напрямую - да и вообще никак - так как нет гальванической связи его обкладок ни с чем, есть только "внутреенее количество" зарядов внутри его обкладок, которое мы не можем изменить.

В этом действе получается аналогичная хрень как и с обьыкновенным трансформатором - где на вторичной обмотке (гальванически не связанной с первичной) - мы выходит всего лишь туда сюда гоняем количество зарядов (они же свободные электроны) содержащиеся в проволоке вторичной обмотки.

_________________
Навіщо займатися електрикою якщо не в змозі опанувати навіть мову.
https://www.youtube.com/watch?v=M8JfGYuut0w


Повернутися до початку
 Профіль  
Відповісти цитуючи  
 Заголовок повідомлення: Re: Откуда напряжение/заряд
#128509Повідомлення 01 вер 2022, 18:58 
Власник електровелосипеда, член клубу
Аватара користувача
Не в мережі

Звідки: Запорожье
Дякував (ла) 298 Подякували 1100
Мій електротранспорт: >
tesljar писав(ла):
В средний же конденсатор мы не можем напрямую залить электроны (заряды) от батареи напрямую - да и вообще никак - так как нет гальванической связи его обкладок ни с чем, есть только "внутреенее количество" зарядов внутри его обкладок, которое мы не можем изменить.

Так оно и есть, с обкладки одного конденсатора электроны дружно перебегают в обкладку другого, электронов с батареи туда не набегает, вроде просто все.

С другой стороны, мне кажется вы не за ответом сюда пришли, а привлечь внимание пытаясь доказать невозможность происходящего... кажись вы насмотрелись в теме про униполярный мотор как человечек попер против физики и собрал кучу народа, и позавидовав его славе решили то же попробовать почудачить.

_________________
2 моноколеса, 2 электровела, 2 подводных буксира, надувной электро-каяк.


Повернутися до початку
 Профіль  
Відповісти цитуючи  
 Заголовок повідомлення: Re: Откуда напряжение/заряд
#128517Повідомлення 02 вер 2022, 09:20 
Власник електромобіля
Аватара користувача
Не в мережі

Звідки: между морем и степью
Дякував (ла) 49 Подякували 115
Мій електротранспорт: MG4
Хочу електротранспорт: Rimac Nevera
Тут, вообще говоря, возможны ДВА ответа. Оба — достаточно очевидные ;) :
  • В компьютерной симуляции — обязательно перед началом моделирования "по временнЫм точкам", система должна рассчитать "начальное состояние". Просто решение системы уравнений для "нулевого", стационарного состояния схемы. В данном случае, чтобы "система уравнений сошлась", решением будет равные напряжения на конденсаторах.
  • В реальном мире — есть такая штука как электрическая индукция. Она же срабатывает, когда вы наэлектризованную еэбонитовую палочку подносите к деревянным опилкам, или клочкам бумаги. Внешнее (для опилок) поле перераспределяет электрические заряды внутри них, в результате чего ближе к палочке оказываются противоположные ей заряды. Так и с конденсаторами: по мере заряда одной из обкладок "внешнего" конденсатора от батареи, на второй его обкладке скапливаются противоположные по знаку заряды. Соответственно, заряды того же знака, какие пришли из батареи, вынуждены из второй обкладки "вытесняться". Куда? — Как раз таки в обкладку "внутреннего" конденсатора! Причём, на вторую обкладку "внутреннего" конденсатора в это же время точно так же "вытесняются" заряды с другого "внешнего" конденсатора.
Никаких чудес... {!_!}

_________________
Gray©at.


Повернутися до початку
 Профіль  
Відповісти цитуючи  
 Заголовок повідомлення: Re: Откуда напряжение/заряд
#128518Повідомлення 02 вер 2022, 11:05 
Активіст форуму
Аватара користувача
Не в мережі

Звідки: Тернопіль
Дякував (ла) 0 Подякували 32
-=TRO=- писав(ла):
Так оно и есть, с обкладки одного конденсатора электроны дружно перебегают в обкладку другого, электронов с батареи туда не набегает, вроде просто все.

Через что? через диэлектрик?)))
-=TRO=- писав(ла):
С другой стороны, мне кажется вы не за ответом сюда пришли,

Возможно, возможно.....но все же?
-=TRO=- писав(ла):
кажись вы насмотрелись в теме про униполярный мотор как человечек по

Я "околонаучные мультики" не смотрю.
-=TRO=- писав(ла):
и позавидовав его славе решили то же попробовать почудачить.

Зависть плохая черта......ну если разве что белая зависть.
GrayCat писав(ла):
перед началом моделирования "по временнЫм точкам", система должна рассчитать "начальное состояние". Просто решение системы уравнений для "нулевого", стационарного состояния схемы. В данном случае, чтобы "система уравнений сошлась", решением будет равные напряжения на конденсаторах.

Это задается в настройках симулятора - можно и с задержкой питание подавать, а можно смотреть и в установившемся уже рабочем режиме. Хозяин - барин.
GrayCat писав(ла):
го" конденсатора от батареи, на второй его обкладке скапливаются противоположные по знаку заряды. Соответственно, заряды того же знака, какие пришли из батареи, вынуждены из второй обкладки "вытесняться". Куда? — Как раз таки в обкладку "внутреннего" конденсатора! Причём, на вторую обкладку "внутреннего" конденсатора в это же время точно так же "вытесняются" заряды с другого "внешнего" конденсатора.

Как и куда вытесняться если есть диэлектрик?

Ну да ладно.
вот выдержка из книжки:
......Каждый конденсатор обладает определенной емкостью - то есть способностью вмещать определенный заряд. Емкость зависит от площади и..........
И есть еще одно предложение из этой же книжки:
......Напряжение на пластинах конденсатора будет тем больше, чем больше сообщенный ему заряд......
То есть второе предложение херит первое????

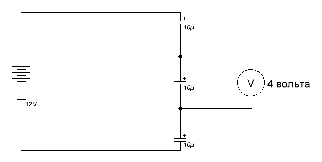
Ну и рисунок двух последовательно "соединенных" конденсаторов - куда из среднего проводника перетекает/вытесняется и откуда берутся там "дополнительные" заряды???


Додаткові файли:
конденс.GIF
конденс.GIF [ 3.68 КБ | Переглядів: 12962 ]

_________________
Навіщо займатися електрикою якщо не в змозі опанувати навіть мову.
https://www.youtube.com/watch?v=M8JfGYuut0w
Повернутися до початку
 Профіль  
Відповісти цитуючи  
 Заголовок повідомлення: Re: Откуда напряжение/заряд
#128519Повідомлення 02 вер 2022, 12:58 
Власник електромобіля
Аватара користувача
Не в мережі

Звідки: между морем и степью
Дякував (ла) 49 Подякували 115
Мій електротранспорт: MG4
Хочу електротранспорт: Rimac Nevera
tesljar писав(ла):
Это задается в настройках симулятора - можно и с задержкой питание подавать, а можно смотреть и в установившемся уже рабочем режиме. Хозяин - барин.


Во-о-от! Сделайте более реальную схему, с учётом внутренних импедансов источника ЭДС, конденсаторов, и неидеальных проводников. Встройте после батареи "управляемый ключ", который замкнётся, например, через 1 мс после начала симуляции. Задайте принудительно нулевой заряд на конденсаторах (обычно это пишется там где номинал: "1uF IC=0") . И вот там уже смотрите токи и напряжения в момент после включения ключа.

Цитата:
Как и куда вытесняться если есть диэлектрик?


Электрическое поле проходит через диэлектрик :bravo: . Более того, чем "лучше" диэлектрик — бОльше "эпсилон" — тем лучше проходит! :hurra:

Цитата:
вот выдержка из книжки:
......Каждый конденсатор обладает определенной емкостью - то есть способностью вмещать определенный заряд. Емкость зависит от площади и..........

И есть еще одно предложение из этой же книжки:
......Напряжение на пластинах конденсатора будет тем больше, чем больше сообщенный ему заряд......
То есть второе предложение херит первое????


Ну-у-у, если бы в учебниках были настолько явные противоречия, их бы уже бы какой-нибудь ШелдонКупер заметил бы. :irre:

На самом деле, тут прямая аналогия "электрической ёмкости" с "ёмкостью сосуда". В маленький баллончик (==малая ёмкость) вкачаешь чуть-чуть газа, и уже давление высокое. Если же взять большую цистерну, то качать газ в неё придётся до-о-олго-долго, чтобы хоть чуть-чуть поднялось давление.

На самом деле, в указанных выше цитатах из "книжки" (явно это не учебник и не справочник) не хватает следующего дополнения: "Каждый конденсатор обладает определенной емкостью - то есть способностью вмещать определенный заряд при заданном напряжении.". Т.е. чем больше ёмкость, тем бОльший заряд нужно вдуть в конденсатор для достижения заданного напряжения на нём.

"Напряжение на пластинах конденсатора будет тем больше, чем больше сообщенный ему заряд и чем меньше его ёмкость."

Цитата:
Ну и рисунок двух последовательно "соединенных" конденсаторов - куда из среднего проводника перетекает/вытесняется и откуда берутся там "дополнительные" заряды???


Они не "берутся". Они перераспределяются: отрицательные ближе к верхней обкладке средней пластины, [ виртуальные ] положительные — к нижней. Всё в соответствии с полем, созданным крайними электродами.

Эдак мы скоро и до "генератора Маркса" доберёмся... :winken:

_________________
Gray©at.


Повернутися до початку
 Профіль  
Відповісти цитуючи  
Показати повідомлення за:  Поле сортування  
Почати нову тему Відповісти на тему  [ Повідомлень: 20 ]              На сторінку 1, 2  Наступ.

Часовий пояс: UTC + 2 години


Хто зараз на конференції

Зараз цей форум переглядають: немає зареєстрованих користувачів і гості: 30


Ви не можете створювати нові теми
Ви не можете відповідати на повідомлення
Ви не можете редагувати свої повідомлення
Ви не можете видаляти свої повідомлення
Ви не можете додавати додаткові файли

Найти:
Створено на основі phpBB® Forum Software © phpBB Group