Поточний час: 29 жовт 2025, 00:20

Часовий пояс: UTC + 2 години


Правила форума


Обговорення лише самостійно зібраних/переобладнаних електромобілів на ходу


Почати нову тему Відповісти на тему  [ Повідомлень: 408 ]  На сторінку Пред.  1 ... 10, 11, 12, 13, 14, 15, 16 ... 28  Наступ.
Автор Повідомлення
 Заголовок повідомлення: Re: Citroen Visa (Одесса)
#102104Повідомлення 31 бер 2020, 20:41 
Творець електромобіля
Не в мережі

Звідки: Одесса
Дякував (ла) 451 Подякували 116
Мій електротранспорт: Citroen Visa EV '85
доброго времени суток!
машину немного довел до ума, очень много сил и времени ушло на тормозную систему, суппорта, цилиндры, тормозные трубки и тросы - все перебрал, что требовало замены - заменил. отремонтировал усилитель бампера (был деформирован) и сам бампер
больше новых фото по проделанной работе http://photoshare.ru/office/album.php?id=466981&page=7

теперь добрался до установки электрооборудования.
честно говоря, в электрике не силен и что делать дальше, не совсем понимаю.
пока контроллер и переключатель хода установлю на кронштейнах над электромотором, батарея стоит в багажнике. переключатель хода будет переключаться от кулисы КПП.

вот что есть из электрооборудования:
-электромотор ДС 3.6
-контроллер Куртисс 1221С-7403
-батарея с БМС
-ЗУ для батареи
-рубильник ножевой - переключатель хода
-контактор Tyco
-педаль газа
-провода разные

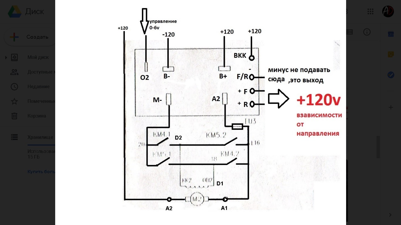
есть руководство по контроллерам Куртисс со схемами, которые необходимо адаптировать к моему инсталлу. нужна помощь:
-как сделать всю электропроводку
-как подключить ножевой рубильник
-какие должны быть номиналы предохранителей, что указаны в схемах
возможно появятся и другие вопросы... вобщем, помогайте, плз


Додаткові файли:
типичная схема подключения 1221.jpg
типичная схема подключения 1221.jpg [ 126.38 КБ | Переглядів: 13495 ]
базовая схема подключения.jpg
базовая схема подключения.jpg [ 126.51 КБ | Переглядів: 13495 ]
управление контроллером.jpg
управление контроллером.jpg [ 154.18 КБ | Переглядів: 13495 ]

_________________
Конверсия Ситроен Виза в электро: https://electroavtosam.com.ua/forums/viewtopic.php?f=26&t=3129
Повернутися до початку
 Профіль  
Відповісти цитуючи  
 Заголовок повідомлення: Re: Citroen Visa (Одесса)
#102134Повідомлення 01 квіт 2020, 00:05 
Творець електромобіля, член клубу
Не в мережі

Звідки: Дніпро, Україна
Дякував (ла) 634 Подякували 607
Мій електротранспорт: Trabant 601 Электро '76, Nissan Leaf Aze0 '13
Если в электрике не очень, то разместите все узлы так как считаете нужным, а подключить попросите толкового электрика. Думаю за день работы можно прокинуть и закоммутировать все провода и клеммы.
Здесь достаточно умения пользоваться мультиметром в режиме прозвонки и вольтметра постоянного напряжения. Ну и умение пайки, умение обжимать клеммы маленькие и большие...
На ваших фото написано маленькими буквами, что номиналы резисторов берутся из таблицы из инструкции.
Какой рубильник, какая педаль газа?
Нужно прозванивать где нормально замкнутые контакты, а где разомкнутые.
Если вы разместите всё по своим местам, то будет легче понимать, какие жгуты делать и сколько проводов надо купить и какого сечения. Нужно посчитать сколько клемм понадобиться. Я например когда собирал, то ездил за клеммами только несколько раз на авторынок(который сейчас закрыт, не знаю как у вас в Одессе). То я "за день собрать" наверно погорячился))
Нужно знать за что отвечает каждый контакт каждого из узлов системы: где + - на контакторе, на педали газа, на рубильнике и т.д. каждую деталь надо прозвонить в состояниях вкл/выкл. В общем тут целую лекцию можно написать) тут надо действовать согласно инструкций...


Повернутися до початку
 Профіль  
Відповісти цитуючи  
 Заголовок повідомлення: Re: Citroen Visa (Одесса)
#102395Повідомлення 04 квіт 2020, 16:06 
Голова клубу
Аватара користувача
Не в мережі

Звідки: Україна, Донецьк => Ірпінь
Дякував (ла) 6964 Подякували 2587
Мій електротранспорт: Tesla S
Хочу електротранспорт: е-панцирник
Ну как минимум подключать БМС нужно с более опытным товарищем. Уж слишком она нежная в неопытных руках.


Повернутися до початку
 Профіль  
Відповісти цитуючи  
 Заголовок повідомлення: Re: Citroen Visa (Одесса)
#102404Повідомлення 04 квіт 2020, 20:05 
Творець електромобіля
Не в мережі

Звідки: Очаков
Дякував (ла) 2 Подякували 20
Мій електротранспорт: Китайское, самое дешёвое, Моноколесо. ГАЗ-21 гибрид (бенз,газ,электро)
Хочу електротранспорт: Тесла Кибер Трак
d2max писав(ла):
сегодня вернули Элвису зрение, операция по восстановлению прошла успешно.
привод практически готов, осталось выставить соосность и сделать крепления. попутно разобрал передние тормоза - поршни в суппортах закисли, надо искать рем.комплекты, главный тормозной тоже под замену.
хоть и медленно, но продвигаюсь вперед..

Как осущетвляется задний ход? Я делал через контактор на двиг 6,3. Сначала на 50ампер на замыкание, потом поменял на 100.


Повернутися до початку
 Профіль  
Відповісти цитуючи  
 Заголовок повідомлення: Re: Citroen Visa (Одесса)
#102414Повідомлення 04 квіт 2020, 22:23 
Творець електромобіля
Не в мережі

Звідки: Одесса
Дякував (ла) 451 Подякували 116
Мій електротранспорт: Citroen Visa EV '85
Korney писав(ла):
Как осущетвляется задний ход? Я делал через контактор на двиг 6,3. Сначала на 50ампер на замыкание, потом поменял на 100.

контактор 200А 660В, через тяги на кулису кпп

Stalker_W писав(ла):
Ну как минимум подключать БМС нужно с более опытным товарищем. Уж слишком она нежная в неопытных руках.

к сожалению все опытные товарищи сидят по домам..

_________________
Конверсия Ситроен Виза в электро: https://electroavtosam.com.ua/forums/viewtopic.php?f=26&t=3129


Повернутися до початку
 Профіль  
Відповісти цитуючи  
 Заголовок повідомлення: Re: Citroen Visa (Одесса)
#102436Повідомлення 05 квіт 2020, 11:12 
Творець електромобіля
Не в мережі

Звідки: Очаков
Дякував (ла) 2 Подякували 20
Мій електротранспорт: Китайское, самое дешёвое, Моноколесо. ГАЗ-21 гибрид (бенз,газ,электро)
Хочу електротранспорт: Тесла Кибер Трак
d2max писав(ла):
Korney писав(ла):
Как осущетвляется задний ход? Я делал через контактор на двиг 6,3. Сначала на 50ампер на замыкание, потом поменял на 100.

контактор 200А 660В, через тяги на кулису кпп

Stalker_W писав(ла):
Ну как минимум подключать БМС нужно с более опытным товарищем. Уж слишком она нежная в неопытных руках.

к сожалению все опытные товарищи сидят по домам..

Я делал без кпп. На контакторе ткд533. Там 3 на 3 контакта. Зделал так что если нет питания то крутит вперёд, если подать питание то размыкает одни контакты и замыкает другие и крутит назад.


Повернутися до початку
 Профіль  
Відповісти цитуючи  
 Заголовок повідомлення: Re: Citroen Visa (Одесса)
#102553Повідомлення 07 квіт 2020, 17:14 
Творець електромобіля
Не в мережі

Звідки: Одесса
Дякував (ла) 451 Подякували 116
Мій електротранспорт: Citroen Visa EV '85



_________________
Конверсия Ситроен Виза в электро: https://electroavtosam.com.ua/forums/viewtopic.php?f=26&t=3129


Повернутися до початку
 Профіль  
Відповісти цитуючи  
 Заголовок повідомлення: Re: Citroen Visa (Одесса)
#102633Повідомлення 08 квіт 2020, 14:06 
Творець електромобіля
Не в мережі

Звідки: Одесса
Дякував (ла) 451 Подякували 116
Мій електротранспорт: Citroen Visa EV '85
сегодня приехали необходимые мне детали:
радиатор контроллера и отключатель массы Diesel Teschnic DT 2.26150 - для аварийного разрывания силового +.
еще в пути латунные шпильки, гайки и шайбы для подключения двигателя. так что теперь можно заняться проводкой.


Додаткові файли:
IMG_20200408_144826.jpg
IMG_20200408_144826.jpg [ 719.89 КБ | Переглядів: 13177 ]

_________________
Конверсия Ситроен Виза в электро: https://electroavtosam.com.ua/forums/viewtopic.php?f=26&t=3129
Повернутися до початку
 Профіль  
Відповісти цитуючи  
 Заголовок повідомлення: Re: Citroen Visa (Одесса)
#102647Повідомлення 08 квіт 2020, 21:15 
Творець електромобіля
Не в мережі

Звідки: Одесса
Дякував (ла) 451 Подякували 116
Мій електротранспорт: Citroen Visa EV '85
вечером выяснил, с чем связано подвывание при работе привода и которое мне все не давало покоя... натяжитель ремня, который я использовал, применяется в VW для натяжения приводного ремня, имеет невероятно жесткую пружину - получилось, что ремень сильно перетянут. при ослаблении пружины вручную привод работает практически бесшумно. придется продумать новую конструкцию натяжителя, по всей видимости ролик надо фиксировать жестко..

_________________
Конверсия Ситроен Виза в электро: https://electroavtosam.com.ua/forums/viewtopic.php?f=26&t=3129


Повернутися до початку
 Профіль  
Відповісти цитуючи  
 Заголовок повідомлення: Re: Citroen Visa (Одесса)
#102653Повідомлення 08 квіт 2020, 21:24 
Власник електровелосипеда, член клубу
Аватара користувача
Не в мережі

Звідки: Україна, Черкаси, Д.
Дякував (ла) 645 Подякували 296
Мій електротранспорт: Evel EndurA, 62v 28Ah Jik,VOT EM-100s(new gen), QS90....
Хочу електротранспорт: model 3 old style
d2max писав(ла):
вечером выяснил, с чем связано подвывание при работе привода и которое мне все не давало покоя... натяжитель ремня, который я использовал, применяется в VW для натяжения приводного ремня, имеет невероятно жесткую пружину - получилось, что ремень сильно перетянут. при ослаблении пружины вручную привод работает практически бесшумно. придется продумать новую конструкцию натяжителя, по всей видимости ролик надо фиксировать жестко..

Жесткий ролик не будет работать натяжителем, ремень растянеться и будет просто по нему ялозить как и по шкивам и противно пищять как ремень на генераторе на каком то Тазе....

_________________
Evel EndurA, 62v 28Ah Jik,VOT EM-100s(new gen), QS90....


Повернутися до початку
 Профіль  
Відповісти цитуючи  
 Заголовок повідомлення: Re: Citroen Visa (Одесса)
#102725Повідомлення 09 квіт 2020, 20:31 
Творець електромобіля
Не в мережі

Звідки: Одесса
Дякував (ла) 451 Подякували 116
Мій електротранспорт: Citroen Visa EV '85
thunder_blade писав(ла):
Жесткий ролик не будет работать натяжителем, ремень растянеться и будет просто по нему ялозить как и по шкивам и противно пищять как ремень на генераторе на каком то Тазе....


Посмотрим..
Сегодня изменил конструкцию натяжителя - вой пропал! а эксплуатация покажет, на сколько такая конструкция жизнеспособна






_________________
Конверсия Ситроен Виза в электро: https://electroavtosam.com.ua/forums/viewtopic.php?f=26&t=3129


Повернутися до початку
 Профіль  
Відповісти цитуючи  
 Заголовок повідомлення: Re: Citroen Visa (Одесса)
#102745Повідомлення 10 квіт 2020, 09:30 
Творець електромобіля, член клубу
Не в мережі

Звідки: Дніпро, Україна
Дякував (ла) 634 Подякували 607
Мій електротранспорт: Trabant 601 Электро '76, Nissan Leaf Aze0 '13
Вернемся к теме дифференциала. Каким образом обеспечивается смазка главной пары и герметичность корпуса дифференциала?


Повернутися до початку
 Профіль  
Відповісти цитуючи  
 Заголовок повідомлення: Re: Citroen Visa (Одесса)
#102774Повідомлення 10 квіт 2020, 14:39 
Творець електромобіля, член клубу
Аватара користувача
Не в мережі

Звідки: Запорожье
Дякував (ла) 415 Подякували 1019
Мій електротранспорт: ROVER 75
Хочу електротранспорт: электробус
главная пара ременная...

_________________
подтягивайтесь на страничку
https://www.facebook.com/Create-your-el ... 8811748137
постараюсь чтобы было интересно!


Повернутися до початку
 Профіль  
Відповісти цитуючи  
 Заголовок повідомлення: Re: Citroen Visa (Одесса)
#102792Повідомлення 10 квіт 2020, 19:50 
Творець електромобіля, член клубу
Не в мережі

Звідки: Дніпро, Україна
Дякував (ла) 634 Подякували 607
Мій електротранспорт: Trabant 601 Электро '76, Nissan Leaf Aze0 '13
Лев писав(ла):
главная пара ременная...

сателлиты в дифференциале то как смазываются?)) не литолом же. Если жидкое масло, то я пока не увидел фото с герметичным корпусом и заливной пробкой.
Шкив под ремень видел, за этой темой слежу когда есть время))


Повернутися до початку
 Профіль  
Відповісти цитуючи  
 Заголовок повідомлення: Re: Citroen Visa (Одесса)
#102807Повідомлення 10 квіт 2020, 21:18 
Творець електромобіля
Не в мережі

Звідки: Одесса
Дякував (ла) 451 Подякували 116
Мій електротранспорт: Citroen Visa EV '85
Jekabes писав(ла):
Лев писав(ла):
главная пара ременная...

сателлиты в дифференциале то как смазываются?)) не литолом же. Если жидкое масло, то я пока не увидел фото с герметичным корпусом и заливной пробкой.
Шкив под ремень видел, за этой темой слежу когда есть время))
смазываются конечно. завтра буду в гараже, сделаю фото.

у меня есть вопрос по подключению двигателя: какой ток проходит через контакты двигателя на щетки и на обмотку возбуждения?
какие клеммы использовать? на колодке двигателя шпильки М8 и маленькие контактные площадки. клемма на 60А садится хорошо, но хватит ли ее по току? клемма на 120А имеет отверстие под М10, она сильно большая - разве что подкладывать латунные шайбы.
или разделять кабель на конце на двое и ставить две клеммы 60А.
или другие варианты?


Додаткові файли:
IMG_20200410_175527.jpg
IMG_20200410_175527.jpg [ 482.43 КБ | Переглядів: 12967 ]

_________________
Конверсия Ситроен Виза в электро: https://electroavtosam.com.ua/forums/viewtopic.php?f=26&t=3129
Повернутися до початку
 Профіль  
Відповісти цитуючи  
Показати повідомлення за:  Поле сортування  
Почати нову тему Відповісти на тему  [ Повідомлень: 408 ]              На сторінку Пред.  1 ... 10, 11, 12, 13, 14, 15, 16 ... 28  Наступ.

Часовий пояс: UTC + 2 години


Хто зараз на конференції

Зараз цей форум переглядають: немає зареєстрованих користувачів і гості: 109


Ви не можете створювати нові теми
Ви не можете відповідати на повідомлення
Ви не можете редагувати свої повідомлення
Ви не можете видаляти свої повідомлення
Ви не можете додавати додаткові файли

Найти:
Створено на основі phpBB® Forum Software © phpBB Group