Поточний час: 01 лют 2026, 15:41

Часовий пояс: UTC + 2 години



Почати нову тему Відповісти на тему  [ Повідомлень: 38 ]  На сторінку Пред.  1, 2, 3
Автор Повідомлення
#111365Повідомлення 09 жовт 2020, 06:55 
Активіст форуму
Аватара користувача
Не в мережі

Звідки: Полтава
Дякував (ла) 6 Подякували 34
Получить сигнал в диапазоне 0...5 в, пропорциональный выходной мощности СЭС, думаю, не составит уже большого труда, т.к. задача уже более-менее ясна. DeLike, если вы подтвердите, что актуальность данного вопроса не пропала, постараюсь набросать довольно несложную схемку. И еще уточните: какова должна быть зависимость выходного напряжения данной схемы от мощности, отдаваемой СЭС - прямая (мин. мощность - на выходе 0 в), обратная, или еще какая-то?


Повернутися до початку
 Профіль  
Відповісти цитуючи  
#111374Повідомлення 09 жовт 2020, 10:09 
Власник електромобіля
Не в мережі

Звідки: Ужгород
Дякував (ла) 7 Подякували 26
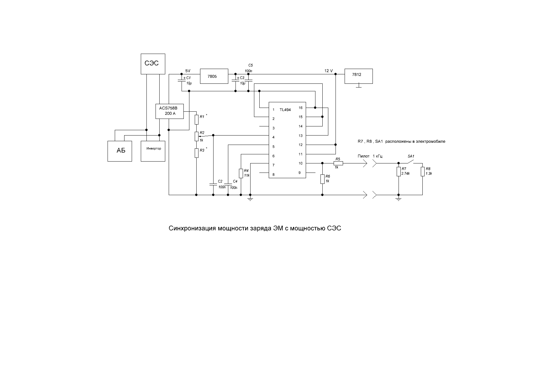
Все просто. Напряжение сигнала Пилот определяется входными цепями ЭМ. Кабель отключен - 12 вольт, Кабель подключен - 9 вольт, зарядное устройство ЭМ дает разрешение на включение замыканием SA1 и напряжение равно 6 вольт. Ширина импульсов пропорциональна току от СЭС к инвертору. Приблизительно так. Улучшать нужно.


Додаткові файли:
генератор сигнала пилот.GIF
генератор сигнала пилот.GIF [ 18.97 КБ | Переглядів: 5818 ]
Повернутися до початку
 Профіль  
Відповісти цитуючи  
#111375Повідомлення 09 жовт 2020, 10:11 
Власник електромобіля
Не в мережі

Звідки: Одесса
Дякував (ла) 10 Подякували 35
Мій електротранспорт: Chevrolet Volt 2 Tesla S
DeLike писав(ла):
Давно пытаюсь найти готовое решение но, нахожу максимум что-то супер дорогое от брендовой фирмы но далеко не с полным нужным функционалом.

Как мы все знаем, мощность от СЭС даже в ясную, безоблачную погоду зависит еще от времени суток, а точнее от того, под каким углом светит солнце в данный момент. И на практике график мощности выгладит примерно вот так:

Додаткові файли:
pv_anlage.jpg


В данный момент, во многих серийных ЭМ можно выставить максимальную силу тока потребляемую из сети и все. И если выставить например 16А для 3ех фаз, т.е. 11кВт, то ЭМ будет требовать такую мощность несмотря ни на что, пока напряжение находится в пределах допустимого. А берется электроэнергия из сети или полностью от инвертора СЭС или частично оттуда и частично оттуда, к сожалению ЭМ не интересует.

Так как зарядная станция, wallbox или кирпич сообщают по линии СР путем скважности ШИМ сигнала, какую силу тока может потреблять ЭМ, до сих пор не понимаю почему следующая идея не воплощена в реальность.

Например ТМ3 стоит на зарядке дома где мощность СЭС 15кВт (АС). Экстраполируем мощность в 10 раз, что на картинке выше. Получаем:

8:00 - 6кВт;
10:00 - 12кВт;
12:00 - 15кВт;
с 12:00 до 16:00 - скачки мощности с просадками до 5кВт и падением мощности до 6кВт.

Получается, если у нас дом подключен к сети, то ТМ3 с ЗУ на 11кВт, в начале берет часть энергии из сети, какое-то время исключительно от инвертора СЭС и недостатки во время просадок или при падении мощности ниже 11кВт снова от сети.

А если дом не подключен к сети, без буферной батареи по сути не обойтись. Ведь даже если выставить мощность ЗУ ЭМ на 6кВт и подключить в 8:00, помимо того, что позже доступной мощности будет намного больше, так еще во время просадок мощности до 5кВт само ЗУ уйдет в защиту. Но хочется минимизировать участие ББ и продлить ей жизнь.

Если как на картинках ниже, из этой темы: viewtopic.php?f=35&t=3144 переключение статусов станции происходит путем изменения позитивного напряжения (12/9/6 или 3В) то команду Х ампер максимум, что может потребить ЭМ, сообщают путем скважности Control Pilot сигнала от 10 до 96% (6-80А).

Додаткові файли:
9018558031_dc6f8d9c8c_b.jpg


Додаткові файли:
9020798724_df0ed0ebd4_b.jpg




Напрашивается вопрос. Возможно ли путем замера силы тока по АС линии от инвертора, после вычита некой константы Y ампер (для базового обеспечения дома напр. 200Вт) заставлять ту же EVSE плату менять скважность сигнала по СР? Что бы результатом было, когда напр. СЭС генерирует лишь 6кВт, то ЭМ будет брать не больше 5,8кВт. Больше солнца и генерация уже 8,4кВт -> ЭМ потребляет 8,2кВт. Ну а если генерация на Y+ больше чем максимальная мощность ЗУ то ЭМ должен заряжаться на всю мощность. Т.е. если станция с тип2 на 22кВт, то ТМ3 берет же свой максимум в 11кВт. Из-за тучи мощность снизилась до 5кВт, ЭМ берет не больше 4,8кВт и т.д....

Кто-то из инженеров говорил, нет проблем, есть поставленные задачи)))

С уважением,

Александр.



https://github.com/SmartEVSE/smartevse Возможно это Вам подойдёт.


Повернутися до початку
 Профіль  
Відповісти цитуючи  
#111378Повідомлення 09 жовт 2020, 11:31 
Творець електромобіля
Аватара користувача
Не в мережі

Звідки: Германия, Дюссельдорф
Дякував (ла) 331 Подякували 938
Мій електротранспорт: Citroen Saxo, Renault Kangoo Electrcity, Elect'road & Cleanova II Plus
-=TRO=- писав(ла):
Если напряжение на ней падает

Если есть буферная батарея то не исключается вариант, что напряжение на ней будет расти. Ведь задача заряжать ЭМ только излишками. А если батарея дозаряжается в режиме CV то она может брать не всю мощность, что производят СП.

С уважением,

Александр.

_________________
кВт•ч≠кВт≠кВт/ч

Проехал на электротяге
25 000 км

Мы не унаследовали планету Земля у наших отцов, мы отбираем ее у наших детей!


Повернутися до початку
 Профіль  
Відповісти цитуючи  
#111379Повідомлення 09 жовт 2020, 11:34 
Творець електромобіля
Аватара користувача
Не в мережі

Звідки: Германия, Дюссельдорф
Дякував (ла) 331 Подякували 938
Мій електротранспорт: Citroen Saxo, Renault Kangoo Electrcity, Elect'road & Cleanova II Plus
Игорь_Одесса писав(ла):
https://github.com/SmartEVSE/smartevse Возможно это Вам подойдёт.


Спасибо за ссылку, очень интересно.

Из описания:
[quoteMeasures the current consumption of other appliances, and automatically lowers or increases the charging current to the EV. (sensorbox required)[/quote]

Может заряжать ЭМ излишками но требуется сенсорный блок. Может кому-нибудь известно какой/какие именно подходят?

С уважением,

Александр.

_________________
кВт•ч≠кВт≠кВт/ч

Проехал на электротяге
25 000 км

Мы не унаследовали планету Земля у наших отцов, мы отбираем ее у наших детей!


Повернутися до початку
 Профіль  
Відповісти цитуючи  
#111385Повідомлення 09 жовт 2020, 12:41 
Власник електровелосипеда, член клубу
Аватара користувача
Не в мережі

Звідки: Запорожье
Дякував (ла) 297 Подякували 1094
Мій електротранспорт: >
DeLike писав(ла):
-=TRO=- писав(ла):
Если напряжение на ней падает

Если есть буферная батарея то не исключается вариант, что напряжение на ней будет расти. Ведь задача заряжать ЭМ только излишками. А если батарея дозаряжается в режиме CV то она может брать не всю мощность, что производят СП.

Вообще то исключается, так как зарядка автомобиля будет повышать свою мощность до того самого момента пока на ток в батарею энергии у СП уже не будет хватать (вся будет идти в авто и домовую нагрузку).
Можно просто поставить обычный пороговый пропорциональный усилитель на напряжение равное ~90% заряда батареи, и усиленный сигнал пустить уже на плату зарядника. Как только буферная батарея зарядится на 90% все излишки потекут в батарею авто. И пока авто не накушается, буферная выше 90% не будет заряжаться.

_________________
2 моноколеса, 2 электровела, 2 подводных буксира, надувной электро-каяк.


Повернутися до початку
 Профіль  
Відповісти цитуючи  
#111392Повідомлення 09 жовт 2020, 14:57 
Власник електромобіля
Не в мережі

Звідки: Одесса
Дякував (ла) 10 Подякували 35
Мій електротранспорт: Chevrolet Volt 2 Tesla S
DeLike писав(ла):
Игорь_Одесса писав(ла):
https://github.com/SmartEVSE/smartevse Возможно это Вам подойдёт.


Спасибо за ссылку, очень интересно.

Из описания:
Цитата:
Measures the current consumption of other appliances, and automatically lowers or increases the charging current to the EV. (sensorbox required)


Может заряжать ЭМ излишками но требуется сенсорный блок. Может кому-нибудь известно какой/какие именно подходят?

С уважением,

Александр.


https://www.stegen.com/en/ev-products/8 ... x-v15.html тут продаётся. Я себе когда то давно собирал первую версию,посмотрю вроде оставались плата контролера и плата смарт бокса. Могу подарить если есть. только смотрю,что Вы с Германии. Могу отправить по Украине кому то из знакомых а тот уже Вам отправит


Повернутися до початку
 Профіль  
Відповісти цитуючи  
#113012Повідомлення 07 груд 2020, 14:15 
Активіст форуму
Не в мережі

Звідки: город Киев
Дякував (ла) 2 Подякували 37
Интересная ситуация, но есть пару вопросов.
Я знаю точно, что учет в германиии и в украине одинаковый. Но как в конце месяца, учитываются потребление дома и генерация в сеть в Германии мне не известно.

В Украине такой проблемы не может быть в принципе. Здесь сеть используется, как аккумулятор. Сколько сгенерировал, столько можно потребить, чтобы выйти в нуль в конце месяца. Конечно при наличии "зеленого тарифа" ,но здесь мощность нужна минимальна и докупать допольнительную не нужно. Поэтому оформление проще простого и все выйдет относительно недорого.

Но если в Германии в конце месяца не минусуется сгенерированная энергия от потребленной, а оплачивается по факту показаний счетчиков. Тогда система с аккумуляторами становится окупаемой. И главное она масштабированная к всем потребителям домохозяйства. Насколько я знаю, так все и делают, но используют дорогие аккумуляторы(которые удлиняют окупаемость).


Повернутися до початку
 Профіль  
Відповісти цитуючи  
Показати повідомлення за:  Поле сортування  
Почати нову тему Відповісти на тему  [ Повідомлень: 38 ]              На сторінку Пред.  1, 2, 3

Часовий пояс: UTC + 2 години


Хто зараз на конференції

Зараз цей форум переглядають: немає зареєстрованих користувачів і гості: 30


Ви не можете створювати нові теми
Ви не можете відповідати на повідомлення
Ви не можете редагувати свої повідомлення
Ви не можете видаляти свої повідомлення
Ви не можете додавати додаткові файли

Найти:
cron
Створено на основі phpBB® Forum Software © phpBB Group