Поточний час: 17 груд 2025, 12:35

Часовий пояс: UTC + 2 години



Почати нову тему Відповісти на тему  [ Повідомлень: 14 ] 
Автор Повідомлення
 Заголовок повідомлення: ВКЛ/ОТКЛ ЗУ по АС линии.
#34053Повідомлення 16 бер 2017, 04:54 
Творець електромобіля
Аватара користувача
Не в мережі

Звідки: Германия, Дюссельдорф
Дякував (ла) 331 Подякували 938
Мій електротранспорт: Citroen Saxo, Renault Kangoo Electrcity, Elect'road & Cleanova II Plus
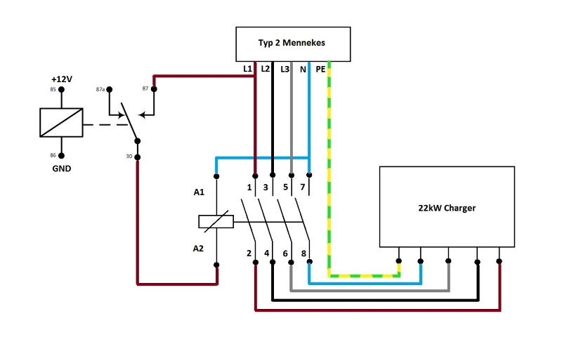
Всем доброго времени суток.

Подскажите, что можно улучшить или где мог допустить ошибку?

Хочу организовать включение и отключение зарядного устройства (3ф до 32А) в виде телекоммуникационных блоков питания через 4ех полюсный контактор напр. Hager ESC440S по АС линии, т.е. по входу питания. Суть проста, напр. БМС подает 12В (около 30мА) на реле 12V DC/250V AC, которое подает 230В (всего до 5Вт) напр. 1ой фазы на контакты катушки контактора А1 и А2 и контактор соединяет 3ф+N от кабеля зарядки с зарядным устройством. При отключении ЗУ, БМС или другое устройство прекращает подачу 12В на реле и 230В больше не поступает на А1 и А2 и контактор разрывает 3ф+N.

Контактор:
Зображення
Обычное реле:
Зображення

В этой схеме меня смущает то что нагрузка в виде блоков питания, а я не знаю к какой категории они относятся (АС-1, АС7 и т.д.?) наличие реле и управление контактора 230В АС. Но у контакторов другого производителя для управление через 12В DC сила тока будет не хилая, мощность притяжения около 60Вт, т.е. будет около 4-5А, что для БМС через чур много :(

Заранее благодарен!

С уважением,

Александр.


Додаткові файли:
Схема контактор АС 1272х791.jpg
Схема контактор АС 1272х791.jpg [ 49.9 КБ | Переглядів: 7947 ]

_________________
кВт•ч≠кВт≠кВт/ч

Проехал на электротяге
25 000 км

Мы не унаследовали планету Земля у наших отцов, мы отбираем ее у наших детей!
Повернутися до початку
 Профіль  
Відповісти цитуючи  
 Заголовок повідомлення: Re: ВКЛ/ОТКЛ ЗУ по АС линии.
#34062Повідомлення 16 бер 2017, 13:20 
Творець електромобіля, член клубу
Аватара користувача
Не в мережі

Звідки: Харьков
Дякував (ла) 140 Подякували 133
Мій електротранспорт: Безлошадный
Хочу електротранспорт: Наш отечественный электромобиль!!!
Себе купил вот такое реле для таких же целей!
HLS-T91-16F-3-12VDC-30A
Думаю должно выдержать 16А с запасом. Пока еще не ставил, но уже скоро установлю).

_________________
http://controllers.emkit.net


Повернутися до початку
 Профіль  
Відповісти цитуючи  
 Заголовок повідомлення: Re: ВКЛ/ОТКЛ ЗУ по АС линии.
#34069Повідомлення 16 бер 2017, 16:56 
Творець електромобіля
Аватара користувача
Не в мережі

Звідки: Германия, Дюссельдорф
Дякував (ла) 331 Подякували 938
Мій електротранспорт: Citroen Saxo, Renault Kangoo Electrcity, Elect'road & Cleanova II Plus
Мне пришлось бы таких реле 6 штук ставить. Но такое количество меня пугает по отказоустойчивости. Да и подавать БМС должна до 0,5А... Я бы проверял реле перед установкой на нагрев при 16А АС и на разрыв. Все таки его размеры не вызывают доверия, имхо.

С уважением,

Александр.

_________________
кВт•ч≠кВт≠кВт/ч

Проехал на электротяге
25 000 км

Мы не унаследовали планету Земля у наших отцов, мы отбираем ее у наших детей!


Повернутися до початку
 Профіль  
Відповісти цитуючи  
 Заголовок повідомлення: Re: ВКЛ/ОТКЛ ЗУ по АС линии.
#34070Повідомлення 16 бер 2017, 18:55 
Власник електровелосипеда
Аватара користувача
Не в мережі

Звідки: Ternopil
Дякував (ла) 83 Подякували 620
Твердотельные реле не рассматриваете? :)
Например http://voron.ua/catalog/020509
Зображення
Напряжение управление 3-32В, ток 5-35мА
они куда лучше будут переносить частые включения на емкостную нагрузку. управляющий элемент - ИК светодиод, исполнительный - вроде как симистор.

_________________
моя Smart BMS


Повернутися до початку
 Профіль  
Відповісти цитуючи  
 Заголовок повідомлення: Re: ВКЛ/ОТКЛ ЗУ по АС линии.
#34081Повідомлення 16 бер 2017, 22:32 
Творець електромобіля
Аватара користувача
Не в мережі

Звідки: Германия, Дюссельдорф
Дякував (ла) 331 Подякували 938
Мій електротранспорт: Citroen Saxo, Renault Kangoo Electrcity, Elect'road & Cleanova II Plus
Спасибо за ответ и ссылку. По горькому опыту немецких коллег, которые ставили твердотельные DC реле на выход ЗУ вообще как вариант не рассматривал. Горели они у них часто, хоть и с приличным запасом были(((

С уважением,

Александр.

_________________
кВт•ч≠кВт≠кВт/ч

Проехал на электротяге
25 000 км

Мы не унаследовали планету Земля у наших отцов, мы отбираем ее у наших детей!


Повернутися до початку
 Профіль  
Відповісти цитуючи  
 Заголовок повідомлення: Re: ВКЛ/ОТКЛ ЗУ по АС линии.
#34083Повідомлення 16 бер 2017, 23:16 
Творець електромобіля
Аватара користувача
Не в мережі

Звідки: Германия, Дюссельдорф
Дякував (ла) 331 Подякували 938
Мій електротранспорт: Citroen Saxo, Renault Kangoo Electrcity, Elect'road & Cleanova II Plus
Просьба прилепить схему (по быстрому накидал в пейнте) в шапку темы. Благодарю!

Додаткові файли:
Схема контактор АС 1272х791.jpg
Схема контактор АС 1272х791.jpg [ 88.5 КБ | Переглядів: 7957 ]


С уважением,

Александр.

_________________
кВт•ч≠кВт≠кВт/ч

Проехал на электротяге
25 000 км

Мы не унаследовали планету Земля у наших отцов, мы отбираем ее у наших детей!


Повернутися до початку
 Профіль  
Відповісти цитуючи  
 Заголовок повідомлення: Re: ВКЛ/ОТКЛ ЗУ по АС линии.
#34095Повідомлення 17 бер 2017, 17:51 
Творець електромобіля, керівник відділення клубу
Аватара користувача
Не в мережі

Звідки: Кременчуг
Дякував (ла) 206 Подякували 171
Мій електротранспорт: пока нету
Хочу електротранспорт: оч хочу свой ...
У китайцев встречал в описании на Али твердотельных реле (как они пишут - не очень хорошей фирмы ) - нормально работает 1/4, максимум 1/2 нагрузки от номинала на шильдике...


Повернутися до початку
 Профіль  
Відповісти цитуючи  
 Заголовок повідомлення: Re: ВКЛ/ОТКЛ ЗУ по АС линии.
#34097Повідомлення 17 бер 2017, 21:09 
Власник електровелосипеда, член клубу
Аватара користувача
В мережі

Звідки: Запорожье
Дякував (ла) 297 Подякували 1094
Мій електротранспорт: >
DeLike писав(ла):
Всем доброго времени суток.
.....Но у контакторов другого производителя для управление через 12В DC сила тока будет не хилая, мощность притяжения около 60Вт, т.е. будет около 4-5А, что для БМС через чур много :(
....

У серьезных контакторов, дающих хороший прижим, всегда потребление катушки немаленькое, к этому надо быть готовым и запастись соответствующим блоком питания (для катушки). С БМС достаточно брать сигнал и через еще одно реле уже подключать выход блока питания к силовой катушке контактора.

Есть еще один вид "контакторов" которые почти не потребляют после переключения, это фактически мощные пакетники с серводвигателями. У быстрых, серводвигатель взводит пружину, которая уже будучи взведенной включает или выключает силовые контакты спуская пружину небольшими селеноидами. Бывают довольно компактные модели. Еще бывают автоматические выключатели (автоматы) к которым в каталогах есть стыкуемые дистанционные электроприводы. Но конкретных моделей не подскажу (уже лет 15 с силовой электрикой дел не имею, как работу сменил).
В принципе все довольно просто ищется в инете.Первый попавшийся пример:
Додаткові файли:
привод.jpg
привод.jpg [ 42.2 КБ | Переглядів: 7910 ]

_________________
2 моноколеса, 2 электровела, 2 подводных буксира, надувной электро-каяк.


Повернутися до початку
 Профіль  
Відповісти цитуючи  
 Заголовок повідомлення: Re: ВКЛ/ОТКЛ ЗУ по АС линии.
#34098Повідомлення 17 бер 2017, 21:49 
Творець електромобіля
Аватара користувача
Не в мережі

Звідки: Германия, Дюссельдорф
Дякував (ла) 331 Подякували 938
Мій електротранспорт: Citroen Saxo, Renault Kangoo Electrcity, Elect'road & Cleanova II Plus
-=TRO=- писав(ла):
У серьезных контакторов, дающих хороший прижим, всегда потребление катушки немаленькое, к этому надо быть готовым и запастись соответствующим блоком питания (для катушки). С БМС достаточно брать сигнал и через еще одно реле уже подключать выход блока питания к силовой катушке контактора.

Есть еще один вид "контакторов" которые почти не потребляют после переключения, это фактически мощные пакетники с серводвигателями.


У этих вариантов есть какие то преимущества или просто как вариант?

Интересует больше все таки, что не так в моей схеме и жизнеспособен ли вариант?

Интересует особенно мнение Романтика, т.к. хочу его БМС использовать.

С уважением,

Александр.

_________________
кВт•ч≠кВт≠кВт/ч

Проехал на электротяге
25 000 км

Мы не унаследовали планету Земля у наших отцов, мы отбираем ее у наших детей!


Повернутися до початку
 Профіль  
Відповісти цитуючи  
 Заголовок повідомлення: Re: ВКЛ/ОТКЛ ЗУ по АС линии.
#34101Повідомлення 18 бер 2017, 00:42 
Творець електромобіля, керівник відділення клубу
Аватара користувача
Не в мережі

Звідки: Кременчуг
Дякував (ла) 206 Подякували 171
Мій електротранспорт: пока нету
Хочу електротранспорт: оч хочу свой ...
судя по описанию - главное преимущество - потребление энергии только в момент переключения . Хотя у меня лично сомнение - там упоминается о пружине . На моём оборудовании (вентиляция ) есть такие привода заслонок - напруга есть - открыто - нет , пружина закрыла , то-есть выкл...


Повернутися до початку
 Профіль  
Відповісти цитуючи  
 Заголовок повідомлення: Re: ВКЛ/ОТКЛ ЗУ по АС линии.
#34103Повідомлення 18 бер 2017, 06:02 
Не в мережі

Звідки: Україна
Дякував (ла) 1653 Подякували 329
Мій електротранспорт: а ти чого, пацан, інтєрєсуєшся?
DeLike, Александр, как по мне все норм, если есть опасение что катушку 12в реле в левой части не потянет БМС, ну можно поставить маломощное разгрузочное доп 12в реле (какой-нибудь Omron, у меня например стоит в головном свете модель кушает 140mW и коммутирует до 2A, причем 2 парьі контактов).


Повернутися до початку
 Профіль  
Відповісти цитуючи  
 Заголовок повідомлення: Re: ВКЛ/ОТКЛ ЗУ по АС линии.
#34104Повідомлення 18 бер 2017, 06:40 
Творець електромобіля
Аватара користувача
Не в мережі

Звідки: Германия, Дюссельдорф
Дякував (ла) 331 Подякували 938
Мій електротранспорт: Citroen Saxo, Renault Kangoo Electrcity, Elect'road & Cleanova II Plus
Sean,
как бы за потребление энергии во время зарядки я не переживаю. Так как будет работать в любом случаи DCDC и заряжать бортовую 12В АКБ. Есть аналогичные контакторы от Hager уже с нормальнозамкнутыми 4мя контактами без подачи питания на катушку контактора, при подачи питания контакты в разрыве, но снова будут замкнуты если катушка контактора будет обесточена. Может ли БМС подавать 12В долго для прекращения заряда я не знаю, да и не вижу смысла.

Dream Tractor,
0,14Вт это где то 10мА. Реле 12VDC/250VAC требует ~30мА для 12В катушки (сомниваюсь, что это будет много для БМС) и через контакты 30+87 будет протекать (~5Вт для катушки контактора и ~50Вт для сагем ЗУ, что бы работало DCDC) ~0,25А при 230В АС, так же думаю это не много.

Самый сокровенный вопрос это к какой классификации нагрузки относятся телеком.блоки питания (АС-1, АС-7, их там много). Так как 40А (при 32А) вроде бы как с запасом, но это например при слабоиндуктивной нагрузке. Кто то скажет возьми контактор на 63А и делов, но не тут то было, некоторые классы нагрузки допускают токи аж в 3-4 раза меньше :(

С уважением,

Александр.

_________________
кВт•ч≠кВт≠кВт/ч

Проехал на электротяге
25 000 км

Мы не унаследовали планету Земля у наших отцов, мы отбираем ее у наших детей!


Повернутися до початку
 Профіль  
Відповісти цитуючи  
 Заголовок повідомлення: Re: ВКЛ/ОТКЛ ЗУ по АС линии.
#34108Повідомлення 18 бер 2017, 09:38 
Голова клубу
Аватара користувача
Не в мережі

Звідки: Україна, Донецьк => Ірпінь
Дякував (ла) 6969 Подякували 2591
Мій електротранспорт: Tesla S
Хочу електротранспорт: е-панцирник
Странно, что Захар молчит - он как раз вот так делает.
По моему опыту - контактора хватит. Т.к. на входе блоков обычно стоят немаленькие конденсаторы. Первые миллисекунды отключения они держать нагрузку и напряжение на входах падает не так сильно. Большая искра на контакторе не образовывается.


Повернутися до початку
 Профіль  
Відповісти цитуючи  
 Заголовок повідомлення: Re: ВКЛ/ОТКЛ ЗУ по АС линии.
#34127Повідомлення 18 бер 2017, 18:07 
Творець електромобіля
Аватара користувача
Не в мережі

Звідки: Германия, Дюссельдорф
Дякував (ла) 331 Подякували 938
Мій електротранспорт: Citroen Saxo, Renault Kangoo Electrcity, Elect'road & Cleanova II Plus
DeLike писав(ла):
через контакты 30+87 будет протекать (~5Вт для катушки контактора и ~50Вт для сагем ЗУ, что бы работало DCDC) ~0,25А при 230В АС, так же думаю это не много.

На худой конец, если для реле 12В/250В всего 0,25А будет много, то само сагем ЗУ могу запитать от любой фазы (напр. 1ой) уже после контактора с контактов 2 и 8, тогда через реле переменки будет протекать всего ~20-25мА (5Вт при 230В АС), т.е. только для катушки контактора. И в критическом случаи выхода из строя блоков, смогу запустить зарядку через родное сагем ЗУ, на выходе током 15-20А без CV и управляемое так же через контактор. Лучше чем ничего, а как запасной вариант нормально. БМС все равно отрубит вход питания при превышении напряжения на ВВБ или одной из ячеек.

П.С: сагем зарядку можно настроить на определенное макс напряжение путем замены родных датчиков температуры на подобраное сопротивление, а лучше вообще перепрошить. У немецкого коллеги перепрошито на 168В и при достижении напряжения фаза дозарядки балансировки 1,5ч током 500мА (балансира для лифера так же до 500мА стравливают), но настроить можно как угодно.

С уважением,

Александр.

_________________
кВт•ч≠кВт≠кВт/ч

Проехал на электротяге
25 000 км

Мы не унаследовали планету Земля у наших отцов, мы отбираем ее у наших детей!


Повернутися до початку
 Профіль  
Відповісти цитуючи  
Показати повідомлення за:  Поле сортування  
Почати нову тему Відповісти на тему  [ Повідомлень: 14 ]             

Часовий пояс: UTC + 2 години


Хто зараз на конференції

Зараз цей форум переглядають: немає зареєстрованих користувачів і гості: 31


Ви не можете створювати нові теми
Ви не можете відповідати на повідомлення
Ви не можете редагувати свої повідомлення
Ви не можете видаляти свої повідомлення
Ви не можете додавати додаткові файли

Найти:
Створено на основі phpBB® Forum Software © phpBB Group