Поточний час: 12 бер 2026, 00:48

Часовий пояс: UTC + 2 години



Почати нову тему Відповісти на тему  [ Повідомлень: 40 ]  На сторінку Пред.  1, 2, 3  Наступ.
Автор Повідомлення
 Заголовок повідомлення: Re: Igbt модуль мощный
#101408Повідомлення 19 бер 2020, 12:15 
Творець електромобіля, член клубу
Не в мережі

Звідки: Украина
Дякував (ла) 117 Подякували 562
Мій електротранспорт: COOLON
Хочу електротранспорт: COOLON
thunder_blade писав(ла):
Запутали меня )) тоесть нагрузку реально слепить из игбт ? Нихромы это хорошо но не всегда подходит, если проверяемые источники разные по напряжениям


Можно, но не в линейном режиме. Сколько вам надо тока ?
ШИМ ить надо. а уровнем заполнения Шим можно регулировать нагрузку. ключу будет сильно легче. нагрев только в моменты переключения. а они по времении всего пару процентов . т.е. 2кВт вполне можно с нормальным радиатором.
генератор ШИМ можно хоть на таймере 555 сделать. Гуглится за 5 сек с описанием. Но требуется драйвер.
Сам IGBT это больше полевик со стороны управления. т.е. по сути конденсатор на 30-100пФ . который еще и динамически меняет емкостьт. кривая Вольт Амперная у него сложная и далеко не прямая. эфект миллера и т д. заставить его работать в линейном режиме будет сложно. 100% современных драйверов имеют защиту от такой работы. десат и по просадке питания. а ШИМ на большой частоте как раз даст эфект регулирования.

_________________
CEO COOLON MOTORS
Head Project "City Truck "COOLON"
https://coolonmotors.com


Повернутися до початку
 Профіль  
Відповісти цитуючи  
 Заголовок повідомлення: Re: Igbt модуль мощный
#101409Повідомлення 19 бер 2020, 12:30 
Творець електромобіля, член клубу
Аватара користувача
Не в мережі

Дякував (ла) 133 Подякували 214
Мій електротранспорт: Электра 2
irde лайк за термоклей :D


Повернутися до початку
 Профіль  
Відповісти цитуючи  
 Заголовок повідомлення: Re: Igbt модуль мощный
#101410Повідомлення 19 бер 2020, 12:31 
Власник електровелосипеда, член клубу
Аватара користувача
Не в мережі

Звідки: Україна, Черкаси, Д.
Дякував (ла) 646 Подякували 297
Мій електротранспорт: Evel EndurA, 62v 28Ah Jik,VOT EM-100s(new gen), QS90....
Хочу електротранспорт: model 3 old style
С 555 таймером знаком, буду смотреть в эту сторону, просто в линейном режиме проще реализовать поддержание тока, на вскидку...

_________________
Evel EndurA, 62v 28Ah Jik,VOT EM-100s(new gen), QS90....


Повернутися до початку
 Профіль  
Відповісти цитуючи  
 Заголовок повідомлення: Re: Igbt модуль мощный
#101411Повідомлення 19 бер 2020, 12:32 
Власник електровелосипеда, член клубу
Аватара користувача
Не в мережі

Звідки: Україна, Черкаси, Д.
Дякував (ла) 646 Подякували 297
Мій електротранспорт: Evel EndurA, 62v 28Ah Jik,VOT EM-100s(new gen), QS90....
Хочу електротранспорт: model 3 old style
sokol писав(ла):
irde лайк за термоклей :D

То компаунд, встречал такое в сварках, хрен еще его отдерешь

_________________
Evel EndurA, 62v 28Ah Jik,VOT EM-100s(new gen), QS90....


Повернутися до початку
 Профіль  
Відповісти цитуючи  
 Заголовок повідомлення: Re: Igbt модуль мощный
#101414Повідомлення 19 бер 2020, 13:53 
Творець електромобіля, член клубу
Не в мережі

Звідки: Украина
Дякував (ла) 117 Подякували 562
Мій електротранспорт: COOLON
Хочу електротранспорт: COOLON
В теории кажется да , в практике, он постоянно плывет. Так как заряд затворного конденсатора косвенный и меняется и от тока и от напряжения и от температуры, и и и. А Шим с обратной связью по току можно и на тл494 и на куче других микрух от бп собрать.

_________________
CEO COOLON MOTORS
Head Project "City Truck "COOLON"
https://coolonmotors.com


Повернутися до початку
 Профіль  
Відповісти цитуючи  
 Заголовок повідомлення: Re: Igbt модуль мощный
#101430Повідомлення 19 бер 2020, 16:44 
Site Admin
Аватара користувача
Не в мережі

Звідки: город Киев
Дякував (ла) 420 Подякували 1158
Мій електротранспорт: Nissan Leaf
Если из модуля делать электронную нагрузку, то никакой драйвер не нужен. Как по мне, то лучше использовать МОП транзистор, а не ИГБТ.

Нужен источник примерно на 10В, и потенциометр для регулировки на затвор. Можно еще добавить два резистора, чтоб точней выбрать рабочую зону - примерно 2-7В (подбирается экспериментально). Главное - не превышать мощность рассеивания.

_________________
Чем скуднее знания, тем категоричней суждения.

"Глупцы все, кто глупцами кажутся и половина тех, что не кажется". (Бальтасар Грасиан)


Повернутися до початку
 Профіль  
Відповісти цитуючи  
 Заголовок повідомлення: Re: Igbt модуль мощный
#101431Повідомлення 19 бер 2020, 16:46 
Власник електровелосипеда, член клубу
Аватара користувача
Не в мережі

Звідки: Україна, Черкаси, Д.
Дякував (ла) 646 Подякували 297
Мій електротранспорт: Evel EndurA, 62v 28Ah Jik,VOT EM-100s(new gen), QS90....
Хочу електротранспорт: model 3 old style
Да схем море даже со стабилизацией на 431 ой
Зображення

_________________
Evel EndurA, 62v 28Ah Jik,VOT EM-100s(new gen), QS90....


Повернутися до початку
 Профіль  
Відповісти цитуючи  
 Заголовок повідомлення: Re: Igbt модуль мощный
#101432Повідомлення 19 бер 2020, 16:50 
Творець електромобіля, член клубу
Не в мережі

Звідки: Украина
Дякував (ла) 117 Подякували 562
Мій електротранспорт: COOLON
Хочу електротранспорт: COOLON
300Вт. Это очень небольая нагрузка. Можно как хочеш выкручиваться, главное овести их. Кулер старого проца компа Вт 150 может отводить. 2шт какраз норм )

_________________
CEO COOLON MOTORS
Head Project "City Truck "COOLON"
https://coolonmotors.com


Повернутися до початку
 Профіль  
Відповісти цитуючи  
 Заголовок повідомлення: Re: Igbt модуль мощный
#101433Повідомлення 19 бер 2020, 16:52 
Власник електровелосипеда, член клубу
Аватара користувача
Не в мережі

Звідки: Україна, Черкаси, Д.
Дякував (ла) 646 Подякували 297
Мій електротранспорт: Evel EndurA, 62v 28Ah Jik,VOT EM-100s(new gen), QS90....
Хочу електротранспорт: model 3 old style
У меня в запасах радики от диодов есть 200Амперных типа ВЛ200 )) радики не проблема, надо решыть что в качестве ключей использовать ))

_________________
Evel EndurA, 62v 28Ah Jik,VOT EM-100s(new gen), QS90....


Повернутися до початку
 Профіль  
Відповісти цитуючи  
 Заголовок повідомлення: Re: Igbt модуль мощный
#101436Повідомлення 19 бер 2020, 17:34 
Творець електромобіля, член клубу
Не в мережі

Звідки: Украина
Дякував (ла) 117 Подякували 562
Мій електротранспорт: COOLON
Хочу електротранспорт: COOLON
Все что угодно. Читаеш в доке номинальную рассеиваемую корпусом. И напряжение хоть 30% запаса

_________________
CEO COOLON MOTORS
Head Project "City Truck "COOLON"
https://coolonmotors.com


Повернутися до початку
 Профіль  
Відповісти цитуючи  
 Заголовок повідомлення: Re: Igbt модуль мощный
#101437Повідомлення 19 бер 2020, 17:51 
Творець електромобіля, член клубу
Не в мережі

Звідки: Жмеринка
Дякував (ла) 157 Подякували 689
Мій електротранспорт: Ел-Пежо 205 - 30000км ........ ..... Ел-FAW 6371 - 70000км
thunder_blade писав(ла):
С 555 таймером знаком, буду смотреть в эту сторону, просто в линейном режиме проще реализовать поддержание тока, на вскидку...

Тут есть схемы,может поможет :? http://samodelkin.komi.ru/electron.html

_________________
Пробіг на Эл-Пежо 30 000км
Пробіг на єл-FAW 6371 60 000км


Повернутися до початку
 Профіль  
Відповісти цитуючи  
 Заголовок повідомлення: Re: Igbt модуль мощный
#101445Повідомлення 19 бер 2020, 20:42 
Власник електровелосипеда
Не в мережі

Звідки: Киев
Дякував (ла) 243 Подякували 617
Мій електротранспорт: Ё
thunder_blade писав(ла):
irde
В лс огласите шо по чем плз :roll:

могу и тут ,
20 грн за плату или 40 грн за все 3 шт.
Додаткові файли:
20200319_202717.jpg
20200319_202717.jpg [ 344.74 КБ | Переглядів: 8786 ]

Выковыривать ключи я не буду, слишком муторное занятие .
Для своей зарядки я их даже не выпаивал , а вырезал куски платы вместе с ключами , так удобнее.
sokol писав(ла):
rde лайк за термоклей :D


Это не термоклей , это силикон .
В ранних версиях эти платы шли чистыми , но на них скапливалась металлическая пыль от болгарок и вызывала КЗ со взрывом и пламенем.
Потом китайцы стали заливать их силиконом , и взрывы прекратились.

_________________
Э-вел,3 кВт Quanshun,Келли 200А,ли-ион,3.2кВтЧ,(LG 48АЧ, 21S) , max 75 км\ч, > 60 000 км


Повернутися до початку
 Профіль  
Відповісти цитуючи  
 Заголовок повідомлення: Re: Igbt модуль мощный
#101446Повідомлення 19 бер 2020, 20:45 
Власник електровелосипеда, член клубу
Аватара користувача
Не в мережі

Звідки: Україна, Черкаси, Д.
Дякував (ла) 646 Подякували 297
Мій електротранспорт: Evel EndurA, 62v 28Ah Jik,VOT EM-100s(new gen), QS90....
Хочу електротранспорт: model 3 old style
Устроит :mrgreen: , УП отправите?

_________________
Evel EndurA, 62v 28Ah Jik,VOT EM-100s(new gen), QS90....


Повернутися до початку
 Профіль  
Відповісти цитуючи  
 Заголовок повідомлення: Re: Igbt модуль мощный
#101449Повідомлення 19 бер 2020, 20:59 
Власник електровелосипеда
Не в мережі

Звідки: Киев
Дякував (ла) 243 Подякували 617
Мій електротранспорт: Ё
да отправлю

_________________
Э-вел,3 кВт Quanshun,Келли 200А,ли-ион,3.2кВтЧ,(LG 48АЧ, 21S) , max 75 км\ч, > 60 000 км


Повернутися до початку
 Профіль  
Відповісти цитуючи  
 Заголовок повідомлення: Re: Igbt модуль мощный
#101477Повідомлення 20 бер 2020, 11:03 
Власник електровелосипеда
Не в мережі

Звідки: Киев
Дякував (ла) 243 Подякували 617
Мій електротранспорт: Ё
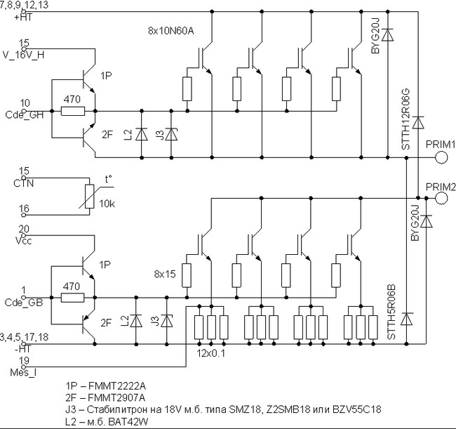
зы ,
вот ориентировочная схема силовой ВВ части , может поможет ,

Додаткові файли:
2020-03-20 00 05 51.jpg
2020-03-20 00 05 51.jpg [ 72.05 КБ | Переглядів: 8756 ]


инвертор назывался Гусь ( Gysmi 161) .

_________________
Э-вел,3 кВт Quanshun,Келли 200А,ли-ион,3.2кВтЧ,(LG 48АЧ, 21S) , max 75 км\ч, > 60 000 км


Повернутися до початку
 Профіль  
Відповісти цитуючи  
Показати повідомлення за:  Поле сортування  
Почати нову тему Відповісти на тему  [ Повідомлень: 40 ]              На сторінку Пред.  1, 2, 3  Наступ.

Часовий пояс: UTC + 2 години


Хто зараз на конференції

Зараз цей форум переглядають: немає зареєстрованих користувачів і гості: 22


Ви не можете створювати нові теми
Ви не можете відповідати на повідомлення
Ви не можете редагувати свої повідомлення
Ви не можете видаляти свої повідомлення
Ви не можете додавати додаткові файли

Найти:
cron
Створено на основі phpBB® Forum Software © phpBB Group