Поточний час: 09 груд 2025, 03:10

Часовий пояс: UTC + 2 години



Почати нову тему Відповісти на тему  [ Повідомлень: 18 ]  На сторінку 1, 2  Наступ.
Автор Повідомлення
#117696Повідомлення 20 квіт 2021, 22:07 
Власник електровелосипеда
Не в мережі

Звідки: Киев
Дякував (ла) 243 Подякували 617
Мій електротранспорт: Ё
Решил сделать такой девайс что бы искра на тумблере при включении не скакала
( на входе конвертора стоит кандеры 500 мкф *100В).
На полевике 4110 , плавно подавая напругу на затвор от изолированной батарейки ( через цепочку из резистора и конденсатора ) . По идее, полевик в таком случае должен работать как переменный резистор.
И он действительно так работал , пока я проверял эту схему на лабораторном БП ( 20В).
Но при 85 В он отработал несколько раз , а потом канал видимо пробился , ( тихо превратился из ключа, в простой проводник).
Кто мне объяснит что тут не так ?
И как правильно.

Додаткові файли:
2021-04-20 23 05 05.png
2021-04-20 23 05 05.png [ 6.94 КБ | Переглядів: 14297 ]

_________________
Э-вел,3 кВт Quanshun,Келли 200А,ли-ион,3.2кВтЧ,(LG 48АЧ, 21S) , max 75 км\ч, > 60 000 км


Повернутися до початку
 Профіль  
Відповісти цитуючи  
#117698Повідомлення 20 квіт 2021, 23:01 
Власник електровелосипеда
Аватара користувача
Не в мережі

Звідки: Ternopil
Дякував (ла) 83 Подякували 620
Різні причини пробою можуть бути:
- перевищена енергія одиночного імпульсу - малоймовірно.
- фейковий польовик
- Найбільш ймовірна - пробій затвора перенапругою. Затвор дуже до цього чутливий. Варто зайвому електрону проскочити із затвору в витік - і усе, резистор. А причина якраз може бути в 20В і дребезгу на контактах, через які може напруга на затворі (в додаток до ємності міллера) під час закривання вальнути дофігіщами вольт. Не варто подавати таку високу напругу, вище 8-10В немає змісту, то ж стабілітрон на 10-15В має врятувати, в тому числі і від зворотньої напруги.
Ну а на рахунок енергії одиночного імпульсу. 85В 500мкф то є 1,8жд. У польовиків є такий параметр - Single Pulse Avalanche Energy. Це в більшості стосується його пробою по напрузі між витоком і стоком, коли через перевищення він працює як стабілітрон. але цей параметр також має відношення до роботи його в лінійному режимі, коли мосфет відкривається не миттєво, але достатньо швидко, щоби ця енергія встигла розігріти кристал, але не встигла ще перейти на підложку радіатора. Тобто фактично це теплоємність самого кристалу грубо кажучи. У 4110 вона максимум 190мДж, а енергія заряду конденсатора 1,8Дж, що майже на порядок більше. Але враховуючи ємність конденсатора і опір резистора там не може бути аж настільки швидкого відкривання, постійна часу 0,5с, а за 0,2с уже майже повністю відкриється. Скоріш за все причина - коливальні процеси при розряді конденсатора тумблером. Там такі чудеса можуть відбуватись...

_________________
моя Smart BMS


Повернутися до початку
 Профіль  
Відповісти цитуючи  
#117703Повідомлення 21 квіт 2021, 05:55 
Власник електромобіля
Аватара користувача
Не в мережі

Звідки: между морем и степью
Дякував (ла) 49 Подякували 114
Мій електротранспорт: MG4
Хочу електротранспорт: Rimac Nevera
Скорее всего, слишком большая энергия рассеивается на транзисторе за длительное время его открытия. Нужно последовательно с ним включить резистор мощный на пару Ом. И тогда нужен второй транзистор, без резистора уже, который будет открываться через пару секунд после первого. Ну а тогда и всю схему с первым транзистором можно заменить одним NTC-шником мощным :-)

_________________
Gray©at.


Повернутися до початку
 Профіль  
Відповісти цитуючи  
#117705Повідомлення 21 квіт 2021, 06:07 
Власник електровелосипеда, член клубу
Аватара користувача
Не в мережі

Звідки: Запорожье
Дякував (ла) 297 Подякували 1092
Мій електротранспорт: >
Я думаю, что пока ключ еще в линейном режиме, успевает запуститься преобразователь и критично перегрузить полуоткрытый ключ.
И в цепь разряда затвора тоже надо поставить резистор хотя бы омм на 10, нехорошо это сухим контактом кондер и затворную ёмкость коротить (при очень резком закрытии, индуктивности проводов стока может хватить что бы выбросом пробить ключ).

_________________
2 моноколеса, 2 электровела, 2 подводных буксира, надувной электро-каяк.


Повернутися до початку
 Профіль  
Відповісти цитуючи  
#117713Повідомлення 21 квіт 2021, 09:19 
Власник електровелосипеда
Не в мережі

Звідки: Киев
Дякував (ла) 243 Подякували 617
Мій електротранспорт: Ё
mr.Dream писав(ла):
- перевищена енергія одиночного імпульсу - малоймовірно.

Не думаю.
Скачек тока контролировался осциллографом ( снималась напруга на шунте в 1 Ом , включенном в цепь батареи.) И этот скачек не превышал 1 А.
Его время составляло где то 0.3 сек.
Для полевика это мелочь, работают же они в схемах линейных стабилизаторов , усилителей , итд.

mr.Dream писав(ла):
- фейковий польовик

то же исключено.
Покупал одной партией , когда апгрейдил свой контроллер из 75NF75 в IRF4110. Тестировал прямо в магазине ( Имрад) , на граничное напряжение С-И , R - СИ , утечки затвора .Все идеально.
Да и в контроллере они работают уже 4-ый год.

mr.Dream писав(ла):
Скоріш за все причина - коливальні процеси при розряді конденсатора тумблером. Там такі чудеса можуть відбуватись...

Наверное вы правы.
Хотел поставить стабилитрон в цепь затвор-исток , но подумалось зачем он там ? Ведь при включении тумблера, к затвору подводится напруга от гальванически развязанной батарейки ( 3 лииона от старых мобилок) , через интегрирующую цепочку , которая сгладит выбросы.
Но видимо не все учел.
-=TRO=- писав(ла):
И в цепь разряда затвора тоже надо поставить резистор хотя бы омм на 10, нехорошо это сухим контактом кондер и затворную ёмкость коротить (при очень резком закрытии, индуктивности проводов стока может хватить что бы выбросом пробить ключ).

Тоже может быть .

GrayCat писав(ла):
Ну а тогда и всю схему с первым транзистором можно заменить одним NTC-шником мощным :-)

Ну , как вариант .Но хотелось из того что есть в наличии .
Радиомаги сейчас все закрыты.

_________________
Э-вел,3 кВт Quanshun,Келли 200А,ли-ион,3.2кВтЧ,(LG 48АЧ, 21S) , max 75 км\ч, > 60 000 км


Повернутися до початку
 Профіль  
Відповісти цитуючи  
#117718Повідомлення 21 квіт 2021, 10:44 
Власник електровелосипеда
Аватара користувача
Не в мережі

Звідки: Ternopil
Дякував (ла) 83 Подякували 620
irde писав(ла):
Для полевика это мелочь, работают же они в схемах линейных стабилизаторов , усилителей , итд.

Не зовсім. У важких умовах роботи в лінійному режимі до моменту пересічення цих двох графіків може відбутись лавинний процес локального розігріву участку кристалу. Причиною є зниження напруги відкривання при підвищенні температури. Якщо в лінійному (активному) режимі якийсь участок кристала нагрівається більше, він відкриється більше, що призведе до протікання більшого струму через нього і ще більшого локального розігріву, вплоть до локального прогорання кристалу, хоча здавалось би - запас ще є :) в 4110 сильно виражений цей перепад при різних тепературах. Як і в більшості MOS-fet, які проектувались під ключовий режим роботи.
Тому що в другій половині графіку після точки пересічення уже наступає потизитивний ТКО і як наслідок - автоматичне балансування температурного навантаження на кристал.
Додаткові файли:
4110.PNG
4110.PNG [ 17.38 КБ | Переглядів: 14247 ]

У вашому випадку при струмі заряду в 1А на кристалі виділяється аж 85Вт миттєво на початку заряду. Я ж і кажу - малоймовірно, але це один із типових способів вбити мосфет :)

_________________
моя Smart BMS


Повернутися до початку
 Профіль  
Відповісти цитуючи  
#117723Повідомлення 21 квіт 2021, 12:32 
Активіст форуму
Не в мережі

Звідки: Беловодск
Дякував (ла) 1 Подякували 27
---------------------


Додаткові файли:
Задержка.GIF [4.75 КБ]
Завантажень: 0
Повернутися до початку
 Профіль  
Відповісти цитуючи  
#117732Повідомлення 21 квіт 2021, 16:30 
Власник електровелосипеда
Не в мережі

Звідки: Киев
Дякував (ла) 243 Подякували 617
Мій електротранспорт: Ё
Ток писав(ла):
---------------------

Схему в минусовой цепи я знаю , она проста и надежная . Но рвать "минус" я категорически не хочу.
По разным причинам.

mr.Dream писав(ла):
але це один із типових способів вбити мосфет

да я уже понял , полевики - не мое. :ups: Нежные они какие то :D
Собрал классику , на ограничивающем резисторе и реле.

_________________
Э-вел,3 кВт Quanshun,Келли 200А,ли-ион,3.2кВтЧ,(LG 48АЧ, 21S) , max 75 км\ч, > 60 000 км


Повернутися до початку
 Профіль  
Відповісти цитуючи  
#117733Повідомлення 21 квіт 2021, 17:24 
Активіст форуму
Не в мережі

Звідки: Беловодск
Дякував (ла) 1 Подякували 27
Для 85 вольтового входного наряжения IR4110 маловат по запасу напряжения, поэтому возможно и пробивался без ограничительной цепи сток/исток (той же RC цепи или хотя бы супрессора).

По току полевики и ИЖБТ дубовые транзисторы - если конечно не левак.


Повернутися до початку
 Профіль  
Відповісти цитуючи  
#117735Повідомлення 21 квіт 2021, 17:55 
Власник електровелосипеда
Аватара користувача
Не в мережі

Звідки: Ternopil
Дякував (ла) 83 Подякували 620
Ток писав(ла):
Для 85 вольтового входного наряжения IR4110 маловат по запасу напряжения

зовсім не маловатий. в нього напруга оборотнього лавинного пробою (працює як стабілітрон) мінімум 100В, при цьому струм максимум 20мкА при кімнатній і 250мкА при 125 градусів на кристалі. А індуктивності проводів зовсім не багато, щоби аж так по тепловому пробити кристал. У "інфінеони" вот по 100,8В пихали :) і ключі там бахали не від напруги, а від неконтрольрованого фазного струму на низькоомних двигунах, який міг запросто на порядок перевищити батарейне обмеження. А от затвор у польовика дуже чутливий до перенапруги. Навіть на наносекунди. Просто він настільки тонкий, що при 25в може відбуватись електростатичне руйнування оксиду діелектрика і застрягання (дифузії) в ньому металу з електродів. А от струмом вбити польовик дійсно важко.

Якщо комусь цікаво, нарив в арівах) колись випадково також вбив мосфет ірлб3034 через затвор і вирішив його розковиряти. Оригінал. Дивіться на розмір кристалу 8O
до кристалу було підведено 7 алюмінієвих (так, їх ультразвуком приварюють) провідників на витік.
Додаткові файли:
3034.jpg
3034.jpg [ 303.98 КБ | Переглядів: 14167 ]

_________________
моя Smart BMS


Повернутися до початку
 Профіль  
Відповісти цитуючи  
#117737Повідомлення 21 квіт 2021, 18:20 
Власник електромобіля
Аватара користувача
Не в мережі

Звідки: между морем и степью
Дякував (ла) 49 Подякували 114
Мій електротранспорт: MG4
Хочу електротранспорт: Rimac Nevera
irde писав(ла):
Скачек тока контролировался осциллографом ( снималась напруга на шунте в 1 Ом , включенном в цепь батареи.) И этот скачек не превышал 1 А.


Ну так вот этот резистор и выполнял роль токоограничителя :hurra: . Основная мощность рассеивалась на нём. А как включили напрямую -- тут же "пшик!".

_________________
Gray©at.


Повернутися до початку
 Профіль  
Відповісти цитуючи  
#117739Повідомлення 21 квіт 2021, 19:05 
Власник електровелосипеда
Не в мережі

Звідки: Киев
Дякував (ла) 243 Подякували 617
Мій електротранспорт: Ё
GrayCat писав(ла):
А как включили напрямую

до включения напрямую не дошло.
Он пробился буквально после 4-5 включения .
Я даже удивился, тумблером щелкаю - стрелка осциллографа сначала прыгала , а потом стала на нуле и никак не реагирует.

_________________
Э-вел,3 кВт Quanshun,Келли 200А,ли-ион,3.2кВтЧ,(LG 48АЧ, 21S) , max 75 км\ч, > 60 000 км


Повернутися до початку
 Профіль  
Відповісти цитуючи  
#117741Повідомлення 21 квіт 2021, 19:15 
Активіст форуму
Не в мережі

Звідки: Беловодск
Дякував (ла) 1 Подякували 27
mr.Dream писав(ла):
Ток писав(ла):
Для 85 вольтового входного наряжения IR4110 маловат по запасу напряжения

зовсім не маловатий. в нього напруга оборотнього лавинного пробою (працює як стабілітрон) мінімум 100В, при цьому струм максимум 20мкА при кімнатній і 250мкА при 125 градусів на кристалі......

Спорить не буду, было давно.
"Высоковольтная прозвонка (плавно можно было поднимать напряжение до 3000в.)" - с помощью которой я проводил эксперимент выдавала не больше ампера тока.
Мне было интересно проверить насколько пунктуальны капиталисты по запасу напряжения сток/исток.
Брал 900 вольтовый 50 амперный ИЖБТ (затвор с истоком закорочен) и плавненько на нем этой прозвонкой поднимал напряжение - при где то 950 вольтах она резко начинала звонить - и назад транзистор свои свойства не восстанавливал, т. е. ему приходил кирдык.
Что там в нем происходило я не вникал, но лишнего запаса по напряжению капиталисты не давали.

Здесь в схеме хозяина топика - на затворе висит внушительная емкость и сомнительно чтобы на затворе могло резко подскочить напряжение от всплесков, т. е. пробиться по затвору.


Повернутися до початку
 Профіль  
Відповісти цитуючи  
#117743Повідомлення 21 квіт 2021, 20:09 
Власник електровелосипеда, член клубу
Аватара користувача
Не в мережі

Звідки: Україна, Черкаси, Д.
Дякував (ла) 645 Подякували 296
Мій електротранспорт: Evel EndurA, 62v 28Ah Jik,VOT EM-100s(new gen), QS90....
Хочу електротранспорт: model 3 old style
Поделюсь с уважаемыми людьми своей схемой (спионеренной) плавного пуска нагрузки с конденсаторами.
Додаткові файли:
IMG_20210416_085320.jpg
IMG_20210416_085320.jpg [ 361.89 КБ | Переглядів: 14140 ]

Схема примитивна и дубова. :winken:

_________________
Evel EndurA, 62v 28Ah Jik,VOT EM-100s(new gen), QS90....


Повернутися до початку
 Профіль  
Відповісти цитуючи  
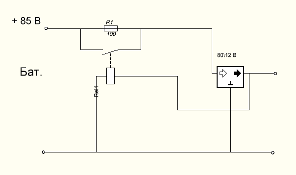
#117751Повідомлення 21 квіт 2021, 21:45 
Власник електровелосипеда
Не в мережі

Звідки: Киев
Дякував (ла) 243 Подякували 617
Мій електротранспорт: Ё
Можно и так , но много лишних деталей.
У меня проще

Додаткові файли:
2021-04-21 22 39 55.png
2021-04-21 22 39 55.png [ 5.92 КБ | Переглядів: 14128 ]


Ток писав(ла):
на затворе висит внушительная емкость и сомнительно чтобы на затворе могло резко подскочить напряжение от всплесков, т. е. пробиться по затвору.

вот и я так думал.
видимо все же нужно дочитать Хоровица и Хилла :D

_________________
Э-вел,3 кВт Quanshun,Келли 200А,ли-ион,3.2кВтЧ,(LG 48АЧ, 21S) , max 75 км\ч, > 60 000 км


Повернутися до початку
 Профіль  
Відповісти цитуючи  
Показати повідомлення за:  Поле сортування  
Почати нову тему Відповісти на тему  [ Повідомлень: 18 ]              На сторінку 1, 2  Наступ.

Часовий пояс: UTC + 2 години


Хто зараз на конференції

Зараз цей форум переглядають: немає зареєстрованих користувачів і гості: 13


Ви не можете створювати нові теми
Ви не можете відповідати на повідомлення
Ви не можете редагувати свої повідомлення
Ви не можете видаляти свої повідомлення
Ви не можете додавати додаткові файли

Найти:
Створено на основі phpBB® Forum Software © phpBB Group