Поточний час: 30 січ 2026, 12:25

Часовий пояс: UTC + 2 години



Почати нову тему Відповісти на тему  [ Повідомлень: 15 ] 
Автор Повідомлення
#119510Повідомлення 16 черв 2021, 11:12 
Не в мережі

Звідки: Днепр
Дякував (ла) 1199 Подякували 1184
Тема преследует формирование идеи адаптировать штатный указатель уровня топлива авто с двс в указатель уровня заряда батареи при конверсии. Точность и высокая информативность пока не преследуется. Пока придумать бы алгоритм построения устройства.
Модераторов прошу перенести несколько сообщений из "флудилка 2" сюда. Ну и приглашаю естественно тех кто не против проразмышлять с идеями и мыслями. :)


Повернутися до початку
 Профіль  
Відповісти цитуючи  
#119511Повідомлення 16 черв 2021, 11:51 
Не в мережі

Звідки: Днепр
Дякував (ла) 1199 Подякували 1184
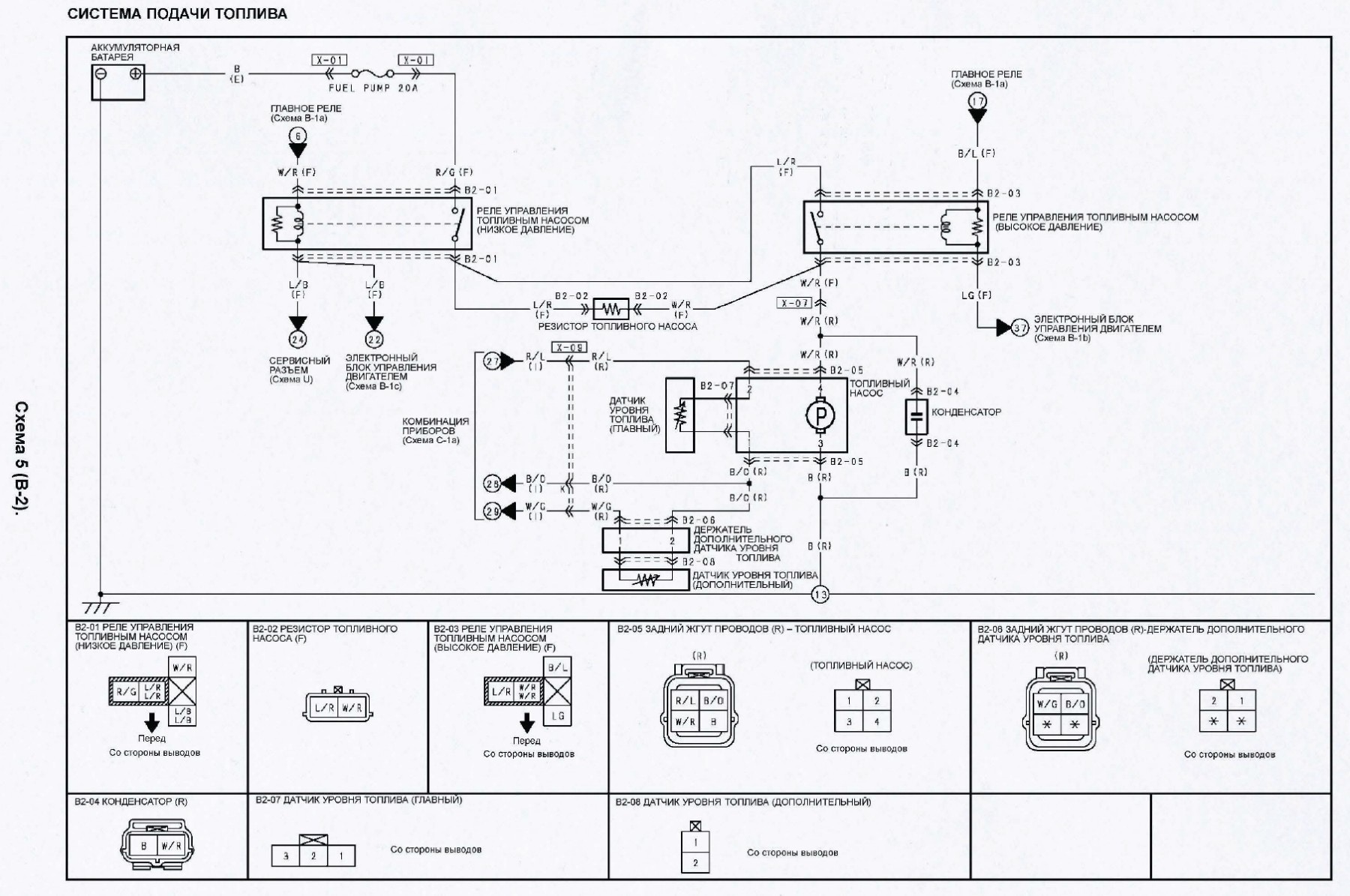
Вот схема подключения штатного датчика. Есть определённая сложность - дело в том,что бак сложной формы,имеет два углубленные ниши,поэтому конструкторы применили два датчика,чтобы наверное минимизировать погрешности...


Додаткові файли:
поключение датчика уровня топлива.PNG
поключение датчика уровня топлива.PNG [ 364.85 КБ | Переглядів: 11709 ]
схема подачи топлива.JPG
схема подачи топлива.JPG [ 360.69 КБ | Переглядів: 11709 ]
Повернутися до початку
 Профіль  
Відповісти цитуючи  
#119512Повідомлення 16 черв 2021, 12:59 
Власник електровелосипеда
Аватара користувача
Не в мережі

Звідки: Херсон, Украина
Дякував (ла) 144 Подякували 141
Мій електротранспорт: Эл.вел 48В/500Вт
Перенесу сюда свои соображения по данному вопросу из "флудилки":
Цитата:
На мой взгляд, должна быть обязательно гальваническая развязка между ВВБ и низковольтной сетью. Поэтому напрашивается либо оптика, либо трансформаторная развязка. С оптическими ОУ сталкивался - ненадёжная во времени продукция, "уплывают" характеристики. Остаётся трансформатор.
Как? Структурно так: делаем нестабилизированный преобразователь (2-тактный "полумост" или 1-тактный "прямоход") малой (очень малой) мощности. На выходе - однополупериодный (вполне достаточно) выпрямитель. С него через стабилитрон (для "растягивания" шкалы) напряжение подаётся на вход бензометра штатной панели приборов.
Суть такая: преобразователь работает на практически постоянной частоте и с полным открытием ключевых транзисторов (допустим, та же IR2153). Изменяющееся напряжение из первичной цепи пропорционально трансформируется во вторичное напряжение, которое выпрямляется и подаётся на измеритель.
Как-то так.
UPD: Може создать отдельную тему по данному вопросу в соответствующем разделе и перенести туда обсуждение - направление может стать довольно интересным.

igo61 писав(ла):
Инженер писав(ла):
Напряжение на стрелке для полного её хода постараюсь экспериментально на днях определить
Да, нужно знать напряжение на входе в приборку от датчика уровня топлива при полном и пустом баке. И входное сопротивление входа "ДУТ" приборки и ток в цепи от ДУТ до приборки.
Для полного щастя желательно пасатреть :D схему подключения ДУТ к приборке.
Инженер писав(ла):
как это перенести и создать?!
В этом разделе: viewforum.php?f=38 (вспомогательная электроника) или в этом viewforum.php?f=41 (индикаторные приборы) создать тему и попросить модераторов перенести туда начавшееся обсуждение (желаемые сообщения из этой темы).

Цитата:
определённая сложность - дело в том,что бак сложной формы,имеет два углубленные ниши,поэтому конструкторы применили два датчика,чтобы наверное минимизировать погрешности

Вангую, что приборка показывает наименьшее из показаний двух датчиков - для пущей важности и устрашения :D .
А можно провести эксперимент по манипуляции двумя датчиками уровня и глянуть на показания приборки при манипуляциях? И предыдущие просьбы не исключаются для полноты собранных данных.


Повернутися до початку
 Профіль  
Відповісти цитуючи  
#119514Повідомлення 16 черв 2021, 16:49 
Не в мережі

Звідки: Днепр
Дякував (ла) 1199 Подякували 1184
igo61 писав(ла):
А можно провести эксперимент по манипуляции двумя датчиками уровня и глянуть на показания приборки при манипуляциях?

...проблема в том, что ни датчиков ни бака...ничего что связывало авто с «предыдущей бензиновой жизнью» уже давно нет :cry: :cry:
Я даже в мануалах не могу нарыть их (датчиков) сопротивления...
Ну ничё, шо нибудь придумаем


Повернутися до початку
 Профіль  
Відповісти цитуючи  
#119515Повідомлення 16 черв 2021, 17:06 
Не в мережі

Звідки: Україна
Дякував (ла) 1653 Подякували 329
Мій електротранспорт: а ти чого, пацан, інтєрєсуєшся?
Тоже интересна эта тема. Мой датчик имеет сопротивления в крайних положениях 30-300 Ом.

Инженер писав(ла):
...проблема в том, что ни датчиков ни бака...ничего что связывало авто с «предыдущей бензиновой жизнью» уже давно нет :cry: :cry:
Я даже в мануалах не могу нарыть их (датчиков) сопротивления...
Ну ничё, шо нибудь придумаем

В чем проблема - запускается приборка "на столе", и подсовывается переменный резистор.


Повернутися до початку
 Профіль  
Відповісти цитуючи  
#119516Повідомлення 16 черв 2021, 18:03 
Не в мережі

Звідки: Днепр
Дякував (ла) 1199 Подякували 1184
...ну скажем...проблемка, а не проблема :P ...


Повернутися до початку
 Профіль  
Відповісти цитуючи  
#119523Повідомлення 16 черв 2021, 22:43 
Активіст форуму
Не в мережі

Звідки: Днепр
Дякував (ла) 204 Подякували 81
Мій електротранспорт: пока нету
Хочу електротранспорт: очень хочу...
Тогда эксперименты наше всё.
В аналоговых приборках имеется 2 датчика топлива - оба резистивные.
Датчик на стрелу и датчик на лампу низкого уровня топлива.
Проверено опытами... датчик топлива на стрелу для большинства ТОЙОТ год выпуска до 2000 года.
22 ома и менее - 100% шкалы и выше.
29 ом - 75% шкалы.
51 ом - 50% шкалы.
91 ом - 0% шкалы.
Примерно так же реагирует стрела датчика ОЖ.
Более подробно изыскания можно увидеть здесь http://carinae.com.ua/forum/viewtopic.php?f=12&t=2768
напряжения не замерял, небыло необходимости но если очень нужно могу попробовать собрать систему на столе и промерить.

Датчик малого уровня топлива не замерял, поломка менее распространенная.
Знаю о нем только то что изготовлен он на базе терморезистора, пока он омывается топливом то обычная лампочка 5 ватт 12 автомобильных вольт не загорается,
номинал абсолюно не помню как и ТКЕ.
PS:Касательно датчиков топлива и температуры особенно для приборных панелей очень часто встречаются сообственные массы - при запуске приборок на столе нужно учитывать что масса тахометра и спидометра может быть общая а у топлива и температуры может оказаться отдельная от спидометра и тахометра.


Повернутися до початку
 Профіль  
Відповісти цитуючи  
#119542Повідомлення 17 черв 2021, 18:24 
Не в мережі

Звідки: Днепр
Дякував (ла) 1199 Подякували 1184
Моё вот такое:


Додаткові файли:
21324FD2-0A39-407E-B243-328778764843.jpeg
21324FD2-0A39-407E-B243-328778764843.jpeg [ 53.22 КБ | Переглядів: 11594 ]
Повернутися до початку
 Профіль  
Відповісти цитуючи  
#119551Повідомлення 17 черв 2021, 20:09 
Активіст форуму
Не в мережі

Звідки: Днепр
Дякував (ла) 204 Подякували 81
Мій електротранспорт: пока нету
Хочу електротранспорт: очень хочу...
То есть
100% = 10 ом.
0% = 320 ом

Найти переменник на 330 ом, желательно проволочный и запустить все на столе.
И замерить промежуточные значения.


Повернутися до початку
 Профіль  
Відповісти цитуючи  
#119553Повідомлення 17 черв 2021, 20:41 
Не в мережі

Звідки: Днепр
Дякував (ла) 1199 Подякували 1184
Ну типа того...
Только зачем на столе?! На машине всё распотрошено и доступно :D


Повернутися до початку
 Профіль  
Відповісти цитуючи  
#119554Повідомлення 17 черв 2021, 20:50 
Власник електровелосипеда
Аватара користувача
Не в мережі

Звідки: Херсон, Украина
Дякував (ла) 144 Подякували 141
Мій електротранспорт: Эл.вел 48В/500Вт
MedvedUA писав(ла):
замерить промежуточные значения.
И напряжения на переменнике хотя бы по трём точкам: "полный", "половина" и "пустой". Пожалюста.


Повернутися до початку
 Профіль  
Відповісти цитуючи  
#119572Повідомлення 18 черв 2021, 08:43 
Творець електромобіля, член клубу
Аватара користувача
Не в мережі

Звідки: Украина,Киев
Дякував (ла) 115 Подякували 689
Мій електротранспорт: ЗАЗ 965e, Peugeot Partner (продан), Renault Zoe, Renault Fluence, Tesla Model 3
Я на VW EOS такое проделывал, намучался страшно. Взял два потенциометра электронных, подключил к ардуине, кан модуль, от бмс брал по кану процент заряда, и двигал потенциометры на основе этого.

Из нюансов спалил ведро этих потенциометров, ибо при питании от ноута все работало, а вот от машины, шел дым с потенциометра. Решил это опторазвязкой.


Повернутися до початку
 Профіль  
Відповісти цитуючи  
#119592Повідомлення 19 черв 2021, 07:55 
Голова клубу
Аватара користувача
Не в мережі

Звідки: Україна, Донецьк => Ірпінь
Дякував (ла) 6987 Подякували 2598
Мій електротранспорт: Tesla S
Хочу електротранспорт: е-панцирник
А какие именно электронные потенциометры? Модель?
Я столкнулся, что те, что управляются кнопками часто перескакивают через 2 позиции, хотя в мануале и написано, что у них полностью подготовленные цепи для работы с кнопками без обвязки.


Повернутися до початку
 Профіль  
Відповісти цитуючи  
#119599Повідомлення 19 черв 2021, 11:47 
Не в мережі

Звідки: Днепр
Дякував (ла) 1199 Подякували 1184
Polevik писав(ла):
тогда всё в щитке задействовать можно.

...если касательно меня (моего варианта), то не задействован на приборке только указатель уровня топлива. Тахо работает от штатного датчика кв, спидометр берет сигналы с блока абс, температура тоже имеет свой датчик, ну и давление масла симулирован. Контрольные лампы для двс потушены, чек скорее всего нет... Поэтому и интерес пока только для дут...


Повернутися до початку
 Профіль  
Відповісти цитуючи  
#119659Повідомлення 22 черв 2021, 17:19 
Творець електромобіля, член клубу
Аватара користувача
Не в мережі

Звідки: Украина,Киев
Дякував (ла) 115 Подякували 689
Мій електротранспорт: ЗАЗ 965e, Peugeot Partner (продан), Renault Zoe, Renault Fluence, Tesla Model 3
Я брал микрухи MCP4011-202, они двигаются не кнопками, а по двум проводам, что-то похожее на SPI, по этому переключение чёткое по шагам.


Повернутися до початку
 Профіль  
Відповісти цитуючи  
Показати повідомлення за:  Поле сортування  
Почати нову тему Відповісти на тему  [ Повідомлень: 15 ]             

Часовий пояс: UTC + 2 години


Хто зараз на конференції

Зараз цей форум переглядають: немає зареєстрованих користувачів і гості: 10


Ви не можете створювати нові теми
Ви не можете відповідати на повідомлення
Ви не можете редагувати свої повідомлення
Ви не можете видаляти свої повідомлення
Ви не можете додавати додаткові файли

Найти:
Створено на основі phpBB® Forum Software © phpBB Group