Поточний час: 18 груд 2025, 20:51

Часовий пояс: UTC + 2 години



Почати нову тему Відповісти на тему  [ Повідомлень: 107 ]  На сторінку Пред.  1, 2, 3, 4, 5 ... 8  Наступ.
Автор Повідомлення
 Заголовок повідомлення: Re: Флудилка 2
#119861Повідомлення 29 черв 2021, 08:07 
Не в мережі

Звідки: Днепр
Дякував (ла) 1187 Подякували 1175
Всё ясно, благодарствую


Повернутися до початку
 Профіль  
Відповісти цитуючи  
 Заголовок повідомлення: Re: Флудилка 2
#119864Повідомлення 29 черв 2021, 10:28 
Творець електромобіля, член клубу
Не в мережі

Звідки: Жмеринка
Дякував (ла) 156 Подякували 685
Мій електротранспорт: Ел-Пежо 205 - 30000км ........ ..... Ел-FAW 6371 - 70000км
Инженер писав(ла):
Ещё вопрос к знающим схемотехникам:
- нужно устройство с одним (или двумя) управляющими входами и четырьмя выходами....

Есть идеи...пару дней...

_________________
Пробіг на Эл-Пежо 30 000км
Пробіг на єл-FAW 6371 60 000км


Повернутися до початку
 Профіль  
Відповісти цитуючи  
 Заголовок повідомлення: Re: Флудилка 2
#119881Повідомлення 29 черв 2021, 17:51 
Не в мережі

Звідки: Днепр
Дякував (ла) 1187 Подякували 1175
У меня? Откуда :lol: ?!
Дядька Игорь написал выше, что и как использовать. Но для меня это бестолку :ups: Только по готовой схеме смогу что-то сваять...
Я думаю он просто занят пока... но мне вообще не горит...


Повернутися до початку
 Профіль  
Відповісти цитуючи  
 Заголовок повідомлення: Re: Флудилка 2
#119902Повідомлення 30 черв 2021, 08:21 
Не в мережі

Звідки: Днепр
Дякував (ла) 1187 Подякували 1175
Goga65 писав(ла):
Есть идеи...пару дней...

...а-а,не верно Вас понял. Наверное у Вас есть какие-то идеи?! Тогда жду :winken: ...


Повернутися до початку
 Профіль  
Відповісти цитуючи  
 Заголовок повідомлення: Re: Флудилка 2
#119910Повідомлення 30 черв 2021, 10:29 
Творець електромобіля, член клубу
Не в мережі

Звідки: Жмеринка
Дякував (ла) 156 Подякували 685
Мій електротранспорт: Ел-Пежо 205 - 30000км ........ ..... Ел-FAW 6371 - 70000км
Инженер писав(ла):
Goga65 писав(ла):
Есть идеи...пару дней...

...а-а,не верно Вас понял. Наверное у Вас есть какие-то идеи?! Тогда жду :winken: ...

:ja:

_________________
Пробіг на Эл-Пежо 30 000км
Пробіг на єл-FAW 6371 60 000км


Повернутися до початку
 Профіль  
Відповісти цитуючи  
 Заголовок повідомлення: Re: Флудилка 2
#119915Повідомлення 30 черв 2021, 14:06 
Активіст форуму
Не в мережі

Звідки: Беловодск
Дякував (ла) 1 Подякували 27
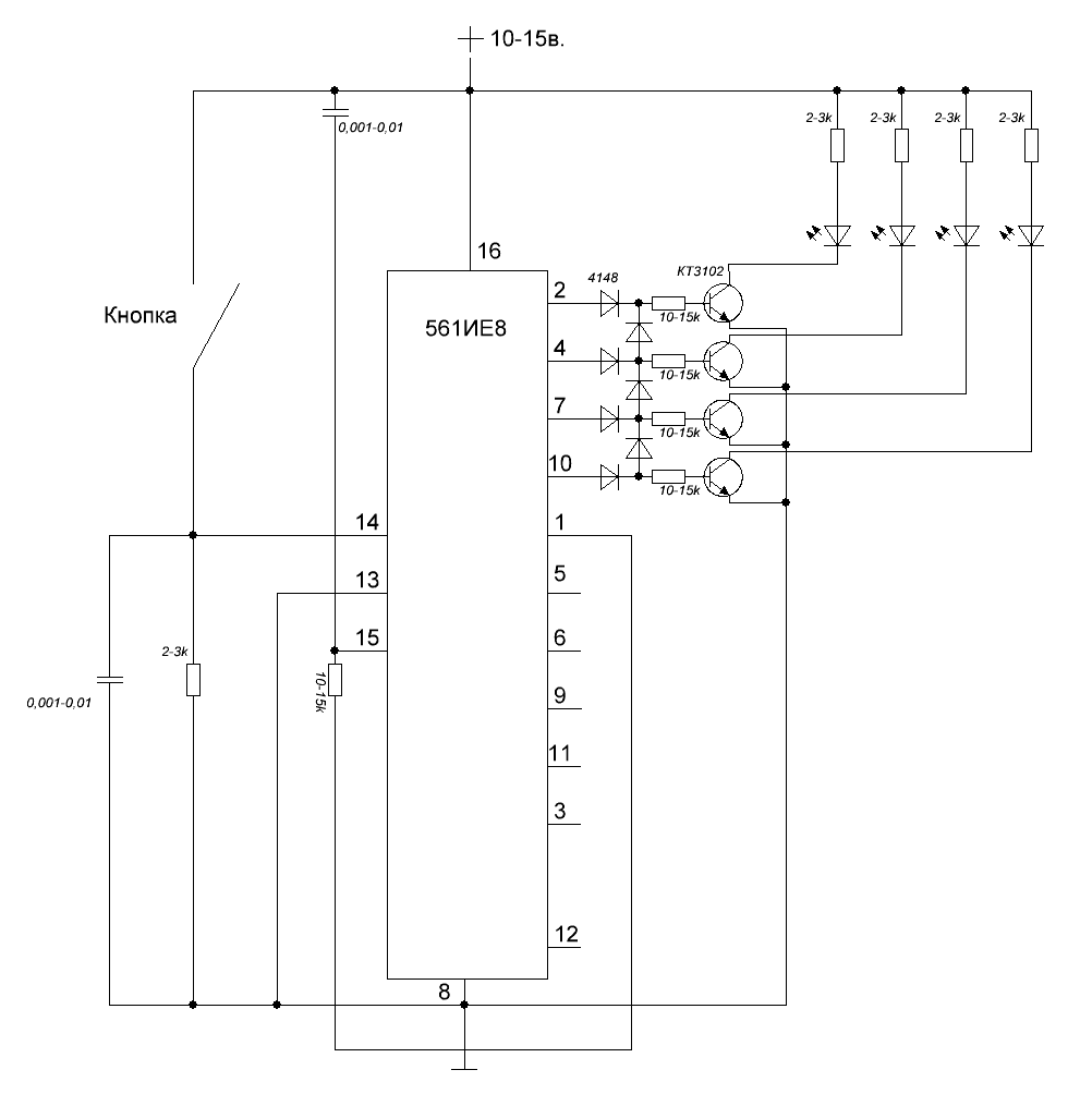
Инженер писав(ла):
...........ерное у Вас есть какие-то идеи?! Тогда жду :winken: ...

Вот вам цветомузыка на 561ИЕ8 чтобы с каждым нажатием кнопки подключался дополнительный выход, и так по кольцу, то есть загораются светики - 1, 1+2, 1+2+3, 1+2+3+4, после этого все гаснут и потом повторяется цикл.

Можно на вход вместо кнопки подать импульсы от генератора и подключить на ИЕ8 на оставшиеся выводы - светодиодные ячейки и будет например "бегущая линейка" при нажатии тормоза)))).


Додаткові файли:
ИЕ8 цветомузыка.GIF
ИЕ8 цветомузыка.GIF [ 17.61 КБ | Переглядів: 7242 ]
Повернутися до початку
 Профіль  
Відповісти цитуючи  
 Заголовок повідомлення: Re: Флудилка 2
#119921Повідомлення 30 черв 2021, 17:35 
Не в мережі

Звідки: Днепр
Дякував (ла) 1187 Подякували 1175
Ток писав(ла):
Вот вам цветомузыка на 561ИЕ8 чтобы с каждым нажатием кнопки подключался

О! Большущее спасибо! Зафиксировал :D
Чем больше вариантов решения, тем шире выбор. Очень хотелось-бы увидеть ещё пару-тройку идей.
Да, может уйти с флудилки в отдельную тему?! Хоть вопрос и не особо востребованный «массами», но ... может всё-таки кому-то ещё будет полезен?!


Повернутися до початку
 Профіль  
Відповісти цитуючи  
 Заголовок повідомлення: Re: Флудилка 2
#119928Повідомлення 30 черв 2021, 21:20 
Site Admin
Аватара користувача
Не в мережі

Звідки: город Киев
Дякував (ла) 420 Подякували 1155
Мій електротранспорт: Nissan Leaf
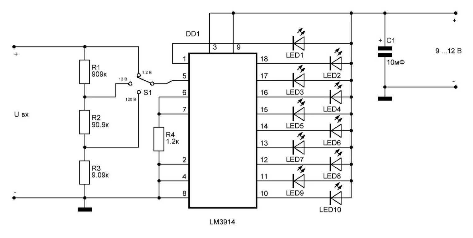
Инженер писав(ла):
...Чем больше вариантов решения, тем шире выбор. Очень хотелось-бы увидеть ещё пару-тройку идей...

Я бы в данном случае примени МС LM3914.
Причем, для управления применил потенциометр - так проще и интуитивно понятней управление.
Описание схемы тут.
Входное напряжение от опорного источника (на потенциометр) подобрать так, чтоб зажигалось нужное вам количество выходов управления (плюс небольшой запас).
Все.
На картинке дискретное управление (на любителя), но это легко исправить... а вместо (или совместно с ними) светодиодов подключаем ключи или реле управления нагрузкой.
Кстати, на радиорынках продаются готовые платы... я в былые времена такую купил и успешно использовал для проверки работоспособности лямбда-зонда прямо на авто...


Додаткові файли:
123123.jpg
123123.jpg [ 95 КБ | Переглядів: 7272 ]

_________________
Чем скуднее знания, тем категоричней суждения.

"Глупцы все, кто глупцами кажутся и половина тех, что не кажется". (Бальтасар Грасиан)
Повернутися до початку
 Профіль  
Відповісти цитуючи  
 Заголовок повідомлення: Re: Флудилка 2
#119931Повідомлення 30 черв 2021, 21:47 
Не в мережі

Звідки: Днепр
Дякував (ла) 1187 Подякували 1175
Спасибо!
Кстати этот вариант может оказаться предпочтительнее, т.к. встроив потенциометр в штатную крутилку Отопительной системы проще всего интегрировать управление нагревателем без дополнительных органов управления (кнопок и пр.)


Повернутися до початку
 Профіль  
Відповісти цитуючи  
 Заголовок повідомлення: Re: Флудилка 2
#119933Повідомлення 30 черв 2021, 21:50 
Не в мережі

Звідки: Днепр
Дякував (ла) 1187 Подякували 1175
https://prom.ua/p380405971-svetodiodnyj ... m_spa=true
От такое?


Повернутися до початку
 Профіль  
Відповісти цитуючи  
 Заголовок повідомлення: Re: Флудилка 2
#119936Повідомлення 30 черв 2021, 21:56 
Активіст форуму
Не в мережі

Звідки: Беловодск
Дякував (ла) 1 Подякували 27
Для таких переключений ставится обвычный галетный переключатель с соответсвующей коммутацией его контактов и включай сразу хоть на 220 релюхи, и не надо вообще никаких микросхем))))).


Повернутися до початку
 Профіль  
Відповісти цитуючи  
 Заголовок повідомлення: Re: Флудилка 2
#119940Повідомлення 30 черв 2021, 22:12 
Site Admin
Аватара користувача
Не в мережі

Звідки: город Киев
Дякував (ла) 420 Подякували 1155
Мій електротранспорт: Nissan Leaf
Инженер писав(ла):
...От такое?

Да. Просто нужно адаптировать под свои нужды.


Додаткові файли:
1144.jpg
1144.jpg [ 105.51 КБ | Переглядів: 7244 ]

_________________
Чем скуднее знания, тем категоричней суждения.

"Глупцы все, кто глупцами кажутся и половина тех, что не кажется". (Бальтасар Грасиан)
Повернутися до початку
 Профіль  
Відповісти цитуючи  
 Заголовок повідомлення: Re: Флудилка 2
#119949Повідомлення 01 лип 2021, 07:59 
Не в мережі

Звідки: Днепр
Дякував (ла) 1187 Подякували 1175
Ток писав(ла):
Для таких переключений ставится обвычный галетный переключатель с соответсвующей коммутацией его контактов и включай сразу хоть на 220 релюхи, и не надо вообще никаких микросхем))))).

...та можно и вручную провода скручивать :lol: ,...но я ж писал для чего такая заморочка...
Просьба к адм. - создам наверное тему в соотв. разделе, перенесёте пожалуйста некоторые сообщения отсюда?!


Повернутися до початку
 Профіль  
Відповісти цитуючи  
#119985Повідомлення 02 лип 2021, 09:04 
Творець електромобіля
Не в мережі

Звідки: Ярославль
Дякував (ла) 0 Подякували 202
Мій електротранспорт: ВАЗ-2108 гибрид
Мне вот такая штучка нравится. Она обладает возможностями ардуино, но для ее программирования не надо знать языков программирования, достаточно логику понимать. Мне кажется, что на ее базе можно управлять даже силовой частью контроллера мотора постоянного тока и можно приспособить для управления контроллером лифа, например. Но у самого руки не доходят до электроники. Когда то скачал с их официального сайта эмулятор работы, все получалось программировать.
Додаткові файли:
Canny.jpg
Canny.jpg [ 154.72 КБ | Переглядів: 7370 ]

Додаткові файли:
блок схема.jpg
блок схема.jpg [ 98.39 КБ | Переглядів: 7370 ]


Повернутися до початку
 Профіль  
Відповісти цитуючи  
 Заголовок повідомлення: Re: Флудилка 2
#119987Повідомлення 02 лип 2021, 10:00 
Активіст форуму
Не в мережі

Звідки: Беловодск
Дякував (ла) 1 Подякували 27
Графических "написателей программ с помощью кубиков на экране ПК" - в мире десятки, но надо дать им еще ладу с чесанием репы (головы), а не всем это интересно колупаттся в void-ах, main-ax.


Повернутися до початку
 Профіль  
Відповісти цитуючи  
Показати повідомлення за:  Поле сортування  
Почати нову тему Відповісти на тему  [ Повідомлень: 107 ]              На сторінку Пред.  1, 2, 3, 4, 5 ... 8  Наступ.

Часовий пояс: UTC + 2 години


Хто зараз на конференції

Зараз цей форум переглядають: немає зареєстрованих користувачів і гості: 10


Ви не можете створювати нові теми
Ви не можете відповідати на повідомлення
Ви не можете редагувати свої повідомлення
Ви не можете видаляти свої повідомлення
Ви не можете додавати додаткові файли

Найти:
Створено на основі phpBB® Forum Software © phpBB Group