Поточний час: 30 жовт 2025, 22:42

Часовий пояс: UTC + 2 години



Почати нову тему Відповісти на тему  [ Повідомлень: 159 ]  На сторінку Пред.  1 ... 3, 4, 5, 6, 7, 8, 9 ... 11  Наступ.
Автор Повідомлення
 Заголовок повідомлення: Re: BLDC-двигатели (от diazdiaz, Никополь)
#9260Повідомлення 25 квіт 2015, 19:43 
Ветеран руху
Аватара користувача
Не в мережі

Звідки: Ukraine-Nikopol
Дякував (ла) 2 Подякували 21
Всем привет ! Вижу эта ветка снова ожила.
Цитата:
Интересно получилось у Диаза установить свой мотор на авто и какие результаты?

Цитата:
В журнале приведенном выше есть изображение рамы с установленным мотором, испытаний может еще не быть.

Некоторые пояснения ... мой только мотор, а авто заказчика мотора. С января от него небыло вестей. Я не знаю в каком состоянии его автомобиль с моим мотором.

_________________
http://www.en.net.ua/diaz


Повернутися до початку
 Профіль  
Відповісти цитуючи  
 Заголовок повідомлення: Re: BLDC-двигатели (от diazdiaz, Никополь)
#9388Повідомлення 30 квіт 2015, 21:53 
Голова клубу
Аватара користувача
Не в мережі

Звідки: Україна, Донецьк => Ірпінь
Дякував (ла) 6964 Подякували 2587
Мій електротранспорт: Tesla S
Хочу електротранспорт: е-панцирник
Ветка не ожила. Она постоянно на мушке. За ней следят по почте более 10 пользователей.

В общем все ждут результатов испытаний на электромобили.


Повернутися до початку
 Профіль  
Відповісти цитуючи  
 Заголовок повідомлення: Re: BLDC-двигатели (от diazdiaz, Никополь)
#16967Повідомлення 17 січ 2016, 11:00 
Власник електровелосипеда, член клубу
Аватара користувача
Не в мережі

Звідки: Київ, Свято́шинський
Дякував (ла) 300 Подякували 251
Мій електротранспорт: Бюджетный электровелик
Хочу електротранспорт: Tesla



Гордость за соотечественника распирает, но шож оно(статарное железо) так громко орёт! :o

можно соревноваться с ДВС , кто громче! :(


Повернутися до початку
 Профіль  
Відповісти цитуючи  
 Заголовок повідомлення: Re: BLDC-двигатели (от diazdiaz, Никополь)
#16968Повідомлення 17 січ 2016, 11:03 
Власник електровелосипеда, член клубу
Аватара користувача
Не в мережі

Звідки: Київ, Свято́шинський
Дякував (ла) 300 Подякували 251
Мій електротранспорт: Бюджетный электровелик
Хочу електротранспорт: Tesla
Alex Dnepr наверное на свою панду BLDC-шник присматривает :)




Повернутися до початку
 Профіль  
Відповісти цитуючи  
 Заголовок повідомлення: Re: BLDC-двигатели (от diazdiaz, Никополь)
#16972Повідомлення 17 січ 2016, 14:29 
Творець електромобіля
Аватара користувача
Не в мережі

Звідки: Украина, Киев
Дякував (ла) 260 Подякували 127
Звук такой что стоять рядом страшно)))


Повернутися до початку
 Профіль  
Відповісти цитуючи  
 Заголовок повідомлення: Re: BLDC-двигатели (от diazdiaz, Никополь)
#16976Повідомлення 17 січ 2016, 15:23 
Голова клубу
Аватара користувача
Не в мережі

Звідки: Україна, Донецьк => Ірпінь
Дякував (ла) 6964 Подякували 2587
Мій електротранспорт: Tesla S
Хочу електротранспорт: е-панцирник
Жаль, числовых результатов испытаний под нагрузкой нет. Видимо система мониторинга сделана сейчас в январе, а испытания были ещё летом. Ждём!


Повернутися до початку
 Профіль  
Відповісти цитуючи  
 Заголовок повідомлення: Re: BLDC-двигатели (от diazdiaz, Никополь)
#16979Повідомлення 17 січ 2016, 15:54 
Site Admin
Аватара користувача
Не в мережі

Звідки: город Киев
Дякував (ла) 420 Подякували 1149
Мій електротранспорт: Nissan Leaf
Там на стенде динамометр, тягу винта замеряет. Винт - тоже нагрузка.

_________________
Чем скуднее знания, тем категоричней суждения.

"Глупцы все, кто глупцами кажутся и половина тех, что не кажется". (Бальтасар Грасиан)


Повернутися до початку
 Профіль  
Відповісти цитуючи  
 Заголовок повідомлення: Re: BLDC-двигатели (от diazdiaz, Никополь)
#16984Повідомлення 17 січ 2016, 17:15 
Творець електромобіля, керівник відділення клубу
Аватара користувача
Не в мережі

Звідки: Кременчуг
Дякував (ла) 206 Подякували 171
Мій електротранспорт: пока нету
Хочу електротранспорт: оч хочу свой ...
А тяга по динамометру сколько получилась ? При первых экспериментах было 20кг - это почти ничего - на парапланах до 70 доходит , на том дельтике что в моей теме на фото есть около 200 . Друзъям-лётчикам показал видео - им тоже очень интересно стало !


Повернутися до початку
 Профіль  
Відповісти цитуючи  
 Заголовок повідомлення: Re: BLDC-двигатели (от diazdiaz, Никополь)
#16993Повідомлення 17 січ 2016, 17:40 
Ветеран руху
Аватара користувача
Не в мережі

Звідки: Ukraine-Nikopol
Дякував (ла) 2 Подякували 21
Приветствую всех, давно не виделись !
Цитата:
Гордость за соотечественника распирает, но шож оно(статарное железо) так громко орёт!

Во-первых орёт не статорное железо, а крышка ротора резонирует. Нужно было мне её потолще сделать. А во-вторых запись идёт в комнате ... эхо отражается от стен.
Цитата:
Alex Dnepr наверное на свою панду BLDC-шник присматривает

Алекс присматривает BLDC-мотор на свой автожир ;-)
(если имеется ввиду Алекс который на видео).
Цитата:
Звук такой что стоять рядом страшно)))

Мотор 25 кВт мощностью, страшно - не то слово.
Цитата:
Жаль, числовых результатов испытаний под нагрузкой нет. Видимо система мониторинга сделана сейчас в январе, а испытания были ещё летом. Ждём!

На летнем тесте (июль 2015) успели получить 30 кг тяги при 10 квт мощности, хотя угол лопастей был установлен маленький и до нужных оборотов не довели. Опираясь на тесты могу сказать что 3-х лопастный винт диаметром 1,3 м при мощности 25 квт выдаст до 90 кг тяги. Программа-терминал (на видео) была сделана вчера. Данные по тестам выложены на моём сайте
http://www.en.net.ua/diaz/emotor/?var=tests
Этим летом планирую нагрузить мотор по полной и получить всю возможную тягу.

_________________
http://www.en.net.ua/diaz


Повернутися до початку
 Профіль  
Відповісти цитуючи  
 Заголовок повідомлення: Re: BLDC-двигатели (от diazdiaz, Никополь)
#16999Повідомлення 17 січ 2016, 18:23 
Власник електровелосипеда, член клубу
Аватара користувача
Не в мережі

Звідки: Київ, Свято́шинський
Дякував (ла) 300 Подякували 251
Мій електротранспорт: Бюджетный электровелик
Хочу електротранспорт: Tesla
diazdiaz писав(ла):
Приветствую всех, давно не виделись !
Цитата:
Гордость за соотечественника распирает, но шож оно(статарное железо) так громко орёт!

Во-первых орёт не статорное железо, а крышка ротора резонирует. Нужно было мне её потолще сделать. А во-вторых запись идёт в комнате ... эхо отражается от стен.

Я подумал что это токи рассеивания(звон).., потому что конденсаторы у Вас на старой схеме контроллера вместо обратных диодов на ключах..:
Додаткові файли:
Блок мостовой.gif
Блок мостовой.gif [ 250.4 КБ | Переглядів: 7572 ]


Цитата:
Цитата:
Alex Dnepr наверное на свою панду BLDC-шник присматривает

Алекс присматривает BLDC-мотор на свой автожир ;-)
(если имеется ввиду Алекс который на видео).

Ээ...http://electricmobile.org.ua/forum/view ... f=40&t=715 , Алексей делать гирокоптер из своей Фиат Панды, будет ? :roll:


Повернутися до початку
 Профіль  
Відповісти цитуючи  
 Заголовок повідомлення: Re: BLDC-двигатели (от diazdiaz, Никополь)
#17001Повідомлення 17 січ 2016, 18:40 
Власник електровелосипеда, член клубу
Аватара користувача
Не в мережі

Звідки: Київ, Свято́шинський
Дякував (ла) 300 Подякували 251
Мій електротранспорт: Бюджетный электровелик
Хочу електротранспорт: Tesla



Додаткові файли:
post-35878-067602400 1384431436.png
post-35878-067602400 1384431436.png [ 215.67 КБ | Переглядів: 7567 ]

тут с диодами вроде потише ;)


Повернутися до початку
 Профіль  
Відповісти цитуючи  
 Заголовок повідомлення: Re: BLDC-двигатели (от diazdiaz, Никополь)
#17002Повідомлення 17 січ 2016, 18:47 
Ветеран руху
Аватара користувача
Не в мережі

Звідки: Ukraine-Nikopol
Дякував (ла) 2 Подякували 21
Цитата:
Я подумал что это токи рассеивания(звон).., потому что конденсаторы у Вас на старой схеме контроллера вместо обратных диодов на ключах..:

1.Конденсаторы стоят на контактах каждой вертикальной пары силовых транзисторов.
Гланое ставить их как можно ближе к корпусам транзисторов. Это необходимо чтобы избавится от мощных ВЧ помех, вызванных переключением полевиков. На моём сайте есть фото крупным планом как это реализуется на практике
Зображення
2.Обратные диоды находятся в корпусе полевиков (такая конструкция полевиков, если вы не в курсе). Кстати, это не обычные диоды, а защитные, так называемый supressor http://www.texnic.ru/books/electronika/007.html
3.Я не понял, как ток может звенеть ?

_________________
http://www.en.net.ua/diaz


Востаннє редагувалось diazdiaz 17 січ 2016, 19:03, редаговано 3 раз(а).

Повернутися до початку
 Профіль  
Відповісти цитуючи  
 Заголовок повідомлення: Re: BLDC-двигатели (от diazdiaz, Никополь)
#17004Повідомлення 17 січ 2016, 18:50 
Ветеран руху
Аватара користувача
Не в мережі

Звідки: Ukraine-Nikopol
Дякував (ла) 2 Подякували 21
Цитата:
тут с диодами вроде потише ;)

Тут потише потому, что конструкция мотора другая ... больше дюрали в роторе, поэтому не резонирует. И диоды тут ни при чём. Они выполняют функцию защиты от пробоя транзистора в случае перенапряжения на переходе Сток-Исток (Коллектор-Эммитер).

_________________
http://www.en.net.ua/diaz


Повернутися до початку
 Профіль  
Відповісти цитуючи  
 Заголовок повідомлення: Re: BLDC-двигатели (от diazdiaz, Никополь)
#17006Повідомлення 17 січ 2016, 19:11 
Творець електромобіля, член клубу
Не в мережі

Звідки: Украина.Кировоград
Дякував (ла) 640 Подякували 811
Мій електротранспорт: ЗАЗ 965
А можно подобное видео с максимальными оборотами что бы видно было обороты и ток ХХ ??


Повернутися до початку
 Профіль  
Відповісти цитуючи  
 Заголовок повідомлення: Re: BLDC-двигатели (от diazdiaz, Никополь)
#17009Повідомлення 17 січ 2016, 19:27 
Власник електровелосипеда, член клубу
Аватара користувача
Не в мережі

Звідки: Київ, Свято́шинський
Дякував (ла) 300 Подякували 251
Мій електротранспорт: Бюджетный электровелик
Хочу електротранспорт: Tesla
diazdiaz писав(ла):
Цитата:
Я подумал что это токи рассеивания(звон).., потому что конденсаторы у Вас на старой схеме контроллера вместо обратных диодов на ключах..:

1.Конденсаторы стоят на контактах каждой вертикальной пары силовых транзисторов.
Гланое ставить их как можно ближе к корпусу транзистора. Это необходимо чтобы избавится от мощных ВЧ помех, вызванных переключением полевиков. На моём сайте есть фото крупным планом как это реализуется на практике
[img]
http://www.en.net.ua/diaz/emotor/zipmanager.php?an=images/img_motor3.zip&fn=img_motor3/m3_f21_b.jpg
[/img]
2.Обратные диоды находятся в корпусе полевиков (такая конструкция полевиков, если вы не в курсе).
3.Я не понял, как ток может звенеть ?

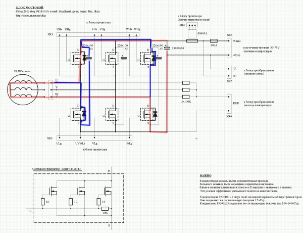
Звон, ток размагничивания с большим всплеском напряжения... Мне кажеться, у Вас конденсаторы на ключах служат для остановки высоковольтного импульса обратной ЭДС, который шпарит кода отключаются ключи фазы, ток резко останавливаясь уйдет в электромагнитное излучение.., возникнут колебания, т.к. есть межвитковая емкость ТЕ энергия рассеиваясь заставляет резонировать железо статора.
Как то так:
Додаткові файли:
Блок мостовой BIMF-01.jpg
Блок мостовой BIMF-01.jpg [ 1.75 МБ | Переглядів: 7555 ]

К стати не все ключи идут с диодом внутри.

А если (как мне кажется) позволить току ОЭДС течь более продолжительно через большую ёмкость на источнике (у Вас указано 33000х63), и продублировать встроенные еще и внешними диодами, то будет тише работать и экономнее.


Повернутися до початку
 Профіль  
Відповісти цитуючи  
Показати повідомлення за:  Поле сортування  
Почати нову тему Відповісти на тему  [ Повідомлень: 159 ]              На сторінку Пред.  1 ... 3, 4, 5, 6, 7, 8, 9 ... 11  Наступ.

Часовий пояс: UTC + 2 години


Хто зараз на конференції

Зараз цей форум переглядають: немає зареєстрованих користувачів і гості: 17


Ви не можете створювати нові теми
Ви не можете відповідати на повідомлення
Ви не можете редагувати свої повідомлення
Ви не можете видаляти свої повідомлення
Ви не можете додавати додаткові файли

Найти:
Створено на основі phpBB® Forum Software © phpBB Group