irde писав(ла):
Rakarskiy, неравномерный разряд элементов как устранить?
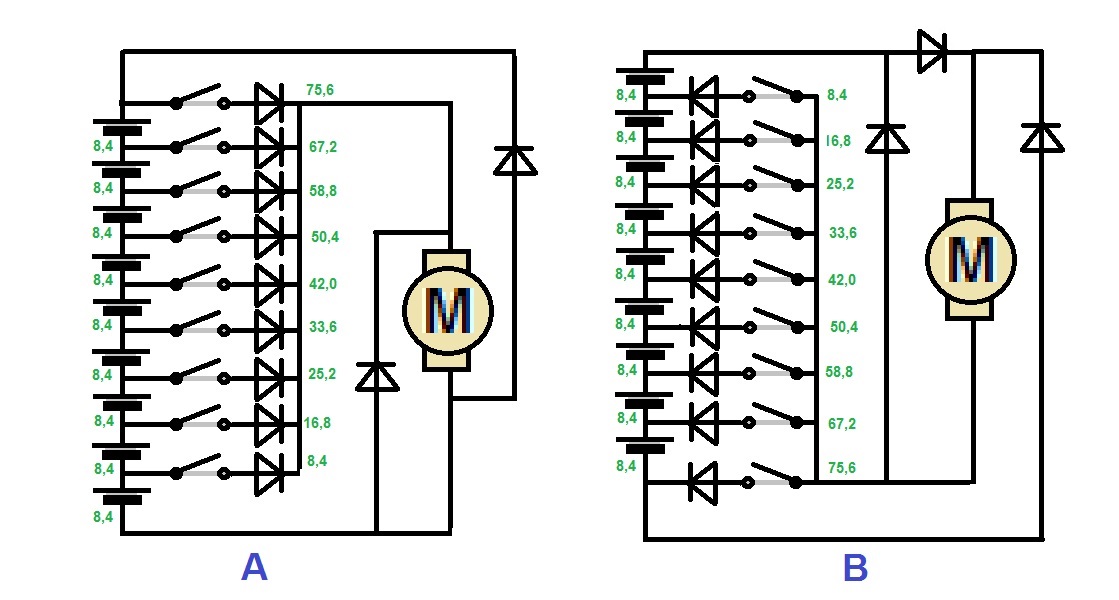
Да и наличие ключей и диодов , на которых будет потери .
в том то и сложность, но как управлялись электромобили конца 19 начала 20 века?

Тогда и диодов не было, в сети смотрел ролик как умелец свой первый электромобиль сделал на контакторах.
Насчет неравномерного разряда: очевидно-вероятно каждая секция должна иметь определенную емкость, так же есть такая байка как самовыравнивание заряда в батарее, но другой вопрос перегрева и сроков эксплуатации.
Насчет потерей на ключах и диодах они должны закладываться.
Вообще вопрос целесообразности. Я вообще стою на том чтобы принципиально делать другой мотор без магнитов и без встречного "полюсового" магнитного возбуждения. Только на замыкание потока. И еще электроприводу нужен механический способ изменения крутящего момента. пусть три позиции + задний ход но тогда электромотор можно трогать в холостом режиме. В одной переделке от коробки не отказались, но пришлось ставить керамическое сцепление.
ПС по нашим улицам ездит троллейбус, хоть кто нибудь пытался разобраться в системе его управления
http://tp5.narod.ru/Rul8.htm почему мы пытаемся смоделировать автомобиль а не использовать опыт электротранспорта.