Поточний час: 16 трав 2026, 14:08

Часовий пояс: UTC + 2 години


Правила форума


Тільки проекти, у які вкладено гроші. Решту просимо публікувати у"Концепції та ідеї"


Почати нову тему Відповісти на тему  [ Повідомлень: 42 ]  На сторінку Пред.  1, 2, 3  Наступ.
Автор Повідомлення
 Заголовок повідомлення: Re: ЭлТрабант
#61604Повідомлення 01 лип 2018, 15:48 
Не в мережі

Звідки: Днепр
Дякував (ла) 1226 Подякували 1238
...да,действительно подрамник коротковат. Не знаю,какой мотор стоял на вашем авто. Дело в том,что если 2х цилиндровый "коротыш", то он длиной с кпп и опора его крепления соответствует всему силовому агрегату. Ваш эл.мотор намного длиннее, и вынос ему добавляет ещё и переходная плита. Поэтому он висит с большой консолью. Может авто с 4х цилиндровыми моторами имели другой подрамник?
alabin писав(ла):
Посоветуйте что нибудь без сварки и резки

...Я бы с радостью,но ничего "малозатратного" в голову не приходит...видимо самые простые это "бандажные" варианты с хомутом или шпилькой (как у вас). Но мне лично они не нравятся - лучше идти более трудоемким и затратным путем (резать,варить,сверлить,изготавливать новые кронштейны и т.д.),но более правильным. Это моё мнение, без претензий на истину...


Повернутися до початку
 Профіль  
Відповісти цитуючи  
 Заголовок повідомлення: Re: ЭлТрабант
#61673Повідомлення 02 лип 2018, 20:30 
Творець електромобіля
Аватара користувача
Не в мережі

Звідки: Украина Киев
Дякував (ла) 28 Подякували 114
Мій електротранспорт: Trabant 601S electro в постройке
Подрамник у 4 тактного мотора трабанта 1.1 и правда другой. Но там другое кпп, усиленые стаканы и элементы корпуса. И другая подвеска с амортизаторами, дисковыми тормозами и пружинами вместо рессор. Подвеска 1.1 очень похожа на подвески современных авто. Много сходств с фольксвагеном. Диски дисковых тормозов, суппорта, и помоему цапфа подходят от первого и второго гольфа.


Повернутися до початку
 Профіль  
Відповісти цитуючи  
 Заголовок повідомлення: Re: ЭлТрабант
#61685Повідомлення 03 лип 2018, 00:54 
Аватара користувача
Не в мережі

Звідки: Болгария
Дякував (ла) 14 Подякували 31
Мій електротранспорт: Строю свой ЭлектроТрабант
Хочу електротранспорт: Trabant
:winken:
Наверное снесу тяговый обух и на его месте поставлю "П" образный профил 30/15 и через него согнутую шпильку. Усилие стягивания с рамы будет не менее 2000Н. Если во время натяга начнет коробится П увеличим профиль. Мотор вместе с КПП теперь одно целое и центр тяжести мотора+переходника в плоскости передних болтов башмаков. Они над рамой. Мотор не будет подниматься. Масса мотора вместе с переходником 60 кг. То, что не знаю ето сколько g в машинах бывает когда тормозятся при максимального сцепления с дороги. Тут у меня получается порядка 3g сила трения. Еще раз перепроверю. Можно сделать кое какие усиления, но все после выхода из гаража. Пока! :)


Повернутися до початку
 Профіль  
Відповісти цитуючи  
 Заголовок повідомлення: Re: ЭлТрабант
#61689Повідомлення 03 лип 2018, 08:20 
Не в мережі

Звідки: Днепр
Дякував (ла) 1226 Подякували 1238
XAOYAG писав(ла):
Подвеска 1.1 очень похожа на подвески современных авто.

...а я-то думаю,чего на некоторых картинках стойки фигурируют?! Это да,хороший вариант для Трабанта. Вот-бы нашему Льву такую ;) ...


Повернутися до початку
 Профіль  
Відповісти цитуючи  
 Заголовок повідомлення: Re: ЭлТрабант
#61693Повідомлення 03 лип 2018, 09:59 
Аватара користувача
Не в мережі

Звідки: Болгария
Дякував (ла) 14 Подякували 31
Мій електротранспорт: Строю свой ЭлектроТрабант
Хочу електротранспорт: Trabant
:winken:
1.1 можно сказать мечта трабантиста електромобилиста. Нет ресорных пружин в МО и место дом построить. Тормоза передние дисковые, КПП на 5300 оборотов, как раз для Костова. Да и мотор тежалее 601-го, что дает еще веса для усвоения. Одним словом мечта. Жаль что не успели побольше выпустить. Самое ценное по мне передние дисковые тормоза.
И без литературы никуда.:)
Есть описание для шофера у меня на немецком с фотками как положено, но обем в 5 МБ а пускает всего 4 МБ. Не занаю что сделать. На старом акробате можно было разделить на 2 файла, но на этим никак.


Повернутися до початку
 Профіль  
Відповісти цитуючи  
 Заголовок повідомлення: Re: ЭлТрабант
#61705Повідомлення 03 лип 2018, 15:06 
Творець електромобіля, член клубу
Аватара користувача
Не в мережі

Звідки: Харьков
Дякував (ла) 140 Подякували 133
Мій електротранспорт: Безлошадный
Хочу електротранспорт: Наш отечественный электромобиль!!!
Доброе время суток!
А не подскажет автор такой меркантильный вопрос, сколько стоит такой роскошный двигатель и где брали если не секрет?

_________________
http://controllers.emkit.net


Повернутися до початку
 Профіль  
Відповісти цитуючи  
 Заголовок повідомлення: Re: ЭлТрабант
#61711Повідомлення 03 лип 2018, 16:15 
Аватара користувача
Не в мережі

Звідки: Болгария
Дякував (ла) 14 Подякували 31
Мій електротранспорт: Строю свой ЭлектроТрабант
Хочу електротранспорт: Trabant
:winken:
Завод продает даже здесь в Болгарии по цене 1300$ как и написано в сайте завода. Я ходил к ним умолял уступить в цене но не получилось. Готов был даже по 1300 купить, но они не ожидали и сказали что нет на складе и линию надо настроить на их производства но заявки пока нет достаточно и т.д. Тогда другой ентусиаст продал как б.у. на 800$. Он сначала думал одно затем пошел другим путьем и двигатель остался. Беушный как то но не использованный. Долго не думал и взял. Вот и вся история.
Вы второй спрашивающий об этом. Надеюсь до конца лета пустить хоть пробно трабуху, посмотрим на его динамику и поведение в целом. А если не начали мое мнение не заморачивайтесь ДС=. Есть паралельного возбуждения SepEx с возможностью для рекуперации. А наконец поставьте АСД как у Вячеслава М. Будущее там. И самое последнее купите себе заводский электромобиль б.у. Если надо поменяйте батарейку и ехайте на здоровье.
Как то так :)


Повернутися до початку
 Профіль  
Відповісти цитуючи  
 Заголовок повідомлення: Re: ЭлТрабант
#61773Повідомлення 04 лип 2018, 19:37 
Творець електромобіля
Аватара користувача
Не в мережі

Звідки: Украина Киев
Дякував (ла) 28 Подякували 114
Мій електротранспорт: Trabant 601S electro в постройке
Купить много денег надо и сразу, а такого не у всех есть, если охота ездить то да, а если охота сделать то чего не у кого нет то да, стоит начать. Зато сделать можно именно то и именно так как хочется.
Ходовая у трабанта и правда неплохо сделана, но меня не устраивают саилентблоки, а точнее их размер, будь они побольше ходовая была бы помягче. Дисковые тормоза не проблема, от гольфа второго становятся диски и суппорта, надо только пластину переходник у фрезеровщика заказать, остальное можно купить. А то в германии два переходника сто евро стоят. А набор с дисками переходниками и суппортами с колодками 550.
По этому переходят на ваз, дешево и сердито, и как мне кажется невсегда качественно и долговечно. Но работоспособно.


Повернутися до початку
 Профіль  
Відповісти цитуючи  
 Заголовок повідомлення: Re: ЭлТрабант
#61779Повідомлення 04 лип 2018, 21:17 
Аватара користувача
Не в мережі

Звідки: Болгария
Дякував (ла) 14 Подякували 31
Мій електротранспорт: Строю свой ЭлектроТрабант
Хочу електротранспорт: Trabant
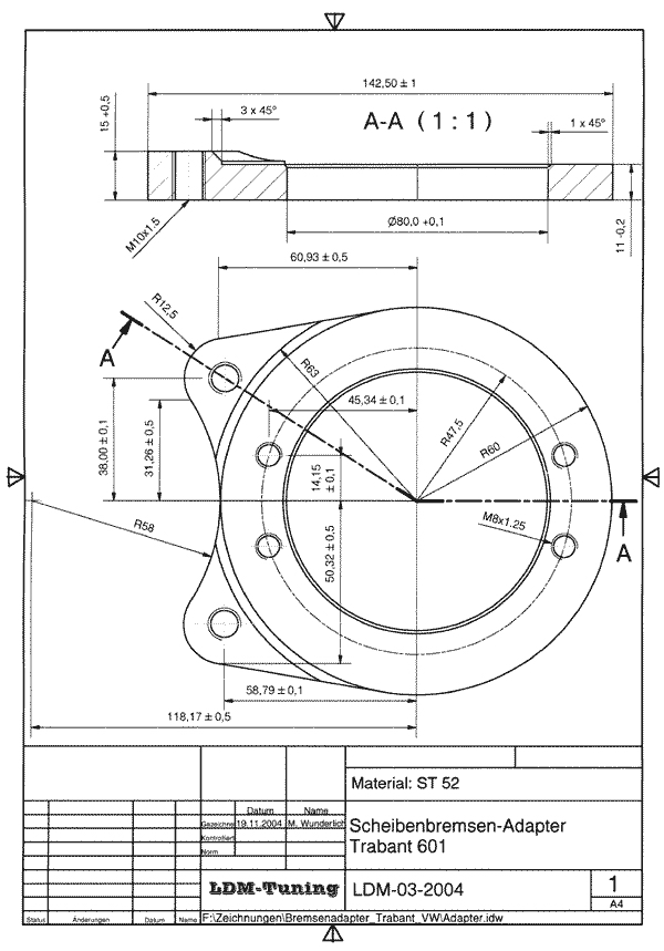
Тут у меня нашелся чертеж переходной плиты для трабанта на дисковые. Говорили от Поло Фольксвагенского.
Сегодня попробовал нового метода питания катушки контактора по идеи Алекса Тийм. 5400мф конденсатор не помог и коротковременно шунтировал лампочку в 10Вт. Катушка сработала, отпустил шунт, осталась включена. затем поменял лампочку на 5Вт. Опять катушка не отпустила. Напряжение на клемах лампочки 10.75V, на катушки 1,80V. Ток через контура 0.33А. Контактор вообще не греется. Наверное надо замерить при каких стоимостях напряжения и тока катушка отпустит и ниже, чем в 2 раза не опускаться чтоб гарантироваться против отключений при вибраций и сотрясений машины.


Додаткові файли:
Коментарій до файлу: Переходная плита для дисковых тормозов Трабанта. Не знаю такие ли стоят у Трабанта 1.1 с Поло или это Гольфовские?
811182_orig.jpg
811182_orig.jpg [ 173.3 КБ | Переглядів: 10781 ]
Повернутися до початку
 Профіль  
Відповісти цитуючи  
 Заголовок повідомлення: Re: ЭлТрабант
#61838Повідомлення 05 лип 2018, 18:01 
Аватара користувача
Не в мережі

Звідки: Болгария
Дякував (ла) 14 Подякували 31
Мій електротранспорт: Строю свой ЭлектроТрабант
Хочу електротранспорт: Trabant
Тут есть кое что:
https://www.trabantwelt.de/Trabant-601:::22.html


Повернутися до початку
 Профіль  
Відповісти цитуючи  
 Заголовок повідомлення: Re: ЭлТрабант
#61994Повідомлення 08 лип 2018, 10:31 
Аватара користувача
Не в мережі

Звідки: Болгария
Дякував (ла) 14 Подякували 31
Мій електротранспорт: Строю свой ЭлектроТрабант
Хочу електротранспорт: Trabant
:winken:
Оказалось, что сопротивление лампочки в 5Вт слишком большое и ПАД на ней высок.Не "остается" для катушки. 1.8 В на клемах катушки в спокойном режиме удерживает катшку, но слабо и при включении указателей поворота катушка отпадает не говоря о включении коротких. При том напряжение "сети" ниже 12 не уходило. Источник импулсьный. Поставил 10Вт лампочку . Удержалась катушка и при долгих с включенной сигнализации "алярм". Пока остановимся на 10Вт лампочки, так как контактор в течении 2 часов "телесную" температуру не превзошел, при жаре в гараже выше 30 С. Контактор болгарский DW180:
http://dina.domino.bg/index_ru.htm


Повернутися до початку
 Профіль  
Відповісти цитуючи  
 Заголовок повідомлення: Re: ЭлТрабант
#63146Повідомлення 27 лип 2018, 13:04 
Аватара користувача
Не в мережі

Звідки: Болгария
Дякував (ла) 14 Подякували 31
Мій електротранспорт: Строю свой ЭлектроТрабант
Хочу електротранспорт: Trabant
:winken:
Вопрос ко всем трабантоводам и знатокам:
Ребята, есть ли такая машина у которой внешные шлицы (которые в колесе) ШРУСов совпадают с трабантовскими? :wallbash:


Повернутися до початку
 Профіль  
Відповісти цитуючи  
 Заголовок повідомлення: Re: ЭлТрабант
#63315Повідомлення 30 лип 2018, 22:15 
Творець електромобіля
Аватара користувача
Не в мережі

Звідки: Украина Киев
Дякував (ла) 28 Подякували 114
Мій електротранспорт: Trabant 601S electro в постройке
Ну раз пошла такая пьянка....
Не грех упомянуть про разные варианты.
Если вы хотите менять кпп то вам в первую очередь стоит думать о том какие шрусы стоят в ней по тому как именно их и сращивать с родными.
Если уж надумали менять то присмотрите что то близкое по габаритам например матиз а вось много пилить и строгать не прийдется
Или дешевое например шрусы от 2107-09.
На сколько я знаю становится только ступица гольфа второго без переделок, но это не точно. Значит и шрусы с него должны идти
Но я думаю вам проще написать вашу проблемму тогда мы сможем вам много подсказать

https://www.ldm-tuning.de/trabant_601/t ... eite_3.htm. Тут есть немного подсказок, ступица от гольфа первого, шрус так же


Повернутися до початку
 Профіль  
Відповісти цитуючи  
 Заголовок повідомлення: Re: ЭлТрабант
#63334Повідомлення 31 лип 2018, 08:34 
Не в мережі

Звідки: Днепр
Дякував (ла) 1226 Подякували 1238
alabin писав(ла):
у которой внешные шлицы (которые в колесе) ШРУСов совпадают с трабантовскими?

...для первоначальной "прикидки" достаточно знать кол-во шлицов и диаметр. В большинстве описаний ШРУСов эти данные указываются. Но в 100% попадает не всегда...


Повернутися до початку
 Профіль  
Відповісти цитуючи  
 Заголовок повідомлення: Re: ЭлТрабант
#63337Повідомлення 31 лип 2018, 08:58 
Творець електромобіля, член клубу
Аватара користувача
Не в мережі

Звідки: Запорожье
Дякував (ла) 415 Подякували 1019
Мій електротранспорт: ROVER 75
Хочу електротранспорт: электробус
я ставил все от ваза...шрус-ступица-тормоза-колеса...но лучше поставить что-то фирменное,так как шрусы и полуоси не годятся...подшипник почти универсальный)))))))))) подходит много от чего...
единственный момент в этом всем- пришлось приварить к кулаку ухо для крепления тормозного суппорта,но это не проблема...зато имеем дисковые трмоза и более легкий узел,ну и ремонтовозможность возрастает...
viewtopic.php?f=26&t=1985&start=825 вот тут на странице в моей теме есть фотки узла

_________________
подтягивайтесь на страничку
https://www.facebook.com/Create-your-el ... 8811748137
постараюсь чтобы было интересно!


Повернутися до початку
 Профіль  
Відповісти цитуючи  
Показати повідомлення за:  Поле сортування  
Почати нову тему Відповісти на тему  [ Повідомлень: 42 ]              На сторінку Пред.  1, 2, 3  Наступ.

Часовий пояс: UTC + 2 години


Хто зараз на конференції

Зараз цей форум переглядають: немає зареєстрованих користувачів і гості: 26


Ви не можете створювати нові теми
Ви не можете відповідати на повідомлення
Ви не можете редагувати свої повідомлення
Ви не можете видаляти свої повідомлення
Ви не можете додавати додаткові файли

Найти:
Створено на основі phpBB® Forum Software © phpBB Group