Поточний час: 05 трав 2026, 22:31

Часовий пояс: UTC + 2 години



Почати нову тему Відповісти на тему  [ Повідомлень: 162 ]  На сторінку Пред.  1, 2, 3, 4, 5, 6, 7 ... 11  Наступ.
Автор Повідомлення
#90259Повідомлення 11 вер 2019, 18:53 
Активіст форуму
Аватара користувача
Не в мережі

Звідки: Троицк
Дякував (ла) 69 Подякували 105
Микроватт, вы сослались на мое сообщение где мы ведем речь о ШИМ с СРМотор, я вам ответил что в данной схеме - чтобы не палить транзисторы питайте ее не от батареи (генератора напряжения) а от генератора тока.

Не надо сюда приаттачивать все страницы темы. Все контроллеры питаются от генератора напряжения.

_________________
-----------------------------------------------------------------------
Лучше сразу взяться за ум, чтобы потом не хвататься за голову!


Повернутися до початку
 Профіль  
Відповісти цитуючи  
#90281Повідомлення 11 вер 2019, 23:29 
Не в мережі

Звідки: Запорожье
Дякував (ла) 115 Подякували 193
Мій електротранспорт: -
Хочу електротранспорт: -
танго писав(ла):
мое сообщение где мы ведем речь о ШИМ с СРМотор, я вам ответил что в данной схеме - чтобы не палить транзисторы питайте ее не от батареи (генератора напряжения) а от генератора тока.
Все контроллеры питаются от генератора напряжения.

Понимаю, объяснять саперу что у атомной бомбы нет бикфордова шнура бесполезно. Но все-таки.
Контроллер это же и есть генератор тока! Ваша схема просто бессмысленна. Что она делает или должна делать вдобавок к генератору тока?
Вы просто пытаетесь убедить себя и других, что можно уменьшить амплитуду пульсаций тока от батареи, включив на входе контроллера фильтр? Ну, да, частично можно, но эти фильтры делаются вовсе не так, как вы это предлагаете.
Тиристорами зачем-то повеселили, дарлингтонами.....
Чего вас потянуло на азартные дискуссии по вопросам от вас очень далеким?
Спросить - не зазорно , объяснят кто действительно в этом вопросе разобрался хоть как-то. Я тоже спрашиваю или просто читаю что говорят по множеству вопросов знающие люди, люди, имеющие практический опыт. Но агрессивно нести чепуху - некрасиво просто.


Повернутися до початку
 Профіль  
Відповісти цитуючи  
#90291Повідомлення 12 вер 2019, 11:16 
Активіст форуму
Аватара користувача
Не в мережі

Звідки: Троицк
Дякував (ла) 69 Подякували 105
Микроватт, я вам за попа (за ШИМ) - вы за попову дочку (за всю тему ветки)!!!!

Сосредоточьтесь, не рассеивайтесь на взагали.

Вам демпинговая себестоимость контроллера на тиристоре не нравится?
Как говорится в таких случаях: "....ничего личного, всего лишь бизнес..." :freu2:

Через пару - тройку деньков будет следующий релиз этой же схемы но уже на полевиках.
Три полевика впараллель для начала я думаю хватит для постоянной мощности 30 КВт. (100 - 150 вольт., 300 ампер).

_________________
-----------------------------------------------------------------------
Лучше сразу взяться за ум, чтобы потом не хвататься за голову!


Повернутися до початку
 Профіль  
Відповісти цитуючи  
#90354Повідомлення 12 вер 2019, 20:40 
Site Admin
Аватара користувача
Не в мережі

Звідки: город Киев
Дякував (ла) 423 Подякували 1180
Мій електротранспорт: Nissan Leaf
Ох, танго, я б советовал прислушаться к Микроватту, и к другим тоже. :ja:
Тут очень трудно кого напугать недорогим и эффективным контроллером, потому как уже неоднократно это проходили... обычно заканчивается громким пшиком!.. :D

_________________
Чем скуднее знания, тем категоричней суждения.

"Глупцы все, кто глупцами кажутся и половина тех, что не кажется". (Бальтасар Грасиан)


Повернутися до початку
 Профіль  
Відповісти цитуючи  
#90400Повідомлення 13 вер 2019, 01:10 
Власник електровелосипеда
Не в мережі

Звідки: Киев
Дякував (ла) 243 Подякували 617
Мій електротранспорт: Ё
на Яндексе есть услуга "Генератор рефератов" :D
А на этом форуме есть Танго , который генерирует схемы любых девайсов , такие же бессмысленные как и рефераты яндекса
:D :D

_________________
Э-вел,3 кВт Quanshun,Келли 200А,ли-ион,3.2кВтЧ,(LG 48АЧ, 21S) , max 75 км\ч, > 60 000 км


Повернутися до початку
 Профіль  
Відповісти цитуючи  
#90403Повідомлення 13 вер 2019, 02:44 
Не в мережі

Звідки: Запорожье
Дякував (ла) 115 Подякували 193
Мій електротранспорт: -
Хочу електротранспорт: -
танго писав(ла):
Микроватт, я вам за попа (за ШИМ) - вы за попову дочку (за всю тему ветки)!!!!
Сосредоточьтесь, не рассеивайтесь на взагали.
Три полевика впараллель для начала я думаю хватит для постоянной мощности 30 КВт. (100 - 150 вольт., 300 ампер).

Да я уже давно сосредоточился и жду ваших публикаций, как очередного номера журнала "Крокодил".
Три транзистора? Ну, рисуйте сколько на листе поместится. Какая разница, похоже, вы и одного никогда не включали в реальности.
Хотя, для "демпинговой себестоимости" количество имеет существенное значение.
Какого типа транзисторы собираетесь нарисовать? Понятно, что полевые, название их точное интересно.


Повернутися до початку
 Профіль  
Відповісти цитуючи  
#90406Повідомлення 13 вер 2019, 03:32 
Власник електровелосипеда, член клубу
Аватара користувача
Не в мережі

Звідки: Київ, Свято́шинський
Дякував (ла) 300 Подякували 251
Мій електротранспорт: Бюджетный электровелик
Хочу електротранспорт: Tesla
SRMotor писав(ла):
...
Запасенная энергия в индуктивности, при правильной работе это 50% работы мотора на 50% шима.
если ее не использовать, то вы или теряете 50% или греете ней шунтирующий диод. чтобы вернуть ее в батарею. нужно городить регенеративный снабер , просто так она сама не потечет через закрытый ключ. ...

Ээ.. а как же рекуперативное торможение?! ;)
Некоторые кто ставили градусник в моторколесо ~1Квт. смотрят насколько быстрее оно прогревается при рек.торможении (c kely kls7230) чем от набора скорости и удивляются ... Хотя в то же время говорят что на 3Квт. миддрайве такой-же контроллер даёт от реккуперации существенную прибавку энергии при не большом нагревании мотора... Значит КПД рекуперативного торможения сильно зависит от мощности мотора , у слабого он такой-же как у dc/dc повышайки работающей на большое выходное с малым входным напряжением ( ужь лучше колодками пользоваться чем в 30° жару греть мотор). ...


Повернутися до початку
 Профіль  
Відповісти цитуючи  
#90431Повідомлення 13 вер 2019, 10:53 
Власник електровелосипеда
Не в мережі

Звідки: Киев
Дякував (ла) 243 Подякували 617
Мій електротранспорт: Ё
Вадим , МК при рекупе греется согласно отдаваемой мощности.
Если у меня в настройках Келли стоит 50А ток рекуперации , то в пересчете на мощность это ( 50А*80В = 4 кВт ) .
Естессно МК будет греться , точно так же как будто в него вливаются эти самые 4 кВт.
( и это все без учета КПД )

_________________
Э-вел,3 кВт Quanshun,Келли 200А,ли-ион,3.2кВтЧ,(LG 48АЧ, 21S) , max 75 км\ч, > 60 000 км


Повернутися до початку
 Профіль  
Відповісти цитуючи  
#90442Повідомлення 13 вер 2019, 13:12 
Активіст форуму
Аватара користувача
Не в мережі

Звідки: Троицк
Дякував (ла) 69 Подякували 105
Вадим писав(ла):
SRMotor писав(ла):
...
Запасенная энергия в индуктивности, при правильной работе это 50% работы мотора на 50% шима.
если ее не использовать, то вы или теряете 50% или греете ней шунтирующий диод. чтобы вернуть ее в батарею. нужно городить регенеративный снабер , просто так она сама не потечет через закрытый ключ. ...

Ээ.. а как же рекуперативное торможение?! ;)
Некоторые кто ставили градусник в моторколесо ~1Квт. смотрят насколько быстрее оно прогревается при рек.торможении (c kely kls7230) чем от набора скорости и удивляются ... Хотя в то же время говорят что на 3Квт. миддрайве такой-же контроллер даёт от реккуперации существенную прибавку энергии при не большом нагревании мотора... Значит КПД рекуперативного торможения сильно зависит от мощности мотора , у слабого он такой-же как у dc/dc повышайки работающей на большое выходное с малым входным напряжением ( ужь лучше колодками пользоваться чем в 30° жару греть мотор). ...


Ребята, видимо вам надо нарисовать течение тока в статоре при активной работе мотора.
Микроватт вам нарассказывал что статор это дроссель, а ведь это не совсем так (он работает и как трансформатор и как дроссель).
СРМмотор здесь в цитате говорит за работу мотора в режиме мотора а не рекуператора, тоже очень переусердствовал с "огромными" потерями. Потери там относительно мизерные.

Ясное дело что если мотор в режиме торможения не нагружен ничем (балластным сопротивлением) он рассеивает все сам на себя (а что же вы хотели?).
Об этом в даташите на ту же мс33035 написано ясно.

_________________
-----------------------------------------------------------------------
Лучше сразу взяться за ум, чтобы потом не хвататься за голову!


Повернутися до початку
 Профіль  
Відповісти цитуючи  
#90446Повідомлення 13 вер 2019, 13:57 
Власник електровелосипеда, член клубу
Аватара користувача
Не в мережі

Звідки: Запорожье
Дякував (ла) 298 Подякували 1100
Мій електротранспорт: >
Вадим писав(ла):
SRMotor писав(ла):
...
Запасенная энергия в индуктивности, при правильной работе это 50% работы мотора на 50% шима.
если ее не использовать, то вы или теряете 50% или греете ней шунтирующий диод. что бы вернуть ее в батарею. нужно городить регенеративный снабер , просто так она сама не потечет через закрытый ключ. ...
..Ээ.. а как же рекуперативное торможение?! ;) ...

А никак, этот ваш вопрос из вашей любимой серии
Вадим писав(ла):
...Самый лучший способ получить правильный ответ это задать ложное утверждение .

Режим рекуперации при торможении никаким боком не лепится к к тому что описал "SRMotor", что бы это понять достаточно посмотреть на схему и порисовать стрелочки протекания токов, энергия накопленная в индуктивности двигателя при создании тяги не может впрыгнуть в батарею, так как имеет обратный знак по току если сравнивать с энергией в индуктивности при торможении. Кстати это не для "Вадим" писано, а для тех кто умеет хотя бы схемы читать.

_________________
2 моноколеса, 2 электровела, 2 подводных буксира, надувной электро-каяк.


Повернутися до початку
 Профіль  
Відповісти цитуючи  
#90453Повідомлення 13 вер 2019, 15:24 
Творець електромобіля, член клубу
Не в мережі

Звідки: Украина
Дякував (ла) 117 Подякували 562
Мій електротранспорт: COOLON
Хочу електротранспорт: COOLON
В рекуперации, мы не тратим 50% энергии, а еще больше наращиваем, и когда звезды сходятся, ключи правильно комутируются, то энергия сливается в акум, как в режиме повышающего ДСДС

_________________
CEO COOLON MOTORS
Head Project "City Truck "COOLON"
https://coolonmotors.com


Повернутися до початку
 Профіль  
Відповісти цитуючи  
#90454Повідомлення 13 вер 2019, 15:37 
Власник електровелосипеда, член клубу
Аватара користувача
Не в мережі

Звідки: Київ, Свято́шинський
Дякував (ла) 300 Подякували 251
Мій електротранспорт: Бюджетный электровелик
Хочу електротранспорт: Tesla
Тро., процитированное мной фраза от СРмотор как я и сказал имеет отношение к токам рекуперации , что изображено на картинке синим цветом, почти так же на картинке красным цветом изображена работа фазных токов (во вложении), это нормальная работа контроллера с замыкатием реактивного (фазного) тока через ключ но если ключ "Та- " не оставлять открытым то реактивный ток пойдёт через "Da-" с большими потерями , почти всё пойдёт на нагрев... и я действительно сомневаюсь в том что рекуперативное торможение является эфективным (особенно на слабых моторах )в плане КПД , по сравнению с классической генерацией.
Это сообщение относится не столько к Трофиму как любому пользователю форума умеющему читать схемы.


Додаткові файли:
IMG-16d78f28522093d2836d7c4508c79983-V.jpg
IMG-16d78f28522093d2836d7c4508c79983-V.jpg [ 92.25 КБ | Переглядів: 10964 ]
IMG-c2aaf542ad0605c3bcfc30732e7732ee-V.jpg
IMG-c2aaf542ad0605c3bcfc30732e7732ee-V.jpg [ 90.67 КБ | Переглядів: 10963 ]
Повернутися до початку
 Профіль  
Відповісти цитуючи  
#90464Повідомлення 13 вер 2019, 18:15 
Активіст форуму
Аватара користувача
Не в мережі

Звідки: Троицк
Дякував (ла) 69 Подякували 105
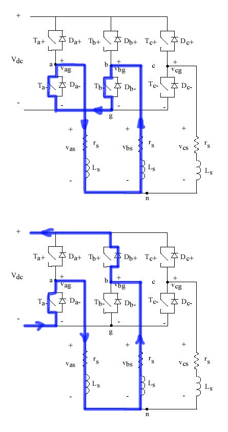
Ниже на рисунке показано как текут токи (по науке) на активной фазе периода ШИМ.

Эти рисунки для работы в режиме мотора (асинхронный двигатель).
На протяжении периода ШИМ ШИМится только один левый верхний транзистор (применительно к рисункам как пример).
Два нижних (средний и правый) открыты постоянно на всем периоде ШИМ.


Додаткові файли:
ШИМОВАНИЕ.JPG
ШИМОВАНИЕ.JPG [ 25.37 КБ | Переглядів: 10943 ]

_________________
-----------------------------------------------------------------------
Лучше сразу взяться за ум, чтобы потом не хвататься за голову!


Востаннє редагувалось танго 13 вер 2019, 19:56, редаговано 3 раз(а).
Повернутися до початку
 Профіль  
Відповісти цитуючи  
#90468Повідомлення 13 вер 2019, 19:13 
Активіст форуму
Аватара користувача
Не в мережі

Звідки: Троицк
Дякував (ла) 69 Подякували 105
Это пассиная фаза периода ШИМ.
Красные стрелочки - сбрасывающийся ток.


Додаткові файли:
Пасивная фаза ШИМования.JPG
Пасивная фаза ШИМования.JPG [ 25.84 КБ | Переглядів: 10937 ]

_________________
-----------------------------------------------------------------------
Лучше сразу взяться за ум, чтобы потом не хвататься за голову!
Повернутися до початку
 Профіль  
Відповісти цитуючи  
#90483Повідомлення 13 вер 2019, 22:22 
Власник електровелосипеда, член клубу
Аватара користувача
Не в мережі

Звідки: Запорожье
Дякував (ла) 298 Подякували 1100
Мій електротранспорт: >
Вадим писав(ла):
Тро., процитированное мной фраза от СРмотор как я и сказал имеет отношение к токам рекуперации...

Не имеет, совершенно, и именно он и я пытались это донести, но это бесполезно так же как и Сизифов труд. И тут сколько схем не рисуй, занятие останется бесполезным без прокачанного симулятора в голове.

танго писав(ла):
Два нижних (средний и правый) открыты постоянно на всем периоде ШИМ.

Одному мне кажется слегка ненормальным держать весь период в закоротке две фазы двигателя?

Может это.. не бросались бы сломя голову сразу схемами трехфазников понтоватся, а начали например со схемы управления двухпроводного коллекторного двигателя, так как его схема замещения по крайней мере свободно гуглится (а не имея схемы замещения двигателя на схеме или в голове, читать схемы с двигателем бесполезно)

_________________
2 моноколеса, 2 электровела, 2 подводных буксира, надувной электро-каяк.


Повернутися до початку
 Профіль  
Відповісти цитуючи  
Показати повідомлення за:  Поле сортування  
Почати нову тему Відповісти на тему  [ Повідомлень: 162 ]              На сторінку Пред.  1, 2, 3, 4, 5, 6, 7 ... 11  Наступ.

Часовий пояс: UTC + 2 години


Хто зараз на конференції

Зараз цей форум переглядають: немає зареєстрованих користувачів і гості: 11


Ви не можете створювати нові теми
Ви не можете відповідати на повідомлення
Ви не можете редагувати свої повідомлення
Ви не можете видаляти свої повідомлення
Ви не можете додавати додаткові файли

Найти:
Створено на основі phpBB® Forum Software © phpBB Group