Поточний час: 29 жовт 2025, 11:31

Часовий пояс: UTC + 2 години



Почати нову тему Відповісти на тему  [ Повідомлень: 12 ] 
Автор Повідомлення
 Заголовок повідомлення: Спидометр от датчика ABS
#95192Повідомлення 11 груд 2019, 11:35 
Не в мережі

Звідки: Днепр
Дякував (ла) 1184 Подякували 1175
Вопрос практически в названии темы...
Поскольку в радиоэлектронике я "неглубок" :ups: ,то может подскажете/посоветуете как реализовать устройство обрабатывающие сигнал с датчика АБС для подачи его на спидометр (электронный). По-хорошему - шо-б была возможность индивидуально калибровать соотношение импульсы-км/час.
Думал по аналогии с датчиками скорости...но там вроде сигналы с холлов,а датчики АБС индуктивные...


Повернутися до початку
 Профіль  
Відповісти цитуючи  
 Заголовок повідомлення: Re: Спидометр от датчика ABS
#95193Повідомлення 11 груд 2019, 11:57 
Активіст форуму
Не в мережі

Звідки: Днепр
Дякував (ла) 204 Подякували 81
Мій електротранспорт: пока нету
Хочу електротранспорт: очень хочу...
Спидометры хотят меандр с нужной частотой и амплитудой.
Индуктивные датчики их тоже обеспечивают.
Спидометры от датчиков скорости хотят от 3 до 5ти импульсов на один оборот колеса. С датчиком абс понадобится делитель частоты, на кольцах абс зубов гораздо больше.


Повернутися до початку
 Профіль  
Відповісти цитуючи  
 Заголовок повідомлення: Re: Спидометр от датчика ABS
#95194Повідомлення 11 груд 2019, 12:05 
Власник електровелосипеда
Аватара користувача
Не в мережі

Звідки: Херсон, Украина
Дякував (ла) 144 Подякували 141
Мій електротранспорт: Эл.вел 48В/500Вт
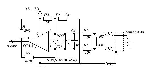
Вот одна из типовых схем сопряжения индуктивного датчика. На выходе - прямоугольные, практически симметричные, импульсы размахом от нуля до практически напряжения питания.
ОР1.1 - элемент спаренного компаратора LM393 (лучше LM2903). Неиспользуемые входы компаратора "землятся".


Додаткові файли:
форм.JPG
форм.JPG [ 24.59 КБ | Переглядів: 11887 ]
Повернутися до початку
 Профіль  
Відповісти цитуючи  
 Заголовок повідомлення: Re: Спидометр от датчика ABS
#95196Повідомлення 11 груд 2019, 13:21 
Не в мережі

Звідки: Днепр
Дякував (ла) 1184 Подякували 1175
MedvedUA писав(ла):
С датчиком абс понадобится делитель частоты,

...что (схематично) может представлять собой этот делитель?
igo61 писав(ла):
Вот одна из типовых схем

...как к этой схеме "прицепить" выше помянутый делитель?
MedvedUA писав(ла):
Спидометры от датчиков скорости хотят от 3 до 5ти импульсов на один оборот колеса.

...не совсем так, на 1 км. нужно получить 6004 импульса. Соотв. если взять к примеру размерность 195/65R15, то при его длине окр. около 1.99м получим 12 импульсов за оборот. Я сталкивался с датчиками скорости на 6 и 9 имп./об., но здесь есть ещё передат. отношение приводных шестерен привода спидометра...так шо на колесе (конкретно взятом) должно примерно выходить указанные 12 имп.
Кольцо АБС (точно не помню,надо посчитать) то-ли 32,то-ли 34 зуба. Соотв. нужен делитель ориентировочно на 2.5 - 2.8
...э-э...условных числа что-ли :D ... Правильно мыслю?!


Повернутися до початку
 Профіль  
Відповісти цитуючи  
 Заголовок повідомлення: Re: Спидометр от датчика ABS
#95197Повідомлення 11 груд 2019, 14:15 
Активіст форуму
Не в мережі

Звідки: Днепр
Дякував (ла) 204 Подякували 81
Мій електротранспорт: пока нету
Хочу електротранспорт: очень хочу...
Абсолютно правильная логика.
Делитель частоты http://vicgain.sdot.ru/spmikro/smikr28.htm

Спидометр планируется готовый заводской?


Повернутися до початку
 Профіль  
Відповісти цитуючи  
 Заголовок повідомлення: Re: Спидометр от датчика ABS
#95198Повідомлення 11 груд 2019, 14:28 
Власник електровелосипеда
Аватара користувача
Не в мережі

Звідки: Херсон, Украина
Дякував (ла) 144 Подякували 141
Мій електротранспорт: Эл.вел 48В/500Вт
Инженер писав(ла):
как к этой схеме "прицепить" выше помянутый делитель?
Будет известен делитель, прицепим к нему и формирователь, не проблема.

UPD: Если будут схемы из поста выше, от MedvedUA, то формирователь к ним подключается напрямую. Питается тоже от питания делителей.


Повернутися до початку
 Профіль  
Відповісти цитуючи  
 Заголовок повідомлення: Re: Спидометр от датчика ABS
#95203Повідомлення 11 груд 2019, 19:11 
Не в мережі

Звідки: Днепр
Дякував (ла) 1184 Подякували 1175
Парни, большущее спасибо! Очень смутно начинаю припоминать «юношеское радиолюбительствование» :lol: Хотя и тогда (а сейчас тем более) я сильно не вникал в логику и принципы всяких микросхем-транзисторов и правила построения схем и алгоритмов. Т.е. уже тогда, как среднестатистический инженер :lachtot: тупо выбирал нужные мне или моим запросам варианты устройств или схем и успешно (иногда не очень) воплощал их «в материальном виде».
Но то такое...
Теперь надо окончательно подбить все исходные данные,конкретно сформулировать задачу и...наглым образом просить «нарисовать всё это» в окончательном варианте...
MedvedUA писав(ла):
Спидометр планируется готовый заводской

...да вот тоже пока не решил...
Есть два варианта:
- комбинация приборов газ 31... так называемая «прибалтийская», очень неплоха по дизайну и довольно современна в исполнении.Модно Калибрующиеся при вкл. стрелки, зуммер , очень качественная подсветка, вобщем все дела... (снял с Нивы,пока она невостребована :D )
- отдельные спидометр и тахометр , хоть и «хенд мейд», но качество промышленное (в теме про Баркас по моему я их показывал)
Первый вариант хорошо (и практически без колхоза) становится в существующее пространство, со вторым надо «потрахаться», шо б красиво стало, но он изначально имеет возможность использования индуктивного датчика и соотв. программирования.
Вот и думаю...
Ещё раз спасибо за помощь и интерес к вопросу :winken:


Повернутися до початку
 Профіль  
Відповісти цитуючи  
 Заголовок повідомлення: Re: Спидометр от датчика ABS
#95209Повідомлення 11 груд 2019, 20:52 
Активіст форуму
Не в мережі

Звідки: Днепр
Дякував (ла) 204 Подякували 81
Мій електротранспорт: пока нету
Хочу електротранспорт: очень хочу...
Если заводской - делители понадобятся обязательно.
Если хенд мейд то все зависит от его схемотехники, возможно изготовитель пойдет навстречу пожеланиям и попросту немного изменит прошивку под нужное количество импульсов.


Повернутися до початку
 Профіль  
Відповісти цитуючи  
 Заголовок повідомлення: Re: Спидометр от датчика ABS
#95210Повідомлення 11 груд 2019, 21:53 
Не в мережі

Звідки: Minsk, Great Litva
Дякував (ла) 129 Подякували 200
Так у некоторых автомобилей спидометр работает именно от датчиков абс. Вот например http://www.saabclub.su/forum/index.php? ... abs.21600/
У меня ланос с абс, помню мне их проверяли, простая елм-ка их не видит, чел подключил свой шнурок, ноутбук... Сели - поехали и на каждом колесе видна скорость.
Вот ещё https://www.doblo-club.ru/threads/signa ... -abs.4131/


Повернутися до початку
 Профіль  
Відповісти цитуючи  
 Заголовок повідомлення: Re: Спидометр от датчика ABS
#95211Повідомлення 11 груд 2019, 22:05 
Активіст форуму
Не в мережі

Звідки: Днепр
Дякував (ла) 204 Подякували 81
Мій електротранспорт: пока нету
Хочу електротранспорт: очень хочу...
Это не новость, довольно много авто после 2000 г выпуска используют АБС датчики в таком качестве.
И скорее всего эти датчики основаны на холлах.


Повернутися до початку
 Профіль  
Відповісти цитуючи  
 Заголовок повідомлення: Re: Спидометр от датчика ABS
#95231Повідомлення 12 груд 2019, 09:18 
Не в мережі

Звідки: Днепр
Дякував (ла) 1184 Подякували 1175
Для меня это тоже не новость,просто есть необходимость на менее "продвинутом" доноре (с мех.приводом спидометра) реализовать другой принцип. Но вот про датчики АБС на холлах не слышал...врядли это так. Просто "мозг" обрабатывая доп.информацию (помимо блока АБС) формирует сигнал для спидометра. Часто всё это ещё связано с системой стабилизации.


Повернутися до початку
 Профіль  
Відповісти цитуючи  
 Заголовок повідомлення: Re: Спидометр от датчика ABS
#95233Повідомлення 12 груд 2019, 09:27 
Не в мережі

Звідки: Днепр
Дякував (ла) 1184 Подякували 1175
Есть корректировки по ТЗ:
- зубъев на ШРУС-ах все-таки не 32...и не 34 :D ..., а 44. Соответственно на один км. с датчиков АБС получим 22088 имп.
Т.е. для необходимых на выходе ус-ва 6004 имп./км нужен делитель на вход на 3.67-3.68. Не знаю насколько важно такое "дробное" деление и возможно-ли его получить...


Повернутися до початку
 Профіль  
Відповісти цитуючи  
Показати повідомлення за:  Поле сортування  
Почати нову тему Відповісти на тему  [ Повідомлень: 12 ]             

Часовий пояс: UTC + 2 години


Хто зараз на конференції

Зараз цей форум переглядають: немає зареєстрованих користувачів і гості: 4


Ви не можете створювати нові теми
Ви не можете відповідати на повідомлення
Ви не можете редагувати свої повідомлення
Ви не можете видаляти свої повідомлення
Ви не можете додавати додаткові файли

Найти:
Створено на основі phpBB® Forum Software © phpBB Group