Поточний час: 30 жовт 2025, 21:19

Часовий пояс: UTC + 2 години


Правила форума


Продавець повинен у першому ж пості чітко вказати, що продається, повні технічні характеристики, ціну, по можливості фото. У назві теми має бути коротка назва товару. Теми з назвою типу "Продам шикарний варіант" будуть відразу видаляться з попередженням автора. Обговорення бажано проводити у технічному розділі форуму за адресою http://electroavtosam.com.ua/forums/viewforum.php?f=29


Почати нову тему Відповісти на тему  [ Повідомлень: 51 ]  На сторінку Пред.  1, 2, 3, 4  Наступ.
Автор Повідомлення
#54793Повідомлення 24 бер 2018, 10:47 
Власник електровелосипеда
Не в мережі

Звідки: Киев
Дякував (ла) 243 Подякували 617
Мій електротранспорт: Ё
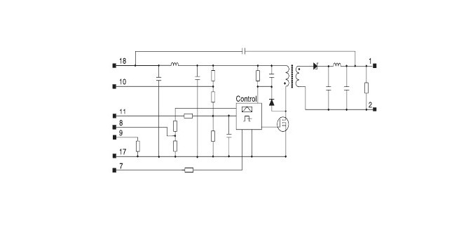
Вот схема из даташита ,

Додаткові файли:
2018-03-24 10 48 58.jpg
2018-03-24 10 48 58.jpg [ 16.67 КБ | Переглядів: 6860 ]



пож, дорисуйте куда чего и сколько подключать , для полной реализации возможностей микросхемы.

_________________
Э-вел,3 кВт Quanshun,Келли 200А,ли-ион,3.2кВтЧ,(LG 48АЧ, 21S) , max 75 км\ч, > 60 000 км


Повернутися до початку
 Профіль  
Відповісти цитуючи  
#54795Повідомлення 24 бер 2018, 12:07 
Власник електровелосипеда
Не в мережі

Звідки: Черниговская обл.
Дякував (ла) 8 Подякували 4
Мій електротранспорт: Электровелосипед, Электроскутера honda tact
Хочу електротранспорт: Nissan Leaf
В даташите пункт output voltage adjust. Для увеличения напряжения нужно замкнуть 8 и 9 ножки и подключить сопротивление от них на на17. Для уменьшения надо подключить сопротивление между 8 и 9. Формулы для расчета там есть. Для получения 12в нужно соединить 8 и 9 ножки и все. Попробую позже нарисовать.


Повернутися до початку
 Профіль  
Відповісти цитуючи  
#63647Повідомлення 06 серп 2018, 15:31 
Власник електровелосипеда
Не в мережі

Звідки: Черниговская обл.
Дякував (ла) 8 Подякували 4
Мій електротранспорт: Электровелосипед, Электроскутера honda tact
Хочу електротранспорт: Nissan Leaf
Подниму тему. Преобразователи есть в наличии.


Повернутися до початку
 Профіль  
Відповісти цитуючи  
#69984Повідомлення 19 лист 2018, 21:50 
Власник електромобіля
Не в мережі

Звідки: Марьинка
Дякував (ла) 405 Подякували 345
Хочу електротранспорт: Kia soul ev, но ищу лифа или зою
Доброго времени суток. Есть преобразователи 12в и 5в.?


Повернутися до початку
 Профіль  
Відповісти цитуючи  
#70001Повідомлення 20 лист 2018, 06:47 
Власник електровелосипеда
Не в мережі

Звідки: Черниговская обл.
Дякував (ла) 8 Подякували 4
Мій електротранспорт: Электровелосипед, Электроскутера honda tact
Хочу електротранспорт: Nissan Leaf
Добрый день!
Есть немного.


Повернутися до початку
 Профіль  
Відповісти цитуючи  
#70018Повідомлення 20 лист 2018, 11:29 
Власник електромобіля
Не в мережі

Звідки: Марьинка
Дякував (ла) 405 Подякували 345
Хочу електротранспорт: Kia soul ev, но ищу лифа или зою
Добрый день.какая цена 12в и 5 в преобразователей?


Повернутися до початку
 Профіль  
Відповісти цитуючи  
#80310Повідомлення 23 квіт 2019, 06:17 
Не в мережі

Звідки: ніжин
Дякував (ла) 0 Подякували 2
Мій електротранспорт: електро вело
Хочу електротранспорт: геликоптер(електро)
Доброго дня. на 12в, 5 в ще є?, яка ціна?


Повернутися до початку
 Профіль  
Відповісти цитуючи  
#80322Повідомлення 23 квіт 2019, 11:43 
Не в мережі

Звідки: Запорожье
Дякував (ла) 115 Подякували 193
Мій електротранспорт: -
Хочу електротранспорт: -
А какая выходная мощность? Из схемы этого не видно.


Повернутися до початку
 Профіль  
Відповісти цитуючи  
#80329Повідомлення 23 квіт 2019, 12:52 
Власник електровелосипеда
Не в мережі

Звідки: Киев
Дякував (ла) 243 Подякували 617
Мій електротранспорт: Ё
На первой странице даташит

_________________
Э-вел,3 кВт Quanshun,Келли 200А,ли-ион,3.2кВтЧ,(LG 48АЧ, 21S) , max 75 км\ч, > 60 000 км


Повернутися до початку
 Профіль  
Відповісти цитуючи  
#80354Повідомлення 23 квіт 2019, 19:53 
Власник електровелосипеда
Не в мережі

Звідки: Черниговская обл.
Дякував (ла) 8 Подякували 4
Мій електротранспорт: Электровелосипед, Электроскутера honda tact
Хочу електротранспорт: Nissan Leaf
Завтра посмотрю какие есть. Мощность от 6вт до 15вт. Но их можно соединять паралельно для увеличения мощности.


Повернутися до початку
 Профіль  
Відповісти цитуючи  
#80372Повідомлення 23 квіт 2019, 23:47 
Не в мережі

Звідки: Запорожье
Дякував (ла) 115 Подякували 193
Мій електротранспорт: -
Хочу електротранспорт: -
Плохой я смотрельщик темы, но спрошу еще - цена?
Это 10-ваттник на 12 В со входным до 75В, если я правильно понял.
Ну вроде 12В берут для освещения, а кому и для чего сдались 5-вольтовки?
------
ага, увидел, 25 грн?


Повернутися до початку
 Профіль  
Відповісти цитуючи  
#80374Повідомлення 24 квіт 2019, 04:05 
Власник електровелосипеда, член клубу
Аватара користувача
Не в мережі

Звідки: Запорожье
Дякував (ла) 295 Подякували 1091
Мій електротранспорт: >
Микроватт писав(ла):
.... а кому и для чего сдались 5-вольтовки?

Например телефон от лисапеда заряжать, или подзаряжать когда он на руле в режиме навигатора, а то с включенным экраном и ЖПС телефон может сесть еще до конца покатухи. Ну и видеорегистраторы всякие юсибишные. Кстати 5 вольтовка из за имеющегося токоограничения прекрасно работает будучи подключена напрямую к мощному светодиоду, такому как T6 например (т.е. готовый драйвер светодиода). У меня 2 фары на велике сейчас от этих преобразователей питаются, в одной светодиод напрямую к преобразователю припаян, а во второй стоит родной понижающий дряйвер, поэтому её я запитал уже от 12 вольтового преобразователя (версия на 10Вт).
Кстати как земляку могу подарить одну штуку для экспериментов, на 5 вольт(PKF4111A 5V/10W) или 12 вольт(PKF5713 +12V/7.8W), на выбор.

_________________
2 моноколеса, 2 электровела, 2 подводных буксира, надувной электро-каяк.


Повернутися до початку
 Профіль  
Відповісти цитуючи  
#80375Повідомлення 24 квіт 2019, 05:02 
Власник електровелосипеда, член клубу
Аватара користувача
Не в мережі

Звідки: Київ, Свято́шинський
Дякував (ла) 300 Подякували 251
Мій електротранспорт: Бюджетный электровелик
Хочу електротранспорт: Tesla
Родные зарядки телефона от АКБ 50--60в. хорошо работают


Повернутися до початку
 Профіль  
Відповісти цитуючи  
#80376Повідомлення 24 квіт 2019, 05:40 
Не в мережі

Звідки: Запорожье
Дякував (ла) 115 Подякували 193
Мій електротранспорт: -
Хочу електротранспорт: -
-=TRO=- писав(ла):
Микроватт писав(ла):
.... а кому и для чего сдались 5-вольтовки?


Кстати как земляку могу подарить одну штуку для экспериментов,

Спасибо. Это честно и по-пионерски!
Но дело в том, что я сам давно пеку, як пирожки, похожие DC-DC 36-72В с выходом 5х2А и 12х1А. Для кабельных интернетчиков.
Конечно не по 25грн, увы ):
То, что это люди еще где-то применяют для меня неожиданно.


Повернутися до початку
 Профіль  
Відповісти цитуючи  
#80403Повідомлення 24 квіт 2019, 18:51 
Власник електровелосипеда
Не в мережі

Звідки: Черниговская обл.
Дякував (ла) 8 Подякували 4
Мій електротранспорт: Электровелосипед, Электроскутера honda tact
Хочу електротранспорт: Nissan Leaf
Добрый вечер!
Есть такие преобразователи:
вх. 36-75в вых. 3.3в на 13вт - 2шт.
вх. 36-75в вых. 5в 15вт - 3шт.(28грн.)
вх. 38-72в вых. 5в 10вт - 1шт.
вх. 18-75в вых. 12в 11вт - 8шт.(28 грн.)


Повернутися до початку
 Профіль  
Відповісти цитуючи  
Показати повідомлення за:  Поле сортування  
Почати нову тему Відповісти на тему  [ Повідомлень: 51 ]              На сторінку Пред.  1, 2, 3, 4  Наступ.

Часовий пояс: UTC + 2 години


Хто зараз на конференції

Зараз цей форум переглядають: немає зареєстрованих користувачів і гості: 3


Ви не можете створювати нові теми
Ви не можете відповідати на повідомлення
Ви не можете редагувати свої повідомлення
Ви не можете видаляти свої повідомлення
Ви не можете додавати додаткові файли

Найти:
Створено на основі phpBB® Forum Software © phpBB Group