Продолжаю тему ЗАЗопечки на газу. На днях собрал систему зажигания на базе коммутатора, катушки, свечи и самое главное - модуля аварийного зажигания АЗ-2. Свеча искрит, с этим всё ОК.
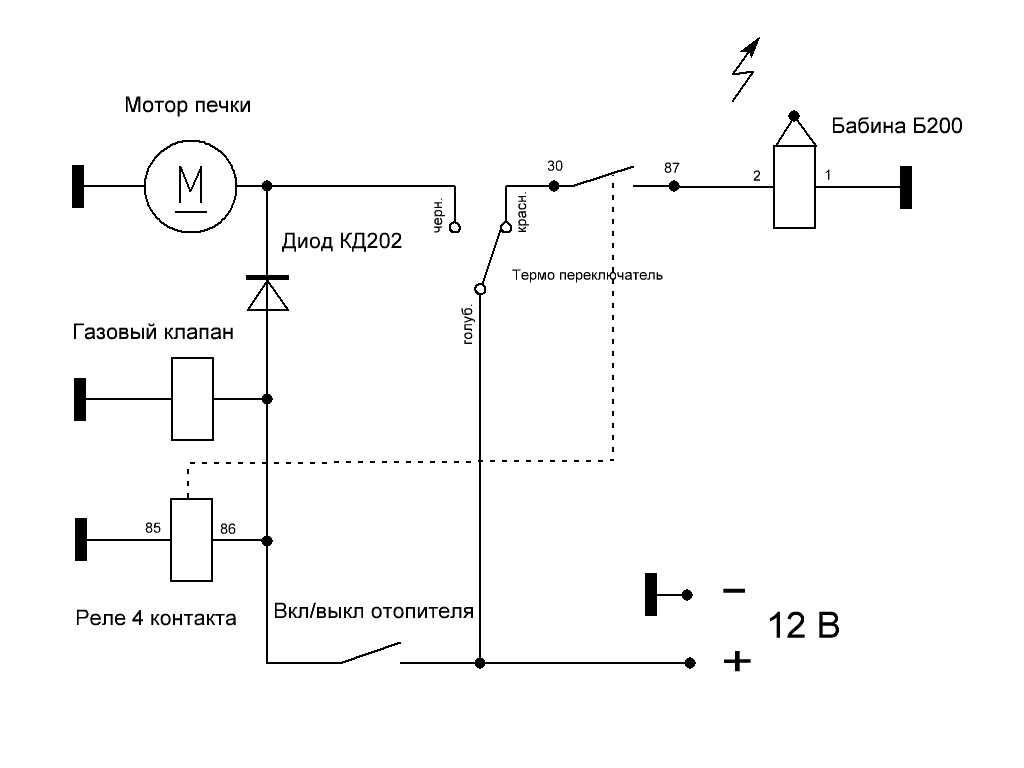
Токарю отдал болванку из латуни для изготовления переходников. И сегодня вечером решил допилить схему ЗАЗопечки с автоматической продувкой после выключения. Посмотрим как будет на практике)) А пока держите схему:
Додаткові файли:
			Коментарій до файлу: Схема подключения ЗАЗопечки на газу
		
			 ЗАЗопечка.JPG [ 98.36 КБ | Переглядів: 10658 ]
			ЗАЗопечка.JPG [ 98.36 КБ | Переглядів: 10658 ]
		
		
	 Немного поясню, что я тут накалякал...
1. ЗапускВключаем тумблер "ВКЛ/ВЫКЛ". Срабатывает 
Реле1, запускается вентилятор, электромагнитный клапан подачи газа, и система зажигания, через холодное термореле. Светодиодные индикаторы указывают на работу системы зажигания и электромагнитного клапана.
2. ПрогревПосле прогрева печки, термореле замыкается на землю. Тем самым отключается система зажигания и печка работает на самоподжиге. 
Реле2 не сработает до тех пор, пока мы не отключим 
Реле1.
3. Отключение печки и продувкаОтключаем тумблер "ВКЛ/ВЫКЛ", отключается 
Реле1. Постоянный плюс, через НЗ контакт 
87а Реле1 запитывает обмотку 
Реле2. Пока печка горячая, термореле замкнуто на минус. Соответственно срабатывает 
Реле2, и обеспечивает питание вентилятора для режима продувки. Как только термореле отключится, отключится и 
Реле2. Диод 10А10 обеспечивает защиту от ложного срабатывания 
Реле2, так как возможна утечка тока на массу через электромагнитный клапан во время когда термореле холодное, а тумблер "ВКЛ/ВЫКЛ" выключен.
В общем надо тестировать схемку))) 
p.s.
Александр.TUZ писав(ла):
У меня тоже Flatpack 1500, но в салоне под вторым рядом сидений. Хоть что то жужжит.. 
 
 Россава нормальная. Юзал пару лет на Фиат Уно. Сейчас тоже такая стоит на заднем мосту. 
 
 Моя ЗАЗовская печка работает во всю...Тепло и не дорого. А чито точить то собрались.Я вроде без токаря обошелся.  
 https://youtu.be/YObsVGpOZQg
https://youtu.be/YObsVGpOZQg    
Постарался автоматизировать то, что сделал Александр.TUZ