Dima писав(ла):
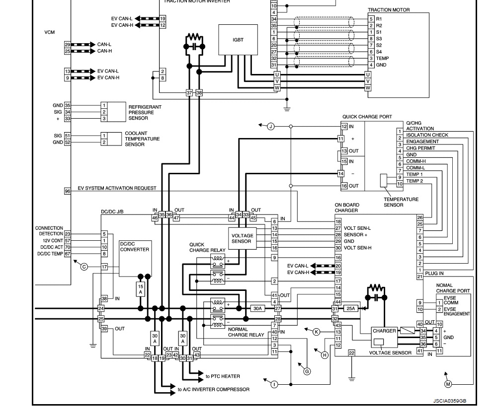
Силовой выход доп зарядки через комутатор тока и защиту будет подключено к акб.
На данный момент я рассматриваю параллельную работу штатной и доп зарядки.
Между штатной и доп зарядкой ,для управления последней устанавливается схема -пока что сделал тестовую плату и начал паять.
В силовую часть входят зарядные модули(можно от 60 до 100в).
Как я понял:
1) Выход дополнительного DC ЗУ подключается в параллель к силовым проводам,
идущим от бортового штатного ЗУ непосредственно к АКБ, правильно?
2) Т.е. штатная зарядка выдает 7 кВт мощности, и дополнительное ЗУ еще вкачивает свои около 20 кВт (22кВт х КПД ЗУ), так?
Т.к. дополнительное ЗУ предполагается запитывать от трехфазной сети, и потреблять по 32 А с каждой фазы,
то к чему, или на какую фазу надо подключать входной кабель щтатного ЗУ? Не возникнет ли перегрузки по этой фазе,
особенно если заряжаться на зарядных станциях, например на ОККО?
Думаю, что штатное ЗУ (его силовая часть) не должна использоваться в процессе зарядки.
3) Схема управления доп.ЗУ, и ее тестовая плата - интрига! Оперативно Вы реагируете, однако!
С нетерпением жду продолжения и результатов тестов!
4) По какой схеме планируете объединять силовые зарядные модули? XpYs - ?
Для получения напряжения на выходе 400В, неизбежно придется соединять последовательно
несколько блоков в гирлянду. Тут я присоединюсь к вопросу Вадима (Stalker_W):
Stalker_W писав(ла):
А вы как собираетесь добиваться баланса между блоками у которых 60-100В максимум?
т.е. каким образом можно добиться СИНХРОННОГО перехода ВСЕХ БЛОКОВ с режима CC в режим CV ???
Dima писав(ла):
Еще на тему часовой зарядки:Есть еще маленький нюанс-так как зарядные блоки имеют режим CC-CV,время зарядки еще будет больше-макс расчетная мощность заряда около 19,4квт,но это при напряжении 400в(то есть зарядка дает 48а 400в).Но при розряженой батареи (пускай будет 330в)ток тоже будет 48а(0,75С),а это уже 16кВт вкачиваемой мощности.
Но если зарядка будет переделана на стабилизацию мощности а не СС,то выдаваемая мощность будет стабильна .Но ток при 330в будет около 60а(1С)-думаем о сроке службы акб...
Абсолютно правильное предупреждение!
Для наглядности, решил положить Ваши мысли на бумагу, получилось вот что:
Додаткові файли:
2016,02,10,-График заряда аккумулятора-003.jpg [ 188.38 КБ | Переглядів: 12403 ]
Вопросы:
1) насколько реально переделать зарядку на режим стабилизации мощности, чтобы в течение ВСЕГО СРОКА ЗАРЯДА
аккумулятора потреблять от зарядной станции (от трехфазной розетки) допустимые 22кВт мощности ?
2) В отношение переживаний о сроке службы АКБ, мысли следующие: 70-80% зарядок осуществляются ночью в гараже
в максимально щадящем режиме - 3,3 - 7 кВт при помощи штатного ЗУ.
Трехфазная зарядка 22 кВт - используется в случае вынужденной дозаправки на выезде в городе,
а также в случаях междугородних поездок, когда чрезвычайно важно сократить время зарядки.
К тому же, 22кВт это еще не 50кВт CHAdeMO, которыми убивают свои авто в Европе
