Поточний час: 08 трав 2026, 01:16

Часовий пояс: UTC + 2 години



Почати нову тему Відповісти на тему  [ Повідомлень: 117 ]  На сторінку Пред.  1, 2, 3, 4, 5, 6 ... 8  Наступ.
Автор Повідомлення
#118141Повідомлення 05 трав 2021, 05:48 
Власник електровелосипеда, член клубу
Аватара користувача
Не в мережі

Звідки: Запорожье
Дякував (ла) 298 Подякували 1100
Мій електротранспорт: >
MiViK писав(ла):
Какой симулятор используете?

Протеус (я упоминал об этом на первой странице)
При разводке без процессора, на 8 каналов получается приблизительно так
Додаткові файли:
bms05.JPG
bms05.JPG [ 60.8 КБ | Переглядів: 5877 ]

_________________
2 моноколеса, 2 электровела, 2 подводных буксира, надувной электро-каяк.


Повернутися до початку
 Профіль  
Відповісти цитуючи  
#118188Повідомлення 07 трав 2021, 16:28 
Творець електромобіля
Аватара користувача
Не в мережі

Звідки: Украина, Киев
Дякував (ла) 34 Подякували 92
Хочется на одном датчике Холла организовать и защиту от сверхтоков измерение тока в обеих направлениях. Если с измерением проблем ни каких, напряжене средней точки (состояние выхода датчика при нулевом токе) можно вычитать програмно, то с защитой несколько сложнее...
Очень уж сильно не хочется с двух полярным питанием заморачиваться.
Не придумал ничего лучше чем выпрямить сигнал в области отрицательного тока и контролировать выход выпрямителя посредством компаратора, но как то громоздко получилось.
Додаткові файли:
shem.jpg
shem.jpg [ 308.23 КБ | Переглядів: 5840 ]

Может кто посоветует более изящное решение?

_________________
Знание приумножает скорбь и увеличивает размер исходного кода.


Повернутися до початку
 Профіль  
Відповісти цитуючи  
#120329Повідомлення 14 лип 2021, 12:21 
Власник електровелосипеда, член клубу
Аватара користувача
Не в мережі

Звідки: Запорожье
Дякував (ла) 298 Подякували 1100
Мій електротранспорт: >
MiViK, если в контроллере ноль калибруется, то пусть он среднюю точку при помощи ШИМ и формирует, причем сразу складывая с порогами сработки (будет задействовано 2 ШИМ, т.е. 2 программируемых порога, для + и -), а дальше дело за двумя компараторами.

Что касаемо сверхтоков... так у датчиков холла у которых нуль это середина их питания, уход напряжения от сверхтоков должен быть такой, что смещение и дрейф нуля просто должен стать незначительной погрешностью, поэтому заморачиваться "как в я первом абзаце" не вижу смысла, тупо два компаратора.

_________________
2 моноколеса, 2 электровела, 2 подводных буксира, надувной электро-каяк.


Повернутися до початку
 Профіль  
Відповісти цитуючи  
#120330Повідомлення 14 лип 2021, 12:29 
Власник електровелосипеда, член клубу
Аватара користувача
Не в мережі

Звідки: Запорожье
Дякував (ла) 298 Подякували 1100
Мій електротранспорт: >
Возвращаясь к нашим "баранам"...
Схемка для тех "кто в танке", из серии "как делать нельзя" или "простота хуже воровства"
Додаткові файли:
nowork.JPG
nowork.JPG [ 22.61 КБ | Переглядів: 5486 ]

Повторять не рекомендуется для сохранения нервов,
а вот помедитировать глядя на схему можно,
о сущности бипорярников.

_________________
2 моноколеса, 2 электровела, 2 подводных буксира, надувной электро-каяк.


Повернутися до початку
 Профіль  
Відповісти цитуючи  
#120331Повідомлення 14 лип 2021, 12:45 
Активіст форуму
Не в мережі

Звідки: Беловодск
Дякував (ла) 1 Подякували 27
И что эта схема показывает?


Повернутися до початку
 Профіль  
Відповісти цитуючи  
#120332Повідомлення 14 лип 2021, 12:54 
Власник електровелосипеда, член клубу
Аватара користувача
Не в мережі

Звідки: Запорожье
Дякував (ла) 298 Подякували 1100
Мій електротранспорт: >
Ток, странно что вы не догадались... вы вроде как танкист, но походу пока еще не в танке.
может тему не читали и не видели чем мы тут до этого нанимались.......

Она читает напряжение одной из верхних банок и выдает её напряжение относительно общего нуля (что бы его можно было измерить например микроконтроллером).

_________________
2 моноколеса, 2 электровела, 2 подводных буксира, надувной электро-каяк.


Повернутися до початку
 Профіль  
Відповісти цитуючи  
#120333Повідомлення 14 лип 2021, 12:57 
Творець електромобіля
Аватара користувача
Не в мережі

Звідки: Украина, Киев
Дякував (ла) 34 Подякували 92
Схема из мира идеально идентичных биполярников )))

_________________
Знание приумножает скорбь и увеличивает размер исходного кода.


Повернутися до початку
 Профіль  
Відповісти цитуючи  
#120334Повідомлення 14 лип 2021, 13:11 
Власник електровелосипеда, член клубу
Аватара користувача
Не в мережі

Звідки: Запорожье
Дякував (ла) 298 Подякували 1100
Мій електротранспорт: >
MiViK, ага.
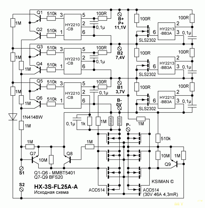
Тут давеча MiViK заставил задуматься над проблемой потребления жрущими операционниками. И подумалось, взять те же классические мониторы напряжения типа HY2210 или подобные, добавить маленький N мосфетик, и питать через этот мосфетик по минусу измерительный операционник с его обвязкой и делителями... После провала ниже 2,4в , HY2210 вырубит схему измерения на операционнике (что бы она не убила своим потреблением предельно разряженную ячейку), в место напряжения ячейки микроконтроллер увидит ноль, да и фиг с ним, ситуация все равно уже внештатная, микроконтроллер БМСки должен вырубить всё еще раньше и уйти в спячку (или работать от резервной бортовой), и по хорошему мастеру как раз пора лезть в батарею с тестером.
Под спойлером схема классической БМС на мониторах HY2210 (что бы не искать...)
Додаткові файли:
d022f1.gif
d022f1.gif [ 76.8 КБ | Переглядів: 5480 ]

_________________
2 моноколеса, 2 электровела, 2 подводных буксира, надувной электро-каяк.


Повернутися до початку
 Профіль  
Відповісти цитуючи  
#120337Повідомлення 14 лип 2021, 13:52 
Творець електромобіля
Аватара користувача
Не в мережі

Звідки: Украина, Киев
Дякував (ла) 34 Подякували 92
То есть предполагается что HY 2210 используется исключительно как комутатор измерительной цепи микроконтроллера? Сама она ток не поджирает после отключения по нижнему порогу? )Я просто не разбирался с HY 2210 и слабо информирован о ее прелестях)

_________________
Знание приумножает скорбь и увеличивает размер исходного кода.


Повернутися до початку
 Профіль  
Відповісти цитуючи  
#120338Повідомлення 14 лип 2021, 14:09 
Власник електровелосипеда, член клубу
Аватара користувача
Не в мережі

Звідки: Запорожье
Дякував (ла) 298 Подякували 1100
Мій електротранспорт: >
3 мкА в рабочем режиме,
Там в даташите есть че то про повердоун с потреблением 0,1мкА, но думаю не в нашем применении.
Её близкий аналог DW01 сидит почти в каждой литиевой батарейке на платке защиты (телефоны, планшеты, плееры, фонарики....)

этих мониторов напряжений щас кто только не выпускает, думаю есть с еще меньшим потреблением по сравнению с этим динозавром, и с разными порогами и гистерезисами, просто надо поискать и посравнивать...

_________________
2 моноколеса, 2 электровела, 2 подводных буксира, надувной электро-каяк.


Повернутися до початку
 Профіль  
Відповісти цитуючи  
#120339Повідомлення 14 лип 2021, 15:15 
Творець електромобіля
Аватара користувача
Не в мережі

Звідки: Украина, Киев
Дякував (ла) 34 Подякували 92
то есть условные 10 мА*ч BMS схавает за 10000 мкА*ч / 3 мкА =3333 часов = 139 дней около 4.5 месяца. Что в принципе не плохо. Ну если конечно монтажем утечек посерьезнее не наделать...
А сигнал балансировки от микроконтроллера на верх к ячейке оптопарой? Или на HY2213 еще 0.5 мкА пожертвовать?

Додаткові файли:
table.jpg
table.jpg [ 469.28 КБ | Переглядів: 5464 ]

Вроде как Power-down Function вполне себе Available с потреблением 0.3 мкА

_________________
Знание приумножает скорбь и увеличивает размер исходного кода.


Повернутися до початку
 Профіль  
Відповісти цитуючи  
#120340Повідомлення 14 лип 2021, 15:25 
Власник електровелосипеда, член клубу
Аватара користувача
Не в мережі

Звідки: Запорожье
Дякував (ла) 298 Подякували 1100
Мій електротранспорт: >
MiViK писав(ла):
..А сигнал балансировки от микроконтроллера на верх к ячейке оптопарой? Или на HY2213 еще 0.5 мкА пожертвовать?

Я думаю раз уж следим за банками то балансиры лучше таки управляемые, что бы включать их чуть раньше для вырывающихся вперед ячеек...

_________________
2 моноколеса, 2 электровела, 2 подводных буксира, надувной электро-каяк.


Повернутися до початку
 Профіль  
Відповісти цитуючи  
#120348Повідомлення 15 лип 2021, 07:24 
Власник електровелосипеда, член клубу
Аватара користувача
Не в мережі

Звідки: Запорожье
Дякував (ла) 298 Подякували 1100
Мій електротранспорт: >
Поставил в симуляторе на восьмой канал операционник MCP616 запитанный от измеряемой ячейки, и биполярный транзистор, на сравнение (на плюс операционника) поставил делитель на 2 что бы на выходе операционника хватило напряжения с учетом падения на переходе биполяника. Ставил ячейке 2,2в и 4,2в , дисплей с ардуинки показывает четко (последний восьмой канал на скрине). Как оно в жизни будет надо проверять. Теперь добавить монитор напряжения и мосфетик вырубаюший операционник с делителем, и вроде как рабочая схема получается. Вот только низковольтный операционник MCP616 (нижнее напряжение питания 2,3в) стоит по пол бакса за штуку, надо искать побюджетнее альтернативу.
Додаткові файли:
Снимок222.JPG
Снимок222.JPG [ 171.85 КБ | Переглядів: 5424 ]

_________________
2 моноколеса, 2 электровела, 2 подводных буксира, надувной электро-каяк.


Повернутися до початку
 Профіль  
Відповісти цитуючи  
#120400Повідомлення 17 лип 2021, 22:16 
Творець електромобіля
Аватара користувача
Не в мережі

Звідки: Украина, Киев
Дякував (ла) 34 Подякували 92
Не до конца понимаю необходимость маневра с биполярным транзистором вместо полевого. Могу просто тупить...
Ток коллектора ведь будет меньше от тока эмиттера на величину базового тока что должно исказить показания. Или нет?

_________________
Знание приумножает скорбь и увеличивает размер исходного кода.


Повернутися до початку
 Профіль  
Відповісти цитуючи  
#120401Повідомлення 17 лип 2021, 22:30 
Власник електровелосипеда, член клубу
Аватара користувача
Не в мережі

Звідки: Запорожье
Дякував (ла) 298 Подякували 1100
Мій електротранспорт: >
MiViK, все верно, лучше полевики... просто P-канальные полевички на нужные напряжения слегка дефицитны... да и биполярники на выше 60вольт тоже, просто они не такие нежные. Просто хочется хотя бы на 75 вольт, что бы построение 16S для любой химии было возможным, а выше уже можно модульно.

_________________
2 моноколеса, 2 электровела, 2 подводных буксира, надувной электро-каяк.


Повернутися до початку
 Профіль  
Відповісти цитуючи  
Показати повідомлення за:  Поле сортування  
Почати нову тему Відповісти на тему  [ Повідомлень: 117 ]              На сторінку Пред.  1, 2, 3, 4, 5, 6 ... 8  Наступ.

Часовий пояс: UTC + 2 години


Хто зараз на конференції

Зараз цей форум переглядають: немає зареєстрованих користувачів і гості: 31


Ви не можете створювати нові теми
Ви не можете відповідати на повідомлення
Ви не можете редагувати свої повідомлення
Ви не можете видаляти свої повідомлення
Ви не можете додавати додаткові файли

Найти:
Створено на основі phpBB® Forum Software © phpBB Group